Skocz do zawartości
Wiadomość dodana przez marcin,

Tutaj piszemy ogólne pytania i odpowiedzi w temacie sterownika SKZP-02.

Wątek o aplikacji Wojszym | Wątek o sondzie Brager

Rekomendowane odpowiedzi

Opublikowano

 adamretro  piszesz ze moc masz od 10 do 60 % ale to masz z pełnej mocy kotła ile wpisałeś moc kotła , ja używam 10-100% ale z 15KW a kocioł ma 37 KW , jak z dymieniem u ciebie jak poda to 170 g ?

Opublikowano

Moc kotła mam wpisaną 30kw.Jak podaję nie dymi, dodmuch mam na 5.

Opublikowano

maniek130 moim zdaniem lepiej palić w pid , dopiero odpaliłes piec to na początku będzie palić więcej żeby wygrzać ściany , dwa/trzy dni i wszystko się uspokoi , żeby sterownik pokazywał wszystko jak należy trzeba ustawić potencjał podajnika , kalorycznosc węgla , moc , dmuchawe bo inaczej ciężko będzie , a jeżeli chodzi o pompę cwu to spróbuj ja zatrzymać przez sterownik , może przekaźnik padł , mało prawdopodobne ale to tylko elektronika 

Opublikowano

Listekcr twój 6 godzinny wykres jest najlepszym wykresem jaki widziałem, modulacja 15- 30% czas przekroczenia 15, dynamika 2 ,czyszczenie palnika 120/5 , zadana kotła 55 ,max temperatura kotła +5

 

Opublikowano

@jolo747 no to mnie zaskoczyłeś. Myślałem ze bedzie od groma poprawek. Zmienie dynamike na 2. Teraz testuje ustawienia sterownika dla 20kw oraz lagodnieszym dmuchaniem, bo mi spieki żużlowe sie zrobily.

Opublikowano (edytowane)
3 godziny temu, Listekcr napisał:

IMG_20191128_060020.jpg

Taki wykres jest typowy dla generatora sadzy, ale nie obrazuje prawidłowej pracy kotła na ekogroszek.... Przekraczanie temperatury zadanej o 15 stopni.. odstawianie się kotła z wysokiej wartości modulacji...

Masz wiele do poprawy, prawidłowo wyregulowany kocioł oscyluje wokół zadanej i przy ciągłej pracy różnica między zadaną, a temperaturą kotła nie przekracza jednego stopnia.

Edytowane przez Jockey
Opublikowano

Panowie wracając do tematu wysokich spalin oraz zużycia węgla w moim przypadku to znalazłem na łączeniu podajnika z kotłem silikon o barwie bardziej błyszczącej i lepki . Tak jakby trochę pociekł. To może być ta nieszczelnośc??
Czy żeby sie do tego dobrać trzeba zdjąć  kosz?? Na nieszczęscie wczoraj zasypalem go na ful

Opublikowano
3 godziny temu, adamretro napisał:

Moc kotła mam wpisaną 30kw.Jak podaję nie dymi, dodmuch mam na 5.

kurde to jak to w końcu jest wpisuje się faktyczną moc kotła i obcina się na modulacji czy obcina się moc kotła a modulacja na 100 % ?

Opublikowano

Ja mam wpisaną moc kotła taką jaką jest a zmnjszyłem modulację. Ty masz czujnik pokojowy czy panel? 

Opublikowano

Panel mam 

Opublikowano

Ja dzisiaj podłączyłem czujnik pokojowy, brakuje już tylko modułu internetowego. 

Opublikowano
Godzinę temu, Jockey napisał:

Taki wykres jest typowy dla generatora sadzy, ale nie obrazuje prawidłowej pracy kotła na ekogroszek.... Przekraczanie temperatury zadanej o 15 stopni.. odstawianie się kotła z wysokiej wartości modulacji...

Masz wiele do poprawy, prawidłowo wyregulowany kocioł oscyluje wokół zadanej i przy ciągłej pracy różnica między zadaną, a temperaturą kotła nie przekracza jednego stopnia.

A da rade tak zrobić tlokowcem? Próbuje od 2 lat. Poddalem sie na irydzie, Witkowski twierdzi ze tak ma byc... Wiec ostatnia deska ratunku jest skzp

Opublikowano

Spróbuj ograniczyć moc maksymalną np 50%, przedmuchy chyba też masz za często. 

Opublikowano
13 minut temu, Listekcr napisał:

...Witkowski twierdzi ze tak ma byc... Wiec ostatnia deska ratunku jest skzp

Skoro producent tego zestawu twierdzi, że kocioł ma pracować tak, jak na załączonych przez Ciebie wykresach, to mnie, zwyczajnie nawet nie wypada, do tego się odnosić.

Opublikowano

@jolo747 ty kupiłeś SKZP do palenia w dwustanie? Miałeś inny sterownik do swojego DIY kotła, czy taki wybrałeś od razu po pospawaniu ? Pokaż wykresy.  Z  ciekawości pytam.

Opublikowano

Tak mi do głowy przyszło jeszcze. Do tej pory otwierałem kosz zasypowy i sie dymiło. Wczoraj węgla prawie nie było tzn był widoczny ślimak i po otwarciu nie dymił. To może mieć związek z lewym powietrzem??

Opublikowano (edytowane)
5 godzin temu, adamretro napisał:

Ja w moim tłoku dawkę paliwa mam podobną 170g.Moc min 10% moc max ograniczona do 60%.Dmucha 80w powietrze min 15% max32%ustawione na oko. Podtrzymanie 20minut.

Jedziesz w dwustanie kotła czy w ciągłej pracy , wchodzi ci w czuwanie za te 20 min , ja mam 10 minut w zadanej temp.

Edytowane przez Natben
Opublikowano (edytowane)

Tylko ciągła praca, poto kupiłem Timela. W czuwanie wszedł mi może z 5 razy jak go pokoleji podłączyłem. 

 

Edytowane przez adamretro
Opublikowano
44 minuty temu, Listekcr napisał:

Poddalem sie na irydzie, Witkowski twierdzi ze tak ma byc...

Jeśli tak ma być to nie rozumiem po co wstawiają do kotła takie drogie sterowniki PID?
Skasowali Cię jak za złoto z Londynu a teraz mają Cię... gdzieś. Super reklama.

 

Opublikowano

Cześć
Dzisiaj, gdy aktualizacja wersji 2.31 jest zakończona, kontroler jest gotowy, wyświetlacz gaśnie i nie włącza się.
Kable i bezpieczniki są sprawdzane, wszystko jest w porządku.
Wszelkie pomysły
Z góry dzięki!

Opublikowano
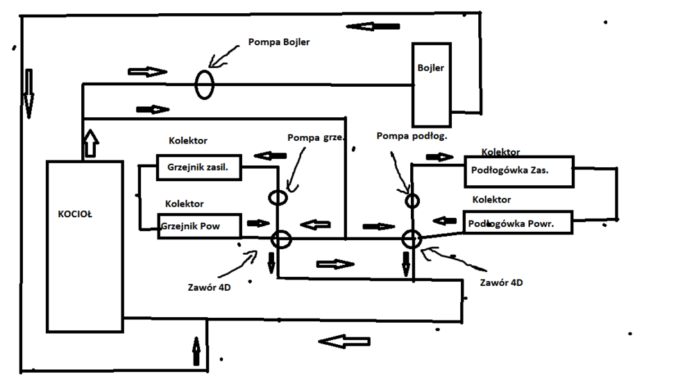
W dniu 27.11.2019 o 14:17, Natben napisał:

koledzy jest jakiś schemat jak powinna być prawidłowo wykonana instalacja pompy kotłowej , w raz z jakimiś zaworami termostatycznymi itd. miałem ochronę powrotu z CWU ale u mnie jakoś to nie działa tak jak powinno mam 3 pompy i ciągła walko o wodę , mam pompy wilo z auto adaptacja i wydawało mi się ze pompy pozostałe nie wiem czy się wyłączały czy co , od jakiegoś przeciążenia , ponieważ tak jakby stawały bo pompa cwu ściągała im wodę to raz , a dwa piec non stop szedł na modulacji w granicach 100 % bo ciągle dogrzewał bojler 300l z podwójną wężownicą , gdy wyłączyłem pompę cwu powrót spadł na 36 stopni ale modulacja tez spadła z 100 na 55% łatwiej ma uzyskać  zadaną temp. proszę o jakieś rady , chociaż wydaje mi się że musi to być zrobione tak jak to mam wyglądać prawidłowo czyli pompa kotłowa .

Podobno jak zastosuje sie zawor temperaturowy afriso ATV i sprzęgło nie trzeba robić żadnych obliczeń może wypowie się ktoś na ten temat

Jockey może wspomożesz swoją wiedzą coś na ten temat , musiałem wyłączyć ochronę powrotu bo pompy świrowały , teraz mam powrót nawet 32 stopnie , koledzy piszą o sprzęgle i obliczeniach ale ja nie mam pojecie jak to zrobić instalator który by to robił chciałbym aby zrobił tak jak ja chce a nie jak on radzi , nie mam nikogo kompetentnego w moim rejonie wiec chciałbym mu powiedżiec co i jak mam być zrobione z waszą pomocą 

Opublikowano

Załóż temat w dziale instalacje i szczegółowo opisz instalację wraz ze zdjęciami kotłowni, tam są fachowcy od tych spraw, to Ci pomogą

Opublikowano

@TomekBrz z racji tego że w zależności od ilości opału w zasobniku zmienia się potencjał podajnika proponuje aby wprowadzić w sterowniku (Jako dodatkową opcję) automatyczna korektę paliwa która zmieniałaby się proporcjonalnie do spalonego Eko..

przykladowo

jezeli przy pełnym zasypie potencjał wynosi np. 16,5 kg a przy prawie pustym 15 kg to potencjał różni się około 10%

gdyby wprowadzić taka opcje która automatycznie dostosowywalaby korektę do wielkości zasypu to proces spalania byłby idealny. 

czyli wprowadzamy wartość pełnego zasypu - 100%

potencjał podajnika = 100% zasypu
 wprowadzamy procentową różnice potencjału między pełnym a pustym podajnikiem I resztę już załatwia sterownik. Wraz ze zmniejszającym się wsadem wprowadza automatycznie korektę.

Jest to do zrobienia?

Opublikowano
39 minut temu, Jockey napisał:

Załóż temat w dziale instalacje i szczegółowo opisz instalację wraz ze zdjęciami kotłowni, tam są fachowcy od tych spraw, to Ci pomogą

Czy takie bazgroły coś im powiedzą dodam jeszcze fotki ale nie chce z siebie głupka robić na kolejnym temacie hhehe

Bez tytułu.png

Dołącz do dyskusji

Możesz dodać zawartość już teraz a zarejestrować się później. Jeśli posiadasz już konto, zaloguj się aby dodać zawartość za jego pomocą.
Uwaga: Twój wpis zanim będzie widoczny, będzie wymagał zatwierdzenia moderatora.

Gość
Dodaj odpowiedź do tematu...

×   Wklejono zawartość z formatowaniem.   Usuń formatowanie

  Dozwolonych jest tylko 75 emoji.

×   Odnośnik został automatycznie osadzony.   Przywróć wyświetlanie jako odnośnik

×   Przywrócono poprzednią zawartość.   Wyczyść edytor

×   Nie możesz bezpośrednio wkleić grafiki. Dodaj lub załącz grafiki z adresu URL.

Ładowanie
×
×
  • Dodaj nową pozycję...

Powiadomienie o plikach cookie

Używając tej strony zgadzasz się na Polityka prywatności.