Skocz do zawartości

Rekomendowane odpowiedzi

Opublikowano

Dziękuję za podpowiedzi. Moje doświadczenia z PC to raptem pół roku użytkowania więc części z nich nie rozumiem. Ale postaram się odnieść i uzupełnić:

4 godziny temu, carinus napisał(a):

Najrozsądniej jest założyć pompkę elektroniczną na by-pasie i mały UPS. 

Taki pomysł mi się podoba.

4 godziny temu, carinus napisał(a):

Wymuszenie pracy pompy obiegowej w monobloku wiąże się z ingerencją w układ zasilania tej pompy. Musisz odłączyć pompę i podać zasilanie z innego źródełka, nie wiem co na to powie gwarancja.

O to też się obawiam. Chyba, że sam instalator może coś takiego zrobić. O ile może.

4 godziny temu, carinus napisał(a):

Jak zablokujesz zawory spustowe to pompa i tak zacznie co chwilę przepompowywać wodę w układzie. Tyle że w takich temperaturach pompa na bank będzie pracować i nie ma mowy o jakiś przestojach.

Jednak pompa nie przepompowuje co chwilę wody w układzie (o ile dobrze rozumiem to stwierdzenie). Opiszę przykładowe zachowanie w nocy z mrozem na zewnątrz (jeszcze przy sterowaniu za pomocą termostatu pokojowego):

1. Do 23:30 CO ustawione na 22 st. C. Potem, aż do 10:00 na 21 st. (normalnie jest do 6:30, ale ponieważ PC w nocy grzała jeszcze CWU, to wydłużyłem czas obniżonego CO na potrzeby doświadczenia)
2. Temperatury w obiegu:
- o 01:00, zasilanie 40 st., powrót 33 st., powietrze -5 st., (to efekt grzania CWU jeszcze po północy),
- o 4:00, zasilanie 13 st., powrót 14 st., powietrze -2 st.,
- o 7:30, zasilanie 7 st., powrót 9 st., powietrze 0 st. - w tym momencie jeden zawór puszczał wodę (dolny, czyli powrotny), wydaje się, że od niedawna, bo w misce, którą podstawiłem pod zawory było mało wody, a ciśnienie spadło o 0,1 bara,
- o 9:30, zasilanie 6 st., powrót 8 st., powietrze 0 st. - woda wylewała się już z obu zaworów, choć nie było jej aż tak wiele, ciśnienie spadło o kolejne 0,2 bara.
We wszystkich przypadkach przepływ wody był na poziomie 0,1 l/min., czyli marginalny lub woda wręcz stała. Nie zarejestrowałem przypadku przepompowania wody. Gdyby tak się stało to zawory nie miałyby szans otwarcia się. Wystarczyłoby przepompować wodę między PC a zaworem rozdzielającym. Na zewnątrz jest mniej niż 1 metr rurek, a w środku do rozdzielacza kilkanaście metrów w temperaturze ponad 12 st. (korytarz i piwnica). Gdyby to się "przemieszało" to woda nigdy nie ma szans ochłodzić się do +3 st.
3. Po ustawieniu wyższej temperatury CO na sterowniku system uruchomił pompę obiegową wody, co natychmiast wstrzymało kapanie wody z zaworów.
 
5 godzin temu, carinus napisał(a):

Jedyne ryzyko to brak zasilania i spory mróz za oknem.

Tak. Ale to samo ryzyko jest i teraz gdy (chcąc nie chcąc) steruję za pomocą temperatury wody wychodzącej z PC. Więc ta propozycja instalatora i producenta też jest ułomna.

5 godzin temu, Kordjano napisał(a):

A czy Kolega posiada zawór automatyczny napełniania instalacji ? 

Tego nie wiem, musiałbym zapytać instalatora. Ale jak zawory antyzamrożeniowe puszczą to uzupełniam wodę po prostu otwierając na chwilę zawór z dopływem bieżącej wody - ręcznie.

5 godzin temu, Kordjano napisał(a):

Te zawory antyzamrorzeniowe to powinny zadziałać w ostateczności .

Jw. Tak się nie dzieje.

5 godzin temu, Kordjano napisał(a):

U mnie jest pompka na bajpasie i czujnik w okolicach tych zaworów który załącza tą pompkę gdy temperatura spadnie do 8st . 

Mam wrażenie, że coś takiego by pomogło.

4 godziny temu, Gruner napisał(a):

Ja mam pompkę  akwariową  o mocy 5 w  podpiętą  do akumulatora poprzez termostat od lodówki ustawiany w zakresie -20 do +30  . Czujnik termostatu wpięty na powrocie przed samą pompą -  zaworów antyzamrożeniowych nie mam - pompka wpięta  w trójnik przed którym dałem zawór zwrotny  klapkowy -  działa znakomicie  ustawiona  na 6C .  

Przepraszam, to już dla mnie za wysokie loty 😀To musiałby mi jakiś fachowiec przetłumaczyć i wykonać 😀

2 godziny temu, sambor napisał(a):

Pompę dodatkową masz zamontowaną w szereg z podstawowym obiegiem?

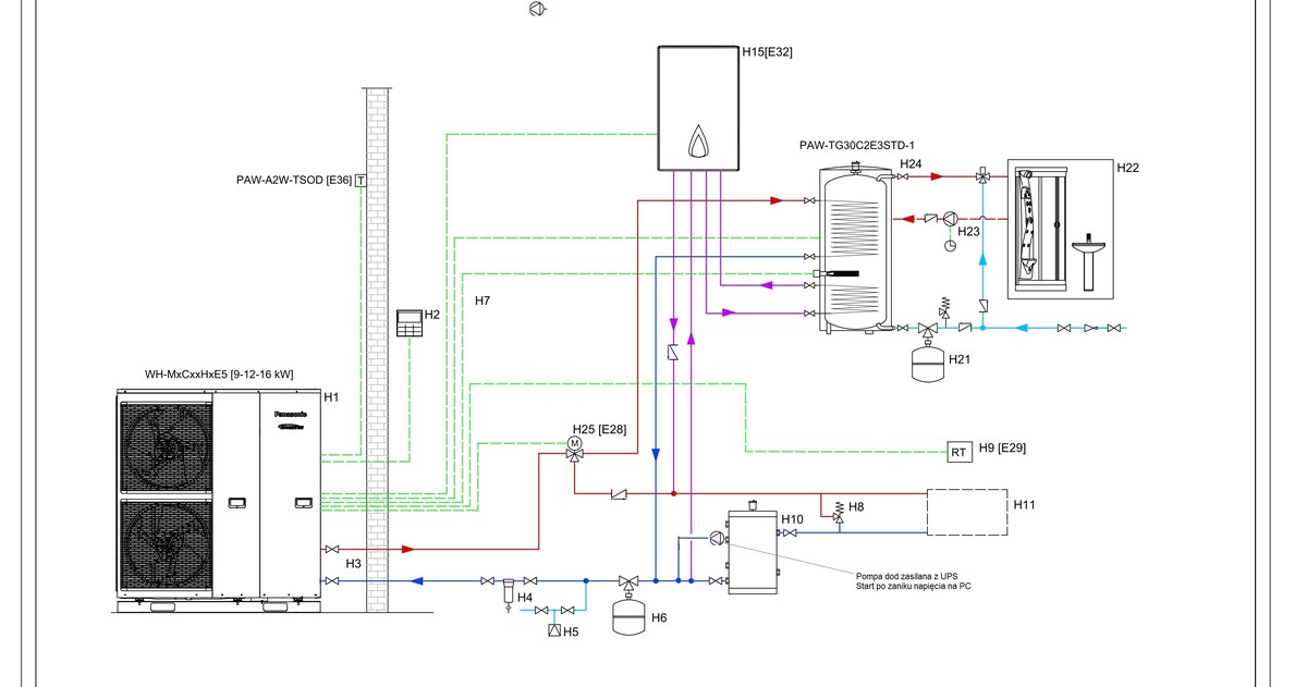
Tego nie wiem, bo się na tym tak dobrze nie znam. Musiałbym zapytać instalatora. Opisując to łopatologicznie, to z PC wychodzą dwie rurki z wodą (zasilanie i powrót), po niecałym metrze wchodzą do budynku, a po kilkunastu następnych do kotłowni (a w zasadzie "byłej kotłowni", bo piec kondensacyjny już zdemontowany 😀). Tam na zaworze trójdrożnym rozchodzi się woda albo na podłogę, albo do zasobnika CWU. Nie mam bufora - jest nim podłoga. Tak wygląda tabliczka z tego zaworu:

20230103_203000.thumb.jpg.d9ce4815e9305196f8e7c311aa0c3af7.jpg

1 godzinę temu, carinus napisał(a):

Zasilanie z gniazdka ma sens, jeżeli to gniazdko będzie w obwodzie zasilania awaryjnego, inaczej pompa pozostawiona w bezczynności sama reaguje na spadek temperatury i przepompuje wodę w układzie. Problem główny to brak zasilania i wtedy zostaje ta dodatkowa pompka i dodatkowe źródło zasilania tej pompki. Gdybym nie miał gotowego zabezpieczenia, zrobiłbym szeregowo na linii powrotu przed samą pompą gdzieś w pomieszczeniu, taki właśnie by-pass z dodatkową pompką i UPS-em. Zasilanie pompki załączane nawet zwykłym termostatem mechanicznym z bojlera, gdyż nie potrzebuje ciągłego zasilania i jest odporny na ewentualne awarie. Do kompletu potrzebny mały przekaźnik do uruchomienia zasilania w przypadku zaniku zasilania samej PC.

U mnie tej reakcji w bezczynności na spadek temperatury właśnie nie ma. Więc nawet zasilanie "z gniazdka" by-pass'u byłoby sporym postępem. Chociaż mógłbym być może wykorzystać UPS z pieca gazowego. To taki dedykowany dla piecy UPS, do którego mogę podpiąć albo dedykowaną przez producenta "baterię" lub zwykły samochodowy akumulator. 

Ale skoro więcej osób pisze, że PC w bezczynności powinna sama zareagować na spadek temperatury to może z moim egzemplarzem jest coś nie tak? Albo akurat ten model nie ma takiej (dość pożądanej) funkcjonalności?

🛠️ Szukasz instalatora pompy ciepła?
Wypełnij krótki formularz i porównaj oferty firm z Twojego regionu
Porównaj oferty →
Reklama · link partnerski
Opublikowano

Nie mam pewności czy ta pompka w pompie przemieli wodę jeżeli wyłączysz pompę w sterowniku .

Ja jak grzeję tylko  kotłem, tak jak było ostatnio w te duże mrozy  to wyłączam pc by nie pracowała równocześnie , nie widzę potrzeby by grzać tym i tym . 

W zimie nie grzeje też pc cwu tylko kotłem, pompa ciepła cały czas grzeje dom a kocioł odpali się raz ,czasem dwa razy na dobę by załadować cwu .

@sambor Nie jest w szeregu , ta pompka jak się załączy to ciągnie wodę z bufora  z trzeciego króćca od góry na zasilanie pompy ciepła , a z drugiego  króćca od góry jest zasilanie pompy ciepła , pompa ciepła u mnie pcha wodę bezpośrednio na grzejniki po drodze jest zawór nadmiarowo upustowy , to trochu skomplikowane do wytłumaczenia ,ale w skrócie, pompa pracuje z buforem szeregowo na powrocie , a kocioł standardowo .

Opublikowano (edytowane)
6 godzin temu, Bernie napisał(a):

Instalator zaproponował następujące rozwiązania:

1. Zalanie instalacji roztworem glikolu i usunięcie zaworów bezpieczeństwa.

2. Włączenie sterowania za pomocą temperatury wody wychodzącej z PC.

Z pierwszego rozwiązania nie chciałem skorzystać, ponieważ to dodatkowe koszty, o których nie byłem informowany przy zamianie pompy na monoblock, a poza tym dowiedziałem się o mniejszej zdolności do przenoszenia ciepła oraz o większej lepkości takiego roztworu (a mam problem z doprowadzaniem ciepła do dalej położonych pomieszczeń).

Kolego. Niedawno własnorecznie montowałem panasa w monobloku i wg mnie nie ma się co bać roztworu glikolu tym bardziej, że w takiej instalacji rekomenduje się stężenie pozwalające osiągnąć zamarzanie w -6 a to nie ma większego wpływu na lepkość. Przyznam się szczerze, że to co spuściłem z instalacji na pierwszy rzut oka ciężko odróżnić od wody a przypadkiem wyszedł mi roztwór na -9. Również koszt nie jest wg mnie oszałamiający bo 20kg koncentratu to jakieś 380zł ale potrzebna ilość zależy od zładu wody. 

20221228_141846.jpg

20221228_122331.jpg

PS. Czy w sterowniku masz aktywną funkcję antyzamrażania? Pompa powinna sama pompować okresowo ciepłynczynnik z wnętrza domu do pompy. Może trzeba skrócić interwał?

Edytowane przez awiator
Opublikowano
Godzinę temu, Kordjano napisał(a):

ta pompka jak się załączy to ciągnie wodę z bufora  z trzeciego króćca od góry na zasilanie pompy ciepła , a z drugiego  króćca od góry jest zasilanie pompy ciepła , pompa ciepła u mnie pcha wodę bezpośrednio na grzejniki po drodze jest zawór nadmiarowo upustowy , to trochu skomplikowane do wytłumaczenia

Pewnie coś takiego, w tym przypadku drugim źródłem jest kocioł gazowy

image.thumb.jpeg.bde955b6250d989d52a7b56624f4754f.jpeg

Opublikowano
Godzinę temu, awiator napisał(a):

Kolego. Niedawno własnorecznie montowałem panasa w monobloku i wg mnie nie ma się co bać roztworu glikolu tym bardziej, że w takiej instalacji rekomenduje się stężenie pozwalające osiągnąć zamarzanie w -6 a to nie ma większego wpływu na lepkość. Przyznam się szczerze, że to co spuściłem z instalacji na pierwszy rzut oka ciężko odróżnić od wody a przypadkiem wyszedł mi roztwór na -9. Również koszt nie jest wg mnie oszałamiający bo 20kg koncentratu to jakieś 380zł ale potrzebna ilość zależy od zładu wody. 

PS. Czy w sterowniku masz aktywną funkcję antyzamrażania? Pompa powinna sama pompować okresowo ciepłynczynnik z wnętrza domu do pompy. Może trzeba skrócić interwał?

Czy dobrze ze zdjęcia wnoszę, że chodzi o glikol propylenowy?

Funkcja antyzamarzania jest aktywna cały czas. Ale nie wiem gdzie mogę sprawdzić i ustawić interwał.

Opublikowano (edytowane)

Tak, to glikol propylenowy. Wybrałem jako bezpieczniejszy dla środowiska. Do swojej instalacji wlałem 40l. 

Niesety nie jestem pewien czy cokolwiek da się ustawić w Panasonicu jeśli chodzi o tą funkcję.

Edytowane przez awiator
Opublikowano (edytowane)
1 godzinę temu, Bernie napisał(a):

Przepraszam, to już dla mnie za wysokie loty 😀To musiałby mi jakiś fachowiec przetłumaczyć i wykonać 😀

 

PANAS ANTYZAMARZANIE.jpg

U mnie to tak wygląda - prościej się nie da 

Działa niezaleznie od pogody i  dostaw prądu . Połącznia wody  do tej pompeczki 12 v  ożna wykonać wężykami ciśnieniowymi od powietrza i na szybkozłączki albo dowolnie . Całość z akumulatorem np od upsa  wyjdzie ok 150 zł .  Jeśeli układ jest ciśnieniowy pompkę trzeba kupić wytrzymalszą i połączenia wykonać  też porządniejsze - w układzie otwartym do 8 m słupa  wystarcza  ta zabawka .

Edytowane przez Gruner
Opublikowano (edytowane)
18 godzin temu, Gruner napisał(a):

U mnie to tak wygląda - prościej się nie da 

Działa niezaleznie od pogody i  dostaw prądu . Połącznia wody  do tej pompeczki 12 v  ożna wykonać wężykami ciśnieniowymi od powietrza i na szybkozłączki albo dowolnie . Całość z akumulatorem np od upsa  wyjdzie ok 150 zł .  Jeśeli układ jest ciśnieniowy pompkę trzeba kupić wytrzymalszą i połączenia wykonać  też porządniejsze - w układzie otwartym do 8 m słupa  wystarcza  ta zabawka .

Faktycznie. Teraz wygląda prosto. Dzięki. Zapytam instalatora czy pójdzie na coś takiego, abym nie stracił gwarancji. Akumulator z UPS'em już mam więc wygląda to na groszowe sprawy.

Edytowane przez Ryszard
Proszę nie cytować ostatniego postu
Opublikowano

Instalator nie pójdzie na to, bo pewnie uzna że to nie są elementy dedykowane do instalacji grzewczych, a po drugie, nie zarobi na tym.

 Pompa przemieli wodę dopiero jak temperatura wymiennika spadnie do niskiego poziomu, niezależnie jak zimno bedzie na zewnątrz. Jak zostawisz pompe wyłączoną to zaobserwujesz cos takiego dopiero przy mocnym wychłodzeniu. Kiedyś miałem zamknięty zawór na magistrali wodnej i wyziębiona pompa wywaliła mi właśnie błąd przepływu gdy chciała przemielić wodę. Dlatego wiem że takie coś sie odbywa niezależnie od ustawień w menu serwisowym.

Opublikowano
12 godzin temu, awiator napisał(a):

Tak, to glikol propylenowy. Wybrałem jako bezpieczniejszy dla środowiska. Do swojej instalacji wlałem 40l. 

W przypadku glikolu zdolność do przenoszenia ciepła może nie jest tak istotna, ale dla mnie jego lepkość (która przekłada się na opór) ma znaczenie. Ogrzewam dwa mieszkania i w tym, które jest dalej od pompy obiegowej (jest jedna) mam problem z osiągnięciem właściwej temperatury. Na tę potrzebę ograniczam przepływ w pierwszym mieszkaniu. Nie wiem czy glikol nie utrudniłby tego jeszcze. 

Na pewnej stronie (nie wiem czy mogę pokazać źródło - a może powinienem?) znalazłem takie dane dla glikolu etylowego:

image.thumb.png.fd16d75bd9f70a33a58bf9407c682546.png

Tu jest temperatura zamarzania -19 st. C więc dwa razy wyższa niż u Ciebie. Jeśli założyć liniowy wzrost to przy Twoim roztworze efektywność spada tylko o 1%, a opory o 10%. Akceptowalne. Ale tu są dane dla glikolu etylowego, a Ty stosowałeś propylenowy. Na innej stronie z kolei znalazłem następujące dane:

image.png.25cdd1cec68535a18355f7dbc80cb011.png

Jak widać lepkość glikolu propylenowego jest dwukrotnie większa niż etylowego i czterokrotnie większa niż wody (przy temp. krzepnięcia -15 st. C). W tabeli podano różnicę w przepływach dla osiągnięcia takiego samego SCOP (choć są to dane dla pomp gruntowych - nie wiem czy analogia jest na wprost):

image.png.c257eb0f83b83bcb530bb2ebd9988611.png

A więc przy roztworze glikolu propylenowego o temp. krzepnięcia -9 st. C można by się spodziewać wzrostu oporu o ok. 20% (wciąż stosując liniowe odniesienie). Nie wiem czy udałoby mi się nadal tak sterować ograniczeniem przepływu w pierwszym mieszkaniu, aby uzyskać odpowiednią temperaturę w drugim. Ale inaczej niż w praktyce chyba nie jestem tego w stanie sprawdzić.

12 godzin temu, awiator napisał(a):

Niesety nie jestem pewien czy cokolwiek da się ustawić w Panasonicu jeśli chodzi o tą funkcję.

Zapytam producenta. Może odpowie.

Dzięki za podpowiedzi.

5 minut temu, carinus napisał(a):

Instalator nie pójdzie na to, bo pewnie uzna że to nie są elementy dedykowane do instalacji grzewczych, a po drugie, nie zarobi na tym.

Czyli wyjdzie to na pierwszym przeglądzie po takiej modyfikacji. Pytanie tylko czy przepadnie gwarancja na instalację czy również na PC?

To oczywiście pytanie do instalatora.

Opublikowano

Ze swojej strony masz mieć zabezpieczenie do prawidłowej pracy monobloku. Zrobisz jak uważasz i ma to być sprawne. Jak coś się stanie nawet z innego powodu i zobaczą takie coś, jestem pewny że będziesz na straconej pozycji. Podobna sytuacja ma miejsce gdy po wypadku samochodowym ktoś wyczuje, że w układzie klimatyzacji masz propan zamiast np. R134. Niby nie ma wpływu na przywalenie w drzewo, ale ubezpieczyciel może sie wykrecić sianem.

Opublikowano (edytowane)

 Pytanie tylko czy przepadnie gwarancja na instalację czy również na PC?

Jak nie wywalisz zaworów antyzamrożeniowych  to nic nie przepadnie a termostat  swojego zabezpieczenia ustawisz tak aby zadzialało ZANIM one wystartują - po prostu termopara  na zaworze antyzamrożeniowym  i regulator na 6 C .

Zawory startują przy 4 C więc zabawka im na to nie pozwoli a jak już zawiedzie wszystko i dom zamarznie to niech wtedy sobie ta woda wycieka. 

Edytowane przez Gruner
Opublikowano

Problemem są właśnie te nieszczęsne zawory, które za szybko spuszczają wodę nim zareaguje sama pompa. 

Opublikowano

Pytanie czy u mnie pompa reaguje za późno czy wcale nie reaguje? Niezależnie od przyczyny efekt jest ten sam.

Zadałem pytanie producentowi, zobaczę co na to odpowie.

Opublikowano

Niezaleznie od tego jak jest jeśli  zamontowanie dodatkowego  niedrogiego przecież rozwiązania  nie wymaga jakichś wielkich przeróbek zastosowałbym  dla świętego spokoju.  

Opublikowano

I tak zamierzam zrobić. Tym bardziej, że zabezpiecza to również w sytuacji jednoczesnego wystąpienia mrozu i braku prądu. Czego obecnie, nawet stosując sterowanie temperaturą wody wylotowej, nie mam. Ale najpierw chcę się upewnić czy producent/instalator nie chowa jeszcze jakiejś propozycji w zanadrzu (co byłoby zaskoczeniem, ale dlaczego nie dać szansy?).

Opublikowano
2 godziny temu, Bernie napisał(a):

Pytanie czy u mnie pompa reaguje za późno czy wcale nie reaguje? Niezależnie od przyczyny efekt jest ten sam.

Zadałem pytanie producentowi, zobaczę co na to odpowie.

Pewny jesteś że masz włączone anty zamrażanie ? 

Dziwi mnie to że u Ciebie pierwsze reagują te zawory ,chyba że masz je całkiem gołe to mogą się wcześniej otwierać tym czasem w pompie tam gdzie czujnik jeszcze, jest w miarę ciepło i pompka nie reaguje .

Swoją drogą ktoś wie przy jakiej Temperaturze to antyzamrażanie ma załączyć tą pompkę ?

Opublikowano

Nie jestem pewny ale to była temp bliżej +3* i mierzona na czujniku wymiennika pompy, więc zawory musiały wypuszczać sporo wcześniej i nie ma wtedy mowy, żeby pompa zrobiła cokolwiek gdy w układzie jest sygnalizowany spadek ciśnienia. Pompa na pewno zareaguje, nic nie trzeba ustawiać, aktywować, to jest sztywna procedura ochrony, tylko trzeba zablokować wcześniejszy zrzut wody.

Opublikowano (edytowane)

Anty-zamarzanie mam włączone od momentu instalacji:

image.thumb.jpeg.2efe8094dd037230a2862d140893c7b4.jpeg

Ale ciekawy jest opis tej funkcji w instrukcji:

image.thumb.jpeg.cb463dfc4db4872927454882a5c53c56.jpeg

To sugeruje, że działa ona, gdy system jest wyłączony.

Co, moim zdaniem, również nie zachodzi, ponieważ dwa pierwsze przypadki wypuszczenia wody przez zawory miały miejsce gdy PC była całkowicie wyłączona (w harmonogramie wartość "WYŁ" od północy do 7:00 rano). Chyba, że sformułowanie "system jest wyłączony" oznacza coś innego. W każdym razie u mnie zawory wypuszczały wodę na mrozie niezależnie od tego czy PC była całkowicie wyłączona czy też była włączona, ale nie pracowała, bo nie było potrzeby dogrzewania CO.

Dla szerszego zobrazowania jak zachowuje się PC pokażę przykład z innego dnia:

1. PC w harmonogramie miała obniżone temperatury CO i CWU w godzinach od 22:00 do 8:00. I nie grzała w tym czasie, choć była włączona.

2. Temperatury w obiegu:

- o 0:00, zasilanie 14 st., powrót 13 st., powietrze -1 st. (to wartość z czujnika PC),

- o 5:30, zasilanie 6 st., powrót 10 st., powietrze -2 st.,

- o 7:30, zasilanie 6 st., powrót 9 st., powietrze -2 st.,

3. Zawory wypuściły wodę (prawie cała miska) a ciśnienie w układzie spadło z 1,8 na 1,1 bara. O 8:00 rano pompa podjęła pracę i rozpoczęła grzanie (ciśnienie było wystarczające i nie pojawił się błąd na sterowniku). 

Edytowane przez Bernie
Opublikowano

Być może to anty zamarzanie działa przy spadku do pięciu stopni ,więc dużo  nie brakło by zadziałało , 

Mam te zawory i nie sprawiają mi kłopotu ,pisze na nich że przy 3st się otwierają ,a przy 4 zamykają z powrotem .

Gdybyś miał zawór automatycznego napełniania instalacji do by ci dopuszczało do instalacji to co zawory wypuszczą , ale nie oto chodzi bo to ma zadziałać w razie awarii .

Ja mam te zawory ocieplone tak by one czuły to co w nich płynie czy też stoi  a nie temperaturę zewnętrzną .

Swoją drogą producent powinien przewidzieć takie sytuacje skoro akceptuje te zawory i ta pompka powinna sie załączać wcześniej nawet jak użytkownik by wyłączył sterownik . 

Opublikowano (edytowane)

Niestety, ani producent ani instalator nie wspominają o określonym poziomie temperatury, który jest potrzebny dla aktywowania funkcji anty-zamarzanie. Wręcz wprost opisują, że sytuacja u mnie występująca jest spodziewana. Info od instalatora:

image.thumb.png.04c2e9ceafe0800e333696edacb7b81e.png

oraz

image.thumb.png.bf391b024014e89cf2045741ebb8e10a.png

Jest to o tyle dziwne, że podczas montażu PC osoby montujące przeprowadziły dla mnie szkolenie z obsługi sterownika, opisując zarządzanie harmonogramem i sterowanie całością tylko na podstawie termostatu wewnętrznego. A przecież wiedzieli, że mam zawory antyzamrożeniowe, bo sami je w tym samym dniu montowali. To jest niespójne z informacją obecnie podawaną przez instalatora (zacytowaną powyżej).

Info od producenta:

image.png.c825be0ecf7f80bb9b5f221732a94b56.png

I to też jest ciekawe, bo w instrukcjach (czy krótkiej czy też pełnej), dedykowanych do tego urządzenia, producent opisuje sterowanie PC i ustawianie harmonogramu wyłącznie za pomocą termostatu pokojowego. Nie zaznacza również, że stosowanie zaworów antyzamrożeniowych wyklucza tę metodę sterowania. Nie wspomina nic nt. sposobów sterowania temperaturą wody na wylocie. Zatem jeśli sytuacja występująca u mnie jest normalna, to byłaby też normalna dla krajów środkowej i północnej Europy (dla tych krajów dedykowana jest instrukcja). I to byłby domyślny sposób sterowania PC, który powinien być opisany w instrukcji.

Czuję więc, że coś jest tu nie tak.

Dodam, że u mnie zawory antyzamrożeniowe są całkowicie odsłonięte od góy i od dołu i instalator po montażu sprawdzał czy tak na pewno jest. W trosce o to, aby woda miała gdzie ujść i o to, żeby powietrze mogło swobodnie do zaworu dotrzeć. Jest to spory mostek cieplny, ale ponoć tak musi być.

image.thumb.jpeg.9d90a7489fa4a6363945c6bd21ae1c1a.jpeg

Edytowane przez Bernie
Opublikowano

Ja bym tą rurę troszku lepiej otulił .

Nie pozostaje Ci nic innego jak założyć pompkę na bajpasie i termostat który będzie ją załączał , dobrze jest do tego dołożyć elektrozawór bezprądowo zamknięty , po to by pompa główna nie pchała wody przez ten bajpas z powrotem gdzieś tam gdzie nie potrzeba .

 

Niestety to znowu koszty .

Opublikowano

Mam pytanie odnosnie wyłączania się pompy. Według krzywej 15/-15 strefa 1 - 24 /33 i strefa 2 - 25/35 przy temperaturze zewnętrznej 8 stopni pompa powinna chodzić i zasilać instalacje jakimiś 26 stopniami a ona stoi. Temperatura w domu spadła bo na zasilaniu jest 20 stopni Najlepsze jest to ze siłowniki zamontowane na strefe 1 i 2 cały czas próbują podnieść temperaturę ale nie mają z czego. Wytłumaczy mi ktoś o co chodzi?

Opublikowano

Powiem ze masz trochę przekombinowane sterowanie. W prostocie siła i to patrząc na całokształt rozwiązań gdziekolwiek nie spojrzymy. Wszyscy chcemy mieć komfort i ekonomię grzania wyśrubowaną do granic możliwości technicznych. To sie jednak potrafi mścić i trzeba kogoś z branży grzewczej z bystrym umysłem, żeby na podstawie tylko Twoich danych potrafił prawidłowo postawić diagnozę. Mam grzanie mieszane podłoga/grzejniki, krzywa grzewcza, termostaty na grzejnikach odkręcone na maxa i problemów nigdy nie widziałem. Nie mówię żeby każdy zrobił podobnie, ale jak widać niesie to za sobą ryzyko niepowodzeń.

Opublikowano
19 godzin temu, Kordjano napisał(a):

Nie pozostaje Ci nic innego jak założyć pompkę na bajpasie

 

W dniu 3.01.2023 o 23:56, Gruner napisał(a):

 

PANAS ANTYZAMARZANIE.jpg

U mnie to tak wygląda - prościej się nie da 

Gdzie dokładnie powinien być początek i koniec tego bajpasa?

 

19 godzin temu, Kordjano napisał(a):

Niestety to znowu koszty .

Tak, ale chyba niewielkie w stosunku do innych rozwiązań.

🛠️ Szukasz instalatora pompy ciepła?
Wypełnij krótki formularz i porównaj oferty firm z Twojego regionu
Porównaj oferty →
Reklama · link partnerski

Dołącz do dyskusji

Możesz dodać zawartość już teraz a zarejestrować się później. Jeśli posiadasz już konto, zaloguj się aby dodać zawartość za jego pomocą.
Uwaga: Twój wpis zanim będzie widoczny, będzie wymagał zatwierdzenia moderatora.

Gość
Dodaj odpowiedź do tematu...

×   Wklejono zawartość z formatowaniem.   Usuń formatowanie

  Dozwolonych jest tylko 75 emoji.

×   Odnośnik został automatycznie osadzony.   Przywróć wyświetlanie jako odnośnik

×   Przywrócono poprzednią zawartość.   Wyczyść edytor

×   Nie możesz bezpośrednio wkleić grafiki. Dodaj lub załącz grafiki z adresu URL.

Ładowanie
×
×
  • Dodaj nową pozycję...

Powiadomienie o plikach cookie

Używając tej strony zgadzasz się na Polityka prywatności.