Zajaszcze Opublikowano 8 Maja 2019 #1 Opublikowano 8 Maja 2019 Witam. Czy taki cudak może dzialać.? Dodam, że piec po prawej w chwili obecnej działa na grawitacji oraz ma zamontowana pompę obiegową.
Gość Digitrax Opublikowano 8 Maja 2019 #2 Opublikowano 8 Maja 2019 Plan przedstawia układ niebezpieczny i wątpliwe by działał skutecznie tak jak od niego oczekujesz.
sambor Opublikowano 8 Maja 2019 #3 Opublikowano 8 Maja 2019 7 godzin temu, Zajaszcze napisał: Czy taki cudak może dzialać.? Tak ! Jednorazowo. Zrobi duże bum i po domku. Należy z obu kotłów pociągnąć osobne rury 1" do naczynia wzbiorczego i będzie bezpiecznie.
Zajaszcze Opublikowano 8 Maja 2019 Autor #4 Opublikowano 8 Maja 2019 Ok. Dziękuję za informację. Jutro spróbuję poprawić schemat, myślę, że wiem gdzie może być błąd. Takie dodatkowe pytanie mi się nasunęło odnośnie tych trzech obejść pompowych przy rozdzielaczu. Jeśli pompka w piecu zapasowym tym po prawej będzie chodziła a te od nowego pieca nie to obejście pompowe pozwoli przepchać wodę starej pompie. Dobrze to rozumiem? Pozdrawiam Krzysztof.
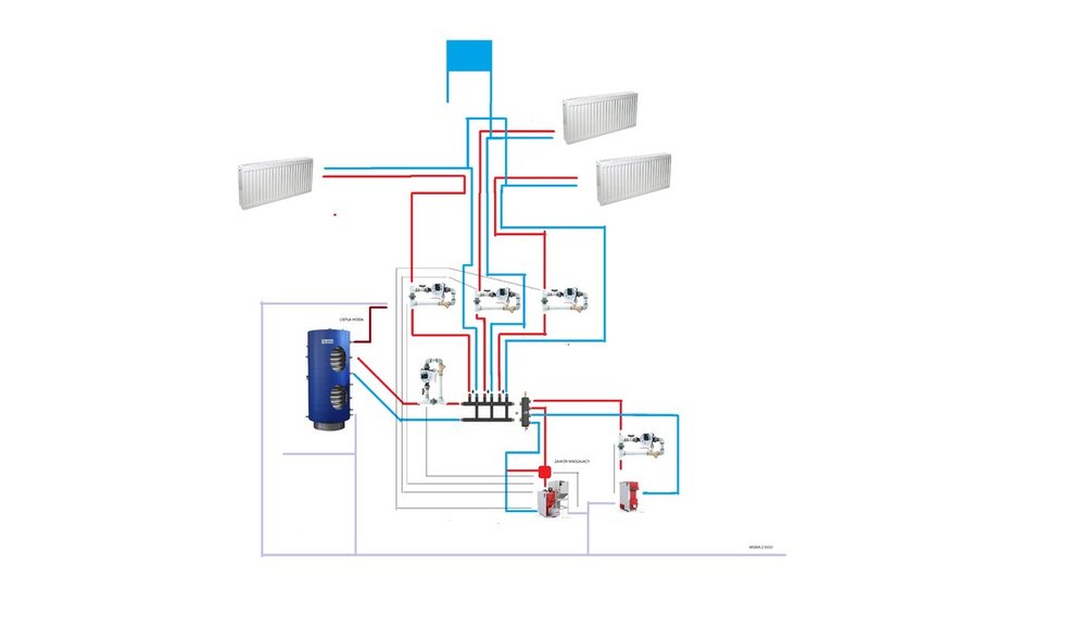
Zajaszcze Opublikowano 9 Maja 2019 Autor #5 Opublikowano 9 Maja 2019 Witam Wklejam poprawiony schemat. Pierwszy stary, drugi z dwoma dodatkowymi przyłączeniami do zbiornika.
sambor Opublikowano 9 Maja 2019 #6 Opublikowano 9 Maja 2019 Do zbiornika idziemy wprost z kotła a u ciebie w lewym masz najpierw zaw 3-D a w prawym zaw różnicowy i pompę!
Zajaszcze Opublikowano 10 Maja 2019 Autor #7 Opublikowano 10 Maja 2019 Czyli najprościej rozdzielić trójnikiem przy kotle tak jak w schemacie.
sambor Opublikowano 10 Maja 2019 #8 Opublikowano 10 Maja 2019 Tak się robi, tylko rura nie może robić syfonu, musi iść do góry, czyli z trójnika w górę wyprowadzasz rury do naczynia a z boku dajesz wyjścia na instalację. Dodatkowo po co też zaw różnicowy ? Natomiast ten lewy kocioł nie będzie podawał ciepła na sprzęgło - brak pompy za zaw mieszającym!
Zajaszcze Opublikowano 10 Maja 2019 Autor #9 Opublikowano 10 Maja 2019 Zawór po to aby prawy awaryjny piec mógł zasilać obiegi. Przecież przez wyłączone pompy pieca lewego nie przepcha wody - stąd obejścia pompy. Odnośnie tych trzech pomp to nie wyciągną ciepła z kotła? Bo jeśli nie to nie ma sensu ich w ogóle montować za sprzęgłem. Wystarczy wtedy jedną przy kotle. Tylko wtedy boje się, że znów będę miał nierównomierne grzanie w domu (mojej prowizorkę budowlanej z PRL-u - taki problem kupiłem).
sambor Opublikowano 10 Maja 2019 #10 Opublikowano 10 Maja 2019 33 minuty temu, Zajaszcze napisał: Zawór po to aby prawy awaryjny piec mógł zasilać obiegi. Po pierwsze w obiegi to mało co pójdzie, wszystko zatrzyma się na sprzęgle! Po drugie taki zawór różnicowy może mieć większe opory niż pompa i wtedy wszystko idzie przez pompę Po trzecie to sprzęgło tak potrzebne jak świni kamizela lub pryszcz na qtasie.
Zajaszcze Opublikowano 10 Maja 2019 Autor #11 Opublikowano 10 Maja 2019 Na sprzęgło zdecydowałem się tylko dlatego, że w obecnej chwili nierówno ogrzewam pomieszczenia. Dlatego chciałem rozdzielić na trzy osobne obiegi aby wyrównać temperatury w pomieszczeniach. Dodam że termostaty nie pomagają za wiele. Czyli obejścia pompowe do wywalenia? Dla mnie to plus bo koszta niższe. Zawsze 500zl w kieszeni więcej.
sambor Opublikowano 10 Maja 2019 #12 Opublikowano 10 Maja 2019 Ok - zostaw w takim razie sprzęgło - może będzie służyć za ochronę powrotu, natomiast potrzeba pompy między sprzęgłem a zaw 3-D na lewym kotle
Zajaszcze Opublikowano 10 Maja 2019 Autor #13 Opublikowano 10 Maja 2019 A jakie pompy pompy byś zamontował, chodzi o wysokość podnoszenia Obiegową do c.w.u napewno wilo star-a Pozostałe chciałbym kupić 2x wilo pico/yonos 25/40(dwie po lewej od rozdzielacza) 1x wilo pico/yonos 25/60 (skrajnie prawa przy rozdzielaczu) Co proponujesz na 4pompę (ta między zaworem mieszającym a sprzęgłem)
sambor Opublikowano 10 Maja 2019 #14 Opublikowano 10 Maja 2019 Ja kupiłbym do CO 5 x 25/40 - 3 na piony, 2 do obsługi kotłów - w sumie będzie 6 pomp - dochodzi też CW - to tyle co w średnim bloku mieszkalnym! Choć moim zdaniem 1 pompa na wszystkie piony powinna dać radę.
Zajaszcze Opublikowano 10 Maja 2019 Autor #15 Opublikowano 10 Maja 2019 Dziś zrobię schematy pro i Eco. Osobiście również uważam, że mój pomysł na instalację jest zbyt przesadzony.
hajtaler428 Opublikowano 11 Maja 2019 #16 Opublikowano 11 Maja 2019 Też się zastanawiałem po co trzy pompy na same grzejniki. No chyba że taka rozległa instalacja ale prędzej problem nierównego grzania w poszczególnych pomieszczeniach wynika z braku regulacji hydraulicznej
sambor Opublikowano 11 Maja 2019 #17 Opublikowano 11 Maja 2019 Godzinę temu, hajtaler428 napisał: wynika z braku regulacji hydraulicznej A opcja z 3 pompami to największe głupstwo jakie można w tej instalacji zrobić. A ponoć instalacja ma działać bez pomp , lub dawniej chodziła na samej grawitacji!
Zajaszcze Opublikowano 11 Maja 2019 Autor #18 Opublikowano 11 Maja 2019 Dziękuję za cenne uwagi. Po to jest forum aby doświadczeni udzielali porady początkującym. Biorę sobie wszystko do serca. Na razie nie mam czasu usiąść przy moim profesjonalnym programie projektowym, ale napewno do wieczora coś wymaluje. Doczytałem w instrukcji, że zalecany jest zawór 4d z siłownikiem więc całe poprzednie projekty do kosza. A poprzednie projekty robiłem sugerując się przykładem podanym w książce instrukcji.
Gość Digitrax Opublikowano 11 Maja 2019 #19 Opublikowano 11 Maja 2019 Bzdura. Zawór 4D to jeden ze sposobów regulacji temperatury obiegu CO albo zabezpieczenia temperatury powrotu kotła. Sprzęgło jest lepszym rozwiązaniem więc nie myśl nawet gdzie tu by 4D wcisnąć. W tym układzie wystarczą 4 pompy. Po jednej do kotła aby tłoczyć do sprzęgła, jedna do CO i jedna do CWU.
Zajaszcze Opublikowano 11 Maja 2019 Autor #20 Opublikowano 11 Maja 2019 Z ciekawości jak sprzęgło reguluje temperaturę tak aby na powrocie było minimum 55st. Zabezpieczyć to zaworem termostatycznym?
Gość Digitrax Opublikowano 11 Maja 2019 #21 Opublikowano 11 Maja 2019 Regulując przepływ pomiędzy kotłem a sprzęgłem masz wpływ na temperaturę powrotu kotła. Jak chcesz mieć pewniaka, że zawsze będzie tam np 55 stopni to zainstaluj TZM.
Zajaszcze Opublikowano 11 Maja 2019 Autor #22 Opublikowano 11 Maja 2019 To jest najprostszy schemat jaki przychodzi mi do głowy. Zachowane są ilości odbiorników ciepła w podzielonych obiegach. Na tą chwilę nie mam pojęcia gdzie mógłbym zamontować termostatyczny zawór mieszający.
Gość Digitrax Opublikowano 11 Maja 2019 #23 Opublikowano 11 Maja 2019 Nadal źle, ponieważ pomiędzy kotłem a naczyniem otwartym masz zawory. Dodatkowo rury nie mogą się łączyć przed naczyniem tylko być podłączone do niego niezależnie. Bypassy są zbędne, przenieś pompy kotłowe na powrót. Brakuje pompy napędzającej obieg CO. Jego warto zrealizować za pośrednictwem zaworu 3D regulując w ten sposób niezależnie temperaturę grzejników od temperatury kotłów.
Zajaszcze Opublikowano 11 Maja 2019 Autor #24 Opublikowano 11 Maja 2019 Kurde, złapałem się za głowę. Myślałem o czymś innym a zrobiłem coś innego. Zapomniałem kurde o podstawowej rzeczy. Odpocznę zrobię na spokojnie jeszcze raz.
Zajaszcze Opublikowano 12 Maja 2019 Autor #25 Opublikowano 12 Maja 2019 Robię ostatni schemat potem biorę przykładowy z instrukcji obsługi kotła.
Rekomendowane odpowiedzi
Zarchiwizowany
Ten temat przebywa obecnie w archiwum. Dodawanie nowych odpowiedzi zostało zablokowane.