IGNOROWANY
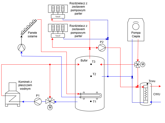
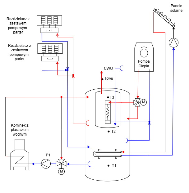
Pompa ciepła, kominek z wkładem i kolektor. 3 źródła do CO i CWU, pomoc w koncepcji
- Odpowiedz w tym temacie
- Ignoruj ten temat
- Czy wyłączyć ignorowanie tego tematu?
- Dodaj nowy temat
-
Ostatnio przeglądający 0 użytkowników
- Brak zarejestrowanych użytkowników przeglądających tę stronę.
-
Podobna zawartość
-
- 142 odpowiedzi
- 10176 wyświetleń
-
- 0 odpowiedzi
- 118 wyświetleń
-
Pompa Ciepła JBG ZHHS 1 2 3
Przez Radek14,
- 53 odpowiedzi
- 4907 wyświetleń
-
- 113 odpowiedzi
- 12057 wyświetleń
-
Koszt ogrzewania budynku Kocioł na ekogroszek & pompa ciepła porównanie kosztów 1 2 3 4 13
Przez o6483256,
- 309 odpowiedzi
- 25832 wyświetleń
-

Rekomendowane odpowiedzi
Dołącz do dyskusji
Możesz dodać zawartość już teraz a zarejestrować się później. Jeśli posiadasz już konto, zaloguj się aby dodać zawartość za jego pomocą.
Uwaga: Twój wpis zanim będzie widoczny, będzie wymagał zatwierdzenia moderatora.