IGNOROWANY
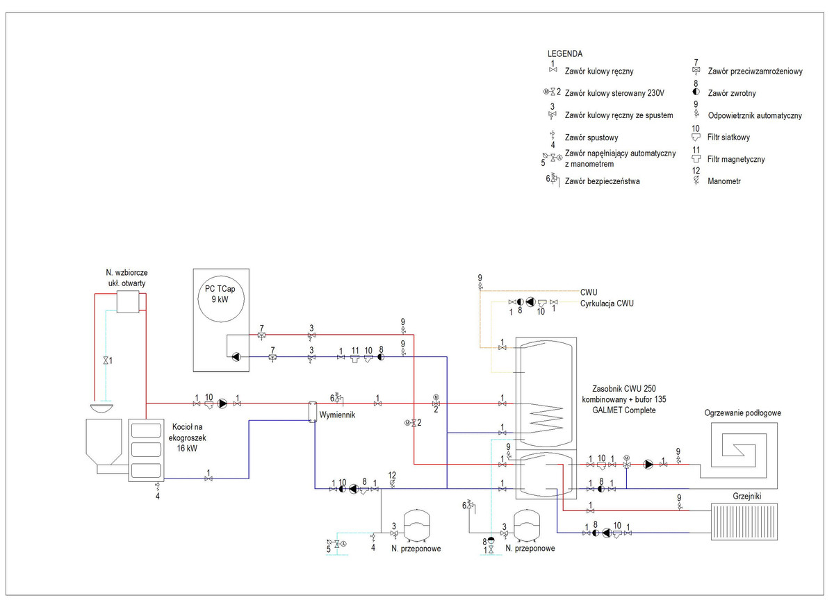
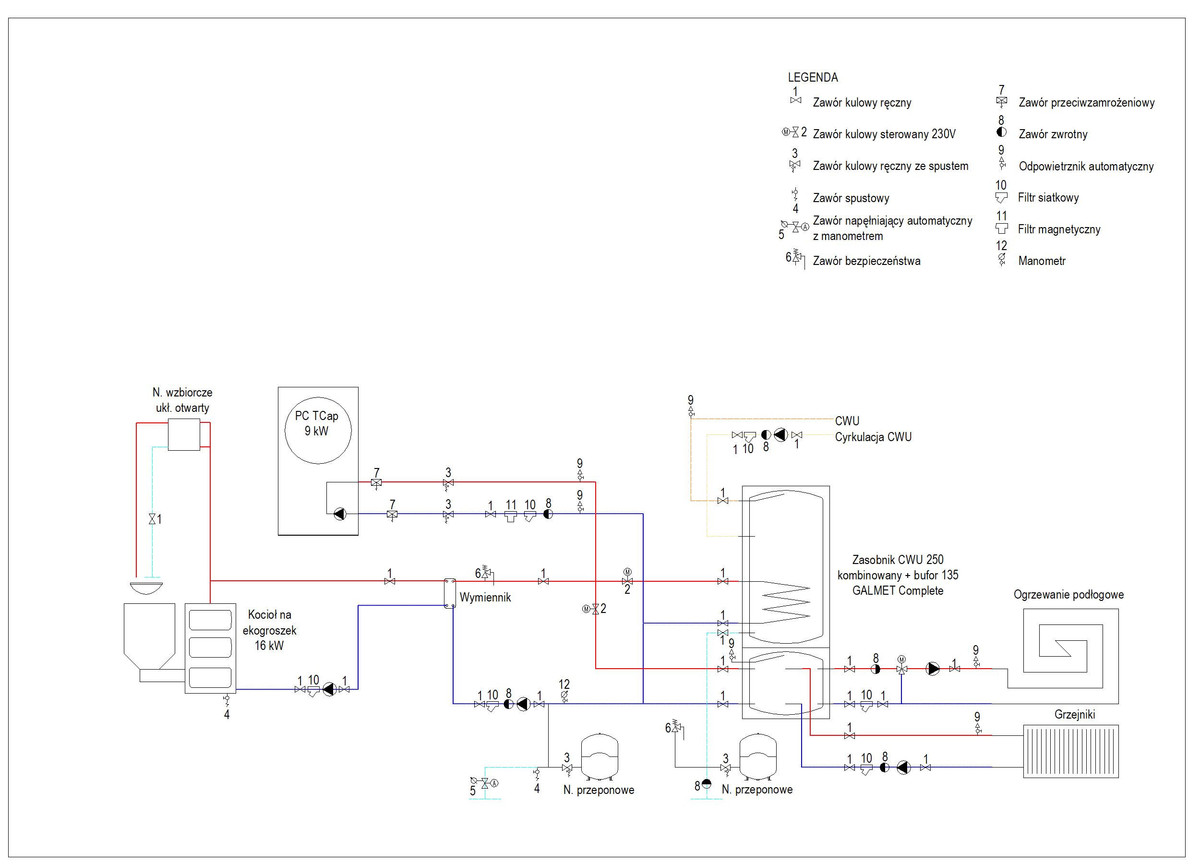
Ocena instalacji grzewczej Prośba o ocenę planów połączenia kotła na ekogroszek i pompy ciepła
- Odpowiedz w tym temacie
- Ignoruj ten temat
- Czy wyłączyć ignorowanie tego tematu?
- Dodaj nowy temat
-
Ostatnio przeglądający 0 użytkowników
- Brak zarejestrowanych użytkowników przeglądających tę stronę.
-
Podobna zawartość
-
Koszt ogrzewania budynku Kocioł na ekogroszek & pompa ciepła porównanie kosztów 1 2 3 4 12
Przez o6483256,
- 278 odpowiedzi
- 19419 wyświetleń
-
- 18 odpowiedzi
- 699 wyświetleń
-
- 5 odpowiedzi
- 172 wyświetleń
-
Pompa Ciepła JBG ZHHS
Przez Radek14,
- 7 odpowiedzi
- 1334 wyświetleń
-
Haier 8 kW Pompa ciepła Haier 8kW 1 2 3 4 11
Przez Lukas2020,
- bufor ciepła c.o. c.u.w.
- uruchomienie
- (i 1 więcej)
- 251 odpowiedzi
- 76436 wyświetleń
-

Rekomendowane odpowiedzi
Dołącz do dyskusji
Możesz dodać zawartość już teraz a zarejestrować się później. Jeśli posiadasz już konto, zaloguj się aby dodać zawartość za jego pomocą.
Uwaga: Twój wpis zanim będzie widoczny, będzie wymagał zatwierdzenia moderatora.