IGNOROWANY
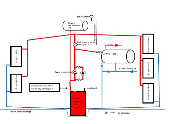
Prośba O Sprawdzenie Schematu I Poradę
- Odpowiedz w tym temacie
- Ignoruj ten temat
- Czy wyłączyć ignorowanie tego tematu?
- Dodaj nowy temat
-
Ostatnio przeglądający 0 użytkowników
- Brak zarejestrowanych użytkowników przeglądających tę stronę.
-
Podobna zawartość

Rekomendowane odpowiedzi
🔥 Szukasz instalatora kotła gazowego?
Wypełnij krótki formularz i porównaj oferty firm z Twojego regionu
Porównaj ofertyDołącz do dyskusji
Możesz dodać zawartość już teraz a zarejestrować się później. Jeśli posiadasz już konto, zaloguj się aby dodać zawartość za jego pomocą.
Uwaga: Twój wpis zanim będzie widoczny, będzie wymagał zatwierdzenia moderatora.