Skocz do zawartości
IGNOROWANY

Przeróbka instalacji Co z otwartej na zamknięta. Problemy z ciśnieniem


Kazio321

Rekomendowane odpowiedzi

Opublikowano

Witam, mam mały problem z moją instalacja Co. Instalator zamontowal mi kociol na układzie otwartym lecz nie działało to poprawię ponieważ naczynko było zbyt nisko ( max 1m nad piecem). Grzejniki dogrzewaly ładnie, lecz podłogowka nie grzała w pełni. W dodatku było słychać jakby powietrze było układzie. Postanowiliśmy zmienić na układ zamknięty. Założyliśmy naczynie przeponowe 12l. Zalałem układ na 1bar. Gdy rozpalilo się w kotle ciśnienie wzrosło do 1,4/15bara. Następnie gdy pięć wygasł temperatura spadła to ciśnienie spadło do 0. To znów napełniłem układ do 1bara. I znów ta sama sytuacja co wcześniej lecz po wygaśnięciu kotła było już nieco ponad 0,4 bara. Włączę już z tym ciśnieniem 10 dni. Wczoraj rano gdy wychodziłem do pracy zajrzałem do kotłowni sprawdzić stan ciśnienia. Było nieco ponad 0,5bara dolałem do 1,5bara i pojechałem do pracy. Po 12h gdzy wróciłem do domu zastałem stan 1.3bara. Rozumiem że może się odpowietrzac układ ale nadal niedogrzewa mi podłogowki. Co mam zrobić i jak dobrze napełnić układ żeby to ładnie działało. Dodam że grzejnik w najwyższym punkcie jest na tej samej wysokości co naczynie przeponowe

Pozdrawiam 

Opublikowano

Schemat dodam po 18 

Pozdrawiam 

Opublikowano

12 l - Stawiam na zbyt małe naczynie.

Opublikowano

Mam nadzieję że coś z tego ogarnięcie.15729757632418819896072016200800.thumb.jpg.e116a48efa745807843ea6cbad6661db.jpg

15729758220534135935734701827404.jpg

Oczywiście za pompami i są zawory zwrotne. Na zasilaniu C.W.U jest odpowietrznik. 

Opublikowano

To nie będzie dobrze działać.

1/ Naczynie przeponowe za małe. Powinno być wpięte najlepiej przy samym kotle. Oprócz naczynia potrzebny zawór bezpieczeństwa i np. zawór DVB, SYR ewentualnie wężownica schładzająca.

2/ Powrót podłogówki żle podłączony do powrotu kotła a powinien być do 4D. Dodatkowo zawory zwrotne na powrocie.z podłogówki oraz na powrocie z CWU jeśli nie ma go za pompą CWU.

Opublikowano

1/Zawory bezpieczeństwa są 2. 1 na piecu a 2 jest koło naczynia, oby dwa są po 2. 5 bara 

2/ Powrót z grzejników jest bezpośrednio podłączony do zaworu 4d. A za każdą pompa jest zawór zwrotny, w dodatku na powrocie z podłogi jest trójnik i jedna rura idze do zaworu mieszajacego a druga idzie do powrotu pieca i tu jest zawór zwrotny. Jeśli coś pomoże to mogę zdj podesłać 

Opublikowano

15729813631672460115099904690838.jpg

15729814151566643756971990831900.jpg

15729814549671705896207283463488.jpg

15729814833162605389839979328133.jpg

15729815115732871290939479721238.jpg

15729815311975702799301688765056.jpg

Opublikowano

Proszę parę zdj jak to wygląda 

Opublikowano

Jeśli ktoś ma możliwość to niech podeślę schemat jakby miało to wyglądać 

Opublikowano

Ta instalacja nie jest zła ale;

brak pompy kotłowej 

 naczynie przeponowe za małe ,

poprawić powroty i zaw zwrotne tam gdzie trzeba

Wtedy powinno być dobrze.

Sam będziesz robił poprawki?

Opublikowano

A jak mają być te zawory zwrotne?  I co to za pompa kotłówa? 

Tak chce sam to poprawić, bo mój instalator chce znów kasę za to co złe zrobił 

Opublikowano

To miałem na myśli:

1284544870_powrpodoga.png.96f19b7e60702c95a2fde300b9b06c16.png

 

-w sumie przeróbka nieduża, tylko podłączyć powrót podłogówki do 4D.

-zawory zwrotne

- pompa kotłowa z osprzętem w miejscu pokazanym pomarańczową ramką i strzałką na zdjęciu

1848077894_POMPAKOTOWA.png.f0ec93b4beff59d7a0610ab7afccbae3.png

Opublikowano

Jeżeli dobrze widzę to pompa c.o która zasila grzejniki ma iść na powrót który zasila 4d? Czy coś pokrecilem? A co mi wtedy będzie zasilać grzejniki? 

Opublikowano

Niedokładnie widzisz....Skup się wyłącznie na powrotach grzejników (zielone)  i podłogówki (niebieskie) oraz miejscu ich połączenia.

 

Opublikowano

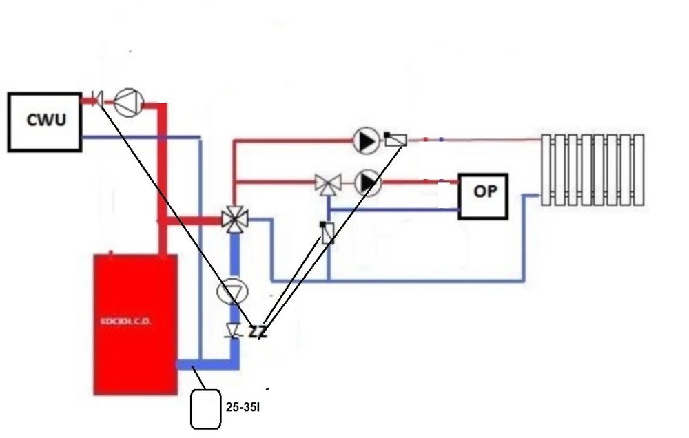
Powinno być tak jak na rys poniżej, tam jest wszystko oprócz tego separatora gazów, który i tak zostaje 

Potrzeba ci 4 pompy, 4 zaw zwrotne , zaw 4-D, zaw 3-D + osprzęt - filtry, zaw kulowe odcinające pompy, drugie naczynie przeponowe 12-25l z takim samym ciśnieniem co pierwsze 

zaw 4-D i dwa obiegi (3).jpg

Opublikowano
6 minut temu, gmaj22 napisał:

Niedokładnie widzisz....Skup się wyłącznie na powrotach grzejników (zielone)  i podłogówki (niebieskie) oraz miejscu ich połączenia.

 

Łącza się przed zaworem 4d z lewej strony. Nie rozumiem co mam zrobić z tą (pompa kotłową) Mam ją ściągnąć z grzejników i założyć na ten powrót czy co? Wybaczcie ale szczerze nie wiem co z tą pompa kotłową 

Opublikowano
8 godzin temu, Kazio321 napisał:

1/Zawory bezpieczeństwa są 2. 1 na piecu a 2 jest koło naczynia, oby dwa są po 2. 5 bara 

A ten kocioł jest dopuszczony do takiego ciśnienia? Po co taki duży próg bezpieczeństwa skoro wcześniej napisałeś:

14 godzin temu, Kazio321 napisał:

 Dodam że grzejnik w najwyższym punkcie jest na tej samej wysokości co naczynie przeponowe

Problemy z ciśnieniem mogą wynikać z mniejszego ciśnienia wody w stosunku do ciśnienia w naczyniu po stronie gazowej.Tak w przybliżeniu ciśnienie powietrza w naczyniu przeponowym powinno być mniejsze o 0,3 bara od ciśnienia wody.

Moja propozycja:

-Założyć zawory bezpieczeństwa na 1,5 bara

-W odkręconym naczyniu zmniejszyć ciśnienie powietrza na 0,7bara.

-Założyć naczynie i zalać układ na 1bar.

-Na zaworach bezpieczeństwa zrobić odpływy do kanalizacji.

-doposażyć kocioł w takie ustrojstwo:

       https://instalhurt.sklep.pl/Zawror-DBV1-DWUFUNKCYJNY-SCHLADZAJACY

Opublikowano

Piec to Sas Bio Compact 10kw, producent założył taki zawór bezpieczeństwa (2.5bar) więc koło naczynka założyłem taki sam. Co do pompy kotlowej to jaka ona ma być? 2 /to pompami steruję mi kociol więc jak mam podłączyć ta pompę?  3/ Pompa ma pchać wodę z zaworu 4d do pieca czy na odwrót? 4/ naczynie przeponowe zostawić te 12l czy założyć 24l? 

Opublikowano

1/ np. Wilo Yonos Pico 25/1-4

2/ to zależy od sterownika ale można i do "ściany" podłączyć. Ta pompa i tak zimą w większości pracuje non stop.

3/ tak, z zaworu 4D do  KOTŁA - masz wszystko pokazane na schemacie, który wkleił @sambor Oczywiście pompa to nie wszystko - przed nią jeszcze zawór i filtr a za nią zawór zwrotny i drugi do regulacji przepływu 

4/ wymienić na 24 l albo dołożyć drugie 12 l ale nabić takim samym ciśnieniem wstępnym.

Opublikowano

Sterownik to tech st 555p

Prosiłbym o sam schemat podłączenia tej pompy kotlowej. Wtedy zabiorę się do przeróbki 

Ogólnie to wszystkim dziękuję za pomoc 

Opublikowano

Pompę kotłową podłączysz do sterownika - steruje dwiema dodatkowymi pompami. (oprócz CO i CWU )

Schemat? Kolejność montażu: dolny króciec 4D > (zawór kulowy > filtr siatkowy) > pompa > zawór zwrotny > zawór najlepiej grzybkowy do regulacji przepływu > trójnik na rurze powrotu do kotła.

To co w nawiasie można dać zespolone:image.jpeg.7bb2217b8d6b18cc3da92f010166c06d.jpeg

Zarchiwizowany

Ten temat przebywa obecnie w archiwum. Dodawanie nowych odpowiedzi zostało zablokowane.

  • Ostatnio przeglądający   0 użytkowników

    • Brak zarejestrowanych użytkowników przeglądających tę stronę.
×
×
  • Dodaj nową pozycję...

Powiadomienie o plikach cookie

Używając tej strony zgadzasz się na Polityka prywatności.