tommyp2 Opublikowano 17 Września 2016 Autor #52 Opublikowano 17 Września 2016 Witam, próbuje dokładniej rozgryźć temat wyboru rodzaju układu? otwarty czy zamknięty? Ostatnio sprzedawca mnie straszył, że jeżeli układ otwarty to nie będzie gwarancji na grzejniki??? Wiem, że oni tak gadają bo chcą coś sprzedać ;) Ale może dokładniej ktoś się wypowie o zaletach i wadach jednego czy drugiego rozwiązania. Z montażem po rozpracowaniu schematu raczej nie będzie problemu. Chodzi mi raczej o jakieś konkrety, bo do tej pory jestem za układem otwartym - nie ma mowy o zamarznięciu naczynia i innych dziwnych przypadkach - takich rzeczy pilnuję. Także chyba nie ma jakichś + które mogłyby przeważyć na korzyść układu zamkniętego - chyba, że o czymś poważnym nie wiem :)
Gość mak Opublikowano 18 Września 2016 #53 Opublikowano 18 Września 2016 Na forum wielokrotnie pisano o jednych i drugich typach instalacji, pewnie napisano wszystko, a tobie radzę przeczytać i wyciągnąć wnioski. Pytanie zadajesz bardzo ogólnikowo i tak naprawdę nie wiemy jaki kocioł chcesz kupić? Nie polecam zamykać instalacji gdy: - kocioł nie jest przystosowany przez producenta do pracy w układzie zamkniętym - gdy kocioł nie posiada wymaganych zabezpieczeń czyli wężownicy schładzającej i zaworu bezpieczeństwa - gdy kocioł jest zasypowyi pracuje na miarkowniku ciągu Odnośnie grzejników to niestety jest prawda i większość producentów wymaga ich stosowania w układzie zamkniętym. Ale zastosowanie układu otwartego na pewno nie będzie przyczyną korozji, szczególnie gdy instalacja będzie zbudowana poprawnie i nie będziemy zbyt często spuszczać z instalacji wody
papasmurfek Opublikowano 18 Września 2016 #54 Opublikowano 18 Września 2016 Druga sprawa układ otwarty jest tańszy w realizacji. A przed korozją wewnątrz chroni osad z "kamienia kotłowego".
tommyp2 Opublikowano 26 Września 2016 Autor #55 Opublikowano 26 Września 2016 Witam, tak, aby uporządkować dodaje schemat,który znalazłem i wydaje się, że jest odpowiedni :) Tylko zamiast 4D będzie chyba pompa bo sterownik ja obsługuje... Pytanko odnośnie grzejników planowane PURMO - napiszcie jakieś opinie o nich, czy może wybrać coś innego z lepszym stosunkiem jakości do ceny? Podłączenie od spodu tzw. V-ki... I ostatecznie zdecyduję się na układ otwarty bo nie widzę jakieś dużych plusów przemawiających za zamkniętym, a ma on minus w postaci ceny i skomplikowania.
tommyp2 Opublikowano 2 Października 2016 Autor #56 Opublikowano 2 Października 2016 Panowie powstał mały problem techniczny... Nastąpiła zmiana planów i na górze będą grzejniki i tylko jeden obwód podłogówki i teraz czy ciągnąć z dołu od rozdzielacza podłogówki ten jeden obwód bo chyba nie ma sensu robić na górze rozdzielacza do jednej podłogówki i ewentualnie do drabinki, która można podłączyć do rozdzielacza grzejnikowego? Napiszcie co się robi w praktyce w takiej sytuacji?
odpowietrznik Opublikowano 2 Października 2016 #57 Opublikowano 2 Października 2016 Ciągnąć z dołu tą jedną pętlę tylko trzeba mieć możliwość jej odpowietrzenia
papasmurfek Opublikowano 3 Października 2016 #58 Opublikowano 3 Października 2016 Dajesz trójnik na powrocie z pętli z ręcznym odpowietrznikiem i po problemie.
tommyp2 Opublikowano 5 Października 2016 Autor #59 Opublikowano 5 Października 2016 Aluminiowe się" gryzą" z miedzią czyli jeżeli zostaną użyte do instalacji rury i kształtki miedziane to wtedy grzejniki stalowe.Chciałbym jeszcze dodać do poprzednich rad że są jeszcze inne sposoby ochrony powrotu nie tylko zawór 4D którego przeciwnikiem jest wielu ekspertów na tym forum http://forum.info-og...a-kocioł/page-1 Panowie po przeczytaniu już dużej liczby artykułów i innych rozważań na temat zaworu 4D to wydaje mi się, że lepszym rozwiązaniem w moim przypadku będzie schemat E w postu kolegi SAMBOR'a. Tym bardziej, że mój sterownik ogarnie sterownie pompą w obiegu kotłowym. I to jest chyba prostsze rozwiązanie trójnik, pompa i ochrona powrotu działa. Tylko napiszcie mi czemu wszyscy tak "kochają" zawór 4D i wszędzie go stosują - jeżeli nie spełnia on dwóch rzeczy naraz???
sambor Opublikowano 5 Października 2016 #60 Opublikowano 5 Października 2016 Ja np nie cierpię zaw 4-D, nie polecam go i nie montuję!
tommyp2 Opublikowano 6 Października 2016 Autor #61 Opublikowano 6 Października 2016 Oki, czyli w tej sytuacji pompa w obiegu kotłowym chyba rozwiąże wszystkie problemy??? Chyba, że są jakieś inne problemy (minusy) związane z tym rozwiązaniem?
tommyp2 Opublikowano 1 Listopada 2016 Autor #62 Opublikowano 1 Listopada 2016 Panowie jeszcze jedno pytanie stoję przed wyborem systemu PEX jaki polecacie? Ogólnie albo WAVIN albo PRANDELLI... jakieś poważne różnice między nimi??? I czy oba można zaciskać szczękami TH ???
tommyp2 Opublikowano 7 Listopada 2016 Autor #63 Opublikowano 7 Listopada 2016 A więc odpowiem sobie sam :) Ostatecznie wybór padł na PRANDELLI ... zobaczymy jak to się będzie kładło :) W piątek zaczynam wodę i podejścia do grzejników, a potem podłogówka...
Maciek92 Opublikowano 5 Grudnia 2016 #64 Opublikowano 5 Grudnia 2016 Odgrzeję kotleta, ale zaciskając kształtki Prandelli szczęką o profilu TH, automatycznie tracisz gwarancję. Do Emmeti i Prandelli tylko profil B. Jakkolwiek, szczelne będzie również po zaciśnięciu TH, więc bez obaw :-).
tommyp2 Opublikowano 5 Grudnia 2016 Autor #65 Opublikowano 5 Grudnia 2016 To jeszcze tylko dla spokoju sumienia szczęki TH będą TRZYMAĆ???
tommyp2 Opublikowano 8 Lutego 2017 Autor #66 Opublikowano 8 Lutego 2017 Panowie, oto rzut piętra. Chcę zrobić tak każdy pokój dwie pętle OP, korytarz jedna i cztery pętle strych. Dom ociepony styro 15 - 0,38, poddasze wełna 0,35 gr. 30 cm i w każdym pokoju grzejnik? Co o tym sądzicie? Czy może wystarczy gdzieś jedna pętla?
tommyp2 Opublikowano 8 Lutego 2017 Autor #67 Opublikowano 8 Lutego 2017 24374_rzuty2_za_dom_w_oregonie_3_ce.jpg Panowie, oto rzut piętra. Chcę zrobić tak każdy pokój dwie pętle OP, korytarz jedna i cztery pętle strych. Dom ociepony styro 15 - 0,38, poddasze wełna 0,35 gr. 30 cm i w każdym pokoju grzejnik? Co o tym sądzicie? Czy może wystarczy gdzieś jedna pętla? Schemat instalacji jak z forum:
Gość Digitrax Opublikowano 8 Lutego 2017 #68 Opublikowano 8 Lutego 2017 Nie mam rur miedzianych 25, zastosuj 28 od pomp do rozdzielaczy. Lepiej mieć większą średnicę dzięki temu każda pętla będzie mieć zapewniony poprawny przepływ niż instalować np 22 i się dziwić, że rotamety pokazują litr lub mniej na minutę. Podobnie grzejniki. Gruba rura spowoduje wolniejszy przepływ w rurach i instalacja będzie pracować cicho. Nie będą szumieć rury.
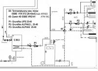
tommyp2 Opublikowano 14 Września 2017 Autor #69 Opublikowano 14 Września 2017 A więc wstępnie instalacja wykonana: - 22 obwody podłogówki po ok. 80m każdy (11 góra, 11 dół) - dwie drabinki łazienkowe Pompa do podłogi LFP 32/80 jak sugerowali koledzy :-) , 3D na podłogę 5/4" ESBE z siłownikiem, dla grzejników pompa 25/60, bojler Kospel 140l dwupłaszczowy+cyrkulacja. Wszystko ma zasilić RBR 12 kW według schematu z forum... Obwód grzejnikowy bez 3D. Wyjście z kotła 5/4", powrót też. Zasilanie do pomp z kotła planuję miedź 35 mm. I teraz pytanie czy zastosować sprzęgło + TZM, czy zasilić pompy bezpośrednio z kotła i ochrona powrotu przez pompę kotłową? Co byście wybrali, aby było stabilnie i ok?
sambor Opublikowano 14 Września 2017 #70 Opublikowano 14 Września 2017 Ja dla tego układy nie widzę samej pompy kotłowej, raczej TZM z pompą i sprzęgłem.
tommyp2 Opublikowano 14 Września 2017 Autor #71 Opublikowano 14 Września 2017 VTA 322 1" 35-60 pompa na powrocie, układ zamknięty i bojler podpięty przed sprzęgłem. Może być? Czy można wstawić po stronie pierwotnej pompę 25/40 czy 60? I jak dobrać naczynie?
sambor Opublikowano 14 Września 2017 #72 Opublikowano 14 Września 2017 Ten VTA to oczywiście do CW.Do kotła VTC 55C Naczynie dobierasz do pojemności układu i ciśnienia roboczego, które musi być niższe od ciśnienia dopuszczalnego dla kotła. Sprawdź ile kocioł wytrzyma - pewnie 1,5bar, ale sprawdź.
tommyp2 Opublikowano 14 Września 2017 Autor #73 Opublikowano 14 Września 2017 Dzięki, faktycznie VTC 55C Max. ciśnienie robocze 0,25 MPa, poj. kotła ok. 70 l, 2000m PEX 16 (ok. 200l) + rury w kotłowni... Czyli wyjdzie ze 300l?
odpowietrznik Opublikowano 14 Września 2017 #74 Opublikowano 14 Września 2017 Wg.mnie ten 3D na podłogę 5/4 o Kvs=16 jest przewymiarowany
tommyp2 Opublikowano 14 Września 2017 Autor #75 Opublikowano 14 Września 2017 Czy to może być jakiś problem w działaniu?
Rekomendowane odpowiedzi
Zarchiwizowany
Ten temat przebywa obecnie w archiwum. Dodawanie nowych odpowiedzi zostało zablokowane.