sambor Opublikowano 25 Listopada 2015 #26 Opublikowano 25 Listopada 2015 Temat powstał rok temu a autor nie zrobił żadnej zalecanej czynności - po prostu czekał , nie wiem na co? Ani zmiana na stanowisku Prezydenta, ani zmiana sił politycznych w rządzie nie pomogła. Niestety trzeba po technicznemu inaczej nie będzie nadal działać A pisać aby pisać to już nie mam ochoty. Daj jeszcze raz konkrety z rysunkiem tego co masz i słuchaj co się do ciebie pisze! Następnie wywal tego hydraulika , który to robił i niech inny wykona przeróbki. PS Pardon - były dwa tematy o tym samym
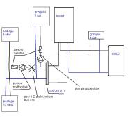
macius26 Opublikowano 25 Listopada 2015 Autor #27 Opublikowano 25 Listopada 2015 Już się tłumaczę wywołany do odpowiedzi. Sambor to nie takie proste. Było lato, nie miałem możliwości sprawdzenia czy to wszystko działa, musiałem poczekać na mrozy. Po postach od was od razu zawołałem innego instalatora na płatną ekspertyzę. Co usłyszałem - "instalacja jest prawidłowa, jedynie grzejniki powinny być podpięte przed układem a nie równolegle, ale będzie działać, tak się robi". Co do jasnej ciasnej miałem robić jak 1) instalator który instalował piec, serwisant De Dietricha, widział instalację, nie zgłosił zastrzeżeń, co prawda teraz mi mówi że instalacja jest poprawna, choć nie powinno się jej wykonać bez sprzęgła hydraulicznego (oxymoron) - każdy kryje swoją d.... 2) instalatorzy którzy to robili bronili swojego zdania mówiąc że to wy nie macie racji, bo to jest instalacja z jednym obiegiem i tak się robi 3) kolejny niezależny hydraulik wezwany przeze mnie potwierdził ww. Ja nie mam wiedzy by negować trzy niezależne opinie wydane na żywo a nie przez internet. Mam wrażenie że wszyscy fachowcy nie czytają instrukcji, nie obliczają oporów bo po co. Ciepło?, no ciepło. I git. Co do zmiany ekipy - nowej muszę zapłacić. Stara w ramach reklamacji robociznę musi dać darmo. I nie mam gwarancji że nowa będzie lepsza sądząc po tym ja do tej pory trafiałem. Po prostu chcę by stara ekipa wykonała to tak jak trzeba i tyle, stąd ten post teraz. Schemat ten o którym wiem mniej więcej dołączam. Zależy mi na tym by to działało, i by mieć większą kontrolę z temperaturą obiegu, bo ze sterownikiem isense de dietricha to też są przeboje i wyższa szkołą jazdy by dobrze ustawić pogodówkę. Jakbyście odnieśli się do tych 3 punktów wyżej w poprzednim poście to byłoby super, choć każda uwaga jest cenna, bo dzisiaj wieczorem spotykam się celem audytu instalacji i omówienia zmian. schemat.pdf
Gość mak Opublikowano 25 Listopada 2015 #28 Opublikowano 25 Listopada 2015 No nie masz szczęścia do instalatorów, a jak się czyta co piszesz to zwyczajnie "ręce opadają". Ci na których trafiłeś są zwyczajnie zaszufladkowani i odporni na wiedzę i niestety opowiadają Ci głupoty.Poza tym jak by to twoi instalatorzy mieli rację to nie szukał byś pomocy na forum instalacja działała by poprawnie a nie działa, Ty byś był zadowolony a wk......y. Naprawdę nie trzeba się znać na projektowaniu instalacji aby znaleźć informację jak ma wyglądać poprawny schemat instalacji. Na stronie producenta kotła znajdziesz zakładkę "Baza wiedzy" dalej zakładka "Dla projektanta" . Znajdziesz tam "Poradnik projektanta kotłowni" - polecam przeczytać cały ale jak lektura za trudna to kliknij na dokument schematy technologiczne i bez problemu znajdziesz schemat dla instalacji z kotłem który posiadasz. Do analizy i wykorzystania polecam schemat 15, pozostałe informacje znajdziesz w DTR kotła i sterownika oraz w cenniku na stronie producenta. Twoi instalatorzy nie chcą zrozumieć jednej podstawowej zasady że wiszący kondensacyjny kocioł gazowy to nie kocioł na paliwo stałe. A właśnie tak zbudowano Ci instalację. Jak twierdzą że zbudowali ją poprawnie to niech ją uruchomią i niech działa, ale ta nie chce. Jak nie chce to jest zbudowana błędnie i nie ma co dalej tematu kto ma rację drążyć.
sambor Opublikowano 25 Listopada 2015 #29 Opublikowano 25 Listopada 2015 Jakie są długości pętli podłogówki?, lub jakie powierzchnie obsługuje każda z tych pętli - piszesz, że masz 200m2 i w sumie 18 pętli. To się da zrobić, tylko co z tym grzejnikiem podłączonym do CWU? - będzie grzał 2-3x / dobę przez 1/2h? Podaj jeszcze jakie rury idą do tych rozdzielaczy - materiał, długość od kotła i średnica
macius26 Opublikowano 25 Listopada 2015 Autor #30 Opublikowano 25 Listopada 2015 Grzejnik do cwu do w sumie dobre rozwiązanie - jest on w pralni, ma głowicę termostatyczną, i jak chcę by np. wysuszyć szybko szmaty to przełączam na 5, i wtedy grzeje wtedy jak grzeje się woda w zbiorniku. Niestety nie mam wiedzy jakie dokładnie są długości pętli i ile poszło rur. Wiem tylko że największy obwód to pokój dziecka, ma 19 metrów kwadratowych rurki położone chyba co 15 - 20 cm, oczywiście nie wszędzie, pod łóżkiem nie, i łazienka która ma 16 m kw i pętle położone co 10 cm, z wyjątkiem wanny i prysznica i WC (ta ostatnia nie grzeje), oraz salon który ma około 29 metró kwadratowych ale według instalatora tam pętli jest ciut mniej niż u dzieci. Łączny metraż pomieszczeń na których jest podłogowe to 210 m kw, ale oczywiście korytarz, garderoby mają bardzo niewielkie pętle. System położony na rurach Sigma-Li. Od pieca idzie do rozdzielaczy Sigma Li Stabiglass PP-R/PP-GF/PP-R 32x4,4 , do tego małego rozdzielacza który obsługuje pokój dziecka z dużą ilością pętli od pieca jest około 5 metrów, a do tego rozdzielacza który jest połączony z grzejnikami CO (ten rozdzielacz ma jednak 10 obwodów a nie 12 jak pisałem) jest od pieca odległość około 15 metrów. W podłodze idą rury Sigmali Premium PE-RT/AL/PE-RT TYP2 16x2,0 .
sambor Opublikowano 25 Listopada 2015 #31 Opublikowano 25 Listopada 2015 Czy jesteś w stanie sprawdzić: Jakie pompy masz w mieszaczach podłogi i czy jak pompy działają masz jakieś przepływy w tych pętlach
macius26 Opublikowano 25 Listopada 2015 Autor #32 Opublikowano 25 Listopada 2015 Oczywiście. W obu rozdzielaczach to WILO Typ RS15/6-3 KU P. Jestem po oględzinach z instalatorem DeDietricha. Generalnie zadał podobne pytania jak wy, ma się orientować co można zrobić, podejrzewam że na forum też. Albo mówił o rozdzieleniu obiegu grzejników i zrobieniu 3 obiegów grzewczych, ale jednak to są koszty - bo c-mix obsługuje 2 obiegi, i potrzebna jest jego rozbudowa czyli kolejny c-mix, albo myślimy nad daniem do rozdzielaczy zaworów 3D sterowanych pogodowo, zostawienie tych pomp co są teraz w rozdzielaczach ale wpiętych tylko na zasilaniu, i zostawienie grzejników połączonych równolegle do tego rozdzielacza, pracujących na wyższej temperaturze z pieca. Ale to tylko hipotezy, czekam na wasze opinie i na co co też on wymyśli. Tak czy tak wszystko skonsultuję z wami.
sambor Opublikowano 25 Listopada 2015 #33 Opublikowano 25 Listopada 2015 A te przepływy w pętlach? Czy woda w nich da radę krążyć?
macius26 Opublikowano 26 Listopada 2015 Autor #34 Opublikowano 26 Listopada 2015 Wczoraj nie zdążyłem odpowiedzieć. Przepływy w większości pętli są. W małym rozdzielaczu nawet musiałem ograniczać powrót bo było za ciepło. Problem z przepływem jest w grzejnikach - nie działają, oraz w łazience która jest na dużym rozdzielaczu, pierwszy rotarometr od pompy - ta niby grzeje przy rozdzielaczu, ale w samym pomieszczeniu nie jest za ciepło. Tak jak gdyby brakowało mocy pompy. Jak się na dużym rozdzielaczu przykręci powrót, albo na głowicy termostatycznej zasilającej przykręci zasilanie to wtedy grzejniki ruszają. Podobnie - jak się przykręci pozostałe pętle podłogówki w rozdzielaczu , to wtedy łazienka rusza.
sambor Opublikowano 26 Listopada 2015 #35 Opublikowano 26 Listopada 2015 Ale mnie interesuje jakie przepływy są w tych najdłuższych pętlach? Konkretne liczby, np w tej łazience pętla która nie grzeje ma przepływ? Jaki? te pętle, które nie grzeją są najdłuższe, czy tylko są może zapowietrzone?
macius26 Opublikowano 26 Listopada 2015 Autor #36 Opublikowano 26 Listopada 2015 Ale jak mam te przepływy zmierzyć? Odłączyć i do wiaderka? Instalator to robił i przepływ był. Problem jest odczytanie tego z rotarometru - bo akurat ten jeden na łazience jest przyblokowany, znowu się z zaciął. Ale po opukaniu i wielokrotnych próbach jest tak że na 1-ce na pompie wskazuje przepływ ok 1 litra/min, na 3-ok 2 itrów na minutę. Pętle nie są zapowietrzone - raz że były wielokrotnie przelewane, dwa że tak jak mówię - jak zamknę wszystkie zawory w dużym rozdziielaczu oprócz łązienki to ona zaczyna grzać, temperatura podłogi rośnie dosyć równomiernie. Przepływ na pewno w tej pętli jest - przed chwilą zrobiłem test, zamknęłem wszystkie pętle oprócz łazienkowej, dałem 50 stopni na piecu, 40 na podłodze, i w ciągu godziny temperatura podłogi w łazience wzrosła o 2 stopnie. Czyli przepływ jest. Problemem jest to że kiedy są pozostałe otwarte, a podłogówka idzie na 30 stopni, to temperatura podłogi w łazience jest za mała by ją nagrzać. Oczywiście w łazience jest grzejnik ale nie działa jak wszystkie grzejniki jeżeli rozdzielacz jest otwarty. Natomiast jeżeli dam krzywą grzewczą wyższą, to w innych pomieszczeniach jest za gorąco, a temperatura podłogi jest 26 stopni i to już czuję.
sambor Opublikowano 26 Listopada 2015 #37 Opublikowano 26 Listopada 2015 Dobrze pomyślę i coś ci podpowiem.
odpowietrznik Opublikowano 26 Listopada 2015 #38 Opublikowano 26 Listopada 2015 Chciałbym spytać kolegów znających kocioł De Dietrich.Czy sterownik tego kotła obsługuje sprzęgło hydrauliczne bo nie widzę na schemacie czujnika sprzęgła.
sambor Opublikowano 27 Listopada 2015 #39 Opublikowano 27 Listopada 2015 Są dwa rozwiązania tego problemu, w obu należy wykonać to co sam opisałeś w punkcie 3 postu #24. W obu należy wstawić za kotłem sprzęgło o mocy min 30kW ( 30-40) np takie http://www.gamainstal.pl/flamco-sprzeglo-hydrauliczne-flexbalance-1-28500-p6309.html I naczynie przeponowe ok 25l zamontowane na powrocie, chyba, że takowe już masz - to w kotle jest za małe, Reszta na rysunkach. Pierwsze rozwiązanie jest prostsze, drugie zawiera elementy sterowania niefirmowe, ale powinno działać.
sambor Opublikowano 27 Listopada 2015 #40 Opublikowano 27 Listopada 2015 Dodatkowo należy pamiętać o prawidłowym podłączeniu rur zasilania i powrotu podłogówki oraz grzejników do sprzęgła. A jak będzie rozbierany rozdzielacz to warto wymienić odpowietrzniki na zwykłe.
macius26 Opublikowano 28 Listopada 2015 Autor #41 Opublikowano 28 Listopada 2015 OK. Czyli absolutnie jesteś za rozdzieleniem grzejników i podłogówki. Pytanie tylko czy je łączyć równolegle, czy zostawić dwa rozdzielacze podłogowe na dwóch pompach i dwóch zaworach 3D). Pytanie takie - czy te pompy które mam w rozdzielaczach nadają się do wykorzystania, czy ta jedna pompa obsłuży te 16 pętli, bo grzejniki to pewnie bez problemu, a jeśli nie to jaka? Pytanie drugie: Właściwie czym się różni w praktyce ten drugi schemat, oprócz tego że na pewno jest droższy (3 pompy a nie dwie, dwa sterowniki - i to w sumie nie wykorzystane w tym sensie że sterowanie i tak jest tymi dwoma pompami w rozdzielaczach podłogowych naraz, a nie każdą z osobno i 2 zawory 3D a nie jeden)? Pytanie kolejne - czy nei da się zrobić tak by z tego pieca sterować osobno i osobno ustawiać krzywą grzewczą na każdej grupie podłogowej?
sambor Opublikowano 28 Listopada 2015 #42 Opublikowano 28 Listopada 2015 Niestety trzeba rozdzielić te obwody aby: można było nimi sterować niezależnie , aby zapewnić prawidłowe przepływy w podłogówce i grzejnikach aby można było stosować różne temp czynnika zależnie od odbiorów. Czy pompy z obecnych rozdzielaczy się nadają do "nowej " instalacji miałeś sam odpowiedzieć - pytałem wczoraj o obecne przepływy na poszczególnych pętlach lub długości tych pętli - nie otrzymałem jednoznacznej odpowiedzi. Drugi schemat pozwoli na ustawianie osobnych krzywych pogodowych dla podłogówek i grzejników, jest droższy, ale prawidłowy. Gdybym to sam przerabiał to jednak pompy z zaw 3-D dałbym w kotłowni, a do rozdzielaczy tylko same rury - brak problemów z przewodami sterującymi i ciche rozdzielacze. Schemat pierwszy jest obarczony pewnym ryzykiem spowodowanym brakiem wiedzy o istniejącej podłodze Nie jestem pewien czy obecne pompy dadzą radzę w nowym schemacie z 1 pompą Jedyną jego zaletą jest prostsze ( tańsze ) sterowanie. Poniżej poprawiony schemat drugi
macius26 Opublikowano 29 Listopada 2015 Autor #43 Opublikowano 29 Listopada 2015 A zakładając że przepływ przy 1-ym biegu jest ok. 1l/min to jedna pompa wydoli na 16 pętli biorąc pod uwagę pierwszy schemat? Chyba nie skoro obecna ledwo daje radę na 12 pętli. Przejrzałem te schematy i mam jeszcze parę wątpliwości: 1) Piszesz że schemat 1 jest prostszy i nie zapewnia sterowania pogodowego grzejników - ale to nie jest tak że wtedy za obieg grzejnikowy i jego temperaturę odpowiada kocioł który steruje je pogodowo? 2) Schemat drugi - zauważyłem dopiero teraz że w tym schemacie zasilanie grzejników jest połączone równolegle z zasilaniem podłogówki, to znaczy od sprzęgła nie wychodzą osobno grzejniki i podłogówka. W tym momencie nie musiałbym ciągnąć rur od grzejników do kotłowni, tylko w rozdzielaczach dać zawory 3D i kolejną pompę w obieg grzejnikowy, jedynie musiałbym pociągnąć kable od sterowania jak w punkcie 2 postu 24, dobrze rozumuję? Piszesz o cichych rozdzielaczach, u mnie hałas to nie problem bo odbydwa rozdzielacza są w pomieszczeniach gospodarczych. Czy zawory 3D z siłownikami są tak głośne? 3) i ostatnia wątpliwość dot schematu 2 - piszesz że pompa grzejnikowa jest sterowana termostatem pokojowym - u mnie nie wchodzi w grę bo grzejniki są w różnych częściach domu, zarówno bardzo ciepłych (łazienki) jak i zimnych (rekuperator, garaż). Najbardziej by mnie urządzało by grzejniki były uruchamiane okresowo po prostu wtedy jak kocioł będzie włączał podłogówkę, a resztę załatwi głowica termostatyczna na grzejnikach. Ale rozumiem że w tym schemacie z c-mixa nie jest możliwe osobne sterowanie grupy 3?
sambor Opublikowano 30 Listopada 2015 #44 Opublikowano 30 Listopada 2015 ad 1 - racja coś mi się pomyliło w sformułowaniu tego zdania. ad 2 - rury ciągniesz ze względu na za małe przekroje - jakby były rury PP40 , to byś mógł tak zrobić jak piszesz ale masz mniejsze rury, więc może być kłopot z przepływami Zawory i pompy są ciche ad 3 - o sposób załączania trzeciej pompy należy spytać w dziale tech producenta, Ja podałem sposób tani, prosty w realizacji i bezpieczny. A to co piszesz, żeby uruchamiać grzejniki wraz z podłogówką może dać niezamierzone efekty., ale może się też sprawdzić i tu pytanie pod którą pompę podpiąć :) ?
macius26 Opublikowano 30 Listopada 2015 Autor #45 Opublikowano 30 Listopada 2015 A zrobić tak żeby te pompy grzejnikowe działały cały czas, a sterowanie grzejnikami było za pomocą głowic termostatycznych?
sambor Opublikowano 30 Listopada 2015 #46 Opublikowano 30 Listopada 2015 Jakie pompy?, masz przecież 1 pompę do grzejników. Pompy podłogi muszą być sterowane osobno przez sterowniki pokojowe - widzę że znowu zaczynasz kombinować z pseudooszczędnościami. W poście #39 zaproponowałem lepsze rozw ze ster pompy grzejników termostatem pokojowym z jakiegoś wybranego pokoju, a zasilenie byłoby z gniazdka el. Dodatkowym argumentem aby pompy i zaw 3-D były w kotłowni jest potrzeba doprowadzenia do każdego z rozdzielaczy 2 przewodów do pompy i do czujnika temp.
macius26 Opublikowano 30 Listopada 2015 Autor #47 Opublikowano 30 Listopada 2015 Nie nie, - pompy do podłogówki oczywiście ze sterowaniem z c-mixa i sterowaniem pogodowymi za pomocą zaworów 3D z siłownikami. Miałem na myśli pompę grzejnikową. Sterowanie z pokoju nie wchodzi w grę bo grzejniki są albo w pomieszczeniach bardzo zimnych (pompa by chodziła cały czas) albo bardzo ciepłych - łązienki - pompa by byłą stale wyłączona. Dlatego miałem na myśli jakieś pośrednie rozwiązanie np. sterowanie z pieca obwodami podłogowymi. Do rozdzielaczy prąd już mam - bo są rozdzielacze z pompą, musiałbym pociągnąć kable do zaworu 3D, czujnika temperatury i sterowania pompą. Może masz rację że taniej wyjdzie pociągnąć rurę do kotłowni do grzejników.
macius26 Opublikowano 1 Grudnia 2015 Autor #48 Opublikowano 1 Grudnia 2015 I jeszcze jedno - sprawdziłem sobie charakterystyki tej pompy. Na pierwszym biegu ma wydajność 1500 litrów na godzinę przy założeniu że nie pcha w górę (tak jest u mnie - różnice w wysokości podłogówki to max 10-20 cm). NA 3 biegu to 2500 litrów na godzinę . Czy ktoś mi może powiedzieć jakie opory przy fi 16 taka pompa może dać radę? Czy te 210 metrów podłogówki na takiej pompie pójdzie?
sambor Opublikowano 1 Grudnia 2015 #49 Opublikowano 1 Grudnia 2015 Myślałeś na tym całą dobę i wymyśliłeś "Eurekę" !To teraz odpowiedz jak ta pompa pchająca w podłogówkę daje ledwo przepływ ok 600l/h? ( 10 pętli po ok 1l/min= 600l/h)Podałem ci rozwiązanie, ale ty nie chcesz o nim nawet myśleć, a tak naprawdę to jedynym rozwiązaniem jest wywalić wszystko i zrobić od nowa łączenie z projektem, pętlami i całą resztą - jak ktoś ma podłogówkę jako jedyne ogrzewanie domu powinien o to zadbać!Jedna pompa 25/60 tego nie uciągnie - ale można spróbować jak porozdzielasz obwody podłogi na 2 oddzielne i osobno grzejniki.Taką pompę już masz , więc możesz to sprawdzić. PSPompa CO ma taką samą wydajność nie zależnie od tego w którą stronę tłoczy PPS Co ja cię będę przekonywał, twoja inwestycja, twoja sprawa.
macius26 Opublikowano 1 Grudnia 2015 Autor #50 Opublikowano 1 Grudnia 2015 Sambor - dałeś 2 rozwiązania. Mój post jest pod kątem schematu 1, który jest u mnie prostszy i chyba bardziej wykonalny - nawet z uwagi na miejsce w kotłowni na ścianie. Nie neguję twoich rozwiązań, ale wyprzedzam przyszłe decyzje. W schemacie drugim nadal pozostaje problem sterowania pompą grzejników i generalnie sterowania układem za pomocą c-mixa i I-sensa.
Rekomendowane odpowiedzi
Zarchiwizowany
Ten temat przebywa obecnie w archiwum. Dodawanie nowych odpowiedzi zostało zablokowane.