-
Postów
33038 -
Dołączył
-
Wygrane w rankingu
518
Typ zawartości
Forum
Wydarzenia
Blogi
Artykuły
Treść opublikowana przez sambor
-
Ile pelletu potrzeba na cykl rozpalania w waszym kotle?
sambor odpowiedział(a) na sambor temat w Inne tematy o kotłach i piecach
Powiedz to temu, który na samo rozpalanie ponoć spala tonę. -
Projektant ma rację, ale kocioł kup taki aby miał jaka najniższą moc grzejną np 3-3,5 kW lub nawet mniej , wtedy moc znamionowa kotła nie jest problemem, gdyż kocioł sam schodzi z mocą do mocy minimalnej. Natomiast duża moc kotła pozwala na szybkie grzanie wody w bojlerze i zapobiega nadmiernemu wystudzeniu budynku, gdyż jak kocioł grzeje wodę to nie grzeje CO. PS Buderus 072 20kW ma moc min 6,7kW , dla ciebie to moc za duża, więc przypadkiem nie idź w ten kocioł.
-
Tak, PEX20 będzie OK.
-
Nierdzewne można płukać nawet samą wodą pod ciśnieniem, w zasobnikach ACV falisty kształt ścianek powoduje że osadzane na ściankach osady same odpadają podczas nagrzewania się zbiornika - czyli tam trzeba co 5-10 lat wybierać z dna zasobnika zanieczyszczenia.
-
Viteco 16kw + pellas hybrid nie osiąga temperatury
sambor odpowiedział(a) na biopar temat w Kotły pelletowe
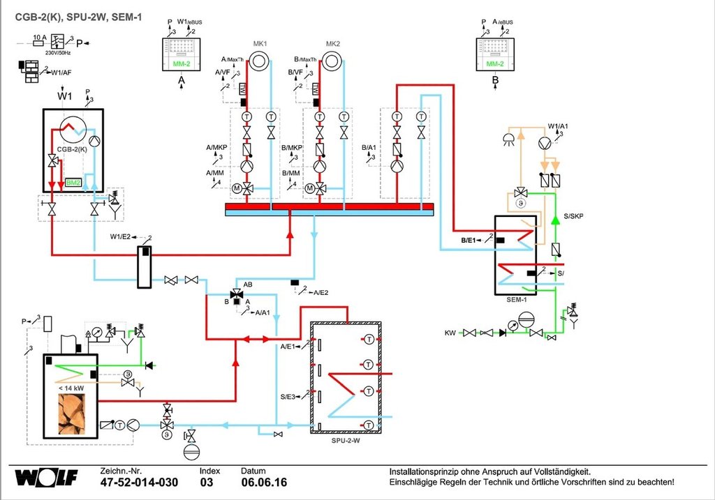
Na pewno to jest główny powód niedogrzania, ale musisz też zrobić instalację bezpieczną . Zaw ochrony musi być na powrocie, itd........ jak podawałem w poprzednim poście Tu masz prawidłowy schemat: Brak ntylko naczynia przelewowego podłączanego wprost do kotła. -
Viteco 16kw + pellas hybrid nie osiąga temperatury
sambor odpowiedział(a) na biopar temat w Kotły pelletowe
Podstawowym obiegiem jest schemat wg rys B z poprzedniego postu - ze sprzęgłem lub buforem. A reszta to dowolnie - przed sprzęgłem obieg grzania CW, za sprzęgłem obiegi grzewcze CO i podłogi. Sam to robiłeś czy trafiłeś takiego speca? -
Tylko przypadkiem nie wpadnij na pomysł montażu tzw magnetyzera - wynalazku z lat 80-tych, takie ustrojstwo było dobre przy nowych instalacjach. Natomiast w starych powodowało często usunięcie powłok wewnątrz rur i grzejników co doprowadzało do szybkiego cieknięcia instalacji.
-
Viteco 16kw + pellas hybrid nie osiąga temperatury
sambor odpowiedział(a) na biopar temat w Kotły pelletowe
Jak masz naczynie przelewowe wstawione tak jak na rys to tak jakby go nie było. Ciesz się że nie możesz dogrzać kotła, gdyż mogłoby być duże buuum. Naczynie musi być podłączone wprost do kotła. Zaw ATV powinien być na powrocie do kotła, przed samym kotłem - on zabezpiecza temp na kotle, nawet instrukcja tego zaworu podaje że to nie zapewnia ochrony powrotu- tekst w ramce poniżej. -
Viteco 16kw + pellas hybrid nie osiąga temperatury
sambor odpowiedział(a) na biopar temat w Kotły pelletowe
Na obudowie masz sposób podłączenia takiego zaworu, obecnie masz do d...y i to nic nie daje. Po co naczynie przeponowe i przelewowe razem w 1 instalacji? Wystarczy 1 , tylko prawidlowo podłączone! -
Viteco 16kw + pellas hybrid nie osiąga temperatury
sambor odpowiedział(a) na biopar temat w Kotły pelletowe
Rany boskie! Wyłącz tego potworka i jedź do Afryki- tam przynajmniej ciepło Ten zaw 55C to jaki typ -
Viteco 16kw + pellas hybrid nie osiąga temperatury
sambor odpowiedział(a) na biopar temat w Kotły pelletowe
Po pierwsze krzywa grzewcza zależy od temp zewnętrznej i odnosi się do obiegu CO lub mieszacza , a nie do grzania bojlera. Po drugie jak mam w bojlerze 45C to 54C aż nadto do podgrzania -
Viteco 16kw + pellas hybrid nie osiąga temperatury
sambor odpowiedział(a) na biopar temat w Kotły pelletowe
U mnie jest sterowanie pogodowe i przy takiej temp mam 54C na kotle, ale to od ustawionej krzywej zależy -
Sam bym chciał to wiedzieć czy bojler emaliowany wytrzyma czyszczenie od wewnątrz? Nigdy się w to nie bawiłem.
-
To masz szczęście i pewnie lepszą wodę, ja mam wprost ze studni bez uzdatniaczy, zmiękczaczy. Twardość ok 18 wg skali niemieckiej. U mnie dod minusem na trwałość bojlera jest sporadyczne grzanie do temp ponad 80C - jak grzeję kotłem DS. Anody wymieniałem 1x -- mam 1m dł i 0,5m dł, obie w pionie. Cztery lata temu wyglądały tak A powinny tak :
-
Nie będę się z koniem kopał, nie przyszedłeś po pomoc, tylko na przepychanki w stylu - "ja wiem lepiej" To ostatni post w tym temacie - bufor robisz dla kotła, a nie dla instalacji. Ps w 100m2 podłogi to max 100l wody zmieścisz. Ale ty wiesz lepiej. Powodzenia. Do 10 lat max, Sam mam biawara osobnego 300l i mimo 2 anod w zasobniku, widzę że 12 lat nie pociągnie. ACV ponad 12 lat temu wykonywała z nierdzewki całość, obecnie część na wodę grzewczą jest niestety ze stali czarnej.
-
Ale wada podstawowa to większa energochłonność i krótsza żywotność całości Bojler nie wytrzyma tyle co bufor
-
Jak masz zbiornik w zbiorniku to i tak grzejesz całość - i to nie ważne czy masz dod grzałkę lub wężownicę w zasobniku wewnętrznym. Między jedną i drugą wodą masz tylko cienką blachę i ciepło się przez nią przenosi. Nawet jak grzejesz tylko "pół" bufora , to bufor i tak grzejesz.
-
Vaillant Vaillant - Działanie Układu Z Kilkoma Obiegami
sambor odpowiedział(a) na milsa666 temat w Instalacje CO i CWU
Można zamienić cyrkulację na grzejniki, a cyrkulację dać na wył czasowym z gniazdka. Dla mnie to teraz zaczynasz dzielić włos na czworo - popatrz jaką miałeś dotychczasową instalację - tymi zaw 3-D termostatycznymi to przez wi-fi jak kręciłeś? -
Biawar 200 touch z wbudowanym 190L" buforem" powstał jak 12 lat temu adaptowano oryginalną konstrukcję szwedzką Nibe na polskie "potrzeby". W oryginale był to kocioł 2 funkcyjny - zamiast tego pseudo bufora był zasobnik ciepłej wody , ok 110l z dod grzałką 6kW. Ale "mądrzy" w biawarze uznali to bzdet i zrobili to co jest . Kolego baconp masz dom, który wg obecnych przepisów ,nawet nawet przy -20C nie będzie potrzebował 5kW mocy grzewczej, więc kup jak najmniejszy kocioł z buforem 300-500l i to wszystko. W zbiorniku kombinowanym grzejesz cały zład- czyli bufor + CW. Jak masz bufor to on robi za sprzęgło i nie potrzeba dodatkowo sprzęgła.
-
Vaillant Vaillant - Działanie Układu Z Kilkoma Obiegami
sambor odpowiedział(a) na milsa666 temat w Instalacje CO i CWU
Za dużo chcesz, ale jak tak to kup VR71 i nie będzie problemu Tuleja pomiarowa w przykładowym sprzęgle poniżej: Może być pionowo od góry albo z boku poziomo. -
Vaillant Vaillant - Działanie Układu Z Kilkoma Obiegami
sambor odpowiedział(a) na milsa666 temat w Instalacje CO i CWU
Czujnik jest taki sam jak np do bojlera , a wkładasz go do tulei pomiarowej na górze sprzęgła. -
Vaillant Vaillant - Działanie Układu Z Kilkoma Obiegami
sambor odpowiedział(a) na milsa666 temat w Instalacje CO i CWU
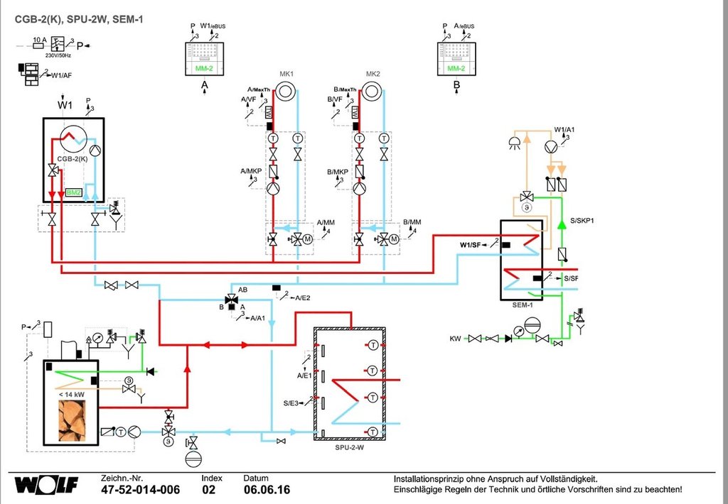
VR70 ma czujniki do mieszaczy aby kontrolować temp po mieszaniu. Dodatkowo masz mieć czujnik temp sprzęgła - popatrz na post 34 , pierwszy rysunek Po kiego grzyba chcesz "sterować" grzejnikami łazienkowymi? Przecież to bzdura- one mają grzać temp na nich to temp kotła, jak będzie za zimno to i tak podnosisz temp kotła a nie grzejnika -
Problem z dogrzaniem bufora
sambor odpowiedział(a) na Azja11 temat w Inne tematy o kotłach i piecach
Jak bulgotało to sprawdź pompą przed kotłem, może ona zapowietrzona lub wprost mówiąc stoi. -
Vaillant Vaillant - Działanie Układu Z Kilkoma Obiegami
sambor odpowiedział(a) na milsa666 temat w Instalacje CO i CWU
Na VR71 obieg grzejników robisz bez mieszacza, tylko sama pompa. Automatyka wie że że jak nie ma mieszacza to idzie temp wody z kotła. Jak masz tylko grzejniki łazienkowe, to wystarczy VR70 + sama pompa podłączona do gniazdka, bez sterowania termostatem. Czujnik temp sprzęgła warto dodać - wtedy kocioł wie z jaką mocą musi pracować. -
Vaillant Vaillant - Działanie Układu Z Kilkoma Obiegami
sambor odpowiedział(a) na milsa666 temat w Instalacje CO i CWU
To przecież oczywiste , że jak masz zaw 3-D z siłownikiem ,sterowany elektrycznie to sterujesz temp wody mieszanej z układu mieszacza zależnie od temp zewnętrznej. I to jest prawidłowe rozwiązanie dla kotła gazowego. Natomiast przy VR70 możesz zrobić tak jak pisałem kilka postów wstecz - pompa z gniazdka + ew termostat pokojowy, niezależny od reszty sterowania. Takie rzeczy robiłem dla kotłów Wolfa, podobnych sterowaniem z kotłami Vaillanta i nie było problemów z działaniem. Tylko musi być czujnik temp sprzęgła, ale to pewnie masz.
