-
Postów
33198 -
Dołączył
-
Wygrane w rankingu
521
Typ zawartości
Forum
Wydarzenia
Blogi
Artykuły
Treść opublikowana przez sambor
-
Krzywka nie chce się poddać demontażu
sambor odpowiedział(a) na Młodziak temat w Rozmowy na dowolny temat
Może być ciekawie - np mnie raz to prawie metr kwadratowy tynku przy odkręcaniu takiej krzywki odpadł. Co do podgrzania to raczej palnikiem a nie opalarką i to od środka -
Krzywka nie chce się poddać demontażu
sambor odpowiedział(a) na Młodziak temat w Rozmowy na dowolny temat
Krzywki ( mimośrody ) są różnych rozmiarów od 10 -25mm odsadzenia, wg dobierzesz coś w hurtowniach lub na alle... -
Podłogówka, grzejniki, kocioł gazowy i zasypowy, jak to zrobic najprościej
sambor odpowiedział(a) na ldonut temat w Instalacje CO i CWU
Ok, układ otwarty kotła na paliwo stałe. Ale automatyka powinna być jedna- ta od kotła na gaz. Nawet jak zablokujesz grzanie w kotle gazowym , to automatyka mieszacza i grzejników powinna działać. Jeżeli kocioł na paliwo stałe ma być rezerwą to można pomyśleć o ręcznym przełączaniu źródeł grzania. -
Witamy na forum. Opisz swój problem w dziale instalacje i na pewno ktoś Ci pomoże.
-
Podłogówka, grzejniki, kocioł gazowy i zasypowy, jak to zrobic najprościej
sambor odpowiedział(a) na ldonut temat w Instalacje CO i CWU
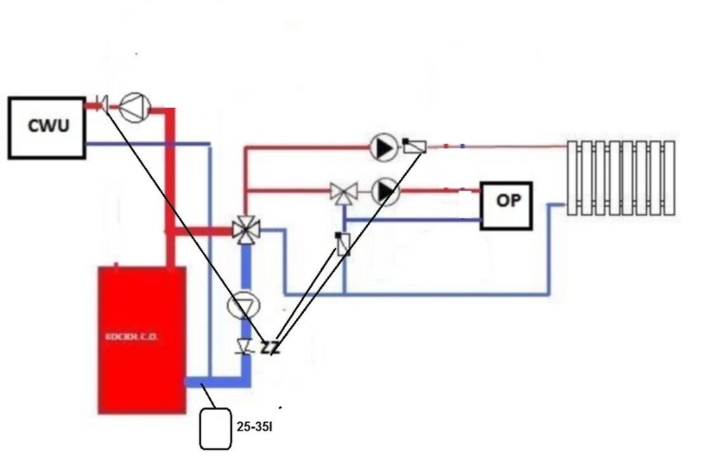
Ten schemat jest mocno uproszczony, tam w oryginale jest dod bufor, odbierający z z solarów i kominka . Ale nie w tym rzecz - jest czujnik temp A/E2, który daje sygnał na przełączenie, dod jest czujnik, nie narysowany A/E1 na zasilaniu z kominka / wymiennika . W oryginale nie jest podane jak jest sterowana pompa wymiennika / kominka wg posiadanego rys ona jest wprost do sieci włączona. Dużym uproszczeniem dla autora tematu byłby kocioł na paliwo stałe zamontowany w układzie zamkniętym. Wtedy kotły można połączyć równolegle i po sprawie . -
Podłogówka, grzejniki, kocioł gazowy i zasypowy, jak to zrobic najprościej
sambor odpowiedział(a) na ldonut temat w Instalacje CO i CWU
Facet co ty? łódź podwodną budujesz - podwójne sterowania, podwójne zasilania , weź nie żartuj Popatrz jak to robią inni : np Wolf - wystarcza zaw 3-D przełączający + odpowiednie sterowanie. Na rys są dwa obiegi podłogówki, ale mogą być dwa obiegi grzejników lub mieszane - podłoga i grzejniki. Wężownica dolna zasilana z drugiego źródła ciepła - np solary lub kominek -
Podłogówka, grzejniki, kocioł gazowy i zasypowy, jak to zrobic najprościej
sambor odpowiedział(a) na ldonut temat w Instalacje CO i CWU
Tego zaw na zasilaniu kotła gazowego nie dawaj, jest na powrocie i to wystarczy. Pompa od CW przeważnie to 25/40 i tu nic nie wymyslaj Pompa na pierwotnym obiegu ( otwartym) wymiennika powinna być podobna jak na wtórnej stronie., ale to zależy od oporów hydraulicznych instalacji i samego wymiennika. Zauważ że pompa na stronie pierwotnej odsługuje tylko kocioł i wymiennik, na stronie wtórnej obsługuje wymiennik i instalację. -
Podłogówka, grzejniki, kocioł gazowy i zasypowy, jak to zrobic najprościej
sambor odpowiedział(a) na ldonut temat w Instalacje CO i CWU
To wszystko zależy od wielkości instalacji a sprzęgło wstawiamy wtedy kiedy jest taka potrzeba a nie zawsze. Pompa w kotle gazowym ma wydajność na poziomie 1m3/h lub lepiej i wszystko zależy od regulacji i instalacji . W temacie o sprzęgłach ( był taki) podawałem zasady kiedy się daje sprzęgło a kiedy nie - bodaj materiały immergasa. Tak naprawdę to wystarczy 1 zaw regulacyjny na obiegu podłogówki a resztę załatwia pompa z kotła i regulacja hydrauliczna grzejników. Nie widzę potrzeby dawania mocniejszej pompy na obiegu wtórnym wymiennika - daje się taką jak trzeba, aby taka instalacja miała sens trzeba tak dobrać pompę wymiennika aby miała podobną charakterystykę jak pompa w kotle. Wiem , że to dla większości trudne , ale daje się to wykonać prawidłowo. -
Podłogówka, grzejniki, kocioł gazowy i zasypowy, jak to zrobic najprościej
sambor odpowiedział(a) na ldonut temat w Instalacje CO i CWU
Weberman to skośnooka chała ze stajni ferro, daruj sobie. Poszukaj wilo, a z tańszych to Halm albo DAB, omijaj ostatnie grundfosy coś się popsuły. Zaw 3-D najlepiej z silownikiem i trzeba dobrać automatykę sterującą tym siłownikem w funkcji pogody, ale tu pytanie jaki kocioł gazowy? zawory regulujące to coś takiego https://allegro.pl/oferta/zawor-grzybkowy-mosiezny-przelotowy-3-4-cala-zasuw-8215641979?utm_feed=aa34192d-eee2-4419-9a9a-de66b9dfae24&utm_source=google&utm_medium=cpc&utm_campaign=_DIO_pla_dom_budownictwo&ev_adgr=Hydraulika+i+akcesoria,+klimatyzacja+i+wentylacja,+kuchnia+oraz+pozostałe&gclid=CjwKCAiAu8SABhAxEiwAsodSZLxrzioTLZzMrhsqFdQTWr3MVEoNnYGZTmlQ0e7jjQmbAvzEDIEo7BoC8KwQAvD_BwE tylko trzeba je dobrać wg średnicy rur na które je wstawisz, Podobnie trzeba dobrać zaw 3-D - zależnie jak duża jest ta podłogówka. -
Dobór kotła Wymiana starego kopciucha na 5 klase do 2023. Sugestie jaki piec wybrać?
sambor odpowiedział(a) na zwalonygrat temat w Kotły zasypowe
Najprościej jest zlecić policzenie grzejników i ew rur a hydraulik niech robi wg tego co mu powiesz, Wg mnie grzejniki to sam możesz kupić a fachman tylko je powiesi. W doborze w/w mogę pomóc - pisz na priv. -
Zawór zwrotny odetnie cofanie się wody na całą instalację, zaw antyskażeniowy nie zastąpi zaw zwrotnego na dopływie zimnej wody do bojlera Naczynie przeponowe stabilizuje ciśnienie i zabezpiecza przed nadmiernym wzrostem ciśnienia w obiegu, a zaw bezpieczeństwa to zaw bezpieczeństwa - on tam musi być - przepisy i zdrowy rozsądek. To co pokazałeś jest dobrym rozwiązaniem, tylko trzeba pewnie ściany kuć.
-
Podłogówka, grzejniki, kocioł gazowy i zasypowy, jak to zrobic najprościej
sambor odpowiedział(a) na ldonut temat w Instalacje CO i CWU
Trochę zmieniłem miejsca montażu zaw zwrotnych i dodałem 2 zawory regulujące przepływy na obiegach grzewczych Do kolegi Grundfos - niech pracują , na zdrowie. Są elektroniczne to się dostosują, chyba że będą to chinole po 200 zeta/ sztukę -
Tak, można taką opcję zastosować. Tylko trzeba pamiętać o zaw bezpieczeństwa, zaw zwrotnym i naczyniu przeponowym przed bojlerem.
-
Dobór kotła Wymiana starego kopciucha na 5 klase do 2023. Sugestie jaki piec wybrać?
sambor odpowiedział(a) na zwalonygrat temat w Kotły zasypowe
Najpierw to trzeba określić ile W/m2 potrzeba dla danego pomieszczenia a następnie dobierać grzejniki! -
To co jest obecnie nic nie daje, równie dobrze można by wstawić kawał rury i byłoby to samo. Tu idzie o jakąś regulację lub stabilizację temperatury na powrocie. Jak będzie zawór 3-D z siłownikiem i sterownik pilnujący zadanej temperatury to będzie lepiej.
-
Daj ten zawór na powrót , przed pompę i będzie OK z powrotem i dogrzaniem kotła.
-
Zawór Czterodrogowy - Odpowiednia Instalacja
sambor odpowiedział(a) na vernal temat w Instalacje CO i CWU
Wyjaśnij co to wg ciebie znaczy - czy oś obrotu ma być w pionie? a sam zawór "na plecach" - jak tak to może , to mu nie przeszkadza. -
Dobór kotła Wymiana starego kopciucha na 5 klase do 2023. Sugestie jaki piec wybrać?
sambor odpowiedział(a) na zwalonygrat temat w Kotły zasypowe
Do oceny jakości czujnika NTC też musisz mieć sprzęt np miernik uniwersalny lub omomierz. Bez problemu wymienisz czujnik w bojlerze czy czujnik temp zewnętrznej ale te w kotle czasem wymagają "patroszenia" połowy kotła. Ponadto trzeba mieć tabelę wartości nominalnych i ich zmian pod wpływem temperatury Należy pamiętać że czujniki NTC z czasem tracą swoje właściwości i półka im nie służy, sam mam komplet czujników do mojego kotła prod Wolfa i po 11 latach są spore zmiany parametrów niektóre np z 2000 ohm , na 1800 ohm , czyli prawie o 10% wartości standardowej. -
Dobór kotła Wymiana starego kopciucha na 5 klase do 2023. Sugestie jaki piec wybrać?
sambor odpowiedział(a) na zwalonygrat temat w Kotły zasypowe
Na zachodzie i w USA (szczególnie tam) jest zakaz podawania sprawności kotłów powyżej 100% - były procesy i wszyscy właściciele takich kotłów wygrali wysokie odszkodowania . Przecież wg takiego rozumowania przy sprawności ponad 100% kocioł powinien oddawać gaz do instalacji, a nie z niej pobierać. Np kotły kondensacyjne Viesmana w USA mają sprawności rzędu 95% i nie ma mydlenia oczu. Sprawa zawodności kotłów kondensacyjnych jest mocno dyskusyjna - większość usterek wychodzi po 1-2 miesiącach pracy. Natomiast zgodnie z prawem Murphiego - to co się ma zepsuć psuje się w najgorszym momencie. Sami kotłów raczej nie naprawiajcie, może oprócz wymiany pompy , do większości napraw szczególnie ścieżki gazowej potrzebny jest sprzęt pomiarowy i wiedza. -
Musisz podpiąć pod odpowiednie zaciski w termostacie , ponadto sprawdź czy kocioł się załączy po wyjęciu tej zworki - nie powinien zastartować.
-
Do klamki, a do łyżew przykładałeś?
-
Jaka Średnica Alupex Od Rozdzielacza Do Grzejnika
sambor odpowiedział(a) na polololo21 temat w Instalacje CO i CWU
Po co stopniowanie, daj jedną średnicę -
Ten smog (NASZ) kierunkowo - programowo bierze się od totalitaryzmu - podobną sytuację polityczną mamy w Turcji i stąd podobny charakter smogu. Jeszcze trzeba na batkę z Białorusi poczekać i będzie smog 3 tenorów.( kaczorów)
-
Po wielu latach pracy dorobiliśmy się określenia polski smog - tak trzymać! https://www.onet.pl/informacje/swiat-oze/polski-smog-jest-jedyny-w-swoim-rodzaju-rozni-sie-od-londynskiego-i-kalifornijskiego/vfmc0lb,30bc1058
-
Ten termostat ma styk beznapięciowy , jeżeli styk jest dopuszczony do pracy z napięciem 230V to można, tylko musi być usunięta zwora w kotle, Jest to w instrukcji
