-
Postów
32946 -
Dołączył
-
Wygrane w rankingu
512
Typ zawartości
Forum
Wydarzenia
Blogi
Artykuły
Treść opublikowana przez sambor
-
Zawór OK. Jak połączysz rury, otwierasz zaw 4-D ręcznie, bez siłownika i wolno dolewasz wody, aż manometr pokaże 1,2bar. potem podłączasz pompę - nawet do gniazdka i niech pochodzi 1-2h, aż instalacja się napełni - grzejniki muszą być otwarte na max, może będzie trzeba odpowietrzyć ręcznie grzejniki i pompy. Jak ciśnienie spadnie, to znowu dolewasz wody. Podłączasz siłownik i pompy do sterownika kotła, odpalasz kocioł i to wszystko. Obieg napełniania kotła możesz zrobić rurami o mniejszej średnicy np PP25 czy nawet PP20
-
Po dolaniu, zamykasz tylko zawór na dolewaniu, ten drugi na bojler musi być otwarty, inaczej nie będzie ciepłej wody z bojlera. Na wyloty zaw bezpieczeństwa nie trzeba żadnych odprowadzeń, tam nie może wylatywać woda.
-
Ten schemat co teraz podałeś jest zły! Przecież już go poprawiałem! Prawidłowy schemat jest w poście #44! W naczyniu 12l, 10bar przeważnie wystarczy ciśnienie fabryczne - ok 4 bar Podczas dolewania zaw 4-D ustawiasz na max otwarty.
-
Tak rura 28x1,5 to 1" Ile trzeba wody będziesz widział po wskazaniach manometru- po to go montujesz A dolewać możesz z każdego miejsca instalacji, wysokość dolania nie ma znaczenia, liczy się tylko ciśnienie- dla tej instalacji nie więcej niż 1,2 bar na zimnym kotle.
-
Może być stal czarna gwintowana i skręcana, może być stal prasowana - są wszystkie kształtki, ale trzeba mieć zaciskarkę , może być miedź - jak sie dobrze policzy to rury Cu28 nawet 2m nie potrzeba- lutowana lub prasowana. A jak chcesz dobrze to weź fachowca i on ci zrobi drogo i po partacku, gdyż dobrych wykonawców jest mało. Nie wiem skąd jesteś, ale w okolicach Warszawy na dobry montaż kotłowni czeka się 3-4 miesiące.
-
Rura zaciskana może być, tylko czy masz sprzęt do zaciskania?
-
Rury PP stabi to i tak plastik, więc nie mogą być od kotła , Mnie wychodzi mniej kolan, ale nie znam twojej koncepcji, więc rób jak ci wychodzi. W miedzi Cu28 robisz tylko od kotła do zaw 4-D i tam są 2 kolana, oraz powrót z 4-D do kotła i tam też mogą być 2 kolana, za zaworem 4-D już możesz dać PP32. Obieg grzania bojlera też w miedzi, ale mniejszej średnicy Cu22, Zawory kulowe na zasilaniu bojlera i obiegu CO muszą być osobno, a nie 1 jak poprawiłeś A umiesz tą miedź lutować?
-
Takie wynalazki robiono do pompowania szamba lub gnojowicy ze zbiornika do beczki asenizacyjnej.
-
Obieg ma być z jak najmniejszą ilością kolan i rury - zrób sobie model instalacji z zapałek i policz kolana. Kolana są 90 i 45 stopni. Może wystarczy 4-5 kolanek Obieg grzania bojlera może być z rur o mniejszej średnicy np Cu22, rury do zimnej wody mogą być z PP 32, rury za zaworem 4D w stronę instalacji też mogą być z PP32.
-
Może być miedź Cu28 to to samo co 1", a nierdzewna musi być prasowana i drogo wychodzi. Jeszcze jedno: aby obieg grzewczy kocioł - zaw 4-D działał muszą być krótkie odcinki, bez dużej ilości kolanek, a sam zaw 4-D powinien być nie za wysoko, ok 20-30 cm nad kotłem,
-
Teraz lepiej, brak tylko spustu wody z instalacji i nie zapomnij o zaw bezp i zaw zwrotnym na zasilaniu bojlera z wodociągu. Napełnianie w dobrych instalacjach robi się rozłączane np wężem ogrodowym, tak aby przez przypadek nikt nie odkręcił zaworu napełniania. Jak idzie rura od wodociągu to mnie nie interesuje, jest schemat i wg niego trzeba podłączyć. Jakimi rurami będziesz robił kotłownię? Widzę, że spust jest w dobrym miejscu
-
Pytasz się co sądzę - oczywiście że jest źle, widać kolega należy do populacji tych co zawsze coś muszą zrobić źle, choć wszystko mają podane na tacy. Podałem jak ma być podłączone naczynie 35l; do obiegu CO - ma być wprost do kotła Podałem jak ma być układ napełniania - też blisko kotła, najlepiej przy samym kotle - a jak zrobiłeś? Ta rura podpisana jako "idąca dookoła mieszkania" do czego ma służyć, co ona robi? Na rys brak spustu wody z instalacji/ kotła- to też warto zrobić, chyba że kocioł ma osobny spust wody do kanalizacji.
-
Dostałeś wszystkie dane i schematy, może sam teraz rusz głową i poskładaj to do kupy. Ja mam inne roboty, na które czekają inni forumowicze i nie tylko oni.
-
Zmieniłem Therma V 9kW na Kaisai 10kW - częste defrosty
sambor odpowiedział(a) na Luki123 temat w Pompy ciepła
Fajnie, tylko jakiej wartości jest ten opornik, jak dojdziesz do ładu z tym połączeniem to podaj jaka jest wartość tego rezystora, tak dla potomnych -
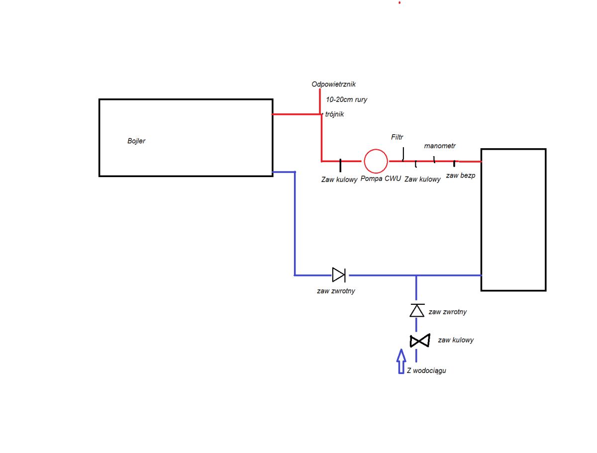
Instalacja powinna tak wyglądać W układzie napełniania musi być zaw zwrotny i zaw odcinający! Napełnianie idzie zawsze od dołu instalacji, aby wyprzeć powietrze z instalacji
-
W całej instalacji są 2 - jeden od CWU- 6 bar, drugi przy samym kotle to 2 bary lub 2,5 bar, 2 bary byłby lepszy, ale jego ciężej kupić w kompletnej grupie, więc podałem gotową grupę , jak robisz z osobnych elementów to raczej poszukaj 2 bary.
-
To trzeba inaczej podłączyć odpowietrznik - tak jak na rysunku Oczywiście przed pompą, po za filtrem i zaworem odcinającym, manometr i zawór bezpieczeństwa
-
Może być, tylko bez odpowietrznika - manometr musi być, zaw bezp też. Bojler masz stojący czy poziomy wiszący?
-
Jesteś leń , jest tego od groma w necie np https://allegro.pl/oferta/naczynie-przeponowe-wzbiorcze-wyrownawcze-c-o-35l-membrana-zbiornik-opaska-14693482924?bi_s=ads&bi_m=productlisting:desktop:query&bi_c=YWQ3ZTcxYjMtOTdmOS00ODU1LThiODctMTE3OGEwYzcyY2MyAA&bi_t=ape&referrer=proxy&emission_unit_id=0cfb86ad-a462-4537-b827-6602fe3b105d to naczynie ma ciśnienie wstępne 1,5bar, spuszczasz ciśnienie do 1 bara i masz. do wody zimnej (bojlera) https://allegro.pl/oferta/naczynie-przeponowe-12-l-cwu-co-wzbiorcze-opaska-14136169968?bi_s=ads&bi_m=productlisting:desktop:query&bi_c=MDI1NDg5N2EtODhkZi00MDc4LWE2MjctMzUwYjgzZjIyY2RkAA&bi_t=ape&referrer=proxy&emission_unit_id=fcc1737c-1103-410f-a8a5-5de861919c37 Grupa bezpieczeństwa: https://allegro.pl/oferta/grupa-bezpieczenstwa-co-zaworem-bezpieczenstwa-2-5-bar-dlugosc-280-mm-ma-16375419493 Może się lepiej za to nie bierz, gdyż nie masz pojęcia co i jak w tym temacie i może wyjść problem i to spory!
-
Tu nie idzie o "pomysł", tylko ja też mam swoje zajęcia! Poniżej masz schemat, jak powinno to wyglądać: Oczywiście naczynia przelewowego (otwartego) nie ma.
-
Naczynie przelewowe otwarte musi być minimum 0,5m wyżej nad innymi rurami czy bojlerem. Do tego kotła trzeba naczynie przeponowe ok 35l + grupa bezpieczeństwa, naczynie musisz podłączyć najlepiej na powrocie grzania bojlera, przed samym kotłem.
-
Naczynie zależy od pojemności instalacji i od tego czy producent dopuszcza pracę kotła w układzie zamkniętym. Jaki ma być kocioł- marka, model?
-
Nastawami, które możesz zmieniać w kotle na paliwo stałe np przepływami wody, przy stałym ustawieniu palenia.
-
Pobaw się nastawami
