- 
                Postów32947
- 
                Dołączył
- 
                Wygrane w rankingu513
Typ zawartości
Forum
Wydarzenia
Blogi
Artykuły
Treść opublikowana przez sambor
- 
	  Montaż grzejników, w poziomie czy ze spadkiemsambor odpowiedział(a) na kalarepa temat w Instalacje CO i CWU Grzejniki muszą mieć odpowietrzniki i te odpowietrzniki muszą być wyżej, czyli po polsku "d...a " grzejnika, ta z odpowietrznikiem wyżej , wystarczy 2% spadku w stronę zaworu.
- 
	Przez obecne pompy woda przelatuje grawitacyjnie bez problemu, więc obejście to tylko zbędny wydatek kasy. Możesz sam to sprawdzić, wlewając wodę do pompy stojącej w pionie. Z resztą po co obieg na grawitacji do kotła z podajnikiem, który bez prądu nie będzie działał!
- 
	Bypass z zaworem różnicowym na obiegu CO jest zbędny, reszta OK. Nie podałeś mocy kotła, ale to co chcesz zrobić jest OK do mocy ok 20kW
- 
	  Norma prowadzenia kabli fotowoltaicznychsambor odpowiedział(a) na slawul temat w Wytwarzanie energii elektrycznej na cele grzewcze (i nie tylko) Na ten temat jest Norma N SEP-E-004 ELEKTROENERGETYCZNE I SYGNALIZACYJNE LINIE KABLOWE PROJEKTOWANIE I BUDOWA. W tej publikacji są wszystkie wytyczne i wymogi na temat budowy, prowadzenia i odbiorów linii kablowych do 110kV,
- 
	  Instalacja kotłowa Kocioł Malina EcoDesign 12kW obieg zamknietysambor odpowiedział(a) na DarkBlizzard temat w Instalacje CO i CWU Schemat jest prawie dobry, wymaga tego naczynia do CWU o którym piszesz, że go nie ma na rys. Oraz zaw zwrotnego i zaw bezpieczeństwa na zasilaniu bojlera z zimnej wody Pojemności naczyń przeponowych zależą od pojemności instalacji CO i pojemności bojlera CWU
- 38 odpowiedzi
- 
	
		- malina
- obieg zamkniety
- 
					(i 2 więcej) 
					Oznaczone tagami: 
 
 
- 
	  Modernizacja instalacji grzewczej Przeniesienie bufora na powrótsambor odpowiedział(a) na Tedisan temat w Pompy ciepła Nie wiemy jaki jest/ ma być schemat docelowy instalacji, więc bez rysunku czy innego schematu rzeczywistego dyskusja jest taka jaka jest. Zawór i jego nastawę dobiera się do najbardziej ekstremalnych warunków pracy.
- 
	  Modernizacja instalacji grzewczej Przeniesienie bufora na powrótsambor odpowiedział(a) na Tedisan temat w Pompy ciepła Tak aby instalacja działała prawidłowo Ta dyskusja robi się całkiem fajna - taka forumowa, o wszystkim i o niczym
- 
	  Modernizacja instalacji grzewczej Przeniesienie bufora na powrótsambor odpowiedział(a) na Tedisan temat w Pompy ciepła A co będzie jak się grzejniki zamkną?
- 
	  Lokalizacja czujnika CO i powrotu w instalacji ze sprzęgłem i grupami pompowymisambor odpowiedział(a) na ARRO28 temat w Instalacje CO i CWU A po co ten czujnik? Czemu ma służyć?
- 
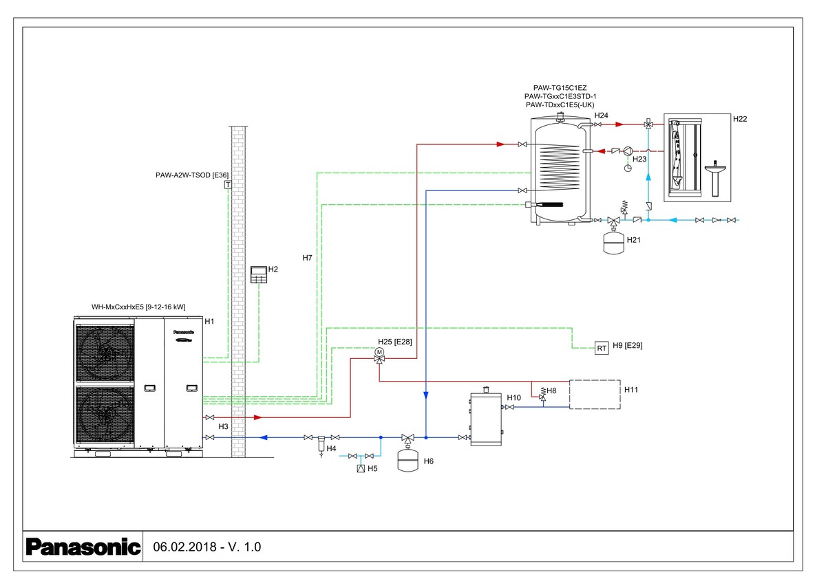
	  Modernizacja instalacji grzewczej Przeniesienie bufora na powrótsambor odpowiedział(a) na Tedisan temat w Pompy ciepła Ten schemat z panasa jest ogólny, nie można go użyć jako wykonawczego instalacji , więc trzeba brać na to poprawki. Zawór nadmiarowo - upustowy różnicy ciśnień potrzebny jest przy defroście i zamkniętych grzejnikach Wtedy woda potrzebna do defrostu leci przez ten zawór i bufor, nie idzie przez odbiory. Zauważ, że nie ma osobnej pompy na grzejniki, jej rolę spełnia pompa z monobloku! Raczej wątpliwa opcja - na grzejnikach jest spadek temp rzędu 10C, więc może być za mało do napędzania podłogówki, ponadto co będzie jak się zamkną głowice na grzejnikach?
- 
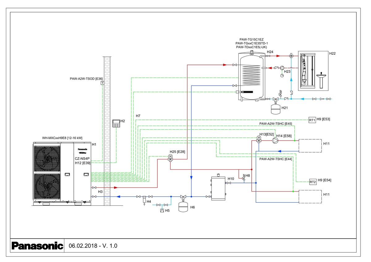
	  Modernizacja instalacji grzewczej Przeniesienie bufora na powrótsambor odpowiedział(a) na Tedisan temat w Pompy ciepła Nie ważne jak podłączysz, ale zawsze pompa z jednej strony - ta np od PC musi mieć większy wydatek od sumy wydatków wszystkich pomp pracujących na odbiorach. Inaczej całość idzie się j...ć, szczególnie jak ktoś napcha zaw zwrotnych nie tam gdzie trzeba. Bez problemu można zrobić 2 lub wiecej obiegów z buforem na powrocie, sam robiłem taki układ ( 3 obiegów ) na sterownikach niezależnych dla PC skośnookiej 16kW. Poniżej Panasonic - 2 obiegi , bufor na powrocie, tu najważniejszy jest wihajsterek oznaczony na schemacie H8, bez tego ni cholery nie działa prawidłowo.
- 
	Moc max kotła gazowego kondensacyjnego jest istotna nie tylko w kwestii zapotrzebowania na ciepło potrzebne do ogrzania budynku (CO), ale też zależy od pojemności bojlera (CWU). Ponadto jak ma być kocioł 2F to moc kotła musi zapewnić prawidłowe grzanie przepływowe CWU. Obecne kotły kondensacyjne potrafią mieć moce minimalne na poziomie 10-15% mocy znamionowej, a kocioł większej mocy ma większy wymiennik, co przekłada się na lepsze sprawności grzania CO przy mniejszych mocach grzewczych.
- 
	  Modernizacja instalacji grzewczej Przeniesienie bufora na powrótsambor odpowiedział(a) na Tedisan temat w Pompy ciepła Nie da rady. Osobna pompa na grzejniki musi być, albo schemat taki jak pokazałem w poście #19, ten od panasa Samsungi mają pompę wodną montowaną zewnętrzne, co jest dobre dla np zasilania awaryjnego.
- 
	  Modernizacja instalacji grzewczej Przeniesienie bufora na powrótsambor odpowiedział(a) na Tedisan temat w Pompy ciepła To nie będzie nawet 1C różnicy, wiec dajmy spokój takim spekulacjom
- 
	Raczej wtedy pojawią się problemy w stylu czas pracy UPS-a, moc grzałki temp do której ma grzałka grzać. Lepiej o tym zapomnij.
- 
	  Ustawienie parametrów pracy kotła pelletowego Temperatura zadana kotła na pellet w trybie letnimsambor odpowiedział(a) na Rafał78 temat w Kotły pelletowe Ale dlaczego masz coś zmniejszać? Temperatura kotła jest dla kotła , a nie dla pory roku!
- 
	  Modernizacja instalacji grzewczej Przeniesienie bufora na powrótsambor odpowiedział(a) na Tedisan temat w Pompy ciepła Tu masz schemat buforu na powrocie , 1 obieg grzejny+ CWU- to schemat Panasonica Bufor w tym przypadku zapewnia większy zład wody wymagany do defrostu. Zasilanie bojlera jest po za buforem, więc powrót też może być po za buforem, ale to mało istotne - czy przed czy za buforem nie ma znaczenia.
- 
	  Modernizacja instalacji grzewczej Przeniesienie bufora na powrótsambor odpowiedział(a) na Tedisan temat w Pompy ciepła Poprawiłem ci tak aby osiągnąć max z tego co masz, a cytowany post #14 odnosi się do innego układu! PS Opinie innych forumowiczów są tylko ich opiniami, a nie moimi.
- 
	  Beretta Ciao X25r Jaki max długi komin ? nie kumam tych tabelek.sambor odpowiedział(a) na adamvfr temat w Kotły gazowe Tak to tniesz lub lepiej zamawiasz na daną długość, te połączenia muszą być szczelne, szczególnie to spalinowe.

 
         
					
						 
                     
					
						