Skocz do zawartości
IGNOROWANY

"Świeża podłogówka" częsty problem z zapowietrzaniem się . Zdjęcie instalacji do wglądu .


Gonzus1989

Rekomendowane odpowiedzi

Opublikowano

@ACE84 nie znam tej pompy ale widzę śruby ,jesteś pewny że nie można jej korpusu na pewno  obracać , to przy braku ZZ podłogówki i złym kierunku pompy kotłowej obie się zakłócały  

Opublikowano

Tylko o 90 stopni. pytanie za 100 pkt. czy są obrócone korpusy czy pompy

20191120_164144.jpg

Opublikowano
33 minuty temu, ACE84 napisał:

a propo pomp to ta kotłowa jest zle zamontowana ( głowica pompy nie moze byc przekrecona  o 180 st)

jesli masz na mysli Wilo, to ich korpusy mozna dowolnie obracać. mam taką samą.

Opublikowano

i co ten link do instrukcji wnosi?

tu masz w naszym ojczystym języku https://wilo.cdn.mediamid.com/cdndoc/wilo180433/1477309/wilo180433.pdf

wskaz gdzie jest napisane, ze nie wolno dowolnie obracać korpusu względem stojana.

Opublikowano

• Przestrzegać dozwolonego położenia montażowego (Fig. 2) i kierunku wskazywanego przez strzałkę na korpusie pompy (1)

Opublikowano

Jesteś zarąbisty, ale mimo wszystko proponuję naukę czytania ze zrozumieniem i nie mieszania ludziom w głowach swoimi teoriami. 

Opublikowano

dziękuje poduczę się , ja nie pisze jaki Ty jesteś wiec sobie daruj człowieku, to chyba po to jest forum żeby wymieniać się  TEORIAMI

skąd taka agresja słowna, chyba zły dzień 

Opublikowano

Nie obrażaj się. To określenie nie było ani złośliwe ani negatywne. Równie dobrze mogłem napisać "Jesteś wspaniały" albo "Jesteś niesamowity"  ,  też byś się obraził? 

Opublikowano

:) bardziej jak król Julian  .. dobra bo śmiecimy a tu człowiek z podłogówką walczy

Opublikowano

Ludzie .. jakie to Polskie zaczyna się robić. 

Btw. Pompka jest dobrze zamontowana. Problem rozwiązany z Rotamerami w tej chwili mam na każdym ponad 2 przepływ po otwarciu . Jakie zmiany a więc usunięcie zaworów( zaworu klapkowego za pompą CO oraz zamiast kolanka 45 stopni rura czyli nie ma kąta 90 stopni a jest 45 , montaż zaworu sprężynowego , demontaż pozostałości po zaworze 3D( jakaś złączka ,która zwężała średnice ) odpowietrznik poszedł 50 cm w gore póki co został automatyczny .  ( pozostała kwestia ciśnienia przed zaworem 4D - pomiędzy 4D a pompą CO  )

 

Za zaworem 4D mamy ciśnienie z naczynia które mam na około 2 metry od ziemi. Teraz tak (pytanie )  : jeżeli Ja to naczynie podniosę o przykładowe nie wiem 10 metrów ( przykład ) - TO ciśnienie nadal bedzie tylko do momentu zaworu 4D , tak ?  dalej po otwarciu 4D / uchylenia  go -  jest już inny przepływ gdyż on sobie dobiera wedle zadanej temperatury - z  automatu ciśnienie spada mu te które było za zaworem  4D ?  I tu mogę mieć małe problem z wytworzeniem ciśnienia przed zaworem 4D . Przed czyli mam na myśli między pompą CO a zaworem 4D. 

 

W ten sposób teraz słyszę jak pompka mieli zamiast pracować czysto. Mieli gdyż ? Gdyż nie ma ciśnienia ,tak myślę.  Mielenie ( tak ja to nazywam ) ustępuje po chwili . Zobaczymy jutro rano , być może jest teraz wszystko zapowietrzone ; woda została spuszczona z kotła itd.

 

Generalnie to w skrócie jak uzyskać większe ciśnienie między Pompą CO a zaworem 4D. Dodam że nie mogę zrezygnować z niego gdyż gwarancja na okres 5 lat nie będzie mogła obejmować mój kocioł bez tego zaworu.

 

Jakie zmiany po modyfikacjach zauważalne. 

1_ Romatery o 1l w górę 

2_ Powrót chłodniejszy wczesniej miałem różnice 5 stopni , teraz 10 stopni ( powrót-zasilanie) Czy to normalne ? 

 

 

 

Rysunek instalacji jutro przedstawie .

Dziękuje za odpowiedzi.

Opublikowano

... po 2 godzinach powrót już jest 7-8 stopni różnica . Także myślę że to spostrzeżenie jest spowodowane tym że Kocioł był praktycznie do zera schłodzony  , woda spuszczona = zalewany od nowa itd itp . Być może znów będzie w granicach 5 stopni .Rano spr. 

 

Ps. W poprzednich fotkach mówiono o montażu , obecności zaworu w tym miejscu. Mieliśmy na myśli w przypadku 3D ?

3 D wymontowany na stałe będzie wyłącznik pompki jedynie ,który będzie rozłączać po osiągnięciu bezpiecznej temp.

 

Czy bez znaczenia czy jest czy nie ma 3D , zawór ma być ?

 

Dzięki

f0678393d3bbba9c37ec72f4de76c4dc.jpg

Opublikowano

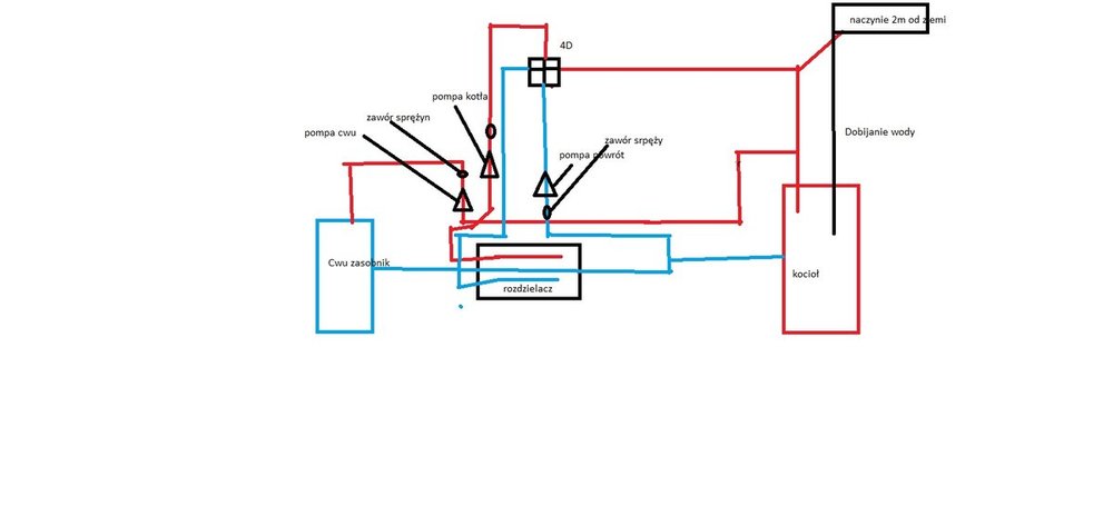
Zamieszczam w skrócie schemat narysowany przez instalatora- jeżeli będzie nieczytelny postaram się go przerysować ze wszystkimi zaworami (był on rysowany na szybkiego) na schemacie nie jest uwzględniony zawór sprężynowy przy pompce powrotu oraz jest jeden zawór sprężynowy przy obiegu CWU bodajże od lewej strony skrzynki białej aczkolwiek muszę to jeszcze sprawdzić. Moje dodatkowe spostrzeżenie ( wcześniej też to miałem) podczas załączania się pompki CWU występują duże bulgoty w instalacji czy jest to normalne? Jak wiemy pompka CW załącza się do osiągnięcia temperatury zadanej następnie wyłącza. Dolna część rury od powrotu z bojlera idzie przez środek rozdzielacza kolega w poprzednich postach pytał o tą rurę na schemacie jest ona narysowana niżej gdyż nie było miejsca na kartce.

 

.d7878788aafeb1ae575a96e2876c3b5e.jpg&key=69f2dba334fdd4227373363e91f6d4f64d3e223e94e9b17f5b10a9e46ef6ff7e

 

Wysłane z mojego Pixel 2 przy użyciu Tapatalka

 

 

 

 

 

 

Opublikowano

Pompa którą opisujesz CO  to jest pompa kotłowa  ty nie masz grzejników więc nie masz pompy CO jeśli w sterowniku masz możliwość zmiany to ustaw ją jako kotłowa oraz 4D  trzeba wyłączyć ochrone powrotu .

Jeśli chodzi o kierunki przepływu pomp to są takie jak w poście#145 ?

Zastanawia mnie czy po rezygnacji z 3D pompa kotłowa nie robi bałaganu podbierając wodę z podłogi bo nie ma czym jej zdławić .

 

Opublikowano
W dniu 31.01.2020 o 08:09, Gonzus1989 napisał:

Dolna część rury od powrotu z bojlera idzie przez środek rozdzielacza kolega w poprzednich postach pytał o tą rurę na schemacie jest ona narysowana niżej gdyż nie było miejsca na kartce.

a jest na niej ten zz

 

Gość Digitrax
Opublikowano

Ten temat to przykład jak skomplikować prosty układ z jednym obiegiem grzewczym. Toć tu wystarczy zawór 3D z siłownikiem do regulacji OP + wydajna pompa, która pokona opory przepływu tego obiegu. Kolejna pompa ładująca zbiornik CWU kiedy trzeba go podgrzać i ostatnia pompa kotłowa, która zapewni wysoką temperaturę powrotu. Podłączanie zaworu 3D za zaworem 4D to tak jakby podłączyć w samochodzie w szeregu dwie skrzynie biegów. Co gorsza manualne.

Opublikowano
W dniu 31.01.2020 o 00:16, Gonzus1989 napisał:

3 D wymontowany na stałe będzie wyłącznik pompki jedynie ,który będzie rozłączać po osiągnięciu bezpiecznej temp.

pompa podłogi powinna działać cały czas  a regulować temperaturą zasilania dlatego zamiast 4D i termostatycznego 3D  , sugerowałem 3Dz siłownikiem  , który  siłownik już jest

 

Opublikowano

Sam 3D odpada ze względu na gwarancje na kocioł.  - Musi być 4D ( ochrona powrotu )  

W tej chwili instalacja działa tylko z 4D . 

Opublikowano
4 minuty temu, Gonzus1989 napisał:

W tej chwili instalacja działa tylko z 4D . 

I tak powinno być od początku, tylko przełóż czujnik zaworu na zasilanie i reguluj temp na zasilaniu a nie powrocie, przy 60C na kotle i pompie kotłowej za zaw 4-D, powrót zawsze będzie ponad 50C

Opublikowano

Już jest OK - powrót mam OK. Zasilanie mam 65 , powrót 63 także jest ok. Dzięki Sambor za pomoc w temacie jest prawie tak jak powinno być . Aczkolwiek gdybyś mógł odpowiedzieć ( gdyby mogliście odpowiedzieć ) na pytania wyżej zadane 6,7,8 post wyżej ( tam gdzie zdjęcia dałem ) . 

Głównie chodzi o bulgotanie w momencie załączania się CWU . Być może to jeszcze przez to że naczynie jest na wysokości 2 metrów ,spróbuje dać 2,5 ,ale nie wiem gdyż do 4D zaworu ciśnienie jest chyba  ,brakuje go między 4d a pompą kotła . 

Gdy sterownik przekazuje informacje do CWU ,pompka się załącza i zaczyna się koncert w rurach co ciekawe na pompce przy biegu I  jest 1w  cały czas czyli nie ma obciążenia gdy dam II bieg jest 3w . Gdy ją odpowietrze ( druga opcja w pompkach wilo trwa 10 s ) pompka potrafi  po odpowietrzeniu wskazać na I biegu 6w czyli tak jak powinno być. Zastanawiam sie czy tam gdzieś nie jest problem . Chyba że wszędzie jest taki "start" po długim postoju CWU i bulgota. 

Opublikowano

Jeżeli pompę od CW masz na powrocie, a tak podałeś na rysunku to dziwię sie że nie wywala ci wody przez naczynie, pompa od CW do przeniesienia na zasilanie i będzie cisza!

Aby była cisza przy obecnej instalacji naczynie musi być ponad 2 nad rurami i bojlerem - raczej jest nie możliwe w twoim przypadku.

Weź ten koszmarny rysunek instalacji i zaznacz na nim innym kolorem gdzie są pompy i gdzie są zaw zwrotne - przez te wszystkie strzałki rysunek jest nieczytelny!

Opublikowano

CW jest wpięta w zasilanie. Za chwilę wrzucę coś lepszego. ( schemat) 

Opublikowano

Na szybkiego schemat 

schemat.jpg

Gość Digitrax
Opublikowano
Godzinę temu, Gonzus1989 napisał:

Sam 3D odpada ze względu na gwarancje na kocioł.  - Musi być 4D ( ochrona powrotu )  

W tej chwili instalacja działa tylko z 4D . 

Nie musi być 4D. W twoim przypadku to nie ten zawór zapewnia wysoką temperaturę powrotu ale pompa obiegu kotłowego.

Pomyśl co byłoby tańsze w wykonaniu i tak samo skuteczne:

1. pompa OP + pompa kotłowa + 4D

2. pompa OP + pompa kotłowa + 3D

Jeżeli działa tak samo to po co przepłacać i komplikować układ ...

Producenci a w ich imieniu autoryzowaniu serwisanci w wielu przypadkach są kolokwialnie mówiąc twardogłowymi niedouczonymi teoretykami. Ostatnio trafiłem na takiego, który twierdził, że bez 4D nie podbije gwarancji. Na powrocie były TZM na 55 stopni + pompa. Upierał się że to nie zadziała widząc naocznie, że jednak działa. Ręce opadają. Wymusiłem na nim, że jeżeli nie chce podbić gwarancji bo nie widzi 4D to niechaj to wpisze w karcie gwarancyjnej bym miał dowód na jego niewiedzę gdy biegły sądowy będzie oceniać jego teorie. Facet zmiękł.

 

Opublikowano
2 godziny temu, Gonzus1989 napisał:

Gdy ją odpowietrze ( druga opcja w pompkach wilo trwa 10 s ) pompka potrafi  po odpowietrzeniu wskazać na I biegu 6w czyli tak jak powinno być. Zastanawiam sie czy tam gdzieś nie jest problem

a zawór zwrotny dałeś tam gdzie pokazałem czy zaraz za pompą a tak właśnie przeczytałem instrukcje Twojego kotła i nigdzie nie pisze że MA  BYĆ 4D i koniec -4D to tylko opcja

A to wyciąg z instrukcji , a chyba po raz pierwszy spotkałem się z tak wysoką  60 *C - wymaganą temperaturą powrotu 

SEKO Z INSTRUKCJI.jpg

Zarchiwizowany

Ten temat przebywa obecnie w archiwum. Dodawanie nowych odpowiedzi zostało zablokowane.

  • Ostatnio przeglądający   0 użytkowników

    • Brak zarejestrowanych użytkowników przeglądających tę stronę.
×
×
  • Dodaj nową pozycję...

Powiadomienie o plikach cookie

Używając tej strony zgadzasz się na Polityka prywatności.