IGNOROWANY
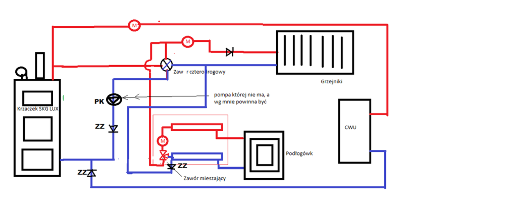
krzaczek Krzaczek SKG LUX poprawa instalacji
- Odpowiedz w tym temacie
- Ignoruj ten temat
- Czy wyłączyć ignorowanie tego tematu?
- Dodaj nowy temat
-
Ostatnio przeglądający 0 użytkowników
- Brak zarejestrowanych użytkowników przeglądających tę stronę.
-
Podobna zawartość
-
- 0 odpowiedzi
- 420 wyświetleń
-
- 148 odpowiedzi
- 27681 wyświetleń
-
Krzaczek SKP BIO Pellet Max Bardzo duże spalanie, Krzaczek SKP BIO Pellet Max Sterownik ecoMax920p1 KR 1 2
Przez pawel384,
- 31 odpowiedzi
- 6639 wyświetleń
-
- 1 odpowiedź
- 154 wyświetleń
-
- 1 odpowiedź
- 144 wyświetleń
-

Rekomendowane odpowiedzi
Dołącz do dyskusji
Możesz dodać zawartość już teraz a zarejestrować się później. Jeśli posiadasz już konto, zaloguj się aby dodać zawartość za jego pomocą.
Uwaga: Twój wpis zanim będzie widoczny, będzie wymagał zatwierdzenia moderatora.