Dawidos2016 Opublikowano 11 Lutego 2017 #1 Opublikowano 11 Lutego 2017 Witam wszystkich. Mam pytanie a mianowicie remontuje stary dom i instaluje tam ogrzewanie od nowa. Mam już zakupiony piec oraz bojler z wezownica wszystko już stoi na swoim miejscu pojawił się jednak problem.. Nad piecem w piwnicy mam tylko 20cm miejsca i tu nasuwa się pytanko czy mogę zasilaniem zjechać w dół aby podłączyć zawór mieszajacy? A następnie rurka iść w górę do rozdzielacza i dalej w górę do zbiornika wyrównawczego? Wiele o tym czytam i sam już nie wiem jak to zrobić jak będzie trzeba powklejam zdjęcia jak to wygląda w praktyce kolejnym pytaniem jest problem na który słyszę wiele odpowiedzi a mianowicie montuje na dole 5 grzejników + 3 podlogowki po około 50m jak myślicie zrobić to na jednym rozdzielaczu z jedną pompka na powrocie pieca czy może kupić rozdzielacz z grupą pompowa do podlogowki na 3 obwody i zrobić to osobno? Czekam na jakieś podpowiedzi. Wrócę z pracy to dodam schemat jak by to mogło wyglądać według mnie.
papasmurfek Opublikowano 11 Lutego 2017 #2 Opublikowano 11 Lutego 2017 Witam wszystkich. Mam pytanie a mianowicie remontuje stary dom i instaluje tam ogrzewanie od nowa. Mam już zakupiony piec oraz bojler z wezownica wszystko już stoi na swoim miejscu pojawił się jednak problem.. Nad piecem w piwnicy mam tylko 20cm miejsca i tu nasuwa się pytanko czy mogę zasilaniem zjechać w dół aby podłączyć zawór mieszajacy? A następnie rurka iść w górę do rozdzielacza i dalej w górę do zbiornika wyrównawczego?Jak cenisz swoje zdrowi to bron cie Panie Boże. Wychodzisz z kotła trójnikiem gdzie wyprowadzasz rurę do naczynia wzbiorczego a z drugiego wyjścia robisz sobie co chcesz.Co do podłogówki, to jeśli nie chcesz poprawiać to zrób oddzielny rozdzielacz z zaworem 3d i pompą i najlepiej sterowaniem pigodowym. A najlepiej to zrezygnuj z grzejników i zrób wszędzie OP. Wyjdzie taniej niż instalacja mieszana.
Dawidos2016 Opublikowano 11 Lutego 2017 Autor #3 Opublikowano 11 Lutego 2017 To wybacz nie dodałem że puszczam rurkę odrazu do zbiornika wyrównawczego. Co do podłogowki w całym domu to naprawdę niechce bylem u kuzynki w nowym domu gdzie ma tak zrobione i przekonałem się że nie jest to dla mnie żeby stopy mi się pocily w każdym pomieszczeniu. Dlatego u siebie chce tylko w przedpokoju,kuchni,łazience. W salonie jadalni i w pokojach chce mieć normalne ogrzewanie :) czyli mówisz że rurka do zbiornika a później rób co chcesz powiedz mi jeszcze czy na załamaniu rury zasilanoa która pójdzie w dół bo naprawdę niemam miejsca nad piecem i mieszacz muszę dać niżej powinienem dać odpowietrznik?
Dawidos2016 Opublikowano 11 Lutego 2017 Autor #4 Opublikowano 11 Lutego 2017 Odrazu dopisze tutaj że znajomy ma po mieszana podłogowe z grzejnikami na jednym rozdzielaczu i mu to grzeje i niema problemów z zapowietrzaiem czy innymi takimi rzeczami więc nie wiem w czym tu problem żeby montować tyle rozdzielaczy patrząc też na to że podłogowe u mnie będą miały gdzieś po 40m więc wcale nie tak dużo tak jak pisałem wrócę z pracy to wrzucę zdjęcie jak to będzie wyglądac i może wtedy ktoś mi jaśniej omówi sytuacje.
odpowietrznik Opublikowano 11 Lutego 2017 #5 Opublikowano 11 Lutego 2017 A co to za rodzaj zaworu mieszjącego i jaką funkcję ma pełnic?
Dawidos2016 Opublikowano 11 Lutego 2017 Autor #6 Opublikowano 11 Lutego 2017 4 drozny aby temp na powrocie była w granicach 50-55stopni
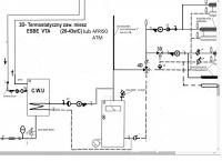
odpowietrznik Opublikowano 11 Lutego 2017 #7 Opublikowano 11 Lutego 2017 Nie uważam zaworu 4D za dobre rozwiązanie ale jeżeli koniecznie chcesz to są dwie opcje. Pierwsza obieg kotłowy działa(lub nie ;)) grawitacyjnie tu zawór musi być niestety nad kotłem.Sam zawór jak i rury w obiegu kotłowym o rozmiarze króćców wyjścia z kotła.Obieg jak najkrótszy,wskazane łuki zamiast kolan. Druga opcja to dodatkowa pompa w obiegu kotłowym,wtedy rury obiegu kotłowego jak i zawór 4D mogą być cieńsze powiedzmy 1" a sam zawór może być poniżej góry kotła bo obieg jest wymuszony pompą Hm.. 20cm to dużo)nie widzę problemu upchać tam 4D) Teoretycznie przy 3obwodach podłogówki (do 50m rury)każdy mogłbyś to zrobić na trzech RTL-ach. Ale lepiej zastosować termostayczny zawór mieszający np.ESBE VTA 320 lub odpowiednik Afriso ATM tylko tu będzie potrzebna dodatkowa pompa za 3D(załącznik #2)
Dawidos2016 Opublikowano 11 Lutego 2017 Autor #8 Opublikowano 11 Lutego 2017 Napisze ci tak 20cm to mało doliczajac do tego redukcję z 2 cali na cal dodać do tego trójnik z którego jedna rurka idzie do zbiorniczka wyrównawczego a na drugi koniec drugi trójnik gdzie pójdzie rozgałezienie na bojler i zasilanie domu niema szans tam upchac czegokolwiek próbowałem na sucho i naprawdę no nieda się. Jutro rano wkleje zdjęcie poglądowe z rozrysowanymi nitkami rurek i mi to ocenisz :)
Dawidos2016 Opublikowano 11 Lutego 2017 Autor #9 Opublikowano 11 Lutego 2017 A i niechce kombinować z obiegami kotlowymi i tym podobne. Tego mieszacza też miałem nie zakładać ale wielu znajomych mówi że pomaga i ze kocioł dłużej wytrzyma(ile w tym prawdy niewiem..)
odpowietrznik Opublikowano 11 Lutego 2017 #10 Opublikowano 11 Lutego 2017 Jak wyjście z kotła 2" to musi on być nie małej mocy)tym bardziej nie pchałbym się w zawór 4D tylko wg poniższego schematu-tu każdy obieg jest sterowany niezależnie(załącznik #1) Chyba że szukasz oszczędności wtedy ewentualnie kolejna propozycja,tataj ochronę powrotu zapewnia pompa CWU co wiąże się z tym że temp.wody w zasobniku równa się temp.wody w kotle(załącznik#2)
Dawidos2016 Opublikowano 11 Lutego 2017 Autor #11 Opublikowano 11 Lutego 2017 Ładnie mi to rozrysowales kolego ale ja myślę totalnie inaczej. Nie jestem w stanie Ci tego narysować teraz jutro ci wyślę jak ja to widzę i ocenisz szansę jak to może działać. A kocioł mam zasypowy miałowy górnego spalania 24kw.
odpowietrznik Opublikowano 11 Lutego 2017 #12 Opublikowano 11 Lutego 2017 Jaki duży dom i jak ocieplony?
Dawidos2016 Opublikowano 11 Lutego 2017 Autor #13 Opublikowano 11 Lutego 2017 Jeszcze nie ocieplony ale będzie elewacja styropianem 12. Dom na parterze około 70 metrów poddasze tak samo.
odpowietrznik Opublikowano 11 Lutego 2017 #14 Opublikowano 11 Lutego 2017 Po dociepleniu kocioł będzie dwukrotnie przewymiarowany=będą problemy
Dawidos2016 Opublikowano 11 Lutego 2017 Autor #15 Opublikowano 11 Lutego 2017 Powiem Ci tak kupiłem taki ze względu na zasyp. Nie wiem kiedy docieple dom bo puki co w nim nie mieszkam tylko samorobem go remontuje zaczynając od ogrzewania instalacji wodnej później wylewki i dopiero ściany i ocieplenie. Znajomy przy takim samym domu ma kocioł taki sam z tym że 15kw i nie wytrzymuje mu doby na zasypie. Mi zależy żeby wytrzymal na jednym zasypie dobę lub wiecej dlatego kupiłem większy piec. Na moje oko to lepiej żeby był większy niż za mały na ten dom. Umówmy się już tak żeby się nie przegadywac w kółko chociaż podoba mi się ta debata że, jutro wkleje zdjęcie i schemat jak ja to zaplanowem i to ocenisz i wtedy będziemy gadać. Do jutra :)
odpowietrznik Opublikowano 12 Lutego 2017 #16 Opublikowano 12 Lutego 2017 Wielkość zasypu nie jest kryterium doboru kotła.Kocioł dobiera się na podstawie zapotrzebowania budynku na ciepło.Chciałeś rzadziej dokładać było kupić kocioł z podajnikiem)wiem kosztuje ale albo rybki albo akwarium)
Dawidos2016 Opublikowano 12 Lutego 2017 Autor #17 Opublikowano 12 Lutego 2017 Dzień dobry wszytkim w te piekna niedziele. Kolega odpowietrznik zagwarantował mi porrana gimnastyke wiec wstałem poszedłem do drugiego domu i mierzyłem bardzo długo i tu teraz podaje konktetne fakty. Dom ma powiezchni ogrzewanej 95 metrów na parterze i poddasze bedzie takie samo ściany dośne grubosc 45cm z cegły dom jest z lat 70 albo wczesniej. wklejam ci nizej schemat obgadany z kilkoma znajomymi ktory narysowałem dokladnie tak jak mam w piwnicy i takbym chciał to zrobic podkreśle tu ze w lecie bede przepalał sobie drewnem na ciepłą wode jesienią bede przepalał w kominku 6kw z nadmuchem a dopiero wczesna zima kiedy to juz temperatury spadna dopiero bede palił na dom. Na schemacie na zasilaniu przed zaworem 4d bedzie zawór odcinający zasilanie na czas lata i paleniu w piecu tylko dla ogrzania wody użytkowej. wklejam schemat i prosze o ocene https://zapodaj.net/3782279dd7ec8.jpg.html
Gość Digitrax Opublikowano 12 Lutego 2017 #18 Opublikowano 12 Lutego 2017 Ten schemat jest zły. Ogrzewanie nie będzie działać.
sambor Opublikowano 12 Lutego 2017 #19 Opublikowano 12 Lutego 2017 wklejam ci nizej schemat obgadany z kilkoma znajomymi ktory narysowałem dokladnie tak jak mam w piwnicy i takbym chciał to zrobic podkreśle tu ze w lecie bede przepalał sobie drewnem na ciepłą wode jesienią bede przepalał w kominku 6kw z nadmuchem a dopiero wczesna zima kiedy to juz temperatury spadna dopiero bede palił na dom. Na schemacie na zasilaniu przed zaworem 4d bedzie zawór odcinający zasilanie na czas lata i paleniu w piecu tylko dla ogrzania wody użytkowej. wklejam schemat i prosze o ocene Ten schemat to powstał raczej podczas dużej imprezy, gdy wszystko widzi się na różowo a woda płynie tak gdzie ją o to poproszą. Jak pisał już kolega - schemat jest zły, jeżeli kocioł to typowy miałowiec to z mocą jest OK Dodatkowo schemat tego ustrojstwa, które trudno nazwać instalacją i na przyszłość proszę wklejać rysunki wprost do postu, a nie linki do innych serwerów.
Dawidos2016 Opublikowano 12 Lutego 2017 Autor #20 Opublikowano 12 Lutego 2017 Możesz mi go przerobić tak jak ty go widzisz oczywiście nie dodając do tego 3ch czy innej nie opisanej liczby pompek
Dawidos2016 Opublikowano 12 Lutego 2017 Autor #21 Opublikowano 12 Lutego 2017 Odrazu tutaj dodam że bojler jest oddalony od pieca o 80cm i jest delikatnie wyżej więc nie jest tam potrzebny montaż pompki. Na tym stanowisku schemacie narysowalem jak to w praktyce wygląda więcej miejsca niemam strop jest nisko
Gość Digitrax Opublikowano 12 Lutego 2017 #22 Opublikowano 12 Lutego 2017 Nie ma co tworzyć nowego rozwiązania. Na forum jest mnóstwo informacji i poprawne schematy nawet na jednej pompie.
Dawidos2016 Opublikowano 12 Lutego 2017 Autor #23 Opublikowano 12 Lutego 2017 Tak są. Z tym że ja pisałem na początku że niemam miejsca a chce założyć zawór mieszajacy dlatego tu pisze na rysunku narysowalem rurki dokładnie tak jak będą w domu czarna linia to jest strop. Powiedz mi teraz gdzie powinienem ten mieszacz założyć i czy wogole go zakładać.
sambor Opublikowano 12 Lutego 2017 #24 Opublikowano 12 Lutego 2017 Możesz mi go przerobić tak jak ty go widzisz Masz poniżej najprostszy schemat z 2 pompami, gdybyś miał bojler dwupłaszczowy to można by to zrobić na 1 pompie, ale w tym przypadku już nie Jak będą na obiegu kotłowym jakieś Z-ki to instalacja może nie działać prawidłowo na grawitacji. A swoją drogą to podstawowy schemat i jest tego na forum dużo nawet z zaleceniami co do miejsca montażu 4-D i długości rur w obiegu.
Dawidos2016 Opublikowano 12 Lutego 2017 Autor #25 Opublikowano 12 Lutego 2017 Bojler nie nagrzeje się grawitacyjnie? Na takim małym obiegu już muszę zakładać pompę?
Rekomendowane odpowiedzi
Zarchiwizowany
Ten temat przebywa obecnie w archiwum. Dodawanie nowych odpowiedzi zostało zablokowane.