jarekr Opublikowano 3 Lutego 2016 #451 Opublikowano 3 Lutego 2016 Naczynie przeponowe nie przejmuje ciśnienia , a to co się z cieczy rozszerzy ( do momentu wrzenia ) ,potem to już tylko zawór bezpieczeństwa , albo tak jak u Ciebie odpowietrzniki . one działają tak : dopóki jest ciecz to zamykają układ , ale jeśli cieć jest przegrzana ( tak jak u Ciebie ) to z cieczy zaczyna oddzielać się para . Czyli odpowietrzniki to "widzą ' tak jak by układ był zapowetrzony i wypuszczają gaz ( parę ) . Układ bardzo niestabilny. Proponuję zastosować dodatkową pompę równoległą do juz istniejącej z jakimś najtańszym sterownikiem oraz ups , na wypadek awarii, braku zasilania pierwszego układu . Ten układ awaryjny należy wysterować kilka stopni powyżej pierwszego układu , tak żeby załączał się naprawę awaryjnie , wtedy pompa nie musi być z górnej półki , bo zadziała albo i nie raz na kilka lat . Oczywiście układ awaryjny należy raz na kilka miesięcy przetestować .
sambor Opublikowano 3 Lutego 2016 #452 Opublikowano 3 Lutego 2016 Za dużo kombinacji z drugą pompą, drugim sterowaniem itd. UPS mam na 30h pracy całego CO 1000VA +24V / 320Ah a na dłużej agregat Hondę 6.5kVA
Gość Digitrax Opublikowano 3 Lutego 2016 #453 Opublikowano 3 Lutego 2016 Pewnego razu zachciało mi się spalić manualnie wrzucając na rusz trochę węgla który mi pozostał a nie nadawał się do podajnika. Posiadam kocioł Ling Combi 28 kW. Zasypałem komorę do pełna odpaliłem od góry ustawiłem miarkownik ciągu na 60 stopni. Kocioł się rozbujał i trzymał temperaturę. Poszedłem do pracy. Po kilku godzinach gdy córka wróciła ze szkoły dzwoni i mówi mi że w domu jest pełno dymu ale nie dusi ... Kazałem jej wyjść z domu i szybko tam pojechałem. Okazało się że ten dym to para wodna ! skąd takie ilości w domu nie tylko w kotłowni. Okazało się, że spadający popiół zablokował klapkę miarkownika, kocioł się rozbujał na max spalając pełen zasyp węgla. Temperatura była na tyle wysoka, że w zbiorniku CWU 400 litrów woda miała temperaturę blisko 100 stopni. Z obiegu wyparował mi cały zład. Manometr wskazywał zero ciśnienia ! W powietrze poszło około 250 litrów wody. Wszystko wyparowało poprzez przelew naczynia otwartego zakończony w kotłowni oraz fajkę odpowietrzającą na strychu. Naczynie otwarte ma pojemność 40 litrów i przyłącza Cu28. Fajka odpowietrzająca Cu12. Okazało się, że ciśnienie było tak wysokie, że rura przelewowa nie była w stanie odprowadzić pary ze względu na swą sporą odległość od kotła i większość poszła przez fajkę bo ta stawiała najmniejszy opór hydrauliczny. Pod naczyniem jest pokój. Para rozwaliła płytę gipsowo kartonowa na suficie. Ta drogą para znalazła się w całym domu. Całe szczęście, że nikogo nie było w tym pomieszczeniu. Kocioł wytrzymał bo to solidny żeliwniak. Instalacja także bo w większości jest miedziana. Jedyna zaleta to taka, że w kotłowni i w garażu maiłem wszystko wymyte od pary hehe. Uzupełnianie zładu mam podłączone do ciepłej wody ze zbiornika CWU. Zacząłem uzupełniać zład gorącą wodą, przez chwile na kotle było 120 stopni. Syczał jak parowóz ale szybko się uspokoił gdy układ się zalał w minimalnym stopniu aby ruszyć pompy. Temperatura spadła poniżej wrzenia. Grzejniki śmierdziały jak przegrzane żelazko. Martwiłem się o rury PEX ale WAVIN wytrzymał oraz TECE w podłodze. Po tej akcji przerobiłem układ. Naczynie otwarte przeniosłem nad kocioł do kotłowni. Podłączyłem osobno rurę bezpieczeństwa Cu35 i wznośną Cu28. Zainstalowałem wymiennik płytowy o mocy 30 kW, zamknąłem układ po stronie wtórnej i podłączyłem naczynie przeponowe. Wykonałem test gotowania, pomimo temperatury ponad 110 stopni nic złego się nie działo. Kocioł nawet nie barabanił jak w bębny, jedynie syczał a z fajki odpowietrzającej leciała para jak z czajnika. Po kilku minutach kocioł się wystudził sam za pomocą naczynia otwartego i rury wznośnej. Nastąpiła wymiana wody pomiędzy kotłem a naczyniem. Nadciśnienie wyrzucane z kotła poprzez rurę bezpieczeństwa spowodowało "wpychanie" chłodnej wody do kotła poprzez rurę wznośną. Nikt mnie nie przekona, że podłączenie jednorurowe kotła z naczyniem otwartym wystarczy. fakt zapewni to że nie rozerwie instalacji ale nie spowoduje wystudzenia kotła w takich przypadkach jak powyżej.
jarekr Opublikowano 3 Lutego 2016 #454 Opublikowano 3 Lutego 2016 No to dowaliłeś :) ups wystarczy na 6 godzin , więcej kocioł nie pracuje jeśli zasila bufor :)
jarekr Opublikowano 3 Lutego 2016 #455 Opublikowano 3 Lutego 2016 dzięki za te ostrzeżenie , bardzo pouczające , Nie znam się na tym ale admin może by wydzielił jakiś wątek na czerwono , UWAGA UWAGA O MAŁO CO NIE ROZWALIŁO NAM DOMÓW .
sambor Opublikowano 3 Lutego 2016 #456 Opublikowano 3 Lutego 2016 U mnie UPS jest do zasilania kotła na pellet , a ten pracuje całą dobę, a zaniki mam częste - zasilanie przez las, więc co mocniejszy wiatr to 15kV zrywa. Co do czasu pracy mojego DS-a to jest nie dłuższy na 1 załadunku niż 3 - 4h, ale później jest 8-12h rozładunku tego bufora a np w nocy agregatu nie ma kto pilnować, więc musi być UPS z długim czasem pracy
Odysss Opublikowano 14 Sierpnia 2016 Autor #457 Opublikowano 14 Sierpnia 2016 Witam, mam prośbę o pomoc w przerobce ukladu na prawidlowy. Wyzej w postach jest zdjecie z kotlowni, schemat obecnie mniej wiecej tak wyglada i ten uklad nie dziala jak trzeba: Mial byc bufor, ale nie mam zbytnio mozliwosci wstawienia go. Dolna czesc musze i tak przerobic, gdyz dolana posadzka zostala i plytki, kociol jest ok 4cm wyzej od rury powrotu. Prosze o wszelkie pomysly w jaki najprostszy sposob mozna to przerobic by dzialalo, zawor 4d zastapic 3d? Dziekuje
sambor Opublikowano 14 Sierpnia 2016 #458 Opublikowano 14 Sierpnia 2016 Na początku tego tematu wszystko zostało już powiedziane i co tu więcej pisać - zaw 4-D wymienić z 1 na 6/4 + takie rury i podłogówkę wpiąć za zaw 4-D. W tym układzie nic więcej nie wymyślisz . Można zamiast zaw 4-D dać sprzęgło z pompą na powrocie + osobne zawory 3-D i pompy na grzejniki i podłogę.
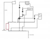
odpowietrznik Opublikowano 14 Sierpnia 2016 #459 Opublikowano 14 Sierpnia 2016 Witam, mam prośbę o pomoc w przerobce ukladu na prawidlowy. Wyzej w postach jest zdjecie z kotlowni, schemat obecnie mniej wiecej tak wyglada i ten uklad nie dziala jak trzeba: schemat_podgladowyA.jpg Mial byc bufor, ale nie mam zbytnio mozliwosci wstawienia go. Dolna czesc musze i tak przerobic, gdyz dolana posadzka zostala i plytki, kociol jest ok 4cm wyzej od rury powrotu. Prosze o wszelkie pomysly w jaki najprostszy sposob mozna to przerobic by dzialalo, zawor 4d zastapic 3d? Dziekuje 1)Powrót z zasobnika powinien być wpięty na powrocie do kotła przed samym kotłem.2)Zawór 3D od podłogówki powinien być za zaworem 4D (rura zasilająca na podłogówkę pomiędzy 4D a pompą na grzejniki 3)Zbyt duży górny pułap temperatury zaworu 3D na podłogę taki stosuje się do CWU powinien być 20-43 4)Jak najkrótszy obieg kotłowy i jak najmniej w nim kolan przy tym 4D 6/4 5)Zawory zwrotne za pompami
Odysss Opublikowano 14 Sierpnia 2016 Autor #460 Opublikowano 14 Sierpnia 2016 Przerysowalem schemat wg Waszych wskazowek. Ogolnie nie jestem zadowolony z tego zaworu 4D, wg mnie nie zapewnia on prawidlowej ochrony powrotu kotla, w zasadzie trzeba by nim ciagle recznie sterowac co jest praktycznie niewykonalne, (rura powrotu w zasadzie zimna byla). Czy pompa od CWU nie bedzie przez niego wyciagala wody ? Moze jednak budowac uklad z pompa na powrocie ? Wpiecie powrotu z zasobnika blizej kotla co w zasadzie daje ?
sambor Opublikowano 14 Sierpnia 2016 #461 Opublikowano 14 Sierpnia 2016 Ten schemat jest zły - powrót podłogówki mysi być wpięty tak jak powrót grzejników, a nie wprost do powrotu kotła. Obieg kotłowy musi być krótki , wykonany na dużych średnicach - 6/4", albo pompa na powrocie z obecnego zaworu 4-D do kotła. Wydaje się, ze pompa będzie tańsza.
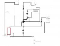
odpowietrznik Opublikowano 14 Sierpnia 2016 #462 Opublikowano 14 Sierpnia 2016 Przerysowalem schemat wg Waszych wskazowek. schemat_podgladowyB.jpg Ogolnie nie jestem zadowolony z tego zaworu 4D, wg mnie nie zapewnia on prawidlowej ochrony powrotu kotla, w zasadzie trzeba by nim ciagle recznie sterowac co jest praktycznie niewykonalne, (rura powrotu w zasadzie zimna byla). Czy pompa od CWU nie bedzie przez niego wyciagala wody ? Moze jednak budowac uklad z pompa na powrocie ? Wpiecie powrotu z zasobnika blizej kotla co w zasadzie daje ? Źle wpięty powrót z obiegu podłogowego.Powinien być wpięty w powrót z obiegu grzejnikowego do zaworu 4D Sami był szybszy ten refleks ;)
Odysss Opublikowano 14 Sierpnia 2016 Autor #463 Opublikowano 14 Sierpnia 2016 Dzieki Panowie, OK teraz? W tej chwili obieg krotki to rura miedziana 1" lepsza stalowka 6/4? Sambor, czyli ewentualnie pompa na powrocie i zawor 4d 1" ten ktory mam dalby rade? Gdzies widzialem ze zasobniki CWU w ogole bez pompy dzialaja wpiete przy kotle -nie wiem czy taki uklad bylby sprawny?, wowczas ta pompa mogla by byc na powrocie? Jeszcze jedna sprawa na marginesie czy miedz z aluminiakami mocno sie gryzie? zdejmowalem grzejniki i powiem ze woda bardzo pomaranczowa :/
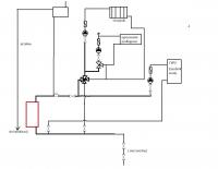
sambor Opublikowano 15 Sierpnia 2016 #464 Opublikowano 15 Sierpnia 2016 Coś takiego jak poniżej, tylko dodatkowo za każdą pompą musu być filtr skośny, jeden na całą instalację nie wystarczy. Jak wiesz zawór 4-D jest rozwiązaniem częściowo ułomnym - nie można jednocześnie ustawiać temp na odbiory i na kocioł - tylko albo jedno, albo drugie. Lepszym rozw jest zaw 3-D z pompą na powrocie + sprzęgło.
odpowietrznik Opublikowano 15 Sierpnia 2016 #465 Opublikowano 15 Sierpnia 2016 Coś takiego jak poniżej, tylko dodatkowo za każdą pompą musu być filtr skośny, jeden na całą instalację nie wystarczy. Jak wiesz zawór 4-D jest rozwiązaniem częściowo ułomnym - nie można jednocześnie ustawiać temp na odbiory i na kocioł - tylko albo jedno, albo drugie. Lepszym rozw jest zaw 3-D z pompą na powrocie + sprzęgło. Przed
Odysss Opublikowano 15 Sierpnia 2016 Autor #466 Opublikowano 15 Sierpnia 2016 Ok, dzieki za wersje 4D, czy wersja 3D tak miala by wygladac?
sambor Opublikowano 15 Sierpnia 2016 #467 Opublikowano 15 Sierpnia 2016 Tak, ten zaw 3-D na powrocie najlepiej termostatyczny - jak dla węgla to 50C , a dla drewna 55C - 60C
Gość Digitrax Opublikowano 15 Sierpnia 2016 #468 Opublikowano 15 Sierpnia 2016 Filtry masz odwrotnie i postaraj się je zainstalować sitkiem do dołu. Dodatkowo zawór kulowy za zaworem 3D w obiegu podłogówki dałbym przed zawór 3D. Odpowietrznik na wężownicy zbiornika CWU także potrzebny i za pompa grzejników jak za pompą CO.
Odysss Opublikowano 4 Października 2016 Autor #469 Opublikowano 4 Października 2016 Witam, mała aktualizacja. Ostatecznie padło na wersję 4D bez pompy na powrocie -głównie ze względów ekonomicznych. Podziękowania dla wszystkich użytkowników zaangażowanych w temacie, a w szczególności dla Sambora. Po przeróbkach jeszcze nie miałem okazji na długie testy, ale jest sprawa -temperatura spalin na wyjściu z czopucha. Pisaliście że u Was ta temperatura nie jest tak wysoka. U mnie oscyluje w okolicach 300stopni. Dużo energii idzie w komin niestety :(
sambor Opublikowano 4 Października 2016 #470 Opublikowano 4 Października 2016 Jak działa to bobrze, Wysoką temp spalin zmniejszysz przez : Prawidłowej regulacji PP i PW wstawienie zawirowywaczy do wymiennika montaż regulatora ciągu kominowego Ja polecam RCK PS Zobacz teraz na zdjęcie z postu 1 - jest różnica :)
odpowietrznik Opublikowano 4 Października 2016 #471 Opublikowano 4 Października 2016 Ten kocioł pracuje w układzie otwartym?
Odysss Opublikowano 4 Października 2016 Autor #472 Opublikowano 4 Października 2016 Tak, jest to układ otwarty. Różnica jest w instalacji -zakładamy że teraz jest tak jak powinno być, jednak praca kotła nie zmieniła się. W instrukcji podają zapewnić temperaturę wody powrotnej nie niższej jak 60 stopni. Podam rozkład temperatur, ocencie sami. Temp. na kotle(fabryczna) temp. wyjścia oC temp. powrotu oC temp. spalin oC 100-105 67 50 300 110 72 53 300 115 76 55 315 120 81 59 330 Kocioł przy 1. już zaczyna jęczeć na środku, przy 2,3, 4 jest poprostu głośniej, słychać pęcherze powietrza na pompkach. Czy to jest normalna praca? bo jak inaczej pociągnąć kocioł do wyższej temperatury, do temperatury minimalnej powrotu jeśli się zamknie PP? Dlaczego zegar fabryczny pokazuje 120 stopni ? a woda ma 80 -różnica aż 40stopni ! Dodam że mam szyber który jest całkowicie zamknięty (oczywiście ma on prześwit, oryginalnie zrobiony). Zawirowacze kocioł ma w sobie fabryczne. Czy ten szyber powinienem uszczelnić ? (RCK nie będę póki co wstawiał) bo może ten ciąg wciąż jest za duży ?
odpowietrznik Opublikowano 4 Października 2016 #473 Opublikowano 4 Października 2016 To co robi ten zawór kulowy 1" na rurze bezpieczeństwa?
sambor Opublikowano 4 Października 2016 #474 Opublikowano 4 Października 2016 Jak mierzysz te temperatury? wody i spalin. Może trzeba przestawić zaw 4-D. Jeżeli nie palisz na potrzeby bufora lub przy -20C, to nie ma potrzeby ustawiać na miarkowniku więcej niż 60C, nawet jak przeciągnie do ok 70C to wystarczy, powrót około 50C-55C Jak masz wyczystkę w kominie to uchyl jej drzwiczki podczas palenia - taka namiastka RCK, zobaczysz czy coś się zmienia. Ponadto musi być odbiór ciepła. A próbowałeś zmniejszyć dyszę w kotle?
Odysss Opublikowano 4 Października 2016 Autor #475 Opublikowano 4 Października 2016 Tak, Odpowietrznik masz całkowitą rację, nie powinno go być. Temp wody- czujniki cyfrowe + analog na zasilaniu. Błędy pomiarowe są raczej niewielkie. Temp spalin, termometr, tam w którymś poście wyżej mam zdjęcie -post 425 Rozmawiamy i oceniamy kocioł Kalvis czy nie jest to jednak bubel ? Zawór 4D na max otwarty na instalacje. Wiadomo że nie ma sensu ciągnąć kocioł wysoko, ale chciałem go sprawdzić, poza tym rozgrzewam dom. Odbiór w sumie jest, bo temp zasilania i powrotu jednak różni się o 20stopni. W środku jeszcze sauny nie mam, na dole dopiero osiągnąłem 20stopni, góra cieplej 23. Na podłogówke daje 45stopni i to nie wiem czy nie za dużo. Przy 60 na wyjściu, powrót ok 45 stopni będzie miał tylko, a producent wyraźnie mówi minimum 60 ;) Więc jak to zrobić skoro kocioł szumi na środku i te pęcherze powietrza ? Spróbuje jeszcze z otwartą wyczystką co się będzie działo.
Rekomendowane odpowiedzi
Zarchiwizowany
Ten temat przebywa obecnie w archiwum. Dodawanie nowych odpowiedzi zostało zablokowane.