-
Postów
32947 -
Dołączył
-
Wygrane w rankingu
512
Typ zawartości
Forum
Wydarzenia
Blogi
Artykuły
Treść opublikowana przez sambor
-
Sama nazwa claszamo znaczy po węgiersku "moja klasa" nazwa w połączeniu z lokalizacją całkowicie na miejscu
-
Modernizacja instalacji co Niskie przepływy w podłogówce.
sambor odpowiedział(a) na Bob82 temat w Instalacje CO i CWU
W stronę źródła ciepła, aby 3-D zimną wodę brał z powrotu podłogówki -
Modernizacja instalacji co Niskie przepływy w podłogówce.
sambor odpowiedział(a) na Bob82 temat w Instalacje CO i CWU
Dobrze myślisz Podłogówki pracują na wodzie z własnego powrotu dodając tylko tyle z kotła aby była zadana temp -
Modernizacja instalacji co Niskie przepływy w podłogówce.
sambor odpowiedział(a) na Bob82 temat w Instalacje CO i CWU
Nie ma takiego parametru jak moc wymiennika, weź co ci pasuje. Im większa powierzchnia wymiany, tym lepsze oddawanie ciepła. Ten 50 płyt / 65kW będzie dobry. -
Modernizacja instalacji co Niskie przepływy w podłogówce.
sambor odpowiedział(a) na Bob82 temat w Instalacje CO i CWU
Rury PP40 wystarczą, rury miedziane to max Cu28. Wymiennik - tak o 50% większy - czyli z 50 płyt, handlowo do 60kW, ale wymiennik musi być dobrze zaizolowany, więc albo kup z izolacją - droga opcja, albo po montażu i sprawdzeniu że nie cieknie owiń go wełną mineralną lub oklej styropianem, styropian lepszy, gdyż nie chłonie wilgoci. Rury też poizoluj, szkoda strat ciepła. -
Modernizacja instalacji co Niskie przepływy w podłogówce.
sambor odpowiedział(a) na Bob82 temat w Instalacje CO i CWU
To wygląda jak instalacja całkowicie "składkowa" - montowana z tego co było pod ręką. Największy problem to za mały wymiennik - on stawia za duży opór i stąd są za małe przepływy w podłogówce, ponadto trzeba wymienić co się da z rur PP32 na PP40 , zmienić lokalizację zaw zwrotnego na powrocie podłogówki i inne drobne- zaznaczyłem to na rysunku. Jakby nadal było mało z przepływami , to trzeba zmienić za 3-D z Kvs 3,2 na Kvs 4,2-4,5 Ale najpierw wymiennik i rury. -
Opory zależą od prędkości przepływu, a ta jest największa w najwęższym miejscu. I może dokończę - bo rok się kończy - opory rosną z kwadratem wzrostu prędkości wody w rurze ( otworze). Jaka jest prędkość dopuszczalna w rurze 1" stalowej to wiadomo z materiałów projektowych - nie więcej niż 1m/s, autor tematu marzy aby w instalacji płyneło 1920l/h ( 2 x2 x8 x 60) co dla rury 1"daje ok 0,99m/s - czyli rura 1" teoretycznie jest na styk. Należy znaleźć lokalne przewężenie, które blokuje przepływ - albo w zaw z filtrem na wylocie z bufora, albo jak Andrzej proponował w mufie 5/4" na szczycie bufora. Bez rzetelnej wizji lokalnej więcej nic nie ustalimy. Możliwe, że są duże opory rozdzielaczy, ale to tylko możliwe. Możliwe, że pompy skośnookie są takie jakie są Możliwe, że gdzieś się jakieś kolanko przytkało ( wada odlewu, sam takie miałem) Nowy Rok czeka, muszę iść - Wszystkiego Najlepszego dla Forumowiczów.
-
Nie wiemy w którym miejscu spiełeś, a obecny układ jest i tak zły, więc przerób go np wg mojego schematu. Dla mnie możesz z bufora dać 1"- jest to na styk przy przepływach, które chcesz osiągać, więc ja dałbym już z 5/4". Nie zapominaj, że masz jeszcze pompę trzecią do garażu - ona też będzie ciągła. Najprawdopodobniej jest źle policzona podłogówka - albo za długie pętle albo za duży rozstaw, albo dom jeszcze nie ocieplony. W nowym, ocieplonym domu prawidłowe przepływy to nie więcej niż 1,2-1,5l/min.
-
-
Weź przynajmniej ty nie bredź - kartka, ołówek , narysuj co komu pcha i co gdzie wzrasta ?
-
Duże szumy grzejników jak włącza się piec gazowy
sambor odpowiedział(a) na niko9999 temat w Instalacje CO i CWU
Taki zawór zmniejsza przepływ, więc szumy się zmniejszą, ale prawidłowo to powinno się wyregulować zaworami na grzejnikach -
Duże szumy grzejników jak włącza się piec gazowy
sambor odpowiedział(a) na niko9999 temat w Instalacje CO i CWU
Po co takie kombinacje, jak nie można wyregulować grzejników, w co niezbyt wierzę. Można dać zaraz za kotłem zawór nadmiarowo upustowy różnicy ciśnień i nim wyregulować przepływ w instalacji. -
Czyli farelką, widziałem taki defrost, nawet działało!
-
Tu macie przykład wykonania układu do odsiarczania baterii 12V https://320volt.com/en/advanced-battery-repair-circuit-desulphator/
-
Modernizacja instalacji co Niskie przepływy w podłogówce.
sambor odpowiedział(a) na Bob82 temat w Instalacje CO i CWU
Sam widzisz, że nie bardzo wiesz jak to objaśnić, rysunek to podstawa, ale musisz na nim zaznaczyć wszystkie elementy - zawory, zawory zwrotne, filtry czy inne mniej lub bardziej potrzebne bzdety. -
A mają?
-
Jak szaleć z kasą, to szaleć!
-
Duże szumy grzejników jak włącza się piec gazowy
sambor odpowiedział(a) na niko9999 temat w Instalacje CO i CWU
Daj foto tych oznaczeń -
Duże szumy grzejników jak włącza się piec gazowy
sambor odpowiedział(a) na niko9999 temat w Instalacje CO i CWU
Sprawdź czy masz na zaworach ( pod głowicami termo) regulację nastaw wstępnych -
Duże szumy grzejników jak włącza się piec gazowy
sambor odpowiedział(a) na niko9999 temat w Instalacje CO i CWU
Ile tych grzejników jest? -
Zawór zwrotny jest potrzeby w miejscu napełniania instalacji i w miejscu doprowadzenia zimnej wody do bojlera ( przed naczyniem przeponowym bojlera) z resztą tam są narysowane.
-
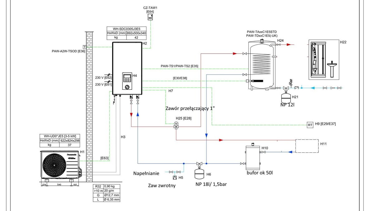
Rozumiem, tylko ta pompa w obecnych cennikach jest w cenie Panasa - ponad 20k. Poniżej schemat Panasa z opisanym ważnymi elementami inst hydraulicznej
-
A w dokumentacji pompy ciepła nie masz instrukcji jak to podłączyć? W twoim przypadku jest schemat typowy- jeden obieg grzewczy, grzanie bojlera i to wszystko. Rozumiem, że zasilanie studnia to do napełniania obiegu w wodę.
-
Raczej najtrudniej
-
Kocioł Viessmann vitodens 100-w 19 kw i podłogówka
sambor odpowiedział(a) na Jarek08 temat w Kotły gazowe
Masz rury PP32 i to nie jest 1", gwinty mają 1", ale w środku jest sporo mniej - 21-22 mm, zaleznie od typu rury. Tak, idzie o sterowanie pogodowe temp wody w kotle
