-
Postów
32951 -
Dołączył
-
Wygrane w rankingu
514
Typ zawartości
Forum
Wydarzenia
Blogi
Artykuły
Treść opublikowana przez sambor
-
Wielkośc bufora sam określisz wiedząc że z 1000l nagrzanych do 85C wyciągniesz ok 50kWh.
-
Poprawność instalacji kocioł zasypowy + kondensta + grzejniki
sambor odpowiedział(a) na ldonut temat w Instalacje CO i CWU
Przyjąłeś moc grzejników 24kW, a podłoga to pies? Przecież ona też grzeje i moc się raczej nie sumuje, tylko od całkowitego zapotrzebowania na moc odejmujesz moc podłogówki i będzie moc grzejników. Ponadto przy tak dużych mocach może być potrzebne jednak sprzęgło. Twoje rozumowanie wynikło ze źle przedstawionego problemu - brak danych o domu. W inst ze sprzęgłem zaw regulacyjne nie będą potrzebne - ich rolę przejmą nastawy na belkach i nastawy pompy od CO i nastawy wstępne na grzejnikach. -
Poprawność instalacji kocioł zasypowy + kondensta + grzejniki
sambor odpowiedział(a) na ldonut temat w Instalacje CO i CWU
Jak ma być nowe to warto to policzyć co i jak i dobrać wg obliczeń i nowego kotła. Tak wyrywać z kontekstu nie da rady. Policz moc grzejników, dobierz je do temp zasilania ok 55C i dopiero wtedy dobieraj kocioł, a nie tak od d...y strony. -
Poprawność instalacji kocioł zasypowy + kondensta + grzejniki
sambor odpowiedział(a) na ldonut temat w Instalacje CO i CWU
No jak założyłeś 23C w domu , to trzeba brać za odpowiedzialność. Dla 20C będzie mniej niż 23 - 26kW i taki kupuj. Na moc minimalną kotła nie patrz, gdyż w twoim przypadku to bzdet. Warto ocieplić podłogę na strychu - wełna 15cm z rolki rozwinięta po całości podłogi zmniejszy zapotrzebowanie na ciepło o ok 10% - moim zdaniem warto. Z tym wzorem jest OK, ale to tylko przy konkretnych założeniach, jak zrobisz założenie że zamiast 15C będzie 20C to wszystko będzie OK. Jak planujesz całą nową instalację to takie wyliczenie ma sens, jak kocioł dostawiasz do istniejącej to musisz grać , tym co masz . Dawniej grzejniki były dobierane dla delty T=20C i dla tego założenia i mocy 24kW przepływ wynosi ok 1033l, Patrząc na charakterystyki pomp w kotłach dużo lepiej wychodzi Termet 25kW, mogący dać bez problemu przepływ przy delcie =15C -
Poprawność instalacji kocioł zasypowy + kondensta + grzejniki
sambor odpowiedział(a) na ldonut temat w Instalacje CO i CWU
Daj linka z tych obliczeń , Na cieple właściwym zawsze wychodzi źle, a autor nie chce już tego poprawiać. Po prostu są błędy założeń strony i błąd twojego myślenia. -
A jednocześnie polecasz całkiem co innego niż moje propozycje. Tu spytam - czy wiesz jakie są straty na przesyle z kotła do typowej instalacji odbiorczej w domku jednorodzinnym?
-
Timon ty się mnie nie czepiaj - wystarczy zmierzyć temp spalin na wylocie kotła, oczywiście przy tej samej mocy kotła mniejszego i większego tego samego modelu. Te dane co czasem podaję, były też na podstawie materiałów Viessmana, które po kolejnej awarii kompa gdzieś mi wcieło. Znajdę to przedstawię..
-
Poczytaj instrukcję takiego kotła , lub wpisz w necie SCB-10. Kocioł jest w stanie obsłużyć do 4 obiegów grzewczych, Powodzenia
-
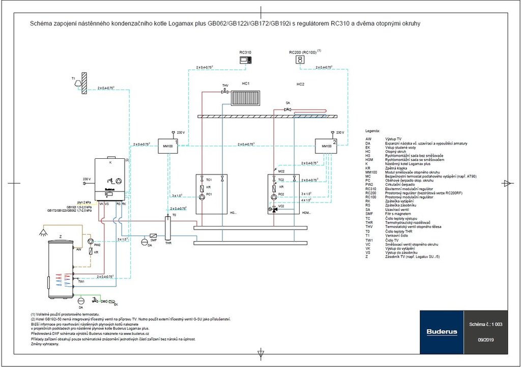
Kocioł ma na pewno sterowanie czujnikiem temperatury zewn! Poniżej schemat jak powinien być wykonany układ hydrauliczny - przepraszam że po czesku, ale polski buderus oficjalnie nic nie ma na temat tego kotła, więc jak mają go podłączać. Na rysunku są podane nawet kable co i jak ma być połączone. Moduł RC310 jest nowszą wersją RC300, i może być stosowany zamiennie. Na schemacie są grzejniki i podłogówka, ale druga podłoga zamiast grzejników to nie problem Jak widać czujnik pogodowy jest i ma się dobrze
-
Naczynie wpięte na powrocie, przed samym kotłem. Producentów jest wielu - np Reflex lub Flamco.
-
Naczynie 12l, filtry najlepiej skośne , bez inhibitora - po co on? Inhibitor daje się jak są np grzejniki alu i rury Cu, a tu tylko podłogówka z PEX. Rura miedziana Cu28 wystarczy spokojnie dla przepływów do 1,8l/min, nawet do 2l da radę, tylko po co aż tak duże.
-
Oj cienko to widzę! Np parter - pom 4- kuchnia z jadalnią potrzebuje 1865W dla powierzchni 23,4m2 - to daje prawie 78W/m2 - chłopie kto tyle z podłogi wyciągnie? jeszcze przy takim rozstawie , panelach i 2 pętlach!
-
O tych pompach kolega berthold61 już o kilku lat pisze - wiercona, pozioma, kopana, split ,- ot taki pompiarz gawędziarz i nic nie wychodzi, tylko popiół z kotła wynosi.
-
Tak o 0,5 bar wyższe.
-
Z tymi 105 litrami to to idzie o to że woda w instalacji po podgrzaniu się rozszerza a naczynie w kotle służy do kompensacji tego rozszerzenia wody. Jeżeli jest większa instalacja to musi być na powrocie przed samym kotłem dodatkowe naczynie o takim samym ciśnieniu. Pojemność tego dod naczynia to ok 10-12l. Pompa z pojemnością naczynia nie ma nic wspólnego. Rury faktycznie jak kolega zwrócił uwagę mało - pewnie rozstaw 15 lub nawet 20cm.
-
Jak na leżąco to trzeba przeliczyć wysokość gdyż może być problem z postawieniem bufora
-
Przy takim zapotrzebowaniu na ciepło należy się dobrze zastanowić nad sensem bufora, który zmieści energię cieplną na 4-5 h
-
Dom bez problemu może tyle potrzebować, ba nawet więcej. Stara konstrukcja, cienkie ściany bez izolacji , jak nic daje te 150W/m2.
-
Nie jest potrzebny jego rolę przejmuje sprzęgło
-
Dom w Felicjach 2G2 280m2 piec na pelet jaki?
sambor odpowiedział(a) na Padrino temat w Kotły pelletowe
Pellet jest tylko żródłem ciepła sterowanie to osobna sprawa niezależna od zródła -
Dom w Felicjach 2G2 280m2 piec na pelet jaki?
sambor odpowiedział(a) na Padrino temat w Kotły pelletowe
Przeczytaj post 129 i sam nam odpowiedz. -
Dom w Felicjach 2G2 280m2 piec na pelet jaki?
sambor odpowiedział(a) na Padrino temat w Kotły pelletowe
Ciekawe pytanie, też jestem ciekaw jak z tym "pelletowym komfortem" -
Rzeczoznawcę na pewno znajdziesz tu https://www.inzynier.rzeszow.pl/ Zadzwonić, przedstawić problem - dadzą kontakt do fachowca, który sprawdzi kocioł a jak trzeba to nawet do biegłego sądowego z danej branży.
-
Przede wszystkim zgłosić do firmy Viessman , opisać sytuację - oni powinni się ustosunkować do swojego "serwisu". Ponadto warto sprawdzić stan obecny naczynia przeponowego i ciśnienie w nim. Ciśnienie łatwo jest sprawdzić manometrem do kół samochodowych, a stan ogólny - optycznie - czy są wycieki wody z kotła lub naczynia. Wszystko zależy od decyzji firmy "matki", jest jeszcze ochrona konsumenta, która jest niezłym straszakiem. Powodzenia
-
Termostatyczne zawory mieszające Afriso na Esbe
sambor odpowiedział(a) na grzegorz818 temat w Instalacje CO i CWU
Esbe ma bardzo podobną konstrukcję , moim zdaniem ta praktycznie to samo. Większe kłopoty z Afriso biorą się z ich powszechności , a niższa cena jest efektem -"cos za cos" Ale Esbe nie jest idealne np u mnie VTA522 na obiegu CW, ciągle zarasta kamieniem, choć raczej to wina wody
