-
Postów
32951 -
Dołączył
-
Wygrane w rankingu
514
Typ zawartości
Forum
Wydarzenia
Blogi
Artykuły
Treść opublikowana przez sambor
-
Kolega robin60 zaproponował dla odmiany płetwy na wycieczkę w góry I też dobrze Wiadomo że na tym forum kipi= robin60
-
Instalacja CO w warsztacie bez bieżącej wody
sambor odpowiedział(a) na stepniu27 temat w Instalacje CO i CWU
-
Kabel od pompy powinien schodzić do dołu- trzeba obrócić sam korpus pompy o 180st i będzie OK.
-
Tak , da się , kiedyś liczyliśmy - wyniki są na forum. W moim kotle dobry pellet to ok 4-4,1kW/kg, ten którym palę obecnie jest słabszy - ale należy pamiętać że u mnie kocioł oddaje ciepło nie na instalację , tylko na bufor., który dużo lepiej odbiera ciepło od kotła niż instalacja wprost. Wszelakie próby sprawności kotłów są wykonywane na bufor.
-
Schemat musi być w dokumentacji modułu MZ100 Która dioda miga? - są dwie
-
Wymiana kotła węglowego na kocioł gazowy
sambor odpowiedział(a) na lukaszlukasz temat w Kotły gazowe
Z tym że wielorodzinny to także seregowiec lub piętrowy z inną rodziną. -
Tu nic się nie wymyśli, tylko portki krzyżowe - czekać do wiosny i zrobić to porządnie. Wody całej nie trzeba spuszczać, tylko tyle aby była poniżej końca rur, ponadto zamykając pozostałe zawory przyłączającej nie ruszasz wody z grzejników .
-
Duża ilość startów palnika, duże spalanie junkers cerapur modul zbs 22
sambor odpowiedział(a) na Lolnox temat w Kotły gazowe
Temperatura powierzchni podłogi ma mało wspólnego z temp wody zasilającej tą podłogę, oczywiście temp wody musi być wyższa niż temp podłogi. Można tak ustawić podłogówkę aby przy temp zasilania np 42-45C temp powierzchni nie przekraczała 29C. 45C to max zalecana temp zasilania podłogówki.- 21 odpowiedzi
-
- 1
-
-
Ile spala to nieważne, ważne ile ciepła z tego spalenia otrzymuje dom. Przy -19C/ -17C mój domek (300m2 po podłogach) brał średnio wg wskazań ciepłomierza ok 9,8kW , wynik bez grzania CW. Wychodziło trochę ponad 30kg pelletu., w domu 21-22C
-
Ciekawe! W innej publikacji podawano że Szwecja ostatnio ratowała się przed niedoborem en elektrycznej pobierając prąd z Polski! Jakby nie mogli od Norwegii brać.
-
Tu trzeba porównać wydatek pompy z potrzebami instalacji Jak pompa w kotle nie wyrabia to powinno być sprzęgło
-
Sterowanie ogrzewaniem podłogowym oraz bufor w instalacji
sambor odpowiedział(a) na figrobster temat w Instalacje CO i CWU
@klepa86 odbierz priv.- 44 odpowiedzi
-
Junkers będzie lepszy. Moc minimalna będzie miała znaczenie- trzeba jak najmniejszą.
-
A ile to w kW?, wiem że % są w zimie najważniejsze, ale moc,moc się liczy!
-
Sterowanie ogrzewaniem podłogowym oraz bufor w instalacji
sambor odpowiedział(a) na figrobster temat w Instalacje CO i CWU
Jak jest dobrze policzona podłogówka to nie ma bata musi działać, chyba że: inwestor na etapie wykonania robi oszczędności - daje styropian 8cm zamiast 2x8, przecież na FM mu napisali że 8cm wystarcza, nie trzyma się rozkładu rur, bo on sam lub hydraulik wie lepiej - Panie ja robię całe lata i daję zawsze co 20cm, po co co 10cm? oszczędza na armaturze - tani zaw 3-D o Kvs 1,6 będzie tak samo działał jak policzony z Kvs -4,5 - bo tak mu na Alle... sprzedawca powiedział. oszczędza na rurach - wypowiedź hydraulika 2 wiersze wyżej wstawia nie takie pompy jak zalecone - miałem takie w piwnicy Nie będę pisał już o nagłej zmianie kotła - bo promocja! Ponadto ważnym elementem podłogówki jest wykończenie podłogi - tu naprawdę można dużo zepsuć. To co napisałem nie są to moje wymysły, tylko przypadki wzięte z mojego życia jako wykonawcy instalacji w realu jak i na papierze.- 44 odpowiedzi
-
Najważniejszym urządzeniem w domu jest TV AMOLED/OLED 65" 4K (8K) i to na niego trzeba zebrać kasę.!!!
-
Wszystko jest OK. Po prostu fizyka.
-
Ogrzewanie gazowe mieszkania w kamienicy 100m2
sambor odpowiedział(a) na hordej temat w Instalacje CO i CWU
Tu trzeba przeliczyć moce na przepływy i do tego dobrać rury, tak aby przenosiły potrzebną moc. -
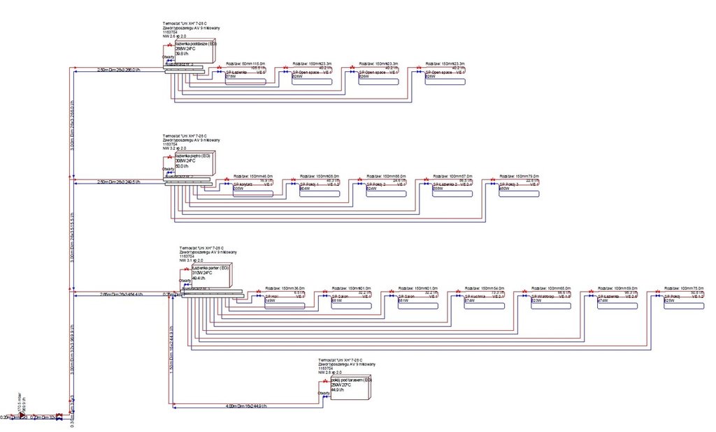
Przy podłogówce , jak ma być wprost bez sprzęgła to trzeba patrzyć na pompę w kotle i jej możliwości. I tu zanim się zacznie coś robić warto wstępnie wybrać kocioł i zrobić pod niego instalację- najpierw na papierze a dalej w budynku. Wynik takich obliczeń może być np jak poniżej gdzie jest podłogówka i grzejniki zasilane z tego samego obiegu.
-
Moc grzejników nie ma nic wspólnego z taktowaniem kotła, Taktowanie powstaje jak jest odbierana za mała moc z kotła , po prostu kocioł wytwarza za dużo ciepła w stosunku do potrzeb budynku. Pewnie masz zapotrzebowanie na poziomie 4-5kW a kocioł ma moc min 9,4kW.
-
Wracając do buforu ciepła to najlepszym są ściany budynku i dlatego powinny być dobrze zaizolowane i to po pierwsze powinien brać pod uwagę autor tego tematu. Kolego @anzanaprawdę nie chciałem Cię urazić , ale czasem warto przemyśleć co się pisze przed napisaniem aby potem w odpowiedziach woda w głowach naszych się nie gotowała.
-
To wynik dla mocy znamionowej palnika
-
Chyba za stary na nauki, ale na uniwerek III wieku zawsze można iść. Głowa to też opakowanie na wiedzę , warto ją napełnić czymś więcej niż woda.
-
Jestem ciekaw jak grzejnik , który oddaje ciepło do otoczenia w tempie 2kW/h może pełnić rolę bufora. Niech kolega zmieni trochę spojrzenie na ten problem. To tak jakby odbiornik elektryczny, podłączony do akumulatora (bufora) był jednocześnie też buforem, akumulatorem. Grzejnik oddaje ciepło do otoczenia, a bufor tego nie robi, on oddaje ciepło do grzejnika.
-
Bojlery nie odegrają żadnej roli a woda w instalacji oddaje ciepło na bieżąco, więc też nie jest buforem.
