-
Postów
32952 -
Dołączył
-
Wygrane w rankingu
514
Typ zawartości
Forum
Wydarzenia
Blogi
Artykuły
Treść opublikowana przez sambor
-
Temat założyłeś aby się pochwalić że masz kawałek pola, i dobrze , ja tez mam kawałek( taki z 15,5ha 2-3 klasy) i mnie to nie przeszkadza, ani jeść nie woła.
-
Aurer też robi, są tańsze od Kołtonia
-
Podnoszenie ciśnienia wody wodociągowej - ocena schematu
sambor odpowiedział(a) na jrakus temat w Instalacje CO i CWU
Zawór zwrotny musi być, inaczej po wyłączeniu pompy nie będzie wyższego ciśnienia za pompą- 2 odpowiedzi
-
- hydrofor
- zimna woda
-
(i 4 więcej)
Oznaczone tagami:
-
Tu nie idzie o odległość, tylko o miejsce wpięcia w instalację. Ono może tak zostać, ale sama rura od niego musi być wpięta jak najbliżej kotła.
-
Wysokośc montażu naczynia przeponowego nie ma znaczenia , Zaw 4- D jest jakąś namiastką sprzęgła - 2 wejścia, 2 wyjścia, równoważy pompy. W tym przypadku sprzęgło nie bardzo ma sens.
-
Ja też mam 800, ale grzeję tylko pół.?
-
Przeróbki trochę będzie, ale w miedzi to prosto idzie.
-
Tak, będzie jak piszesz, tylko dodaj jeszcze zawory zwrotne za pompą CW i powrotnej, oraz filtry . Naczynie jak najbliżej kotła
-
Na powrocie do kotła, jak najbliżej przyłączenia kotła z powrotem- praktycznie dajesz na powrocie trójnik i w niego wpinasz powrót z instalacji i grzania CW a w drugi naczynie przeponowe. Naczynie musi być podłączone rurą o średnicy takiej jak przyłącze naczynia - przeważnie to 3/4" dla większych 1"
-
Przejdź na priv to ci wytłumaczę, będzie prościej i szybciej.
- 20 odpowiedzi
-
- Vaillant
- podlogowka
-
(i 1 więcej)
Oznaczone tagami:
-
Naczynie przeponowe musi być przy samym kotle - ono ma za zadanie chronić kocioł
-
Dlaczego zbędny? Kolejny "magik" się znalazł!
-
Farma to potrzebuje 2 rzeczy - oprócz samej PV - powierzchnię 2ha lub więcej i infrastrukturę odbiorczą - nikt ci nie wybuduje specjalnej linii SN do takiej farmy, taka linia gdzieś w pobliżu musi być,a na dodatek papierów po byku trzeba.
-
Dom Ok, tylko do tego trzeba dobrać jakieś przepływy, ja proponowałbym wstępnie ok 1,5l /min dla każdej pętli, Teraz pomnóż to przez ilość pętli i masz wynik. Trzeba jeszcze rury zasilające rozdzielacze policzyć wg tych przepływów i będzie wynik.
- 20 odpowiedzi
-
- Vaillant
- podlogowka
-
(i 1 więcej)
Oznaczone tagami:
-
Masz źle zamontowaną pompę CO, aby była jakaś ochrona powrotu, musi być pompa przed zaworem 3-D, ale wtedy nie masz regulacji temp wody na grzejniki. Najprościej jest wstawić dod pompę tzw przewałową między zasilanie a powrót kotła, po odpowiedniej regulacji będzie wszystko OK.
-
Najpierw musisz określić potrzebny przepływ, następnie dobrać układ zasilania i dopiero szukać kotła , a wy robicie to od d...y strony - kocioł i nie ważne co dalej. Wg mnie bez OZC, nawet uproszczonego się tu nie obejdzie. może pomoże strona www.cieplowlasciwe.pl
- 20 odpowiedzi
-
- Vaillant
- podlogowka
-
(i 1 więcej)
Oznaczone tagami:
-
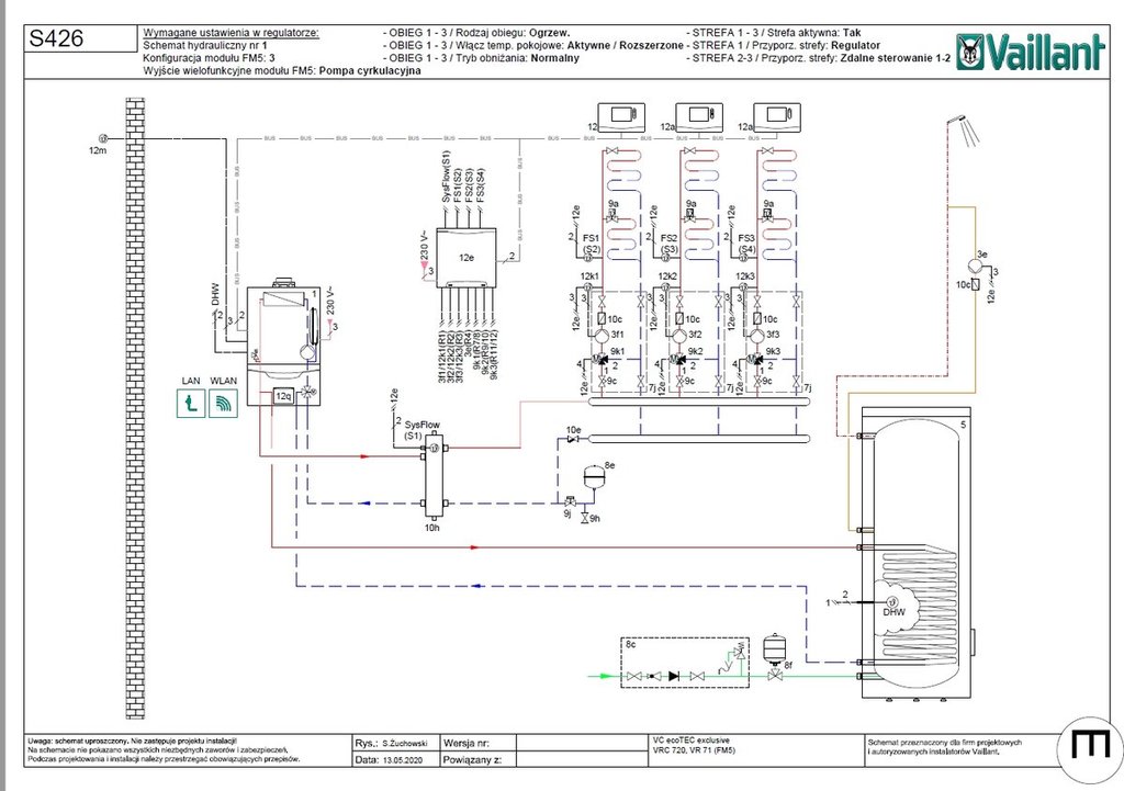
Przepływ w rozdzielaczu to suma przepływów z wszystkich pętli zasilanych z danego rozdzielacza. Przepływ z całej instalacji to suma przepływów z wszystkich rozdzielaczy. Ale się nie martw - jest tu taki gość co ci wszystko doradzi , jak on to widzi i ręczę, że to nie będzie w praktyce działać, więc go nie słuchaj. Tylko zrób wg poniższego schematu - niestety wychodzi drogo, ale zapewniam cię że to działa, w przeciwieństwie do innych "pomysłów" Instalacja poniższa jest na ok 3x 100 -120m2, oczywiście są instalacje na 2 lub 1 pompę, elementy są podobne.
- 20 odpowiedzi
-
- Vaillant
- podlogowka
-
(i 1 więcej)
Oznaczone tagami:
-
Nie znam charakterystyki pompy w tym kotle - jak ją zamieścisz to ci na to pytanie odpowiem co trzeba dodatkowo, ale pewnie potrzeba sprzęgła , pompy i dod automatyki. Dlaczego chcesz 3 pompy? Potrzebna jest zapotrzebowanie na wodę w instalacji CO - tzw przepływ w każdym z rozdzielaczy,
- 20 odpowiedzi
-
- Vaillant
- podlogowka
-
(i 1 więcej)
Oznaczone tagami:
-
Zbiornik przeponowy dla bufora 1500l , ogrzewanego do 80C powinien być ok 200l ZB-2,5bar. Takiego to już nie powiesisz, on stoi na posadzce obok bufora., można dać np 4x 50l i one mogą wisieć na ścianie, mogą nawet wyjść taniej od tego 1- 200l. Zbiornik prod Reflexa - Reflex N 200 ma rozmiary 650x750mm , może się go tam gdzieś wciśnie.
-
Płyta indukcyjna na siłę - podobno takich nie ma
sambor odpowiedział(a) na Łukasz85 temat w Rozmowy na dowolny temat
Te cewki trzeba jeszcze z generatora zasilić ,w mojej Amice są dwa takie , to zdjęcie poglądowe ze sklepu, ale koszt 1 sztuki to prawie 750PLN, a muszą być dwa takie same, 1 generator zasila 2 pola o mocy sumarycznej do 3700W .+ sterowanie za 300 i można gotować. Do każdego generatora podłączamy zasilanie 230V. Temat przerabiałem osobiście. -
Sens wymiany wody na uzdatnioną po montażu zmiękczacza wody
sambor odpowiedział(a) na michal1235 temat w Instalacje CO i CWU
Wodociągową, a po tygodniu grzania jest już miękka. Zresztą uzdatniacz przeważnie pojawia się grubo po wykonaniu i uruchomieniu instalacji CO. A dodatkową wymianę wody w instalacji robi sam właściciel na swoją odpowiedzialność. -
Sens wymiany wody na uzdatnioną po montażu zmiękczacza wody
sambor odpowiedział(a) na michal1235 temat w Instalacje CO i CWU
Woda z uzdatniacza domowego zawsze zawiera jony chloru - z soli używanej do regeneracji , więc teraz instalacja CO zacznie korodować. Powodzenia. Miał rację hydraulik "pogównośzmienioł". -
Płyta indukcyjna na siłę - podobno takich nie ma
sambor odpowiedział(a) na Łukasz85 temat w Rozmowy na dowolny temat
Dlaczego nie kupisz 230/400V Będzie lepszy -
Wymiana anody magnezowej w zelmech 50l
sambor odpowiedział(a) na burzaa4 temat w Instalacje CO i CWU
Kamień odkłada się na powierzchni gorącej, przy podgrzewaniu i kontakcie wody z grzałką , więc im bliżej anoda grzałki to sama grzałka jest lepiej chroniona -
Wymiana anody magnezowej w zelmech 50l
sambor odpowiedział(a) na burzaa4 temat w Instalacje CO i CWU
Pręt tej przedłużonej anody jest nierdzewny? Chyba raczej nie, więc pierwszy będzie rdzewiał i psuł smak wody w bojlerze, ja radziłbym zostawić stan oryginalny - zawsze możesz dodatkowo co rok lub 2 lata wyczyścić grzałkę.
