-
Postów
33284 -
Dołączył
-
Wygrane w rankingu
524
Typ zawartości
Forum
Wydarzenia
Blogi
Artykuły
Treść opublikowana przez sambor
-
Dobór mocy kotła gazowego co przejście na kocioł gazowy
sambor odpowiedział(a) na bykmark temat w Kotły gazowe
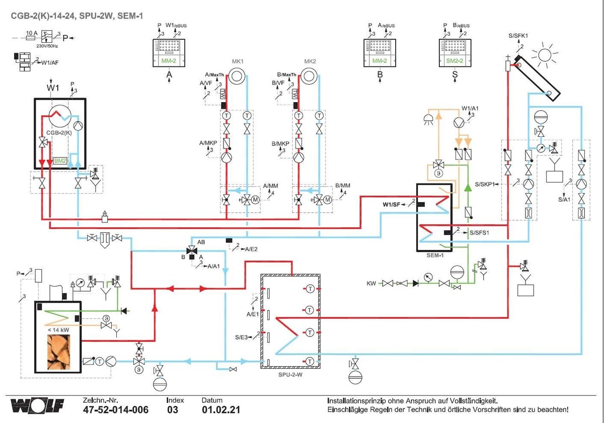
Jeżeli masz układ wykonany zgodnie z podanym schematem to nieprawdą jest że przy samej podłogówce muszą pracować pompy CO i podłogówki. Powinna wystarczyć pompa samej podłogówki, albo masz inaczej wykonaną instalację! Jak w przyszłości będzie kocioł gazowy to powinieneś instalację w kotłowni oprzeć o schematy referencyjne producenta danego modelu kotła. -
Wybór kotła na pellet Prośba o pomoc w wyborze kotła na pellet.
sambor odpowiedział(a) na kamehamek1 temat w Kotły pelletowe
Tak, 8kW to max, ale jak koniecznie 12kW to z buforem ok 500l, wtedy może być nawet lepiej niż 8kW bez bufora. -
Wybór rury do ogrzewania podłogowego Jaka kontrekna rura do podłogówki(pomoc w wyborze)
sambor odpowiedział(a) na Piotr797 temat w Instalacje CO i CWU
Niezła jest też rura Wawina - zielona o nazwie Kameleon, dedykowana specjalnie do podłogówki na PC Rurę, szczególnie przy większych ilościach warto kupić w necie, jest taniej -
Problem: sterownik na parterze, zimno w piwnicy
sambor odpowiedział(a) na tomaszwro temat w Kotły gazowe
Teoretycznie sterownik daje się w najzimniejszym pomieszczeniu. Ponadto kłania się dobór grzejników, pewnie w piwnicy potrzeba większych grzejników. -
Sprawność kotła DS lub HG pracującego w układzie z buforem wcale nie jest taka mała, często przewyższa sprawności pseudo peletowych kotłów pracujących z modulacją.
-
Grzejniki płytowe aluminiowe Opinie o grzejnikach
sambor odpowiedział(a) na GrzegorzSG temat w Instalacje CO i CWU
Czy masz fot tego grzejnika ? Rozmiar 550 to wymiar po całości, czy rozstaw rur -
Przeróbka rozdzielacza Podłogówka: Grupa mieszająco-pompowa czy mogę to tak zmontować
sambor odpowiedział(a) na otek1984 temat w Instalacje CO i CWU
Zmierz czy to wszytko zmieści się na długość - sama pompa to 13 lub 18 cm, zaw 3-D jakieś 6-8cm Musisz mieć luzu ok 25cm lub więcej + miejsce na pompę od góry lub do przodu, silnik w dół nie może być. -
Przyłącze gazu - inna firma
sambor odpowiedział(a) na Dipper temat w Inne tematy o kotłach i piecach
Termin to musisz sam ustalić, a inst wewnętrzną to w 1 dzień zrobią. -
Vaillant Kocioł dwufunkcyjny Vaillant VUI PL 280-7, głośna praca po rozgrzaniu palnika.
sambor odpowiedział(a) na marcinsz0 temat w Kotły gazowe
Ile lat ma ten kocioł? -
Jakie oznaczenie ma nowa pompa?
-
Dogrzewanie nocne - jakie grzejniki elektryczne?
sambor odpowiedział(a) na lukaasch temat w Kotły i piece elektryczne, promienniki podczerwieni
To nie ma znaczenia czy układ CO otwarty czy zamknięty, Z resztą kocioł ma naczynie przeponowe więc układ jest zamknięty na 200% Opis jest wzięty ze strony producenta. -
Dogrzewanie nocne - jakie grzejniki elektryczne?
sambor odpowiedział(a) na lukaasch temat w Kotły i piece elektryczne, promienniki podczerwieni
To nie zawór różnicowy, a zaw różnicy ciśnień! Ustawia się nim ciśnienie jakie idzie z kotła do instalacji, nawet jak się zamkną wszystkie zaw na grzejnikach Wygląda on tak https://allegro.pl/oferta/zawor-upustowy-roznicy-cisnien-prosty-afriso-3-4-10871664449?offerId=10871664449&inventoryUnitId=y-PF_5bRc6lXBd2LMCLOkA&adGroupId=ZjU3ZWEzYWMtNTljNy00MjU5LTk5NWItNTIwZDhkN2ZhZWQ4AA&campaignId=ZDU4MjFiODgtMzIxOC00NDg2LTgxMWUtMzRiNmIxZWEwYjE2AA&sig=64a550c7f24733c7e2218e5d7d15f258&utm_feed=aa34192d-eee2-4419-9a9a-de66b9dfae24&utm_term=desc-yes&utm_source=google&utm_medium=ads&gclid=Cj0KCQjwsdiTBhD5ARIsAIpW8CIOAURgNxaR51VF4s7HvDY0SNGfY-GxbCkP47c15W-cLYnm-zp8zF4aAoUQEALw_wcB albo tak https://allegro.pl/oferta/zawor-upustowy-roznicy-cisnien-katowy-afriso-3-4-10624609163?offerId=10624609163&inventoryUnitId=bB1eWFh3dY7MK1sKgyvHzQ&adGroupId=ZjU3ZWEzYWMtNTljNy00MjU5LTk5NWItNTIwZDhkN2ZhZWQ4AA&campaignId=ZDU4MjFiODgtMzIxOC00NDg2LTgxMWUtMzRiNmIxZWEwYjE2AA&sig=95431f1380c5f27c7856e1b8da9b8d83&utm_feed=aa34192d-eee2-4419-9a9a-de66b9dfae24&utm_term=desc-yes&utm_source=google&utm_medium=ads&gclid=Cj0KCQjwsdiTBhD5ARIsAIpW8CLzABjM9bzrShH9yqc3OP8gZvW5wBOqW4A971ztEwDLexgyxHl7lRMaAn3VEALw_wcB Producentów jest wielu. a montuje się go miedzy zasilaniem a powrotem przy samym kotle Pokrętłem ustawia się ciśnienie jakie idzie na instalację Poniżej wygląd twojego kotła od dołu -
Dogrzewanie nocne - jakie grzejniki elektryczne?
sambor odpowiedział(a) na lukaasch temat w Kotły i piece elektryczne, promienniki podczerwieni
Pompa w tym kotle ma 2 ustawienia A i B, ale w twoim przypadku to dokładnie to samo. Podpowiem ci ( lub twojemu hydraulikowi) takie magiczne słowo - "zawór nadmiarowo upustowy różnicy ciśnień" na pewno pomoże. -
Przyłącze gazu - inna firma
sambor odpowiedział(a) na Dipper temat w Inne tematy o kotłach i piecach
Obecnie wg przepisów liczniki en el i gazu mają być w granicy działki , tak aby odczyt był możliwy bez wchodzenia na posesję. Resztę opisał kolega @Sławek007 -
Dogrzewanie nocne - jakie grzejniki elektryczne?
sambor odpowiedział(a) na lukaasch temat w Kotły i piece elektryczne, promienniki podczerwieni
Tak z ciekawości - jaki masz kocioł? Na regulację przepływów są też inne metody regulacji, ale to już po za tematem -
Dobór kotła Wymiana starego kopciucha na 5 klase do 2023. Sugestie jaki piec wybrać?
sambor odpowiedział(a) na zwalonygrat temat w Kotły zasypowe
Wszystko zależy od średnic samego zaw 4-D i rur w obiegu tego zaworu oraz konstrukcji wymiennika kotła. Dawniej była sprawa prostsza - praktycznie kocioł mógł zawsze pracować w obiegu grawitacyjnym a obecnie ze względu na zbyt duże opory hydrauliczne wiele kotłów tego nie potrafi. Generalne - jak nowy kocioł to potrzeba zaw 4-D i pompy na powrocie, zamiast tego sprzęgło , pompa i zaw ochrony powrotu (antykondensacyjny). -
Dogrzewanie nocne - jakie grzejniki elektryczne?
sambor odpowiedział(a) na lukaasch temat w Kotły i piece elektryczne, promienniki podczerwieni
Nie jest to prawda, tylko bzdurna wymówka Da się zrobić, tylko trzeba dostosować biegi w pompie kotła i wyregulować przepływy grzejników. Tak aby była cicha praca instalacji -
Wybór pompy ciepła Wymiana kotła na PC powietrze/woda - wybór urządzenia, zmiany w instalacji
sambor odpowiedział(a) na Patrol temat w Pompy ciepła
Niektóre wiszące bufory do PC mają wejścia i wyjścia od dołu ale to sprawa umowna gdyż w środku bufora są rury prowadzone w górę. Wygląda on w przekroju mniej więcej tak z boku w połowie wys jest gwint na grzałkę. Jakiś miesiąc temu był taki bufor na forum, właśnie z pytaniem czy to jest dobrze. -
Dobór mocy kotła gazowego co przejście na kocioł gazowy
sambor odpowiedział(a) na bykmark temat w Kotły gazowe
Jak jest realizowane zasilanie podłogówki? Kocioł ok 20kW wystarczy -
Pompa ciepła i kocioł podajnikowy na ekogroszek razem
sambor odpowiedział(a) na granata temat w Pompy ciepła
Te ciśnienia minimalne są związane ze zjawiskiem kawitacji w układzie pompy wodnej i wymiennika, oraz korozji tlenowej elementów pompy Podobna sprawa jest w kotłach gazowych - niby też min 0,55bar, ale zalecane 1,5bar. -
Pompa ciepła i kocioł podajnikowy na ekogroszek razem
sambor odpowiedział(a) na granata temat w Pompy ciepła
Minimalną wartość ciśnienia trzeba sprawdzić w danej PC Przeważnie musi być min 1,5bar -
Pompa ciepła i kocioł podajnikowy na ekogroszek razem
sambor odpowiedział(a) na granata temat w Pompy ciepła
Tego wymaga producent PC Pompa ma blokadę pracy przy zbyt niskim ciśnieniu w swoim układzie -
Pompa ciepła i kocioł podajnikowy na ekogroszek razem
sambor odpowiedział(a) na granata temat w Pompy ciepła
SG(B) 1000 ma wężownicę 3,5m2 i pojemność 24,4l - czyli możesz pod nią podłączyć PC pod warunkiem zapewnienia wymaganej objętości wody / cieczy w układzie PC- wężownica. -
Pompa ciepła i kocioł podajnikowy na ekogroszek razem
sambor odpowiedział(a) na granata temat w Pompy ciepła
Jaki jest producent tego bufora? To co masz na rys technicznym wcale nie musi być prawdą, to tylko twoje pobożne życzenie. -
Jaka cena panelow
sambor odpowiedział(a) na bercus temat w Wytwarzanie energii elektrycznej na cele grzewcze (i nie tylko)
Panele to raczej więcej niż te 2000W, moc znamionowa panela jest podawana w warunkach trudnych do osiągnięcia w praktyce - więc te 10-20% mocy panela może być więcej.
