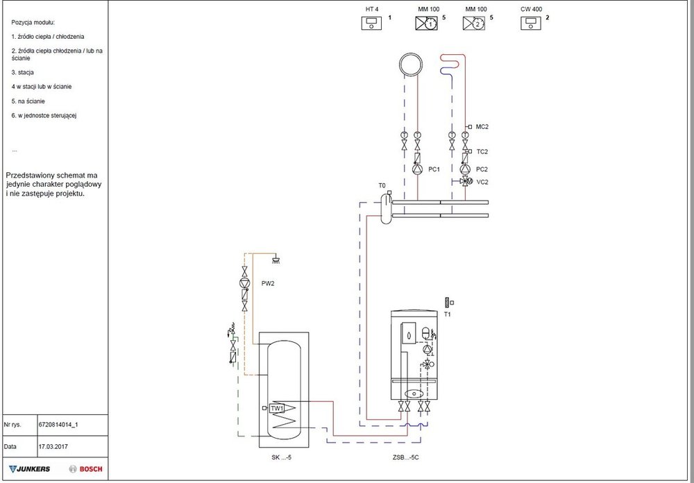
sambor Opublikowano 11 Listopada 2019 #51 Opublikowano 11 Listopada 2019 Układ powinien być taki jak na rysunku Czyli CW 400
Elber Opublikowano 11 Listopada 2019 Autor #52 Opublikowano 11 Listopada 2019 OK, super, czyli mam brac 2xMM100 ?
sambor Opublikowano 11 Listopada 2019 #53 Opublikowano 11 Listopada 2019 Modułów MM100 potrzeba tyle ile jest pomp , czyli w twoim przypadku potrzeba 2 moduły MM100
Elber Opublikowano 11 Listopada 2019 Autor #54 Opublikowano 11 Listopada 2019 Ok, a warto zamiast Gundfosa, wziąc np. LFP EXPERIA 25/40 i LFP POMPA EXPERIA L 25/60 i czy lepiej dołożyć i brać Gundfosa ?
Elber Opublikowano 11 Listopada 2019 Autor #55 Opublikowano 11 Listopada 2019 A jakieś naczynia wzbiorcze do tego będą potrzebne ? Jakieś konkretne firmy / modele / parametry polecasz ?
Elber Opublikowano 11 Listopada 2019 Autor #56 Opublikowano 11 Listopada 2019 I sprzęgło Elterm Sprzęgło SHE-SM do 40 kW czy SHE-OC ?
sambor Opublikowano 11 Listopada 2019 #57 Opublikowano 11 Listopada 2019 Pompy LFP to licencja grundfosa , można brać, będą OK SHE-OC wystarczy, SHE-SM to do starszych instalacji z separatorem magnetycznym. Naczynie trzeba policzyć, zależy od pojemności instalacji a tej nie znam - jedno jest w kotle, ale to może być za mało, więc trzeba drugie dostawić- między kotłem a sprzęgłem na powrocie do kotła.
Elber Opublikowano 11 Listopada 2019 Autor #58 Opublikowano 11 Listopada 2019 Ok, a to obojętnie jakiej firmy już ? Czy na jakieś parametry patrzeć ?
sambor Opublikowano 11 Listopada 2019 #59 Opublikowano 11 Listopada 2019 Jak kupujesz do centralnego to do centralnego - kolor czy firma nie gra roli, natomiast ważna jest objętość naczynia.
TIMON120777 Opublikowano 11 Listopada 2019 #60 Opublikowano 11 Listopada 2019 Elber - słuchaj Sambora i nie skacz po forach z pytaniami bo zaraz Ci ktoś namiesza w głowie i zaczniesz szukanie od początku a masz już wszystko ogarnięte. co do pomp też brałbym LFP- taniej niż Grundfos za to samo pod obudową.
sambor Opublikowano 11 Listopada 2019 #61 Opublikowano 11 Listopada 2019 Niech skacze, u mnie już więcej nic nie dostanie, prawie całą noc głowę zawracał a teraz będzie pewnie kocioł zmieniał. Niech zrobi 2 instalacje - jedną z info-ogrzewanie a drugą z FM i zobaczymy która lepsza
Elber Opublikowano 11 Listopada 2019 Autor #62 Opublikowano 11 Listopada 2019 Nie nie,junkers,to już postanowione,tam najpierw ktos mi zaczął doradzać wiec dałem znać o decyzji jaka zapadła, a tu sambor odpowiedział kilka dni później, ale na jego poradach mi najbardziej zależało i za nie bardzo dziękuję, z samego rana zakupuje te sprzęty, które radził sambor i wołam instalatora by to instalował.
Elber Opublikowano 18 Listopada 2019 Autor #63 Opublikowano 18 Listopada 2019 W dniu 11.11.2019 o 01:10, sambor napisał: Układ powinien być taki jak na rysunku Czyli CW 400 Czy mogę jeszcze zapytać co to jest ten HT 4 ?
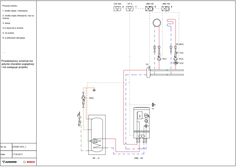
Elber Opublikowano 22 Listopada 2019 Autor #65 Opublikowano 22 Listopada 2019 @sambor - a czym prócz umiejscowienim CW 400 różni się ten schemat od tego co podesłałeś ?
sambor Opublikowano 22 Listopada 2019 #66 Opublikowano 22 Listopada 2019 To jest to samo To szyna ebus ko
KubaSko Opublikowano 22 Listopada 2019 #67 Opublikowano 22 Listopada 2019 Modulów mm100 potrzebujesz jedną sztukę. Kupisz dwa to wywalisz 800 zl w błoto. Kosztem pompy cyrkulacyjnej do ktorej programator kupisz za 30 zł
Elber Opublikowano 22 Listopada 2019 Autor #68 Opublikowano 22 Listopada 2019 A co to jest za znak T w kółku ? Bo tego nie umiem rozszyfrować. Na wyjściu z zasobnika wody też widzę że jest jakaś pompa PW2 - jest ona potrzebna ? Jakie parametry powinna mieć ? Kupiłem już 2 MM100 tak jak na schemacie, dziś sprzęgło i grupa pompowa przyjdzie kurierem i w przyszłym tygodniu instalacja.
gmaj22 Opublikowano 22 Listopada 2019 #69 Opublikowano 22 Listopada 2019 T= termometr PW2= pompa cyrkulacyjna CWU
Elber Opublikowano 22 Listopada 2019 Autor #70 Opublikowano 22 Listopada 2019 Jaką pompę cyrkulacyjną CWU kupić ?
Elber Opublikowano 22 Listopada 2019 Autor #71 Opublikowano 22 Listopada 2019 38 minut temu, sambor napisał: To jest to samo To szyna ebus ko A dlaczego w tym schemacie który podałeś ciepła woda która wchodzi do sprzęgła jest podłączona z zimną wodą powrotu a nie zasilania tak jak na tym schemacie, który ja podesłałem ?
gmaj22 Opublikowano 22 Listopada 2019 #73 Opublikowano 22 Listopada 2019 Ale Ty ciekawski jesteś...:) Czytałeś to: A pompa cyrkulacyjna? Wybierz sobie:
Elber Opublikowano 22 Listopada 2019 Autor #74 Opublikowano 22 Listopada 2019 Tak czytałem to ;) @sambor pisał że potrzeba tyle MM100 ile pomp wiec wziąłem 2 ;) Na pewni nie chciał dla mnie źle przecież. Lepsza będzie LFP ERGA 3W czy GRUNDFOS COMFORT 15-14 B ? Bo cena w zasadzie ta sama.
gmaj22 Opublikowano 22 Listopada 2019 #75 Opublikowano 22 Listopada 2019 LFP ma regulację mocy - bodajże siedmiostopniową. W środku w zasadzie siedzi to samo.
Rekomendowane odpowiedzi
Zarchiwizowany
Ten temat przebywa obecnie w archiwum. Dodawanie nowych odpowiedzi zostało zablokowane.