Zajaszcze Opublikowano 8 Grudnia 2019 Autor #76 Opublikowano 8 Grudnia 2019 No właśnie dlatego nie chciałem tych zrzutów robić. W 3D wszystko jest ładnie rozrysowane i można obrócić sobie według własnych potrzeb.
Zajaszcze Opublikowano 8 Grudnia 2019 Autor #77 Opublikowano 8 Grudnia 2019 Na szybko, zmieniłem format na *.STL, w smartphonie wystarczy ściągnąć np. Fast StL Viewer, pobrać plik i odpalić. Niestety po zmianie pliku, brak kolorów, które miały ułatwić ogólny ogląd. kotłownia (3).stl
Gość Digitrax Opublikowano 8 Grudnia 2019 #78 Opublikowano 8 Grudnia 2019 Nadal masz źle podłączone kotły o naczynia otwartego.
Zajaszcze Opublikowano 9 Grudnia 2019 Autor #79 Opublikowano 9 Grudnia 2019 Inaczej raczej nie będzie, bo nie będę się wkuwał przez parter oraz całe piętro. Ewentualnie bez inwazyjnie mogę jeszcze bez problemu dołożyć rurę od góry do zbiornika.
mironw Opublikowano 9 Grudnia 2019 #80 Opublikowano 9 Grudnia 2019 jak wysoko jest zbiornik od ostatniego - NAJWYŻSZEGO - grzejnika ,bojlera . Pompa na powrocie?
Zajaszcze Opublikowano 9 Grudnia 2019 Autor #81 Opublikowano 9 Grudnia 2019 Dokładnie najwyższy grzejnik w domu jest 35cm niżej od zbiornika wybiórczego. W kotle po lewej pompa na powrocie ze względu na ochronę powrotu. Z drugim kotłem, starym jeszcze się zastanawiam czy na powrocie czy zasilaniu. Na tą chwilę na zasilaniu.
mironw Opublikowano 10 Grudnia 2019 #82 Opublikowano 10 Grudnia 2019 22 godziny temu, Zajaszcze napisał: Dokładnie najwyższy grzejnik w domu jest 35cm niżej od zbiornika wybiórczego. To pompa na powrocie odpada : '' mając pompę na powrocie kotła naczynie należy umieścić znacznie wyżej bo aż 0,7 x H (wysokość podnoszenia pompy) , co przy popularnej pompie Por25 – 40 (wysokość podnoszenia słupa wody 4 m.) wymusza umieszczenie naczynia na wysokości 0,7 x 4 = 2,8 m. ponad najwyżej położony punkt grzewczy. Naczynie wzbiorcze należy umieszczać w miarę możliwości w linii pionowej nad źródłem ciepła. ''
mironw Opublikowano 10 Grudnia 2019 #83 Opublikowano 10 Grudnia 2019 No i teraz sam mam dylemat jak zachowa się sprzęgło , czy nie lepiej na zasilaniu i powrocie dać trójniki o średnicy króćca kotła a totem układ CWU i CO średnicować niż pompę na zasilaniu- czyli przed sprzęgłem ?
Zajaszcze Opublikowano 10 Grudnia 2019 Autor #84 Opublikowano 10 Grudnia 2019 Od kotłów wychodzą króćce 1 1/2 i takie pójdą do naczynia. Od tych rur wyjdą trójniki na 1" do zasilania sprzęgła w tym momencie stary piec będzie miał pompe na zasilaniu. Nowy piec musi mieć na powrocie ze względu na ochronę stała powrotu 55°. Tak jest w instrukcji i karcie gwarancyjnej. Za sprzęgłem 3x wilo Stratos poco 1-6 do zasilania obiegów i 1x wilo Stratos 1-4 do grzania bojlera. Pompy zasilające sprzęgło od kotłów. Wilo pico 1-6 bo taka juz mam w obecnej instalacji oraz wilo pico 1-6 do nowego kotła. Dodatkowo termostaty będą na dwuch piętrach wspomagane regulatorami pokojowymi od techa z siłownikami termostatycznymi.
mironw Opublikowano 10 Grudnia 2019 #85 Opublikowano 10 Grudnia 2019 jak wygląda obecnie instalacja ,grzejniki podłogówka jakieś piętra jak to rozłożone jest
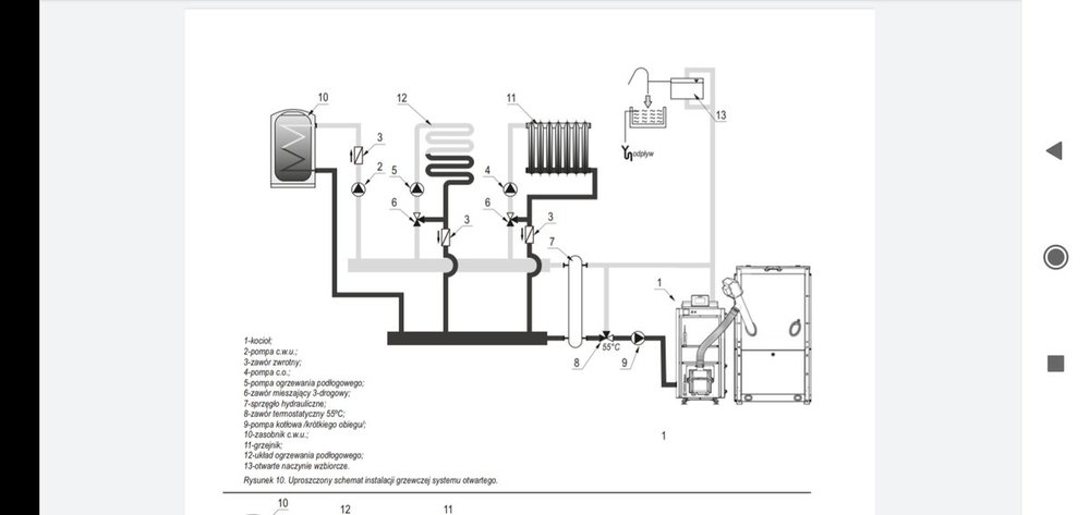
mironw Opublikowano 10 Grudnia 2019 #86 Opublikowano 10 Grudnia 2019 te rysunki nic nie wnoszą co i gdzie ma być , , a co do śmieciucha to jak go zobaczą przy odbiorach to może nie PRZEJŚĆ NUMER
Zajaszcze Opublikowano 10 Grudnia 2019 Autor #87 Opublikowano 10 Grudnia 2019 Smieciuchy u mnie mogą być do 2024. Na dzień dzisiejszy, a poza tym odbiór "zakończenia budowy" był w 97 lub 98.
hajtaler428 Opublikowano 10 Grudnia 2019 #88 Opublikowano 10 Grudnia 2019 48 minut temu, Zajaszcze napisał: Nowy piec musi mieć na powrocie ze względu na ochronę stała powrotu 55°. Tak jest w instrukcji i karcie gwarancyjnej. Jest konkretnie napisane że pompa musi być na powrocie? Na pewno nie tylko że powrót musi być zabezpieczony. Równie dobrze możesz zawór ATV zamontować na zasilaniu w funkcji rozdzielenia. Będzie działał tak samo i naczynie będzie mogło zostać na takiej wysokości
tommyp2 Opublikowano 11 Grudnia 2019 #90 Opublikowano 11 Grudnia 2019 Teraz, hajtaler428 napisał: Jest konkretnie napisane że pompa musi być na powrocie? Na pewno nie tylko że powrót musi być zabezpieczony. Równie dobrze możesz zawór ATV zamontować na zasilaniu w funkcji rozdzielenia. Będzie działał tak samo i naczynie będzie mogło zostać na takiej wysokości Mam pytanie: - czy ATV nie będzie rozdzielał najpierw do sprzęgła, a po osiągnięciu temp. do powrotu kotła?
hajtaler428 Opublikowano 11 Grudnia 2019 #91 Opublikowano 11 Grudnia 2019 Nie - przy rozruchu przyłącze od strony sprzęgła będzie zamknięte. Zacznie się otwierać przy osiągnięciu temp wkładki. Należy pamiętać o prawidłowym podłączeniu - pompa do przyłącza AB(które jest zawsze otwarte) A - podmieszanie( instalacja, sprzęgło, bufor) B- zasilanie z kotła W instrukcji zaworu masz schematy podłączenia Karta_produktowa_zawory_temperaturowe_ATV(06.2015).pdf
tommyp2 Opublikowano 11 Grudnia 2019 #93 Opublikowano 11 Grudnia 2019 Czyli tak dla pewności: - mieszanie: obw. B otwarty, temp. wzrasta i otwiera się obwód A. - rozdzielanie obw. B otwarty, temp. wzrasta otwiera się obwód A.
hajtaler428 Opublikowano 11 Grudnia 2019 #94 Opublikowano 11 Grudnia 2019 Dokładnie tak- zawór w obydwu przypadkach działa tak samo, zmienia się tylko kierunek przepływu A wracając do schematu autora - pompa może zostać na powrocie, bo wysokość naczynia należy liczyć względem najwyższego punktu instalacji ale obiegu kotłowego więc wymagane minimum na pewno jest
tommyp2 Opublikowano 11 Grudnia 2019 #95 Opublikowano 11 Grudnia 2019 W przypadku rozdzielenia pompa musi być po stronie obiegu AB i w niego pompować?
hajtaler428 Opublikowano 11 Grudnia 2019 #96 Opublikowano 11 Grudnia 2019 W obydwu przypadkach pompa ma być podłączona do AB z tym że przy mieszaniu zaciąga przez zawór a w rozdzieleniu tłoczy przez niego
sambor Opublikowano 11 Grudnia 2019 #98 Opublikowano 11 Grudnia 2019 5 minut temu, hajtaler428 napisał: W obydwu przypadkach pompa ma być podłączona do AB z tym że przy mieszaniu zaciąga przez zawór a w rozdzieleniu tłoczy przez niego Ja mam pytanie jaka w tym układzie będzie temp wody na powrocie do kotła oraz jak się będzie zachowywać sprzęgło jak będziemy do niego pchać wodę a nie przez niego ciągnąć. Nie tędy droga.
tommyp2 Opublikowano 11 Grudnia 2019 #99 Opublikowano 11 Grudnia 2019 Wydaje mi się, że to jest układ , który działa prawidłowo, ale tylko bez sprzęgła - podając temp. bezpośrednio na np. grzejniki. Przy sprzęgle pompa musi być na powrocie i z niego zaciągać? Tylko jak zapewnić ciepły powrót, jeżeli pompa musi być na zasilaniu bo naczynie nisko?
Rekomendowane odpowiedzi
Zarchiwizowany
Ten temat przebywa obecnie w archiwum. Dodawanie nowych odpowiedzi zostało zablokowane.