IGNOROWANY
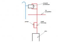
Podłączenie Naczynia Przelewowego
- Odpowiedz w tym temacie
- Ignoruj ten temat
- Czy wyłączyć ignorowanie tego tematu?
- Dodaj nowy temat
-
Ostatnio przeglądający 0 użytkowników
- Brak zarejestrowanych użytkowników przeglądających tę stronę.
-
Podobna zawartość
-
- 22 odpowiedzi
- 1009 wyświetleń
-
- 7 odpowiedzi
- 694 wyświetleń
-
- 13 odpowiedzi
- 701 wyświetleń
-
- 5 odpowiedzi
- 1018 wyświetleń
-
- 3 odpowiedzi
- 959 wyświetleń
-

Rekomendowane odpowiedzi
Dołącz do dyskusji
Możesz dodać zawartość już teraz a zarejestrować się później. Jeśli posiadasz już konto, zaloguj się aby dodać zawartość za jego pomocą.
Uwaga: Twój wpis zanim będzie widoczny, będzie wymagał zatwierdzenia moderatora.