daninstal Opublikowano 11 Listopada 2015 #1 Opublikowano 11 Listopada 2015 Witam... Prosiłbym o ocenę schematu. Nie jest narysowany profesjonalnie. Instalacja ma być prosta i ma chronić kocioł przed wybuchem podczas niekontrolowanego zagotowania wody. Pomyślałem o dwóch obiegach z myślą o podłączeniu w przyszłości pieca gazowego na co.
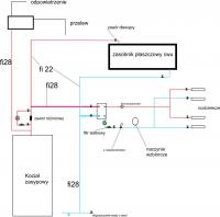
hajtaler428 Opublikowano 11 Listopada 2015 #2 Opublikowano 11 Listopada 2015 Naczynie źle podłączone - w takim układzie z kotła robisz bombę.na rurze do naczynia nie może być żadnej armatury ani przewężeń. Średnica rury stal min 1" lub Cu 28
Gość mak Opublikowano 12 Listopada 2015 #3 Opublikowano 12 Listopada 2015 ... a pompa zamiast na wymiennik będzie pompować wodę do naczynia wzbiorczego. W obiegu kotłowym muszą być dwie pompy, jedna na wymiennik druga na podgrzewacz. Strona wtórna za wymiennikiem może być pod warunkiem że jest tam instalacja grzejnikowa i będzie regulacja hydrauliczna wykonana czyli stopniowanie rur, nastawy wstępne na grzejnikach
daninstal Opublikowano 12 Listopada 2015 Autor #4 Opublikowano 12 Listopada 2015 czy w ten sposób można zastosować pompę jak na rysunku
sambor Opublikowano 12 Listopada 2015 #5 Opublikowano 12 Listopada 2015 Nie bardzo, poprawiłem ci tak jak powinno być Dodatkowo przeczytaj temat https://forum.info-ogrzewanie.pl/topic/10431-powyzej-70c-ruch-wody-w-inatalacji-co-zamiera-i-woda-gotuje-sie/page-2 od postu #30 - tam jest identyczna instalacja jak twoja i problemy z nią związane.
daninstal Opublikowano 12 Listopada 2015 Autor #6 Opublikowano 12 Listopada 2015 sambor czy przy tym rozwiązaniu które zaproponowałeś bojler będzie grzał grawitacyjnie A CZY TAKIE ROZWIĄZANIE WCHODZI W GRĘ....
sambor Opublikowano 12 Listopada 2015 #7 Opublikowano 12 Listopada 2015 Teoretycznie tak, w moim schemacie powinno grzać bojler grawitacyjnie W twoim trzeba będzie wstawić zawór regulacyjny na obieg grzania bojlera, gdyż całe grzanie pójdzie przez bojler - wymiennik ma dużo większy opór hydrauliczny od bojlera. Jaka jest moc kotła? Ile grzejników?
daninstal Opublikowano 12 Listopada 2015 Autor #8 Opublikowano 12 Listopada 2015 kocioł 17 Kw, grzejniki łącznie maja 90 żeberek aluminiowych, bojler 120l galmet 2 płaszczowy tak wiem o tym ze trzeba przydławić zaworem przed bojlerem, ale myślałem, tu o zwykłym zaworze kulowym.. czyli mogę zastosował ten zawór różnicowy razem z pompom? Rura do wyrównawczego musi być fi 28 czy fi 22 wystarczy czy warto założyć na obiegu z grzejnikami gdzieś zawór zwrotny
sambor Opublikowano 12 Listopada 2015 #9 Opublikowano 12 Listopada 2015 Do wzbiorczego musi być rura Cu 28 - tak stanowi Norma. Jak dławiący trzeba dać zawór grzybkowy np taki http://www.ferro.pl/produkt-zawor-regulacyjny-grzybkowy-4548-ZGR.html Może być też zaw grzybkowy prosty http://www.ferro.pl/produkt-zawor-zeliwny-grzybkowy-4523-ZGZ.html Ten pierwszy lepszy. Rury do i z wymiennika dałbym jednak też Cu28 i dobry wymiennik - Rury przeliczyłem i musi być do z wymiennika Cu28, inaczej pompa będzie musiała być mocniejsza a instalacja będzie głośna.
daninstal Opublikowano 12 Listopada 2015 Autor #10 Opublikowano 12 Listopada 2015 Dziękuje bardzo za wskazówki... poniżej naniosłem poprawki... i pytanie czy na obiegu grzejników zakładać zawór zwrotny
sambor Opublikowano 12 Listopada 2015 #11 Opublikowano 12 Listopada 2015 Jak jedna pompa w obiegu to zawór zwrotny nie potrzebny, należy tylko pamiętać o przewyższeniu naczynia wzbiorczego nad resztą instalacji
daninstal Opublikowano 12 Listopada 2015 Autor #12 Opublikowano 12 Listopada 2015 naczynie będzie na strychu czyli jakieś 3m nad bojlerem Jeszcze raz dzięki za wskazówki. Instalacje wykonam na wzór ostatniego schematu i oczywiście wstawię fotki po zakończeniu.
Gość mak Opublikowano 13 Listopada 2015 #13 Opublikowano 13 Listopada 2015 A dlaczego jak "diabeł święconej wody" boisz się pompy ładującej podgrzewacz cwu! Może to być prosta tania pompa (3 lata wytrzyma na pewno). Jak sterownik kotła ma funkcję obsługi pompy podgrzewacza to ją należy wykorzystać. Zużycie energii jest żadne. Poza tym opory przepływu przez wymiennik płytowy są dość duże i regulacja hydrauliczna takiego układu może być trudna
tompi Opublikowano 15 Listopada 2015 #14 Opublikowano 15 Listopada 2015 Witam, czy jako zawór dławiący w obwodzie CWU można zastosować zawór zasuwowy? np. taki http://www.ferro.pl/produkt-zawor-zasuwany-2199-Z.html
Rekomendowane odpowiedzi
Zarchiwizowany
Ten temat przebywa obecnie w archiwum. Dodawanie nowych odpowiedzi zostało zablokowane.