-
Postów
32953 -
Dołączył
-
Wygrane w rankingu
514
Typ zawartości
Forum
Wydarzenia
Blogi
Artykuły
Treść opublikowana przez sambor
-
Pompa ciepła Atlantic Excelia 11kw zużycie prądu
sambor odpowiedział(a) na mircio26 temat w Pompy ciepła
Należało by powiększyć grzejniki, tak o 50% lub więcej, wtedy będzie ciepło i oszczędnie. -
Zasilanie Awaryjne (Ups, Agregaty Itp).
sambor odpowiedział(a) na marcin temat w Instalacje CO i CWU
Sprawdź inaczej : wyłącz zasilanie bezpiecznikiem, a nie wyciągnięciem wtyczki z gniazdka. -
Prawidłowość połączenia rury od kotła do komina - proszę o poradę
sambor odpowiedział(a) na zlo888 temat w Kominy dymne i spalinowe
Tam dużo nie trzeba przerabiać , choć wg normy PN-89-B- 10425 "3.3.3. Kierunek prowadzenia przewodów powinien być pionowy. Dopuszcza się odchylenie przewodów od kierunku pionowego nie więcej niż 30° Za zgodą terenowego organu administracji państwowej, właściwego w sprawach pozwoleń na budowę, dopuszcza się odchylenie przewodów od kierunku pionowego do 45°, pod warunkiem umieszczenia na załamaniach przewodów, otworów rewizyjnych zamkniętych szczelnymi drzwiczkami" -
Prawidłowość połączenia rury od kotła do komina - proszę o poradę
sambor odpowiedział(a) na zlo888 temat w Kominy dymne i spalinowe
Nie powinno być odcinka poziomego, powinien być skos w dół. -
Tu specjalistą od rozdzielaczy jest kolega @tomekb napisz do niego na priv, na pewno pomoże.
-
Montaż bufora w instalacji z pompą ciepła Bufor na zasilaniu czy powrocie
sambor odpowiedział(a) na dz1q86 temat w Pompy ciepła
Mufę w buforze to można przespawać na większą, każdy z Migo-matem to zrobi. Bufor to blacha czarna, nie emaliowana, to nie ma problemu ze spawaniem czy zabezpieczeniem spawu. -
Montaż bufora w instalacji z pompą ciepła Bufor na zasilaniu czy powrocie
sambor odpowiedział(a) na dz1q86 temat w Pompy ciepła
Oczywiście, że da się wyciągnąć ciepło , ale tylko to co jest poniżej górnych wyjść/ wejść. I dla tego ja wolę robić troszkę inaczej np tak : W tym układzie przy poborze ciepła z samej góry bufora mamy do dyspozycji całą wytworzoną temp i krótki czas oczekiwania na ciepło z podstawowego źródła. Ponadto są zachowane zalety idiotoodporności układu i braku konieczności regulacji hydraulicznej. -
Montaż bufora w instalacji z pompą ciepła Bufor na zasilaniu czy powrocie
sambor odpowiedział(a) na dz1q86 temat w Pompy ciepła
W Pl podłączenie bufora w układzie 4- ro rurowym jest popularne ze względu na jego idiotoodporność i brak wykwalifikowanych wykonawców takiej instalacji. Podłączenie 2 rurowe od lat promuje w swoich schematach Atmos. Ale rozważmy co będzie w przypadku układu 3 rurowego i grzałki w buforze? Czy cała energia wytworzona przez grzałkę będzie wykorzystana? -
Palnik Kipi W Naszych Piecach Wymiana Doświadczeń Użytkowników
sambor odpowiedział(a) na temat w Kotły pelletowe
Ten pellet z trawy to pasza dla zwierząt, a nie paliwo. Sam taki daje koniom, jak mają problemy z zębami.- oczywiście po namoczeniu. Palić próbowałem, ale nie szło. -
Dzisiaj wpłynęły na konto 3 tysie dopłaty do pelletu. Wniosek składany 26 09 .
-
Możesz, wysokość montażu nie gra roli ( oczywiście w granicach zdrowego rozsądku)
-
Pionowy, stojący musi stać w pionie
-
Nawet nie ciepłomierze , tylko termometry
-
Prawidłowo zamontowany i dobrze dobrany zaw 3-D ochrony powrotu nie jest gorszy niż laddomat a taki układ ma większą elastyczność w doborze pompy i samego zaw 3-D.
-
Przeróbka instalacji co Weryfikacja poprawności instalacji
sambor odpowiedział(a) na Wapniorz temat w Instalacje CO i CWU
Prawie identyczny schemat i potencjalny problem do rozwiązania - -
Pompa ciepła Atlantic Excelia 11kw zużycie prądu
sambor odpowiedział(a) na mircio26 temat w Pompy ciepła
To typowa 120-ka, od kotła gazowego -
Bodaj na FB jest opisana identyczna sytuacja, przyczyną była za mała ilość r32 w układzie PC
-
-
Pompa podłogówki powinna być podłączona przez zaw 3-D wprost do kotła, bez tej pompy podpisanej pompa CO. A pompa CO powinna napędzać tylko grzanie CWU Nie podałeś jaki to kocioł, ale przy kotle a paliwo stałe będzie problem z zimnym powrotem kotła.
-
Nie koniecznie Może taki być, z resztą to pytanie do wykonawcy tego projektu
-
Masz podane przepływy w kg/h Podziel te wartości przez 60 to będzie w l/ min I to cała filozofia
-
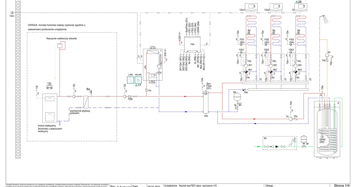
Tak wygląda przykładowy schemat połączenia 2 kotłów wg Vaillanta, kocioł na paliwo stałe jest w układzie otwartym. Przy kotle na paliwo stałe w układzie zamkniętym nie ma wymiennika i 1 pompy oraz naczynia przelewowego
-
Tak, taki, jak podajesz, tylko z innym zakresem regulacji temp - np 25-43C i Kvs ok 3-3,5.
-
Wg katalogu przepływ znamionowy tej PC to 850l/h co jest zgodne z założeniem delty T=5C. A podłogówka ma jaki przepływ ??? Może przy całej otwartej podłogówce coś by ruszyło- uruchom całą podłogówkę
-
To trzeba rozebrać i połączyć jeszcze raz. Nie wiemy gdzie zasilanie a gdzie powrót , Ten zaw 3-D nie nadaje się do tej konfiguracji
