-
Postów
32950 -
Dołączył
-
Wygrane w rankingu
514
Typ zawartości
Forum
Wydarzenia
Blogi
Artykuły
Treść opublikowana przez sambor
-
MPM DS WOOD 26kW + bufor 1000l + zbiornik cwu 400l
sambor odpowiedział(a) na 88oonn temat w Instalacje CO i CWU
Z trójnika wychodzisz na grzanie CWU ( na pompę ) i na bufor ( bez pompy) Po za tym wyrzuceniem AZV, schemat jest OK- 19 odpowiedzi
-
- MPM DS Wood
- Bufor
-
(i 3 więcej)
Oznaczone tagami:
-
MPM DS WOOD 26kW + bufor 1000l + zbiornik cwu 400l
sambor odpowiedział(a) na 88oonn temat w Instalacje CO i CWU
Zaw 3-D AZV jest zbędny, wystarczy samo sterowanie pompą ładującą bojler CWU- 19 odpowiedzi
-
- MPM DS Wood
- Bufor
-
(i 3 więcej)
Oznaczone tagami:
-
Podzielenie ogrzewania gazowego na „strefy”
sambor odpowiedział(a) na KacBear temat w Instalacje CO i CWU
Tu trzeba wymienić zawory zwykłe na zawory z głowicami termostatycznymi i nimi ustawiać temp w poszczególnych pomieszczeniach. Ale najpierw podaj jakie masz grzejniki -jak zasilane i jakie masz do nich zawory. Dodatkowo jak rozprowadzona jest w budynku instalacja - podłogą z rozdzielacza , czy inaczej. -
Moim zdaniem tych zaworów 3-D przed pompami nie powinno być, gdyż temp wody możesz ustawić na sterownikach pompy ciepła i kotła gazowego. Dodatkowo: jakie są przepływy w pętlach podłogówki
-
Sprawdź jakie jest zachowanie tych pomp kiedy pracuje tylko 1, tą drugą chwilowo odłącz. Ponadto jakie są zaw 3-D przed tymi pompami? One są jakoś sterowane czy tylko ręczne nastawy? Możliwe, że to wina tych zaw 3-D, ale to trzeba wyjaśnić np przez pełne otwarcie zaworu 3-D przed pompą.
-
Problem z zapowietrzaniem grzejników
sambor odpowiedział(a) na KapitanKoXxXx temat w Inne tematy o kotłach i piecach
Gdzie połączysz bojler i zbiornik ma mniejsze znaczenie, natomiast zbiornik musi podnieść tak aby był minimum 3m nad bojlerem, chyba że są inne wyżej położone miejsca tej instalacji np rury do grzejników lub same grzejniki. Dodatkowo: jak zbiornik będzie na nieocieplonym poddaszu to rury do niego i sam zbiornik będą musiały być dobrze ocieplone aby nie zamarzły -
Problem z zapowietrzaniem grzejników
sambor odpowiedział(a) na KapitanKoXxXx temat w Inne tematy o kotłach i piecach
To zmiana położenia naczynia w tym zakresie wysokości nic nie da. Aby było dobrze to naczynie musiało by być o ok 3m wyżej niż obecnie. Jedynym rozwiązaniem jest przeniesienie pompy na zasilanie, a do naczynia musi być osobna rura wprost z kotła. -
Problem z zapowietrzaniem grzejników
sambor odpowiedział(a) na KapitanKoXxXx temat w Inne tematy o kotłach i piecach
A gdzie jest pompa? pewnie na powrocie do kotła -
Podłączenie pompy ciepła pomiędzy buforem a rozdzielaczami
sambor odpowiedział(a) na Marcin241291 temat w Pompy ciepła
Kasai 6kW to tym przypadku to totalna pomyłka. -
Podłączenie pompy ciepła pomiędzy buforem a rozdzielaczami
sambor odpowiedział(a) na Marcin241291 temat w Pompy ciepła
Dobierał, nie dobierał, ale to podkarpackie więc mrozy mogą być. -
Ocena schematu instalacji grzewczej Kocioł na paliwo stałe+ kocioł gazowy
sambor odpowiedział(a) na sados90 temat w Instalacje CO i CWU
Jak polskie odpowiedniki? To są moduły firmowe, Junkers /Bosch ci taki ME200 na żądanie ściągną. Moduł UL300 to w kotle siedzi. -
Ocena schematu instalacji grzewczej Kocioł na paliwo stałe+ kocioł gazowy
sambor odpowiedział(a) na sados90 temat w Instalacje CO i CWU
Pompa ma pchać w wymiennik, nie ważne czy to będzie wężownica czy płytowy. Grzanie CWU kominkiem , bez grzania bufora tylko przy osobnej wężownicy. -
Podłączenie pompy ciepła pomiędzy buforem a rozdzielaczami
sambor odpowiedział(a) na Marcin241291 temat w Pompy ciepła
"Pan" Sambor odpisał ci na tą wiadomość. Ale tu jeszcze powtórzę - nie ma potrzeby stosować tak dużych przepływów, powinny być ustawiane przepływy wg obliczeń, a nie "ja tak chcę". -
Podłączenie pompy ciepła pomiędzy buforem a rozdzielaczami
sambor odpowiedział(a) na Marcin241291 temat w Pompy ciepła
Do -15C na pewno wystarczy , a dalej(niżej)? -
Podłączenie pompy ciepła pomiędzy buforem a rozdzielaczami
sambor odpowiedział(a) na Marcin241291 temat w Pompy ciepła
Przy takim wykonaniu to przepływy nie powinny przekraczać 1l/min, zasilanie to ok 38C przy -20C. Z tymi rurami to tak jak piszesz - z bufora min PP40, pompa, za pompą z PP40 rozejście na 3x PP32. Jak możesz to popraw, gdyż taka instalacja będzie słyszalna przez domowników. Zaworu zwrotnego nie potrzeba. -
Powinniśmy się cofnąć jeszcze o dobre 40 lat lub więcej - temat palenia kroczącego był wtedy poruszany w literaturze dla Pań, gdyż to one na co dzień paliły w piecach, kuchenkach i innych urządzeniach grzewczych - troszkę o tym pisałem w poście #17 w temacie i wcale to nie było tak humorystyczne.
-
Instalacja c.w.u + podłogówka + drabinka
sambor odpowiedział(a) na dzasper11 temat w Instalacje CO i CWU
Można wprost ze sprzęgła pociągnąć na małej pompce np od cyrkulacji -
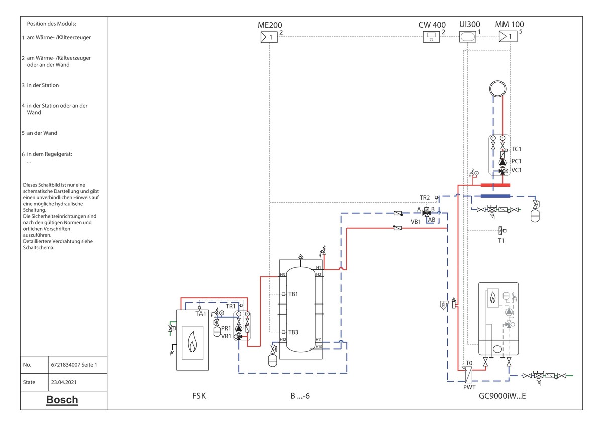
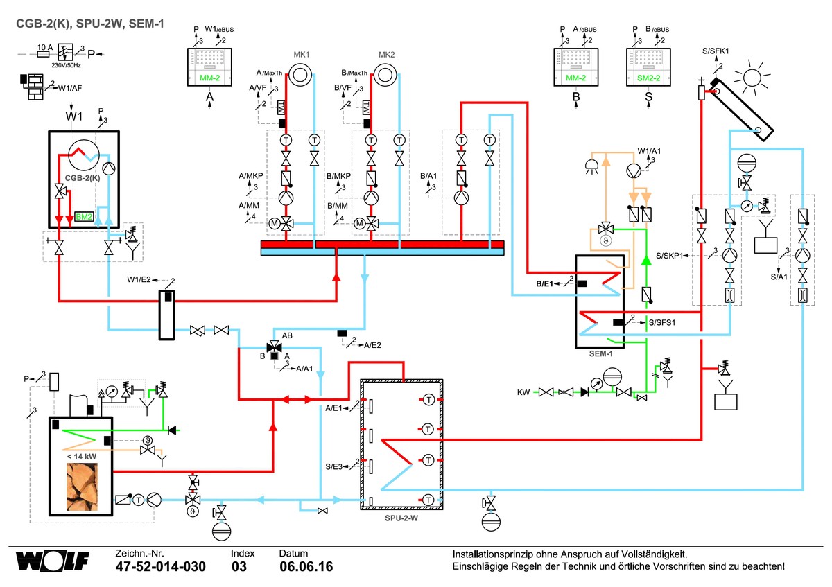
Ocena schematu instalacji grzewczej Kocioł na paliwo stałe+ kocioł gazowy
sambor odpowiedział(a) na sados90 temat w Instalacje CO i CWU
Pierwszy schemat w poście #7! -
Ocena schematu instalacji grzewczej Kocioł na paliwo stałe+ kocioł gazowy
sambor odpowiedział(a) na sados90 temat w Instalacje CO i CWU
Linku to nie mam, plik w PDF poniżej. Bosch 1.pdf Bosch 2.pdf Co do innych błędów to na schemacie Vaillanta jest prawidłowe podłączenie kotła na paliwo stałe do wężownicy. -
Podłączenie pompy ciepła pomiędzy buforem a rozdzielaczami
sambor odpowiedział(a) na Marcin241291 temat w Pompy ciepła
Przepływy w pętlach są prawidłowe, 2l/min dla PEX16 to max. Choć między nami mówiąc takiego przepływu - rzędu 3000l/h przez rurę PP32 nie da rady osiągnąć. Fizycznie też takiego przepływu z tej PC nie osiągniesz, gdyż przy zalecanej delcie T =5C i przepływie rzędu 3,0m3/h moc musi wynosić - około 17kW - czyli ponad 2x więcej niż masz ze swojej PC. Coś jest skopsane - albo projekt, albo wykonanie - rada na przyszłość zrobić dobry projekt , wtedy nie ma takich "kwiatków". Najprawdopodobniej masz źle wykonaną instalację samej podłogówki- nic o niej nie piszesz. Mogą być też za małe izolacje budynku. Co masz na podłogach - gres, drewno czy coś innego? Szybka rada zmniejsz przepływy do 1l/min we wszystkich pętlach. -
Ocena schematu instalacji grzewczej Kocioł na paliwo stałe+ kocioł gazowy
sambor odpowiedział(a) na sados90 temat w Instalacje CO i CWU
Ja nie mam polskiej wersji, mam niemiecką -
Ocena schematu instalacji grzewczej Kocioł na paliwo stałe+ kocioł gazowy
sambor odpowiedział(a) na sados90 temat w Instalacje CO i CWU
To materiały projektowe firmy, tego szukaj w necie. A tak naprawdę to czego jeszcze będziesz szukał? -
Ocena schematu instalacji grzewczej Kocioł na paliwo stałe+ kocioł gazowy
sambor odpowiedział(a) na sados90 temat w Instalacje CO i CWU
Nie mam czasu ani ochoty po raz kolejny przerabiać tego co było na forum kilka razy, ale aby kolega nie został bez "pomocy" podam 3 schematy - od 3 producentów kotłów gazowych , jako przykład rozwiązań , na których warto się wzorować. Niech kolega to przepatrzy i jeszcze raz od zera spłodzi coś bardziej realnego. -
Efektywne podłączenie buforu
sambor odpowiedział(a) na Andrewm28 temat w Inne tematy o kotłach i piecach
Jak obieg zamknięty to trzeba jeszcze miejsce na naczynie przeponowe, dla takiej objętości minimum 100l, Ja dla instalacji o objętości 1200l mam naczynie 160l Bufor 1000l okrągły będzie miał nacisk na podłogę ponad 1200-1500kg/m2 - to już musi być posadzka przemysłowa a nie strop w takim domku!- 11 odpowiedzi
-
- Bufor
- kocioł dolnego spalania
-
(i 1 więcej)
Oznaczone tagami:
-
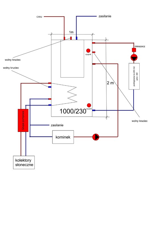
Pompa ciepła typu split jak podłączyć do zbiornika kombinowanego?
sambor odpowiedział(a) na TOORRO temat w Pompy ciepła
Pozwoliłem sobie to przerobić na jpg i wstawić ponownie - schemat ciekawy i można nad nim podyskutować.Teraz dod pytanie jakie są średnice wolnych króćców? I czy ten na samej górze nie jest od cyrkulacji CWU? Jaka ma być ta PC- głównie idzie o moc.
