IGNOROWANY
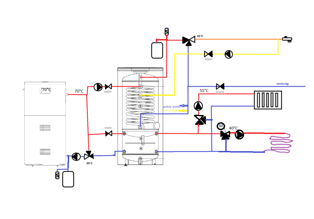
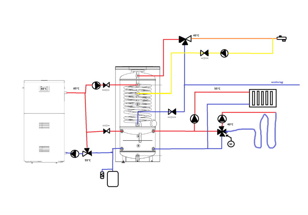
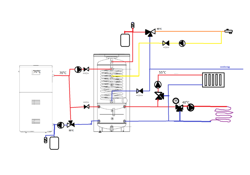
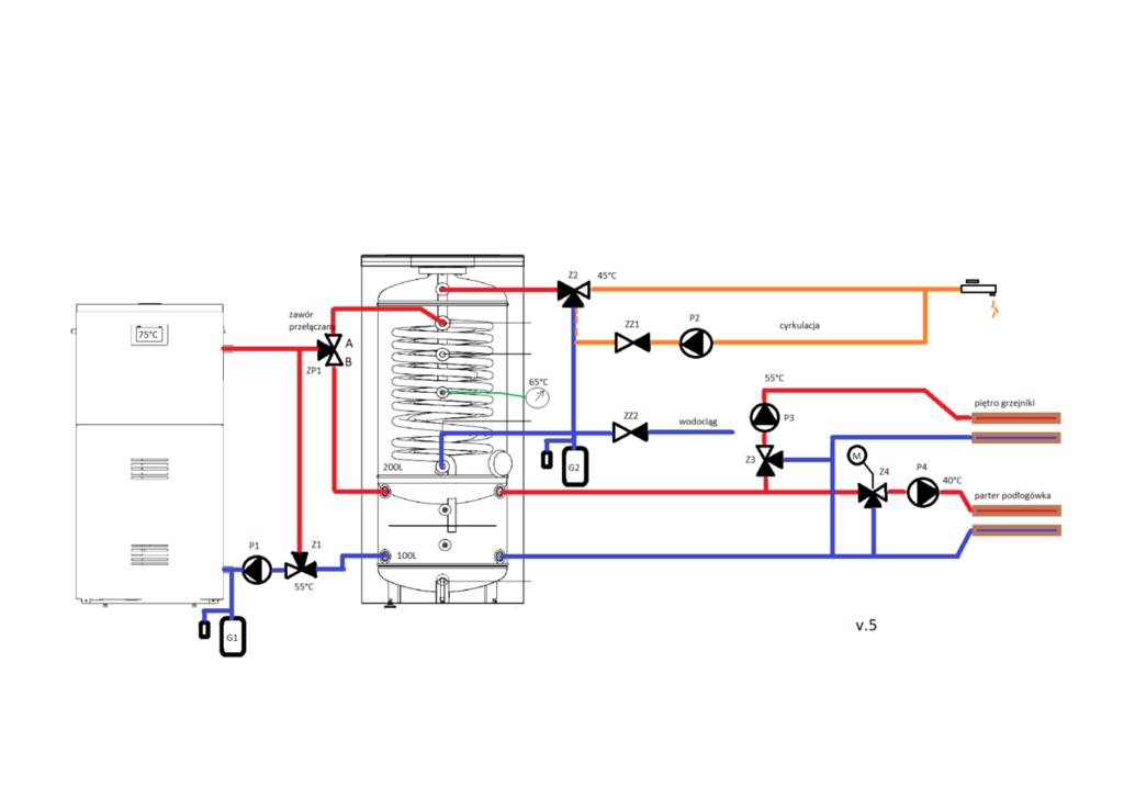
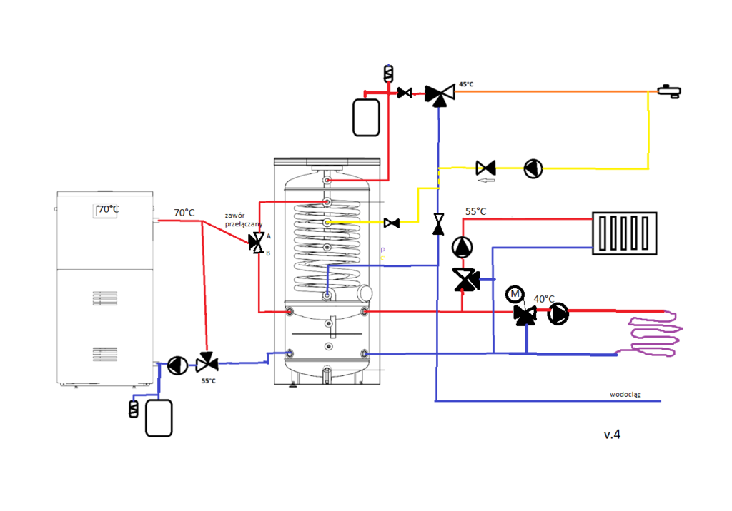
Kocioł ONYKS i zasobnik KOSPEL (z małym buforem) 2w1 -schemat do oceny
- Odpowiedz w tym temacie
- Ignoruj ten temat
- Czy wyłączyć ignorowanie tego tematu?
- Dodaj nowy temat
-
Ostatnio przeglądający 0 użytkowników
- Brak zarejestrowanych użytkowników przeglądających tę stronę.
-
Podobna zawartość
-
- 7 odpowiedzi
- 496 wyświetleń
-
- 132 odpowiedzi
- 5369 wyświetleń
-
Instalacja z kotłem na pellet i buforem Kocioł Na Pellet + Bufor - Wady I Zalety 1 2 3 4 34
Przez Gość berthold61,
- 826 odpowiedzi
- 181009 wyświetleń
-
- 4 odpowiedzi
- 579 wyświetleń
-
- 18 odpowiedzi
- 894 wyświetleń
-

Rekomendowane odpowiedzi
Dołącz do dyskusji
Możesz dodać zawartość już teraz a zarejestrować się później. Jeśli posiadasz już konto, zaloguj się aby dodać zawartość za jego pomocą.
Uwaga: Twój wpis zanim będzie widoczny, będzie wymagał zatwierdzenia moderatora.