Bencio Opublikowano 6 Stycznia 2020 #1 Opublikowano 6 Stycznia 2020 Witam. Mam nadzieje, że nie zbiore od razu batów za zalożenie nowego tematu. Zastanawia mnie różnica pomiedzy sprzeglem a sprzeglo rozdzielaczem. Przeczytalem gdzies zeby od takich ustrojstw trzymac sie z daleka I ciekawi mnie czemu? Czy jest problem z regulacja przepływów. Czy chodzi o cos innego? Musze podpiąć dwa uklady CO i OP. Czy wystarczy taki: Czy dac zwykle sprzeglo i Zrobic kolektor? A i jak jest z podłączeniami takich sprzeglo rozdzielaczy? Bo widzialem pompy z górnych, a powroty do dolnych króćców. Lub gorne dwa jeden obieg i dolne tez. Czy wogole jest sens zakladac sprzeglo rozdzielacz czy lepiej zwykle sprzeglo zeby nie miec jakichś problemów? Czy wogole takowe moga wystapic? Pozdrawiam....
YaroXylen Opublikowano 6 Stycznia 2020 #2 Opublikowano 6 Stycznia 2020 Witam Kolegę. Myślę że to bez znaczenia, osobiście jestem tradycjonalistą i nadal montuję zwykłe sprzęgła i rozdzielacze, ale raczej nie będzie różnicy. Pomyśl o izolacji ...co będzie wygodniej zaizolować. Często sprzęgłorozdzielacze mają już swoje otuliny i to może być plus, natomiast w przypadku sprzęgła to mają otuliny a same rozdzielacze ..różnie.... Osobiście polecam przewymiarowanie sprzęgła gdyż to pomaga, a nie ma wpływu na straty ciepła, oczywiście w przypadku prawidłowej izolacji. Pozdrawiam.YARO
PioBin Opublikowano 6 Stycznia 2020 #3 Opublikowano 6 Stycznia 2020 Nie napisales czym to sprzeglo/rozdzielacz bedziesz zasilac? Jaki kociol? Zasilanie (kociol) od samej gory, powrot na samym dole. Odbiory CO pierwszy od gory, potem drugi odbior podlogowka. Powrot z grzejnikow trzeci, potem czwarty powrot z podlogowki.
Bencio Opublikowano 6 Stycznia 2020 Autor #4 Opublikowano 6 Stycznia 2020 Napisałem trochę w powitalni. Ale napisze jeszcze raz, dla tych co tam nie zagladaja. Piec jest teraz na ekogroszek. Docelowo na pellet defro lub lazar. Mam czesc domu dobudowane gdzie jest OP. W starym CO.. Czytałem, zeby to chodzilo dobrze i byla ochrona kotla musi byc sprzeglo. I pasuje bardziej sprzeglo rozdzielacz. Ale to juz tylko ze względu na wymiary kotlowni i starej instalacji. Dlatego zapytuje czy jest to dobre rozwiazanie? Bo jeżeli lepiej zalozyc sprzeglo i kolektor to bede musial pruc instalacje w scianie i troche przerabiac. To nie jest jakis problem ale zawsze mniej roboty :) A co do przewymiarowania sprzegla to moc sprzegla =2x moc kotla, czy jeszcze troche % wiecej? Piec docelowo 15 kw. Pozdrawiam...
hajtaler428 Opublikowano 6 Stycznia 2020 #5 Opublikowano 6 Stycznia 2020 Sprzęgło 2x moc kotła to minimum z tego co pamiętam. A górnej granicy nie ma. Im większe tym lepiej
gmaj22 Opublikowano 6 Stycznia 2020 #6 Opublikowano 6 Stycznia 2020 28kW moze być za małe. $0 kW będzie akurat. Skorzystaj z tych przykładów podłączeń. Zwróć uwagę na zawory zwrotne na powrotach, bo to ważne. Po stronie kotła pompa i zawór stałotemperaturowy 55-60 C do ochrony powrotu.
PioBin Opublikowano 6 Stycznia 2020 #7 Opublikowano 6 Stycznia 2020 Ten schemat Afriso gorny ok. Schemat dolny zamienic powrot z obiegu pierwszego z zasilaniem obiegu drugiego i bedzie lepiej. Szczegolnie jesli mial by byc tam silownik zamiast termostatycznego.
Bencio Opublikowano 7 Stycznia 2020 Autor #8 Opublikowano 7 Stycznia 2020 Gdzieś przeczytalem, żeby trzymać się od takich z daleka: Mozna wiedziec czemu? Pozdrawiam...
teres Opublikowano 7 Stycznia 2020 #9 Opublikowano 7 Stycznia 2020 Sprzęgło rozdzielacz czasami ma sporo niższe maksymalne przepływy w stosunku do sprzęgła i rozdzielacza osobno.
MatBur Opublikowano 7 Stycznia 2020 #10 Opublikowano 7 Stycznia 2020 Witam. Podepne się pod ten temat. Moja instalacja ma 2 lata . Instalatorzy założyli sprzegłorozdzielacz- dla mnie to czarna magia . Zauważyłem kilka problemów. Otóż piec pochłania dość duże ilości węgla i to niezależnie od temperatury na zewnątrz . Dopóki chodzi sama podłogowka jest w miarę ok . Wystarczy że zalacze 2 grzejniki to zaczyna szamac węgiel jak Reksio szynkę . Drugi problem to cwu . Mam ustawione 45 stopni a temperatura jaka jest to 56 st. Pompa cwu jest cały czas wyłączona i chyba przebija że sprzęgła . Podejrzewam ,ale tylko jako laik w tym temacie ,Że powrót jest za zimny . Na połączeniu zasilania z powrotem z kotła założony mam zawór Atv 45 stopni a żądaną na piecu 60. Czy jest możliwe że ten zawór powinien tu być Założony zawór 50 lub 55 stopni? Poniżej wstawiam kilka zdjęć mojej instalacji. Bardzo proszę wszystkie mądre głowy o pomoc
Bencio Opublikowano 7 Stycznia 2020 Autor #11 Opublikowano 7 Stycznia 2020 1 godzinę temu, teres napisał: Sprzęgło rozdzielacz czasami ma sporo niższe maksymalne przepływy w stosunku do sprzęgła i rozdzielacza osobno. Czyli wystarczyloby zastosowac wiekszy i sprawa przeplywow byla by z glowy?
Bencio Opublikowano 7 Stycznia 2020 Autor #12 Opublikowano 7 Stycznia 2020 MatBur wydaje mi się ze masz calkiem zle podlaczony ten sprzeglo rozdzielacz. Zasilanie powinno isc do gornego kroćca powrot z dolnego. Zawor ATV moze byc ale tez inaczej zamontowany. I naczynie wzbiorcze zamontowane jest przy rozdzielaczu a powinno byc przy kotle. I jeszcze zawor odcinajacy naczynie od kotla masz zalozony a nie powinno byc mozliwe odciecia zaworem naczynia wzbiorczego. Do tego pompa kotlowa moze wpychac wode do boilera. Tak po krotce. Wszystkiego dobrze nie widac na zdjeciach. Ale tak wyglada na to co opisalem... Pozdrawiam...
hajtaler428 Opublikowano 7 Stycznia 2020 #13 Opublikowano 7 Stycznia 2020 @MatBur obieg kotłowy źle podłączony i naczynie też jak kolega zauważył - na zdjęciach dobrze nie widać. Zrób lepsze albo rozrysuj jak to tam jest podłączone. Powinno być tak jak n schemacie(tu układ otwarty a przy zamkniętym naczynie wpięte w obieg kotłowy bez moliwości odcięcia go. Dodatkowo potrzebne urządzenie schładzające - wężownica lub zawór dbv)
Uzytkownik2 Opublikowano 7 Stycznia 2020 #14 Opublikowano 7 Stycznia 2020 Zasobnik lepiej podłączyć przed sprzęgłem.Nie wiem czy w lecie chcąc zagrzać tylko CWU jest sens aby chodziła również pompa za zaw.np.VTC
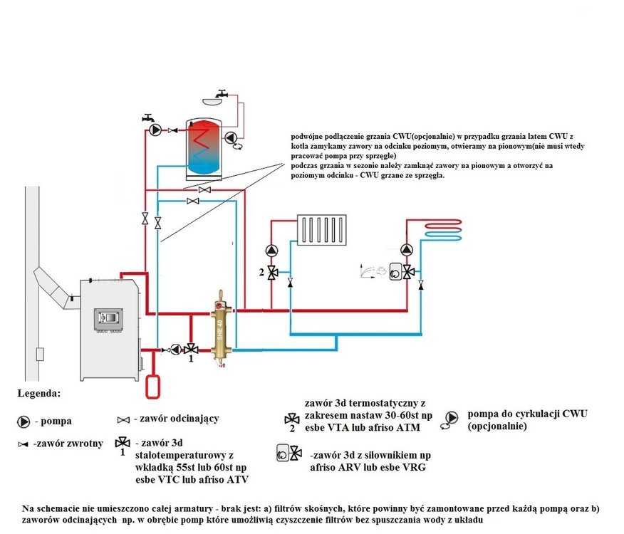
hajtaler428 Opublikowano 7 Stycznia 2020 #15 Opublikowano 7 Stycznia 2020 Lepiej czy nie lepiej to zależy - możliwe że CWU jest grzane tylko w sezonie grzewczym - wtedy lepiej za sprzęgłem, nie zakłóca się niepotrzebnie obiegu kotłowego(chwilowe spadki temp powrotu przy załączeniu pompy CWU). Można te zastosować podwójne podłączenie(przed i za sprzęgłem rownolegle z zaworami odcinającymi) jeżeli grzejemy CWU także w okresie letnim. Co kto lubi
MatBur Opublikowano 7 Stycznia 2020 #16 Opublikowano 7 Stycznia 2020 No wydaje mi się że naczynie wzbiorcze do co podpięte jest pod zasilanie z pieca . A naczynie zbiorcze do cwu jest zawór żeby można było łatwo zdemontować . Tak mówił hydraulik. co do podpięcia zasilania i powrotu do sprzęgła też mi to nie bardzo pasuje. Czy moglibyście mi wytłumaczyć o co chodzi z tą Atv-ką ?jak inaczej to zamontować ? A właśnie jeszcze jedno pytanie . Czy nie było by lepiej żeby cwu podpiąć przed sprzęgłem bezpośrednio z zasilania? Bo w lecie krótki obieg musi chodzić cały czas a pompa cwu się tylko zalacza . Co za tym idzie ciepło jest na maxxxa a i spalanie nie takie jak wszyscy mi mówili Dodaje jeszcze kilka zdjęć a jeśli chcecie jeszcze coś innego widziec to napiszcie i zrobię now Jak sprawdzam temperaturę zasilania powrotu na rozdzielaczach od podlogowki i grzejników to jest w granicach 3 stopni na podłogowe i 8 w grzejnikach więc celuje tylko w to sprzeglo Aha do czego służy ten zaworek na powrocie ze sprzęgła na ostatnim zdjęciu ?
MatBur Opublikowano 7 Stycznia 2020 #17 Opublikowano 7 Stycznia 2020 Sorki za te zdjęcia z przodu posta ale coś mi się samo nawciskało ...
gmaj22 Opublikowano 7 Stycznia 2020 #18 Opublikowano 7 Stycznia 2020 Do godziny możesz edytować wpisy i "odwciskać" zdjęcia.
hajtaler428 Opublikowano 7 Stycznia 2020 #19 Opublikowano 7 Stycznia 2020 Podłączone masz źle - powinno być tak jak na załączonym schemacie. ATV zgodnie z instrukcją tzn do przyłącza AB pompa z tłoczeniem w stronę powrotu kotła, do przyłącza A powrót ze sprzęgła, do przyłącza B zasilanie z kotła wspólne z zasilaniem sprzęgła. Naczynie CO w obieg kotłowy ale nie za zaworem i pompą tylko przed. Na zasilaniu też może być Jeżeli grejesz CWU latem to podłącz w obieg kotłowy lub podwójnie jak na schemacie poniżej wizualnie u Ciebie powinno to wyglądać tak
MatBur Opublikowano 7 Stycznia 2020 #20 Opublikowano 7 Stycznia 2020 Dzięki wielkie za podpowiedzi . Mam nadzieje że to coś pomoże
teres Opublikowano 7 Stycznia 2020 #21 Opublikowano 7 Stycznia 2020 10 godzin temu, Bencio napisał: Czyli wystarczyloby zastosowac wiekszy i sprawa przeplywow byla by z glowy? To już zależy od tego jaki przepływ jest wymagany, może teraz jest dobry, a problem leży gdzie indziej.
Rekomendowane odpowiedzi
Zarchiwizowany
Ten temat przebywa obecnie w archiwum. Dodawanie nowych odpowiedzi zostało zablokowane.