Elosek12 Opublikowano 14 Marca 2019 Autor #126 Opublikowano 14 Marca 2019 To nie lepiej odrazu 28 zrobić
mironw Opublikowano 14 Marca 2019 #127 Opublikowano 14 Marca 2019 I napiszesz nowy temat - nie wyrabia wymiennik jak włącza się CWU
Elosek12 Opublikowano 14 Marca 2019 Autor #128 Opublikowano 14 Marca 2019 To do pompy przed wymiennikiem dac 35 a dalej 28. I czy jak bym bojler za wymiennikiem dal to wtedy od pieca do wymiennika 28 starczy?. I czy wymiennik który wcześniej wysłałem jest ok
mironw Opublikowano 14 Marca 2019 #129 Opublikowano 14 Marca 2019 a ponoć latem miałeś palić tylko na bojler
Elosek12 Opublikowano 14 Marca 2019 Autor #130 Opublikowano 14 Marca 2019 No tak, to nie jest tak ze jak pompy nie działają do co to grzeje tylko bojler?
mironw Opublikowano 14 Marca 2019 #131 Opublikowano 14 Marca 2019 No nie tak -- jeśli dasz bojler za wymiennikiem to i on będzie musiał działać latem
Elosek12 Opublikowano 14 Marca 2019 Autor #132 Opublikowano 14 Marca 2019 A coś się stanie jak do naczynia otwartego puszczę tez 35. I czy wymiennik 40kw będzie dobry oraz czy będą na nim duze straty?
mironw Opublikowano 14 Marca 2019 #133 Opublikowano 14 Marca 2019 Przepis mówi krótko : bezpieczeństwa , w znośna, = rura stalowa , miedziana minimum 1 cal bez żadnych zaworów odcinających od kotła do naczynia wyrównawczego
Elosek12 Opublikowano 14 Marca 2019 Autor #134 Opublikowano 14 Marca 2019 Tak wiem ze minimum, ale chodzi mi czy wieksza rura nie będzie miała jakiś negatywnych skutków
mironw Opublikowano 14 Marca 2019 #135 Opublikowano 14 Marca 2019 nie tylko , koszty no i zbiornik wyrównawczy musiał by mieć większe króćce
Elosek12 Opublikowano 14 Marca 2019 Autor #136 Opublikowano 14 Marca 2019 Mam różnice między 35 a 28 ok 8zl na metrze rury więc myślę że sie skusze
mironw Opublikowano 14 Marca 2019 #137 Opublikowano 14 Marca 2019 6 godzin temu, Elosek12 napisał: To do pompy przed wymiennikiem dac 35 a dalej 28. I czy jak bym bojler za wymiennikiem dal to wtedy od pieca do wymiennika 28 starczy? tu szukasz oszczędności 5 minut temu, Elosek12 napisał: Mam różnice między 35 a 28 ok 8zl na metrze rury więc myślę że sie skusze A tu już nie CHŁOPIE włącz myślenie
Elosek12 Opublikowano 14 Marca 2019 Autor #138 Opublikowano 14 Marca 2019 Chodzi o złączki one najdroższe są, Do pomp mam więcej tych złączek niz do naczynia. A różnica między 28 a 35 wychodzi w mojej hurtowni ok 20zl na szt
Elosek12 Opublikowano 15 Marca 2019 Autor #139 Opublikowano 15 Marca 2019 Dobra jako ze robię instalacje dla siebie to od pieca do wyniennika cu35 z redukcją 28 na bojler od wyniennika cu35 i w domu do grzejników redukcją z cu35 do 22 do rozdzielacza grzejników i do podłogowki cu35 do cu28 czy będzie to poprawnie
mironw Opublikowano 15 Marca 2019 #140 Opublikowano 15 Marca 2019 jaki duży rozdzielacz CO ? 7 godzin temu, Elosek12 napisał: od wyniennika cu35 i w domu do grzejników redukcją z cu35 do 22 do rozdzielacza grzejników od wymiennika do domu miała być pre izolowana
Elosek12 Opublikowano 15 Marca 2019 Autor #141 Opublikowano 15 Marca 2019 Od wymiennika do Preizolowanej 35 i za Preizolowana w domu 35. Preizolowana 40
Elosek12 Opublikowano 15 Marca 2019 Autor #142 Opublikowano 15 Marca 2019 Rozdzielacz do grzejników 11 a do podłogowki 16
Elosek12 Opublikowano 15 Marca 2019 Autor #144 Opublikowano 15 Marca 2019 Wszystko ok tylko grzejniki mam na rozdzielaczu a nie chce w domu kuc
mironw Opublikowano 15 Marca 2019 #145 Opublikowano 15 Marca 2019 16 minut temu, Elosek12 napisał: Wszystko ok tylko grzejniki mam na rozdzielaczu no to przecież nic nie szkodzi 3D przed rozdzielacz i ok
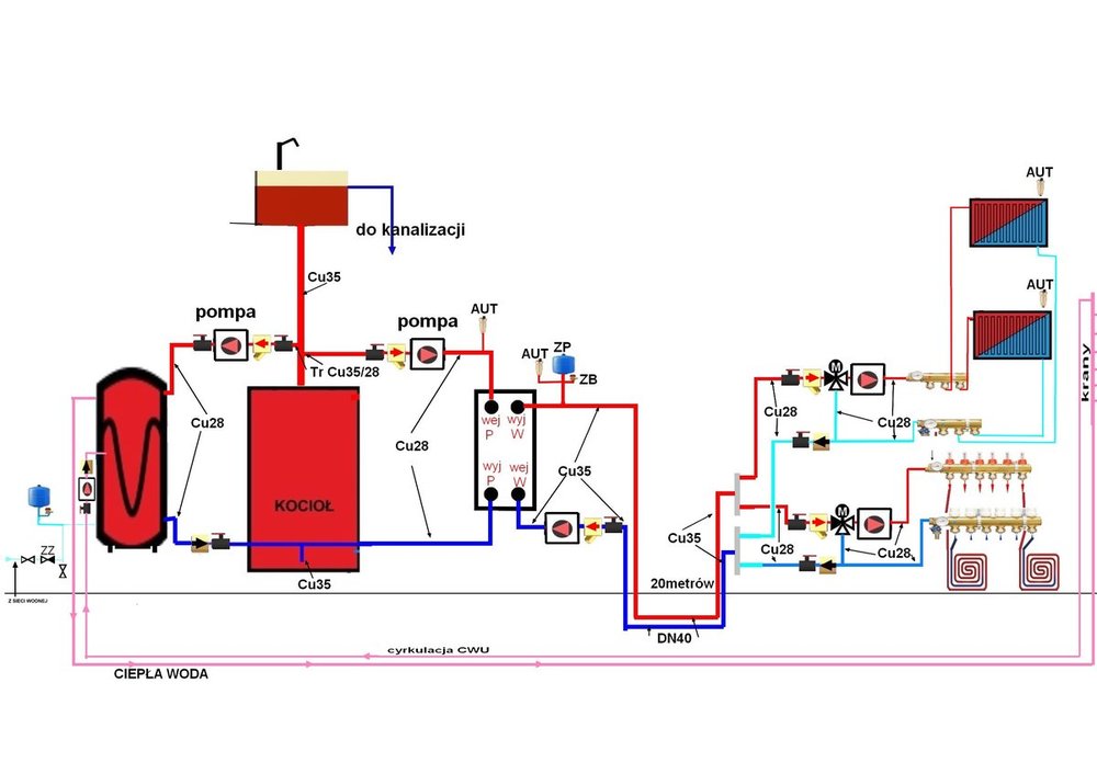
gmaj22 Opublikowano 15 Marca 2019 #146 Opublikowano 15 Marca 2019 Uwaga do schematu z postu #143: tu chodzi o bezpieczeństwo. Zbiornik membranowy na schemacie jest PRZED ZZ a powinien być za nim, jako pierwszy od strony bojlera. Tak jak jest podłączony na schemacie, NIE spełni swojej funkcji.
mironw Opublikowano 15 Marca 2019 #147 Opublikowano 15 Marca 2019 mała pomyłka dzięki za interwencje Poprawiam
mironw Opublikowano 15 Marca 2019 #148 Opublikowano 15 Marca 2019 19 minut temu, gmaj22 napisał: Uwaga do schematu z postu #143: tu chodzi o bezpieczeństwo. usunąłem aby nie mieszał
Elosek12 Opublikowano 15 Marca 2019 Autor #149 Opublikowano 15 Marca 2019 A w jakim celu jest ten mieszający na grzejniki co da
mironw Opublikowano 15 Marca 2019 #150 Opublikowano 15 Marca 2019 aby na grzejniki puszczać temperature jaką zażyczysz
Rekomendowane odpowiedzi
Zarchiwizowany
Ten temat przebywa obecnie w archiwum. Dodawanie nowych odpowiedzi zostało zablokowane.