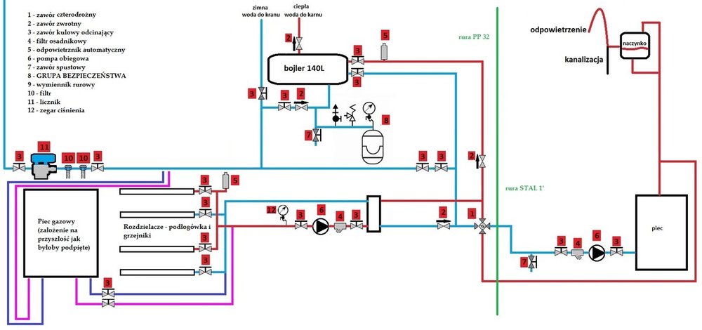
adi593 Opublikowano 29 Listopada 2018 #1 Opublikowano 29 Listopada 2018 Witam Panowie, To jest mój pierwszy temat. Przeczytałem sporo tematów i starałem się zaprojektować jak najlepiej potrafię cały schemat instalacji. Miałbym odnośnie tego pytanko czy jest szansa żeby ktoś ocenił mój projekt i czy to będzie w stanie działać. Odnośnie kotłowni i domu to jest to domek jednorodzinny o powierzchni 45m2 :) na całości położona będzie podłogówka oraz grzejnik w łazience. Dodatkowo w piwnicy będą zainstalowane grzejniki (jedna drabinka oraz oddzielnie grzejnik - piwnica będzie jako pralnio-suszarnia). Na chwilę obecną posiadam piec węglowy (śmieciuch tak zwany) i chcę go uruchomić wraz z resztą instalacji. Docelowo będzie założony piec gaz jednak muszę chwilę zaczekać na wszystkie pozwolenia tip. Jednak mimo pieca gazowego nie chcę rezygnować z pieca węglowego. Moim założeniem było żeby piec węglowy oraz bojler były na oddzielnym układzie otwartym zaś podłogówka i grzejniki w układzie ciśnieniowym (do którego następnie będzie podpięty piec gazowy dwu funkcyjny). Piec węglowy posiada sterownik z dmuchawą więc jakąś powiedzmy będę miał nad nim kontrolę. Podłogówkę zakładałem że będzie sterowana termostatami pokojowymi, jednak to nie jest wymogiem. Zagłębiając się w temat połączenia dwóch układów doczytałem, że musi być to wykonane przez wymiennik płytowy albo rurowy. Moje pytania odnoście instalacji są następujące: 1. Jakie powinny być średnice poszczególnych rur? (co udało mi się znaleźć to dopisałem w projekcie) 2. Jaką rurką zrobić wyjścia z pieca? Czy zwykłą stalową, czy miedzianą czy może być PP? 3. Czy zastosować zawór trójdrożny czy czterodrożny? 4. Oraz czy ogólnie wymyślany przeze mnie schemat w ogóle zadziała i będzie grzał? Z góry dziękuję za pomoc i wszelkie odpowiedzi :)
pięknyroman Opublikowano 29 Listopada 2018 #2 Opublikowano 29 Listopada 2018 10 minut temu, adi593 napisał: to jest to domek jednorodzinny o powierzchni 45m2 czy ty aby na pewno wpisałeś odpowiednią powierzchnię swojego domku?
adi593 Opublikowano 29 Listopada 2018 Autor #3 Opublikowano 29 Listopada 2018 Tak, na pewno :) Wiem że mały ale na chwilę obecną taki będzie. w późniejszym czasie rozbudujemy go do około 70m ale zapomniałem napisać o tym, przepraszam.
pięknyroman Opublikowano 29 Listopada 2018 #4 Opublikowano 29 Listopada 2018 47 minut temu, adi593 napisał: Moim założeniem było żeby piec węglowy oraz bojler były na oddzielnym układzie otwartym zaś podłogówka i grzejniki w układzie ciśnieniowym (do którego następnie będzie podpięty piec gazowy dwu funkcyjny). na chłopski rozum to ciężko będzie wykonać dwa układy różniące się od siebie..chyba że początkowo będziesz grzał tylko bojlerem ...A po założeniu kotła na gaz zepniesz całą resztę w układ zamknięty
adi593 Opublikowano 29 Listopada 2018 Autor #5 Opublikowano 29 Listopada 2018 dlatego chciałem zastosować wymiennik ciepła (w tym przypadku rurowy wymiennik) żeby z układu otwartego ciepło było przekazane na grzejniki i podłogówkę. a po zamontowaniu pieca gazowego i grzaniu na gazowym nie używałbym układu otwartego czyli bojler i piec. Dlatego też chce piec dwu funkcyjny żeby wodę podgrzewał mi przepływowo jedynie a reszta centralne.
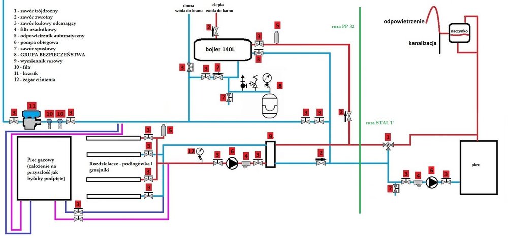
adi593 Opublikowano 30 Listopada 2018 Autor #6 Opublikowano 30 Listopada 2018 Po zagłębieniu się w kolejne Wasze opinie i dorady z innych tematów, usunąłem zawory trójdrożny oraz czterodrożny ponieważ przy wymienniku jest on zbędny mówiliście. Poniżej załączam kolejny schemat kotłowni - mam nadzieje że ktoś z was wyrazi opinie na jego temat.
odpowietrznik Opublikowano 30 Listopada 2018 #7 Opublikowano 30 Listopada 2018 Pompa ma tłoczyć do wymiennika płytowego a nie z niego ssać mam tu na myśli twój obieg kotłowy Ciekawe też jaki rodzaj grupy pompowej zostanie zastosowany dla podłogówki
adi593 Opublikowano 30 Listopada 2018 Autor #8 Opublikowano 30 Listopada 2018 Czyli zamienić miejsce pompy z powrotu na zasilanie bezpośrednio za piecem czy dać ją przed wymiennikiem na zasilaniu?
odpowietrznik Opublikowano 30 Listopada 2018 #9 Opublikowano 30 Listopada 2018 Jak w załączniku.Nie wiem jak się sprawdzi rozwiązanie z jedną pompą na wymiennik płytowy i bojler.Lepiej by było dać dodatkową pompę na CWU.Przy jednej pompie temp.wody w zasobniku=temp.wody na kotle
adi593 Opublikowano 30 Listopada 2018 Autor #11 Opublikowano 30 Listopada 2018 Ogólnie chciałem dać jedną ponieważ, nie wiem czy dobrze myślę ale układ z samym wymiennikiem będzie mały i czy szybko nie będzie się gotować w piecu dlatego chciałem dać bojler do tego układu. A po drugie zawór grzybkowy rozumiem że po to żeby zmniejszyć ilość ciepłej wody na bojler żeby więcej szło na wymiennik, dobrze to rozumiem?
odpowietrznik Opublikowano 30 Listopada 2018 #12 Opublikowano 30 Listopada 2018 Nie grozi zagotowaniem bo jest ciągły odbiór ciepła z wymiennika
adi593 Opublikowano 30 Listopada 2018 Autor #13 Opublikowano 30 Listopada 2018 Rozumiem, czyli lepiej zastosował dwie pompy i mają się one załączać równolegle rozumiem obie na raz? A i jeszcze jedno pytanie, czy jeden odpowietrznik teraz wystarczy przy bojlerze czy trzeba zastosować jeszcze przy wymienniku? Co do drugiego układu ciśnieniowego rozumiem że tam za nie muszę zmieniać nic?
odpowietrznik Opublikowano 30 Listopada 2018 #14 Opublikowano 30 Listopada 2018 Pompa na wymiennik musi pracować oczywiście cały czas a na zasobnik zależy czy ustawisz priorytet grzania CWU na sterowniku kotła.Ja u siebie mam spięte razem pompy: po stronie pierwotnej i wtórnej wymiennika,startują razem(nie mówię tu o pompie na CWU to osobna bajka)tylko o pozostałych dwóch
adi593 Opublikowano 30 Listopada 2018 Autor #15 Opublikowano 30 Listopada 2018 Odnośnie pomp przed wymiennikiem i za to chciałem obie żeby się załączały równocześnie a tak naprawdę 3szt. ponieważ jedna w rozdzielaczu podłogówki, druga w całym układzie ciśnieniowym z grzejnikami i trzecia po stronie pierwotnej. Dzięki wielkie za pomoc i dorady - powoli biorę się za składanie rozdzielni, jak uruchomie i złożę wszystko to dam znać jak wszystko działa :)
odpowietrznik Opublikowano 30 Listopada 2018 #16 Opublikowano 30 Listopada 2018 A jaka będzie ta grupa pompowa dla podłogówki?bo nie odpowiedziałeś
adi593 Opublikowano 30 Listopada 2018 Autor #17 Opublikowano 30 Listopada 2018 Ogólnie jeszcze nic nie odbierałem, będę się opierał co mi poleca tak naprawdę w hurtowni. Ogólnie mam aktualnie 6 obiegów podlogowki A później będę miał pewnie 2 dodatkowe i takiego rozdzielacze będę szukał z grupą pompową.
adi593 Opublikowano 3 Grudnia 2018 Autor #18 Opublikowano 3 Grudnia 2018 Witam ponownie, chciałbym jeszcze zapytać jeśli zamiast dokładania kolejnej pompy zastosowałbym zawór trójdrożny termostatyczny do bojlera i przykręcił go na daną temperaturę? Powiedzmy 40-50 stopni? Czy to miałby sens działania czy nie za bardzo?
odpowietrznik Opublikowano 3 Grudnia 2018 #19 Opublikowano 3 Grudnia 2018 Nie miałoby sensu)Jak już chcesz kombinować z CWU to mozesz dać zawór termostayczny o zwiększonym przepływie 3/4"z kapilarą którą umieszczasz w tulei zasobnika
Gość Digitrax Opublikowano 3 Grudnia 2018 #20 Opublikowano 3 Grudnia 2018 Mam u siebie tak, że jedna pompa po stronie pierwotnej tłoczy wodę do wymiennika płytowego i jednocześnie do wężownicy zbiornika CWU. Ten drugi na zasilaniu wężownicy ma zawór termostatyczny 1/2" z kapilarą do max 55 stopni. Reguluję nim wodę użytkową. W takim układzie z racji tego, że wężownica CWU ma mniejsze opory przepływu niż wymiennik płytowy w pierwszej kolejności kocioł nagrzewa mi zbiornik a gdy to nastąpi cały przepływ kierowany jest na wymiennik płytowy. Zaletą tego rozwiązania jest także stale ciepły powrót kotła. Pompa która mi ten obieg obsługuje to Grundfos Alpha 2 z Auto Adapt. Obecnie pobiera 7 W. Po stronie wtórnej wymiennika mam dwa obiegi: grzejnikowy i podłogowy z zaworem 3D sterowanym pogodowo. Tu także pracują takie same pompy i nie pobierają więcej niż 10 W każda. Wszystkie rury począwszy od kotła do rozdzielaczy to Cu 28. Gdyby teraz to robił to do wężownicy zbiornika dawałbym Cu22 lub nawet Cu18. Na grawitację nie liczę w tym obiegu. Średnica tej rury zależy od mocy wężownicy.
gmaj22 Opublikowano 3 Grudnia 2018 #21 Opublikowano 3 Grudnia 2018 Prawdę mówiac, to niepotrzebnie w obiegu pierwotnym oraz wtórnym na ogrzewaniu podłogowym z 3D dałeś pompy z AA. Jedynie na grzejnikowym wskazana, jesli sa na nich głowice termostatyczne.
Gość Digitrax Opublikowano 3 Grudnia 2018 #22 Opublikowano 3 Grudnia 2018 W wiatrołapie mam grzejnik w postaci wieszaka na ubrania i zasilam go z obiegu podłogówki. Jest na nim zawór termostatyczny więc czasem przepływ się zmienia na co pompa z AA reaguje. Podobnie na obiegu pierwotnym. Gdy zawór termostatyczny z kapilara otworzy się na max pompa z AA zwiększa obroty by wymiennik płytowy w tym czasie nie dostał za mało przepływu. PS: miałem dobre ceny na Grundfosa Alpha 2 AA więc wymieniłem wszystkie 3 (taniej niż wersje L na allegro). Poprzednio miałem Grundfosy 2 x 40 i 1 x 60. Chodziły do końca ale lubiły dużo prądu, więc przestałem je lubić :)
gmaj22 Opublikowano 3 Grudnia 2018 #23 Opublikowano 3 Grudnia 2018 To akurat tłumaczy Twoja "rozrzutność" :)
adi593 Opublikowano 4 Grudnia 2018 Autor #24 Opublikowano 4 Grudnia 2018 Panowie mam teraz następujące pytanie odnośnie pomp, czy też mam zaopatrzyć się w pompy z auto adaptacją czy wystarczą zwykłe? Podłogówka będzie posiadała zawory jak i grzejniki w piwnicy. I rozumiem że w obiegu pierwotnym zastosować jedną pompę, a w obiegu wtórnym dwie pompy, jedna w rozdzielaczu z podłogówką a druga na grzejniki? Oraz mam jeszcze pytanko panowie, czy rozdzielacz od podłogówki można powiesić dogóry nogami? czyli że rotametry będą nie do góry tylko do dołu?
MikiQ Opublikowano 4 Grudnia 2018 #25 Opublikowano 4 Grudnia 2018 Oraz mam jeszcze pytanko panowie, czy rozdzielacz od podłogówki można powiesić dogóry nogami? czyli że rotametry będą nie do góry tylko do dołu? A czemu chcesz wieszak rozdzielać odwrotnie? W tej sytuacji możesz mieć problem z odpowietrzeniem pętli. Wysłane z mojego HTC U12+ przy użyciu Tapatalka
Rekomendowane odpowiedzi
Zarchiwizowany
Ten temat przebywa obecnie w archiwum. Dodawanie nowych odpowiedzi zostało zablokowane.