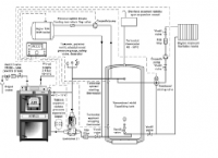
Charnay Opublikowano 8 Grudnia 2017 #1 Opublikowano 8 Grudnia 2017 Witam. Bardzo proszę o radę, jak rozwiązać opisany niżej problem. Na początku informacja o układzie: 1. Kocioł zgazowujący drewno Atmos 25 kw. 2. Bufor 1500 l. 3. Laddomat - wkładka 72 st. 4. Podłączenie bufora wg schematu Atmosa (takie wymagania dał serwisant): na górze bufora wejście/wyjście na tym samym króćcu, powrót z obiegów między laddomatem a buforem. 5. Bojler c.w.u - 300 litrów, c.o. - tylko kaloryfery. 6. Zawór 3D za pompą c.o. - kontroluje temperaturę wychodzącą na obieg c.o. Problem: Pompa c.o. załącza się przy 75 stopniach i do obiegu kotłowego wraca zimny powrót z kaloryferów. Zimna woda studzi obieg kotłowy, laddomat zamyka wkładkę, temperatura spada do sześćdziesięciu kilku stopni. Pompa c.o. wyłącza się. Kocioł podnosi temperaturę w obiegu, znowu otwiera się laddomat przy 72, rusza pompa c.o. przy 75 i znowu wraca zimna woda z powrotu i wszystko studzi się raz jeszcze. Taki cykl trwa ponad godzinę, dopiero gdy nagrzeje się obieg c.o., to kocioł jest w stanie utrzymać i lekko podnieść temperaturę, bez tej czkawki. Zawór 3D w tym układzie nie jest w stanie sterować temperaturą powrotu z c.o., bo pompa jest za nim, a nie przed nim. Myślałem o tym, by pompę dać przed zaworem i wtedy uzyskam kontrolę nad temperaturą powrotu z obiegu, ale stracę kontrolę nad temperaturą wody wychodzącej na kaloryfery... Pytanie jest takie: czy jest jakiś magiczny sposób, by jednocześnie zapanować nad temperaturą powrotu i zasilenia? Załączam uproszczony schemat instalacji, zabezpieczenia i zawory pominąłem, bo są tu bez znaczenia. Z góry bardzo dziękuję za pomoc.
sambor Opublikowano 8 Grudnia 2017 #2 Opublikowano 8 Grudnia 2017 Nie ma magicznego sposobu, to jest po prostu zły schemat, o czym sam się teraz przekonujesz. Wyjście i powrót odbiorów musi być z drugiej strony niż zasilanie i to wszystko
Charnay Opublikowano 8 Grudnia 2017 Autor #3 Opublikowano 8 Grudnia 2017 Dzięki za odpowiedź. Rzecz w tym, że wcześniej miałem zamontowane tak jak piszesz: zasilanie bufora z jednej strony, wyjście na układy z drugiej, powroty analogicznie. I przyszedł gość z Atmosa i wbił mi do książki gwarancyjnej wpis, że układ jest zamontowany niezgodnie z instrukcją obsługi. Wiesz co to oznacza: de facto utratę gwarancji na kocioł. Dlatego przerobiłem. Faktem jest, że wcześniej miałem dostęp do gorącej wody dopiero wtedy, gdy nagrzała się przynajmniej góra bufora, teraz zaś ciepło idzie na dom od razu, a bufor przejmuje nadwyżki. To duża poprawa tempa nagrzewania i z tego jestem zadowolony. Ale problemem jest to "dławienie" się kotła przy początkowo zimnym powrocie.
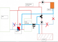
gmaj22 Opublikowano 8 Grudnia 2017 #4 Opublikowano 8 Grudnia 2017 Skoro koniecznie chcesz mieć tak jak w "serwisówce" Atmosa, to sądzę, że układ powinien wyglądać tak:
odpowietrznik Opublikowano 8 Grudnia 2017 #5 Opublikowano 8 Grudnia 2017 Źle wpięty powrót z bojlera powinien być pomiędzy kotłem a lodo I znów mnie ubiegł ;) coś nie tak z moim refleksem,człowiek się starzeje)chyba trza pomału umierać)
gmaj22 Opublikowano 8 Grudnia 2017 #6 Opublikowano 8 Grudnia 2017 :)))) Obiecuję, że zaczekam następnym razem :)))
Charnay Opublikowano 8 Grudnia 2017 Autor #7 Opublikowano 8 Grudnia 2017 Wytłumaczcie proszę, dlaczego źle wpięty powrót? Jak dam zimny powrót między kotłem a laddomatem, to jeszcze bardziej tracę kontrolę nad obiegiem kotłowym, bo wkładka laddomatu przestaje mieć sens - może się zamykać czy otwierać, a powrót z obiegiem kotłowym miesza się poza laddomatem w niekontrolowany spoósb.
gmaj22 Opublikowano 8 Grudnia 2017 #8 Opublikowano 8 Grudnia 2017 Bilans się nie będzie zgadzać. Jak chcesz jak piszesz, to zasilanie bojlera musiałoby być miedzy zasilaniem laddomatu a buforem.
Charnay Opublikowano 8 Grudnia 2017 Autor #9 Opublikowano 8 Grudnia 2017 Rzecz w tym, że to wszystko chodzi i bilans się zgadza. Układ wspólnego wejścia/wyjścia na górze bufora sprawia, że podczas pracy laddomatu na początku grzania całość gorącej wody idzie na obieg i całość wraca, czyli bufor nie bierze udziału w tym cyklu. Jak nagrzeje się bojler, to odpada jedna pompa i wtedy mniej więcej 1/4 gorącej wody idzie na bufor, a 3/4 odbierane są przez pompę c.o. Gdybym zrobił tak jak piszecie, to nie miałbym szans podładować bufora równolegle z kaloryferami właśnie dlatego, że bilans by nie pozwolił, bo cały powrót wchodziłby do obiegu kotłowego, a nie częściowo do bufora.
Charnay Opublikowano 8 Grudnia 2017 Autor #10 Opublikowano 8 Grudnia 2017 A jeśli dałbym zasilanie układu c.o./c.w.u między zasilaniem ladomatu a wyjściem/wejściem bufora, to czy nie byłoby takiej sytuacji, że pomimo pracy kotła pompa c.o. wykorzystywałaby wodę z bufora, zamiast brać bezpośrednio z obiegu kotłowego?
odpowietrznik Opublikowano 8 Grudnia 2017 #11 Opublikowano 8 Grudnia 2017 Coś kombinujesz na rentę zamiast zrobić jak w książkach piszą)
Charnay Opublikowano 8 Grudnia 2017 Autor #12 Opublikowano 8 Grudnia 2017 I bądź tu człowieku mądry. Jeden schemat taki, drugi inny. Atmos pokazuje inaczej...
gmaj22 Opublikowano 8 Grudnia 2017 #13 Opublikowano 8 Grudnia 2017 No właśnie...przyjrzyj się dokładnie i zobacz, gdzie masz błąd :) Pomogę Ci: widzisz różnicę? Czerwoną kreską zaznaczyłem jak to jest zrobione u Ciebie wg Twojego szkicu.
Charnay Opublikowano 8 Grudnia 2017 Autor #14 Opublikowano 8 Grudnia 2017 Cholera, faktycznie! Nie zwróciłem na to wcześniej uwagi - dzięki. Ale OK, moje pytanie nadal jest aktualne: czy przy schematowym podłączeniu pompa nie będzie wyciągać wody z bufora, zamiast z obiegu kotłowego? Jaką faktyczną zmianę odczuję przerabiając ten układ ściśle wg schematu (a nie bardzo mam na to miejsce)? No bo przecież nie będzie to miało chyba wpływu na problem, który opisałem w pierwszym poście. Czy będzie miało...?
hajtaler428 Opublikowano 8 Grudnia 2017 #15 Opublikowano 8 Grudnia 2017 No dokładnie - wcześniej miałeś dobrze podłączone i zgodnie ze schematem. Ten serwisant to jakiś analfabeta bez pojęcia Jak laddomat wyciągnie ciepło z bufora? Będzie go ładował ale będzie zmknięte przyłącze na duży obieg dopóki wkładka nie dostanie odpowiedniej temp do otwarcia(na tym polega ochrona powrotu i sens stosowania laddomatu) Pompa laddomatu m chodzić cały czas. Takie podłączenie to jedymne sensowne - łądujesz najpierw bufor kocioł pracuje z max mocą w kotle gaśnie a bufor rozładowujesz przez x czsu(zależy od zapotrzebowania)
Charnay Opublikowano 8 Grudnia 2017 Autor #16 Opublikowano 8 Grudnia 2017 Nie, nie laddomat, ale czy pompa obiegowa c.o. będzie rozładowywała bufora pomimo pracy kotła? Wiadomo przecież, że dopóki wkładka się nie otworzy, to ciepło na obieg c.o. pójdzie z bufora i powrót z sieci do bufora wróci, a obieg kotłowy spokojnie nabierze temperatury (zakładając, że pompa c.o. włączona jest przed otwarciem laddomatu). Natomiast jak podniesie się temperatura, to otworzy się wkładka, ale wcale nie musi brać wody z bufora, tylko weźmie z powrotu z dużego obiegu i na duży obieg da zbilansowaną ilość. Innymi słowy obawiam się, że nie będzie grzania bufora, a jedynie układ c.o., a ładowanie bufora zacznie się dopiero po wyłączeniu pompy c.o. Sorry, że dzielę włos na czworo, ale decyzje o kolejnych przeróbkach przychodzą ciężko ;-) No i w żaden sposób nie rozwiązuje to mojego problemu głównego, czyli wychładzania obiegu kotłowego przez powrót z kaloryferów.
hajtaler428 Opublikowano 8 Grudnia 2017 #17 Opublikowano 8 Grudnia 2017 Jeżeli zrobisz prawidłowo czyli tak jak miałeś wcześniej zgodnie ze schematem Atmosa czy @odpowietrznika (tu jest lepsze rozwiązanie z CWU bo nie musisz grzać bufora żeby grzać CWU np latem ale nie ma takiego podłączenia w schematach Atmosa więc żeby się nie czepiał serwis lepiej podłączyć za buforem) to powrót z grzejników nie będzie miał wpływu na temp powrotu kotła tylko bufora. Obieg kotłowy i CO to dwa niezależne obiegi rozdzielone sprzęgłem którym jest bufor. Zmień to podłączenie a Twoje problemy znikną.
kiminero Opublikowano 8 Grudnia 2017 #18 Opublikowano 8 Grudnia 2017 Wkładka 72 st. Musi być aż tyle? Generalnie teraz ochrona powrotu działa zgodnie z założeniami. To co próbujesz uzyskać, to ochrona powrotu dla ochrony powrotu. Myślę, że sytuacja by się poprawiła, gdybyś wpiął powrót z grzejników bezpośrednio do bufora i wykorzystał dzięki temu jego funkcję sprzęgającą.
sambor Opublikowano 8 Grudnia 2017 #19 Opublikowano 8 Grudnia 2017 O tym samym pisałem w poście 2 , ale czasem człowiek nerwa dostaje na takich serwisantów. Dla kotła HG 72C to normalne.
Charnay Opublikowano 8 Grudnia 2017 Autor #20 Opublikowano 8 Grudnia 2017 Dzięki wszystkim za zainteresowanie i pomoc :-) . A więc tak: 1. Przerabiać z powrotem wg starego schematu nie chcę, bo obecnie mam większy komfort niż wcześniej: ogrzewam dom i c.wu. od razu, a nie dopiero po nagrzaniu bufora, a to jest dla niektórych domowników ważne, jeśli wiecie kogo mam na myśli... ;-) 2. Błąd, na który wskazali koledzy "gmaj22" i "odpowietrznik" jest oczywisty i po dłuższym zastanowieniu podejrzewam, że może to być jednak przyczyna tej "czkawki" temperatury na kotle. 3. Obecnie, przy błędnym podłączeniu, wygląda to tak: pompa c.o. bierze ciepło z bufora i odprowadza powrót do bufora, powrót jest gorący, gdy w domu ciepło. Ale jak włączę laddomat, bo rozpalam w kotle, to pompa c.o. natychmiast przestaje brać z bufora i bierze wodę zimną z obiegu kotłowego i wychładza kaloryfery (oraz powrót!), a obieg kotłowy nie może się stosownie szybko podnieść; wygląda to tak, jakby zamiast krótkiego obiegu na laddomacie, nagrzewał się cały duży obieg i trwa to bardzo powoli. Aby uniknąć tego czekania i pracy na chłodnym powrocie, obecnie na czas rozpalania wyłączam pompy obiegowe i pracuje jedynie laddomat, a pompy włączają się po nagrzaniu krótkiego obiegu. Ale wtedy pojawia się opisana wyżej "czkawka". 4. Rozwiązanie, czyli prawidłowe podłączenie wg schematu Atmosa dałoby następujące zachowanie układu: póki laddomat się nie otworzył, to nagrzewa się niezależnie od obiegu c.o./c.w.u., a pompy obiegowe biorą ciepło z bufora i oddają powrót do bufora. Jak laddomat się otworzy, to podbierze przede wszystkim ciepły powrót z obiegu i odda podgrzaną wodę do obiegu na górze. Tu w grę wchodzi trójdrogówka na c.o.: jak powrót zacznie być gorący, to się przymknie i zmniejszy ilość gorącej wody idącej na kaloryfery. Ale żeby bilans w obiegu kotłowym się zgadzał, to laddomat pociągnie więcej wody z dna bufora i zacznie porządnie ładować bufor od góry. I wszystko będzie grało. 5. A więc pytanie do Szanownych Kolegów: czy mam rację, czy tak to ma szansę zadziałać?
gmaj22 Opublikowano 8 Grudnia 2017 #21 Opublikowano 8 Grudnia 2017 Ponizej masz bardziej przejrzysty schemat, również z Atmosa, więc serwisant się nie przyczepi. Jest to rozwiązanie, o którym wspominał @sambor.
Charnay Opublikowano 8 Grudnia 2017 Autor #22 Opublikowano 8 Grudnia 2017 Dzięki. Mam jeszcze pytanie, czy ma znaczenie fakt, że na tych schematach obieg kotłowy jest trochę niżej niż linia zasilająca układ i bufor? Na załączonym schemacie zaznaczyłem to kółeczkami. Czy ta różnica wysokości jest ważna, czy ma związek z ładowaniem grawitacyjnym?
sambor Opublikowano 8 Grudnia 2017 #23 Opublikowano 8 Grudnia 2017 To nie ma różnicy, ponadto aby było grawitacyjne ładowanie bufora, trzeba ominąć ladommat Zawsze będzie różnica wysokości, gdyż kocioł jest niższy od bufora
navo Opublikowano 3 Stycznia 2018 #24 Opublikowano 3 Stycznia 2018 Witam wszystkich użytkowników. Podepnę się pod temat, bo mam taki sam kociołek atmos 25, który pracował 17 lat bez bufora na zaworze 4-dożnym. Załączę schemat mojego połączenia poniżej. Teraz mam nowy kociołek atmosa i chciałbym zmodernizować instalację i dołożyć bufor na razie jeden 1000 l , laddomat.. Moje pytanie czy mogę wykorzystać instalację istniejącą z zaworem 4-drożnym czy założyć zawór 3-drożny? Mam otwarty system i nie wiem czy go zamykać, naczynie wyrównawcze może mi się nie zmieścić w najwyższym punkcie ze względu na rozmiar po dołożeniu bufora. Czy w układzie zamkniętym będzie działać grawitacyjnie kocioł-bufor. Czy kocioł po wygaśnięciu nie wychładza bufora? Jakie jest lepsze podłączenie bufora czy atmosowskie czy przez bufor? Z góry dziękuję za pomoc . Pozdrawiam
Charnay Opublikowano 14 Stycznia 2018 Autor #25 Opublikowano 14 Stycznia 2018 No dobra, skoro zacząłem temat, to go również skończę.Zrobiłem przeróbki tak jak sugerowaliście, wg schematu Atmosa zamieszczonego przez Gmaja22. Wszystko działa wreszcie jak należy. Na początku rozpalania, kiedy laddomat jest zamknięty, pompa obiegowa bierze ciepło z bufora i powrót z kaloryferów trafia do bufora na dole. Mały obieg kotłowy nagrzewa się szybko i spokojnie i kiedy wkładka otwiera laddomat, ciepły powrót z kaloryferów wraca do kotła i nie wychładza go w zasadzie wcale. Zawór 3D pilnuje temperatury powrotu na poziomie 36-38 stopni i to mi zapewnia utrzymanie komfortu, a jednocześnie umożliwia uzyskanie nadwyżki ciepłej wody w obiegu, która odprowadzana jest do bufora. Układ Atmosowski, w którym w buforze jest jedno wejście/wyjście u góry i jeden powrót sprawdza się. Ma on przewagę na popularnym układem dwóch króćców, gdzie jednym końcem bufor jest ładowany, a drugim rozładowywany. Przewaga polega na tym, że mam praktycznie od razu (od momentu otwarcia laddomatu) dostęp do gorącej wody i mogę ją skierować na obieg. W tym drugim przypadku, kiedy bufor jest zimny, musiałbym czekać, aż nagrzeje się góra buforu i dopiero wtedy mógłbym puścić wodę na grzejniki. Na własnym przykładzie widzę więc, że Czesi przemyśleli sprawę. Dziękuję wszystkim za pomoc. Powyższy opis prawidłowo działającej instalacji zostawiam ku pokrzepieniu kolejnych poszukujących... :-) Pozdrawiam was wszystkich.
Rekomendowane odpowiedzi
Zarchiwizowany
Ten temat przebywa obecnie w archiwum. Dodawanie nowych odpowiedzi zostało zablokowane.