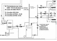
gastek Opublikowano 5 Grudnia 2016 #1 Opublikowano 5 Grudnia 2016 Witam forumowiczów. Piszę ponieważ już mi ręce opadły, mam dość ciągłego odpowietrzania i szukania na własną rękę co jest nie tak z tą instalacją C.O. i C.W.U. Na wstępie napiszę w czym jest problem, mianowicie instalacja powiedzmy że pracuje normalnie. Podłoga grzeje ? Grzeje! Grzejniki grzeją a no grzeją! Woda ciepła jest,? no kurde jest! Więc w czym problem ?? Problem leży w tym iż gdy chcę iść spać to słyszę na termostatach Danfossa szum, w każdym pokoju(3x) i w łazience na drabince(zawór kulowy, nie termostat.), no i gdy przechodzę koło skrzynki natynkowej z rozdzielaczami obwodów podłogówki to słyszę szum pompy. W dzień gdy żona hałasuje i mały drze sie na cały regulator to jest spoko ;) Ale w nocy gdy masz już dość i ledwo się dowlokłeś do wyra to kurde to wszystko słyszysz... Ok do rzeczy, gdy palimy bulgotu na piecu nie słychać, załącza się najpierw pompka w temp 38st od C.O. połączona równolegle z pompką C.O. podłogówki, słyszymy pierwszy szum wody bulgot delikatny w rurach ?? może na pompach CO i podłogi ? Ciężko stwierdzić ale na bank z tego obwodu. Czekamy... czekamy...(myślę że nie długo, dość sprawnie to idzie) aż pompy wymieszają obieg podłogi i C.O. z wodą z pieca zrówna się temperatura i piec grzeje... grzeje osiąga temperaturę 40 st i załącza się pompa C.W.U. i wtedy mam wrażenie że coś chwilowo się dzieje z wodą w rurach od C.O.(ciężko to opisać, może tak jakby mocniejsze napowietrzenie?? po czym ustaje ale w tym samym czasie słyszymy jak pompa C.W.U. przelewa wodę z powietrzem, i już zaczyna się szum i z obydwu obwodów. Wniosek jasny powietrze, bądź wodór bądź jedno i drugie. Każdy z użytkowników otwartego C.O. pójdzie odpowietrzać manualne odpowietrzniki na grzejnikach tym czasem na nich fajnie woda leci bez powietrza, temperatura fajna grzejnik nagrzany ciepełko bije od nich jak chatka osiągnie temp 21 -22 st(3 stopień nastawy na grzejnikach z zamontowanymi danfossami). Gdy ta temperatura zostanie osiągnięta i gdy jest w miarę cicho w domu to słychać szum na grzejnikach/termostatach? Kurcze nie potrafię tego sprecyzować. Oczywiście na pompach od C.O. podłogi i grzejników cały czas mamy szum raz większy raz mniejszy czasem pompka pobrzęczy jedna i druga a nawet trzecia od C.W.U. .Człowiek próbuje sobie jakoś sam poradzić zamyka zawory na powrocie by pompki zakotłowały obróciły te powietrze raz pomoże że na chwilę te szumy ustaną a raz nie loteria. Oczywiście jak podgotowywałem wodę na piecu z nadzieją że wywali całe powietrze (80-85) bez rezultatu, dolewam wodę po każdym "odpowietrzaniu" cyklu palenia czasem po 4 tak by sprawdzić rezultat czy jest poprawa ale jest delikatna może już mi się wydaje że bywa lepiej, ale wraca ta kakofonia. Ale co do tych dolewań to mam ciągłe wrażenie że jest to raczej uzupełnienie wody z zbiornika przeponowego gdy się nagrzeje to się rozszerzy uleje do kanalizy i mam wrażenie że ciągle dolewam właśnie ten ubytek. Na dole pieca na wlewie zamontowałem nanometr ale np. gdy nie dolewałem wody to nie widziałem na nim by wskazówka opadała. a gdy dolałem to Mozę wskazówka podskoczyła o 1mm. ale po paleniu wraca na swoje miejsce, myślę że instalacja szczelna ponieważ nowa i w miedzi. Generalnie zaczęło mi to wszytko przeszkadzać gdy założyłem danfossy na grzejnikach ponieważ wcześniej instalator zostawił mi jedynie możliwość ustawiania temperatury na zaworze 4 drożnym w kotłowni(wtedy rzadko słyszałem by jakiś pęcherzyk powietrza przeskoczył przez grzejnik), było to mocno nie praktyczne bo pokoje nie nagrzewały się równomiernie jedne były gorętsze drugie mniej no rzecz oczywista pierwszy kaloryfer wytracał moc drugi trzeci i tak sprawność spadała z kaloryfera na kaloryfer, takie wnioski mam. Wcześniej wszędzie były ręczne odpowietrznik na pionach jak odkręcałem był krótki syk ale rezultat żaden na drabince w łazience po odkręceniu też nie krótki syk i brak rezultatu. Człowiek po tylu tygodniach obserwacji zmagań zaczyna głupieć ;) Już sam nie wie gdzie problem może być. No więc wziąłem poziomicę w rękę i sprawdzam grzejniki... a tu każdy idealnie prosto, no patrz ty jaki instalator był :D choć mógł by zrobić delikatny skos 1mm na grzejnikach by powietrze uciekało do narożników z odpowietrznikami. Ale tu prosto jak strzała kurde miał oko podczas wiercenia uchwytów szacun dla faceta. No dobra brak skosu na grzejnikach... a grzejniki grzeją po odkręceniu zaworu odpowietrzającego Cichosza brak syku powietrza tylko woda leci. Dobra to ja z poziomką biegnę do łazienki drabinkę badam poziom a tu bubel :) Mianowicie lewy róg drabinki tam gdzie był odpowietrznik był delikatnie niżej jak prawy(z prawej strony na dole wychodzi zasilanie do drabinki) ok no to chciałem ją poprawić ale tutaj instalator chyba miał gorszą chwilę bo są źle otwory ponawiercane i nie ma możliwości poprawy tak by lewy róg był wyżej od prawego(zasilanie na dole). Kurcze no możliwość jest wiercić w płytkach ale nie chcę tego nowe są. Ok więc przeniosłem automatyczny odpowietrznik z lewego rogu na prawy. po paleniu były syki ale dalej instalacja pracuje tak jak pracowała :((( Zbiornik C.W.U. jest powieszony w taki sposób że jego lewa strona (strona od zasilania i powrotu) jest niżej od strony podającej ciepłą wodę na dom oczywiście odpowietrznik znajduje się zaraz za pompką przed zbiornikiem, niby ok . Podłogi już sprawdzić nie umiem, zawierzam automatycznym odpowietrznikom na rozdzielaczu. Instalacja dalej działa głośno z bulgotaniem i szumem. Proszę o pomoc bo już nie potrafię sam sobie poradzić. Dołączam zdjęcia przedstawiające instalację oraz schemat ideowy własnego artystycznego malunku ;) Bardzo a to bardzo proszę choćby o naprowadzenie gdzie może być problem. Technikalia: Dom nowy porządnie ocieplony Komin fi=200 wkład ceramiczny Piec Defro Optima komfort 12KW węglowiec górnego spalania Sterownik bez PID (bez sondy mierzącej temp. w czopuchu) Zasilanie CO i powrót połączony zaworem 4d Afrizo Zasilanie Podłogówki wraz z powrotem połączony zaworem 3d Afrizo 3 pompki ustawione na najniższym biegu (C.O. C.W.U. Podłoga) Na grzejnikach termostaty Danfoss RAW-K5135 Na grzejnikach manualne odpowietrzniki Zbiornik wyrównawczy 30L Zbiornik C.W.U. Kospel 140L
papasmurfek Opublikowano 6 Grudnia 2016 #2 Opublikowano 6 Grudnia 2016 P pierwsze to brak zaworów zwrotnych za pompami, Po drugie zasilanie i powrót z podłogówki wpięty przed zaworem 4D a powinno być za. Odpowietrznik od pionu grzejnikowego zakręć po odpowietrzeniu. To samo na belce powrotnej z podłogówki.
odpowietrznik Opublikowano 6 Grudnia 2016 #3 Opublikowano 6 Grudnia 2016 Nie montuje się pomp puszką elektryczną do dołu.Rozdzielacz nie przystosowany do ogrzewania podłogowego(brak rotametrów) wszystkie pętle odkręcona na full=zero regulacji
henryk1953 Opublikowano 6 Grudnia 2016 #4 Opublikowano 6 Grudnia 2016 Z tego co piszesz ,a piszesz za dużo ,az czytać się nie chce - wynika ze problem powstał po zamontowaniu zaworów term, przy grzejnikach.Rozwiązaniem montaż pompki z funkcją auto adapt i brak termostatycznego w łazience.Lub montaz odpowiedniego zaworu różnicowo -upustowego. Jezeli przy odpowietrzaniu z grzejników leci ci woda to nie - dolewaj za kazdym razem wody do instalacji ,taka woda zawiera duzo powietrza. I na boga nie dław pompek na ssaniu ,w ten sposób też doprowadzisz do zapowietrzenia ,poza tym to jest szkodliwe ,powstaje zjawisko kawitacji.Przypuszczam ze o zmianie prędkości na pompkach wiesz.Jakie masz pompki i na których biegach pracują? Jezeli chciałeś wyrównać temperaturę w pomieszczeniach to wystarczyło odpowiednio skryzować grzejniki. A o reszcie koledzy napiszą.
gastek Opublikowano 6 Grudnia 2016 Autor #5 Opublikowano 6 Grudnia 2016 Dziękuję za zainteresowanie tematem. Papasmurfek, piszesz o błędnie wykonanej instalacji, czyli jeśli nie poprawię tych błędów nie uniknę zapowietrzania? Jest to niezbędne? Piszesz także o zaworach zwrotnych nie jestem hydraulikiem czy masz na myśli taki zawór ? Czy może jakiś inny? Masz coś do polecenia? http://sklep.tubes-international.pl/pl-PL/produkt/show/8615/16347/935/Zawory-zwrotne-i-filtry/Zawor-zwrotny-klapowy-typ-2251-GWGW-BSP-1?gclid=CNqFvLSO39ACFQ2eGwodjVoJdQ Rozumiem że przed zaworem i za zaworem dajemy zawór kulowy abyśmy w przyszłości mogli go łatwo i sprawnie wymienić w razie awarii. Taki zawór może pracować w pionie jak i w poziomie. Ok za pompką od podłogówki jest miejsce na wpięcie tego. Generalnie za pompką od grzejników też widzę miejsce gdzie wpiąć. Ale jak kolega by to rozwiązał w przypadku pompki przy Kospelu? Ok przepięcie podłogówki nad zawór 4D też nie powinien być trudny, jednak dla czego powinno się to wykonać ? Kolego w innych tematach pisali o konieczności stosowania filtra wody, gdzie go umieścić i jak to powinno się robić? Kolega odpowietrznik: Zgodzę się z Tobą co do montażu pompek z racji wykonywanego zawodu. Co do tego rozdzielacza kurcze masz też rację, jak mi to robili ja się na tym kompletnie nie znałem(moja pierwsza instalacja CO) teraz już wiem że powinno to być inne, jednak na początek ogarnę problem z kotłownią, potem zajmę się tym. A czy kolega mógł by pokazać jakieś dobre nie zadrogie rozwiązanie ? Oczywiście mowa tu tylko o belce zasilającej tak ? Kolega henryk1953, dziękuję za sugestię że przynudzałem tym teksem, ale wiem o tym. Pisząc taki elaborat miałem na celu dokładne zapoznanie kolegów z moim problemem. Tak ten problem powstał dopiero po założeniu termostarów, generalnie on występował wcześniej tyle że nie było to aż tak dokuczliwe, bo powietrze sobie hulało ale nic go nie dławiło i nie odczuwało się tego tak mocno. Zalecasz także zastosowanie termostatu przy drabince w łazience, da się zrobić ale po co ? Ta drabinka nie ma na celu ogrzewania pomieszczenia (od tego tam mam podłogówkę) ona służy do suszenia ręczników jak się wysuszą to zakręcam i wsio. Zmiana prędkości pompek oczywiście też z tym kombinowałem w różnych nastawach ale bez większych zmian, obecnie pracują na I biegu wszystkie 3. Pisał kolega też o: Rozwiązaniem montaż pompki z funkcją auto adapt i brak termostatycznego w łazience.Lub montaz odpowiedniego zaworu różnicowo -upustowego Czy mógł bym prosić o przykład jakiś konkretnych modeli producentów? Jak to się ma do pomysły kolegi papasmurfa? Bo tutaj ten zabieg zdecydowanie mniej pracy wymaga. Ale to znowu 3 takie pompki czy jak bo nie potrafię zrozumieć co kolega miał na myśli.
Franek19 Opublikowano 6 Grudnia 2016 #6 Opublikowano 6 Grudnia 2016 Witam!.Problemem jest powietrze dostające się do instalacji. Należy poszukać miejsca którędy się dostaje. Myślę, że przyczyną tego rzeczy stanu mogą być odpowietrzniki automatyczne, brak zaworów zwrotnych przy pompach. Na początek proponuję,żebyś przed odpowietrznikami zamontował zawory-mogą być kulowe-zamknięte w czasie pracy pomp.Odpowietrzanie będzie wtedy ręczne poprzez otwarcie zaworów, w czasie postoju pomp. Odpowietrzenie całej instalacji może potrwać. Warunek jest jeden- odpowietrzniki zamontowane w najwyższych miejscach. Dobrze by było gdyby rury miały minimalny spadek od odpowietrznika. Ciągłego dolewania wody nie popieram- ze względu na postępujące zakamienienie instalacji,a także rozpuszczone powietrze w wodzie (powinno przy prawidłowym wykonaniu inst. ulotnić się do NW). Jeśli chodzi o zawory termostatyczne to nie one są przyczyną tych szumów. Montuje się je po to aby mieć lepszy komfort cieplny w pomieszczeniach. Oczywiście możesz spróbować zdjąć głowice z tych zaworów- będzie prawie jak bez nich. Henryk 1953. Wspomniałeś o skryzowaniu grzejników- jakim sposobem proponujesz to zrobić?. Moim zdaniem zawory termostatyczne to są właśnie "kryzy na życzenie". Jeśli trzeba (za wysokie ciśnienie czynne) można przykręcić zawory na zasilaniu i powrocie. Mnie słowo kryza kojarzy się z wstawioną przed zaworem miedzianą blaszką z odpowiednim (wyliczonym) otworkiem- Czego dzisiaj nie polecam nikomu.Pozdrawiam.
odpowietrznik Opublikowano 6 Grudnia 2016 #7 Opublikowano 6 Grudnia 2016 Prezentowany przez Ciebie zawór zwrotny się nie nadaje powinien być taki jak w załączniku Obawiam się ze nie dostaniesz samej belki zasilającej z rotametrami raczej będzie trzeba kupić cały rozdzielacz http://allegro.pl/zawor-zwrotny-1-cal-gw-mosiezny-i6072378422.html
gastek Opublikowano 6 Grudnia 2016 Autor #8 Opublikowano 6 Grudnia 2016 Jeszcze raz dziękuję za zainteresowanie. Franek19 powymieniam te odpowietrzniki na manualne przy pompie C.O. i C.W.U. proszę powiedz czy miejsce tych odpowietrzników zamontowanych przez instalatora są prawidłowe ? Czyli wszyscy jednogłośnie stwierdzacie że nie ma bata trzeba zamontować zawory zwrotne przy pompach i tak zrobię trzeba to trzeba trudno. Co z filtrami ? Podobno powinny być są wymagane czy zbędny luksus ? A jak są wymagane to gdzie montować i tak samo przez zawór kulowy i za ? Kryzowanie, kurcze kolego z całym szacunkiem ale to dla fachury już zadanie, ale po co to robić jak mam termostaty w grzejnikach czy to czasami niewytoczenie armaty na mrówkę ? Odpowietrznik dziękuję za pokazanie o jakie zawory chodzi poszukam ich na szczęście nie są jakieś drogie ale montaż będzie uciążliwy dla laika(ale jakoś poradzę sobie). A co sądzicie o tym co napisał papasmurph czyli o wpięciu podłogówki nad zaworem 4d ?
henryk1953 Opublikowano 6 Grudnia 2016 #9 Opublikowano 6 Grudnia 2016 Dziękuję za zainteresowanie tematem. Kolega henryk1953, dziękuję za sugestię że przynudzałem tym teksem, ale wiem o tym. Pisząc taki elaborat miałem na celu dokładne zapoznanie kolegów z moim problemem. Tak ten problem powstał dopiero po założeniu termostarów, generalnie on występował wcześniej tyle że nie było to aż tak dokuczliwe, bo powietrze sobie hulało ale nic go nie dławiło i nie odczuwało się tego tak mocno. Zalecasz także zastosowanie termostatu przy drabince w łazience, da się zrobić ale po co ? Ta drabinka nie ma na celu ogrzewania pomieszczenia (od tego tam mam podłogówkę) ona służy do suszenia ręczników jak się wysuszą to zakręcam i wsio. Zmiana prędkości pompek oczywiście też z tym kombinowałem w różnych nastawach ale bez większych zmian, obecnie pracują na I biegu wszystkie 3. Pisał kolega też o: Czy mógł bym prosić o przykład jakiś konkretnych modeli producentów? Jak to się ma do pomysły kolegi papasmurfa? Bo tutaj ten zabieg zdecydowanie mniej pracy wymaga. Ale to znowu 3 takie pompki czy jak bo nie potrafię zrozumieć co kolega miał na myśli. Po pierwsze zawory ZZ obowiązkowo Po drugie -Jak się zdecydujesz na pompkę z autoadapt to po to aby był minimalny przepływ w obiegu CO zostawia sie jeden grzejnik bez zaworu termostatycznego ,najprościej jest to zrobić w łazience na drabince. Jeżeli zdecydujesz się na zawór różnicowo- upustowy to pompkę zostawiasz tą co masz , Jak dziala i jak się podłącza ten zawór masz tu: du144-k-pl01r0413.pdf Mówimy tylko o pompce CO innych pompek to nie dotyczy.
henryk1953 Opublikowano 6 Grudnia 2016 #10 Opublikowano 6 Grudnia 2016 Henryk 1953. Wspomniałeś o skryzowaniu grzejników- jakim sposobem proponujesz to zrobić?. Moim zdaniem zawory termostatyczne to są właśnie "kryzy na życzenie". Jeśli trzeba (za wysokie ciśnienie czynne) można przykręcić zawory na zasilaniu i powrocie. Mnie słowo kryza kojarzy się z wstawioną przed zaworem miedzianą blaszką z odpowiednim (wyliczonym) otworkiem- Czego dzisiaj nie polecam nikomu.Pozdrawiam. O kryzowaniu wspomniałem gdyz przed zamontowaniem termostatów miał rożną temperaturę w pomieszczeniach. Jak by odpowiednio skryzował instalację to w kazdym pomieszczeniu miał by podobną lub wymaganą temperaturę..Zawory termostatyczne grzejnikowe też są z możliwością kryzowania i też w zasadzie powinno się taką instalację skryzować w innym przypadku te pierwsze grzejniki będą gorące a ostatnie nie.Te ostatnie dogrzeją się wtedy jak te pierwsze odetnie zawór termostatyczny. A kryzowanie można samemu zrobić .Wystarczy poczytać jak to się robi.
sambor Opublikowano 6 Grudnia 2016 #11 Opublikowano 6 Grudnia 2016 Kryzowanie = regulacja wstępna grzejnika
odpowietrznik Opublikowano 6 Grudnia 2016 #12 Opublikowano 6 Grudnia 2016 Jeszcze raz dziękuję za zainteresowanie. Franek19 powymieniam te odpowietrzniki na manualne przy pompie C.O. i C.W.U. proszę powiedz czy miejsce tych odpowietrzników zamontowanych przez instalatora są prawidłowe ? Czyli wszyscy jednogłośnie stwierdzacie że nie ma bata trzeba zamontować zawory zwrotne przy pompach i tak zrobię trzeba to trzeba trudno. Co z filtrami ? Podobno powinny być są wymagane czy zbędny luksus ? A jak są wymagane to gdzie montować i tak samo przez zawór kulowy i za ? Kryzowanie, kurcze kolego z całym szacunkiem ale to dla fachury już zadanie, ale po co to robić jak mam termostaty w grzejnikach czy to czasami niewytoczenie armaty na mrówkę ? Odpowietrznik dziękuję za pokazanie o jakie zawory chodzi poszukam ich na szczęście nie są jakieś drogie ale montaż będzie uciążliwy dla laika(ale jakoś poradzę sobie). A co sądzicie o tym co napisał papasmurph czyli o wpięciu podłogówki nad zaworem 4d ? Z wpięciem podłogówki Papa ma oczywiście rację.Jak masz teraz to podłogówka skutecznie schładza powrót do kotła(powinno być min te 50st na powrocie).Pewnie nawet nie zdajesz sobie sprawy ze jest coś takiego jak ochrona kotła przed korozją niskotemperaturową a tym samym nie wiesz czy jest u Ciebie realizowana) Zawóry zwrotne kup koniecznie z mosiężnym elementem w środku(bo są też nic nie warte z plastikowym)
sambor Opublikowano 6 Grudnia 2016 #13 Opublikowano 6 Grudnia 2016 nie wiesz czy jest u Ciebie realizowana) Lepiej tego nie wiedzieć , gdyż taka wiedza to stres :)
gastek Opublikowano 6 Grudnia 2016 Autor #14 Opublikowano 6 Grudnia 2016 Hehe Panowie kurcze jak ktoś mi znowu powie że hydraulika to pikuś to go wyśmieje. Kurcze powiem wam spotkałem się z tą ochroną niskotemperaturową ponieważ o tym mi instalator mówił i powiedział że po to mam zawór 4d i że on załatwi że temperatura na powrocie będzie około 55 st pod warunkiem że będę na piecu trzymał 65. No i kurde trzymam nigdy nie schodzę poniżej tej temperatury nawet jak zobaczycie na którymś zdjęciu widać sterownik i nastawę 65 :). Ok ale z tym wpięciem podłogówki nie koniecznie rozumiem mianowicie zasilanie podłogówki znajduje się pod zaworem 4d, ale kolega wspomniał że jest konieczność przepięcia tego układu ponieważ za mocno schładza na powrocie i tutaj zauważyłem że źle narysowałem schemat za godzinę wrócę do domu i go poprawie mianowicie nie dorysowałem jednej kreski od powrotu do kotła na 100% ma to znaczenie. Przepraszam wrócę poprawię i narysuję jak mam wpiąć tą podłogówkę bo chcę się upewnić czy na pewno was dobrze rozumie.
odpowietrznik Opublikowano 6 Grudnia 2016 #15 Opublikowano 6 Grudnia 2016 Trzymasz 65 a sprawdzasz jaka temp.na powrocie?czy jest tam zamontowany termometr? Masz zrozumieć tak jak w załączniku Hehe Panowie kurcze jak ktoś mi znowu powie że hydraulika to pikuś to go wyśmieje. Kurcze powiem wam spotkałem się z tą ochroną niskotemperaturową ponieważ o tym mi instalator mówił i powiedział że po to mam zawór 4d i że on załatwi że temperatura na powrocie będzie około 55 st pod warunkiem że będę na piecu trzymał 65. No i kurde trzymam nigdy nie schodzę poniżej tej temperatury nawet jak zobaczycie na którymś zdjęciu widać sterownik i nastawę 65 :). Ok ale z tym wpięciem podłogówki nie koniecznie rozumiem mianowicie zasilanie podłogówki znajduje się pod zaworem 4d, ale kolega wspomniał że jest konieczność przepięcia tego układu ponieważ za mocno schładza na powrocie i tutaj zauważyłem że źle narysowałem schemat za godzinę wrócę do domu i go poprawie mianowicie nie dorysowałem jednej kreski od powrotu do kotła na 100% ma to znaczenie. Przepraszam wrócę poprawię i narysuję jak mam wpiąć tą podłogówkę bo chcę się upewnić czy na pewno was dobrze rozumie. Trzymasz 65 a sprawdzasz jaka temp.na powrocie?czy jest tam zamontowany termometr? Masz zrozumieć tak jak w załączniku
gastek Opublikowano 6 Grudnia 2016 Autor #16 Opublikowano 6 Grudnia 2016 No niestety nie mierzę temperatury powrotu ponieważ nie ma tam termometru. Nigdy nie zainteresowałem się tym ponieważ zawierzyłem instalatorowi. W załączniku schemat poprawiony taki jak jest obecnie i drugi taki jaki powinien być proszę sprawdzić czy dobrze to widzę. Mam nadzieje że po tych zabiegach zniknie problem powietrza i szumów.
hajtaler428 Opublikowano 6 Grudnia 2016 #18 Opublikowano 6 Grudnia 2016 Podłogówkę musisz wpiąć za zaworem 4d czyli na odcinku między zaworem 4d a pompą na grzejniki Na niebiesko powrót podłogówki. Termometr za pompą podłogówki niepotrzebny bo masz TZM więc temp jest taka jak ustawisz - daj go na powrót kotła
gastek Opublikowano 6 Grudnia 2016 Autor #19 Opublikowano 6 Grudnia 2016 Ok schemat poprawiony. Dodam jeszcze filtry przed pompami. Proszę powiedzieć te odpowietrzniki automatyczne przy C.W.U i C.O. są w dobrych miejscach zamontowane? Nie są zbyt blisko pomp ? ?
sambor Opublikowano 6 Grudnia 2016 #20 Opublikowano 6 Grudnia 2016 Nie podoba mi się odpowietrznik na powrocie podłogówki, jak będziesz mógł to wymień go na ręczny. Taka sama sytuacja z odp na drabince - tam powinien być ręczny.
gastek Opublikowano 6 Grudnia 2016 Autor #21 Opublikowano 6 Grudnia 2016 Kolego sambor co do tych odpowietrzników mógł byś uzasadnić dla czego tobie one się nie podobają ?
sambor Opublikowano 6 Grudnia 2016 #22 Opublikowano 6 Grudnia 2016 Już koledzy ci pisali - przez odpowietrznik aut na powrotach obiegu zaciągane jest powietrze.
Rekomendowane odpowiedzi
Zarchiwizowany
Ten temat przebywa obecnie w archiwum. Dodawanie nowych odpowiedzi zostało zablokowane.