IGNOROWANY
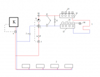
Połączenie Podłogówki Z Grzejnikami, Prosze O Analizę
- Odpowiedz w tym temacie
- Ignoruj ten temat
- Czy wyłączyć ignorowanie tego tematu?
- Dodaj nowy temat
-
Ostatnio przeglądający 0 użytkowników
- Brak zarejestrowanych użytkowników przeglądających tę stronę.
-
Podobna zawartość
-
- 1 odpowiedź
- 628 wyświetleń
-
- 8 odpowiedzi
- 320 wyświetleń
-
Sterowanie pracą grzewczej instalacji podłogowej Głowica Kasa KE100 (+ Tapo) na podłogówkę
Przez zeissenson,
- 17 odpowiedzi
- 470 wyświetleń
-
- 0 odpowiedzi
- 166 wyświetleń
-
- 29 odpowiedzi
- 1107 wyświetleń
-

Rekomendowane odpowiedzi
Dołącz do dyskusji
Możesz dodać zawartość już teraz a zarejestrować się później. Jeśli posiadasz już konto, zaloguj się aby dodać zawartość za jego pomocą.
Uwaga: Twój wpis zanim będzie widoczny, będzie wymagał zatwierdzenia moderatora.