IGNOROWANY
		
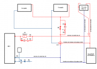
			Schemat Instalacji Do Sprawdzenia
- Odpowiedz w tym temacie
- Ignoruj ten temat
- Czy wyłączyć ignorowanie tego tematu?
- Dodaj nowy temat
- 
Ostatnio przeglądający 0 użytkowników- Brak zarejestrowanych użytkowników przeglądających tę stronę.
 
- 
Podobna zawartość- 
					
					- 1 odpowiedź
- 611 wyświetleń
 
- 
					
					- 7 odpowiedzi
- 518 wyświetleń
 
- 
					
					- 6 odpowiedzi
- 1051 wyświetleń
 
- 
					
					- 0 odpowiedzi
- 232 wyświetleń
 
- 
					
					- 1 odpowiedź
- 154 wyświetleń
 
 
- 
					
					

 
	 
	
Rekomendowane odpowiedzi
Dołącz do dyskusji
Możesz dodać zawartość już teraz a zarejestrować się później. Jeśli posiadasz już konto, zaloguj się aby dodać zawartość za jego pomocą.
Uwaga: Twój wpis zanim będzie widoczny, będzie wymagał zatwierdzenia moderatora.