IGNOROWANY
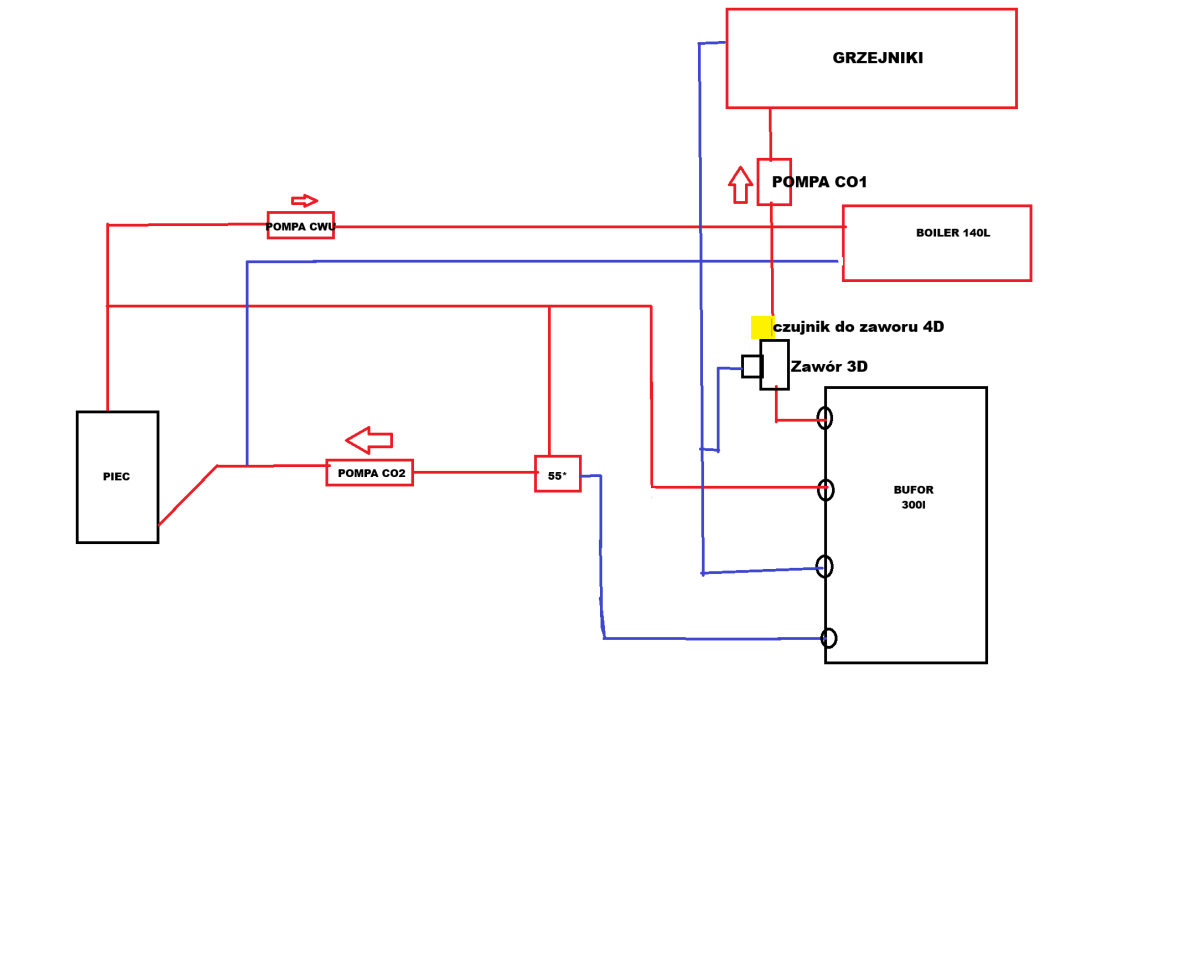
Problem z hydrauliką lub ustawieniem kotła pelletowego.
- Odpowiedz w tym temacie
- Ignoruj ten temat
- Czy wyłączyć ignorowanie tego tematu?
- Dodaj nowy temat
-
Ostatnio przeglądający 0 użytkowników
- Brak zarejestrowanych użytkowników przeglądających tę stronę.
-
Podobna zawartość
-
Ustawienie parametrów pracy kotła na ekogro Problem z ustawieniem kotła na ekogroszek
Przez krzysiek288,
- 4 odpowiedzi
- 716 wyświetleń
-
- 0 odpowiedzi
- 276 wyświetleń
-
- 47 odpowiedzi
- 15518 wyświetleń
-
- 40 odpowiedzi
- 6967 wyświetleń
-
- 186 odpowiedzi
- 185235 wyświetleń
-

Rekomendowane odpowiedzi
Dołącz do dyskusji
Możesz dodać zawartość już teraz a zarejestrować się później. Jeśli posiadasz już konto, zaloguj się aby dodać zawartość za jego pomocą.
Uwaga: Twój wpis zanim będzie widoczny, będzie wymagał zatwierdzenia moderatora.