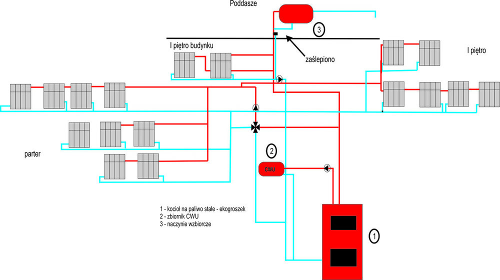
bartek1972 Opublikowano 16 Stycznia 2020 #1 Opublikowano 16 Stycznia 2020 Mój problem jest następujący. Posiadam instalację rozprowadzoną w domu dwupiętrowym z kotłem na paliwo stałe (ekogroszek). Wszystkie linie grzeją prawidłowo oprócz jednej, która jest na II pietrze - dwa grzejniki. Jeden grzejnik grzeje tylko na 1/3 wysokości (od góry) drugi praktycznie wcale. Linia spęta jest z naczyniem wzbiorczym otwartym (150 l). Na pierwszym grzejniku jest zwykły zawór kulowy na drugim jest zawór termostatyczny ( dość stary powyżej 10 lat). Są dni kiedy instalacja się "obudzi" i zaczyna lepiej grzać potem "umiera". Kocioł mam ustawiony na 60 stopni. Na tą częśc instalacji nie ma zaworu różnicowego także ta temp. idzie bezpośrednio na zasilania. Powrót przy piecu i grzejnikach lodowaty. Pomocy, już trzech fachowców próbowało rozwikłać tą zagadkę i nic. Pompę próbowałem na różnych prędkościach i zauważyłem, że im większa prędkość tym gorzej grzeje. W załączeniu uproszczony schemat.
gersik Opublikowano 16 Stycznia 2020 #2 Opublikowano 16 Stycznia 2020 Pompa zamiast do grzejników wali do naczynia i tu jest problem.Pompę przełóż na powrót i zlikwiduj połączenie naczynia z rurą powrotną do kotła.
gmaj22 Opublikowano 16 Stycznia 2020 #3 Opublikowano 16 Stycznia 2020 Przede wszystkim poprawnie zabezpieczyć kocioł.
bartek1972 Opublikowano 16 Stycznia 2020 Autor #4 Opublikowano 16 Stycznia 2020 Czy takie podłączenie rozwiąże też problem obiegu wody w grzejnikach?
buska3 Opublikowano 16 Stycznia 2020 #5 Opublikowano 16 Stycznia 2020 Tak. Pomoa będzie pchała wodę na grzejniki z wyłączeniem naczynka, ale musi być zrobione jak gmaj22 narysował.
bartek1972 Opublikowano 17 Stycznia 2020 Autor #6 Opublikowano 17 Stycznia 2020 Zastanawia mnie jeszcze jedna sytuacja. Przed naczyniem na zasilaniu mam zamontowany zawór odcinający, który ma służyć odcięciu zasilania w przypadku konieczności demontaży naczynia. Jeżeli przydławię zasilanie, które idzie do naczynia, poprawa obiegu wody jest nieznaczna a praktycznie żadna.
Uzytkownik2 Opublikowano 17 Stycznia 2020 #7 Opublikowano 17 Stycznia 2020 Na rurze do naczynia nie powinno być żadnych zaworów ! ze względu bezpieczenstwa Zreszta u ciebie nie tylko na drodze do naczynia jest zawór ale również pompa której oczywiście tam nie powinno byc
bartek1972 Opublikowano 17 Stycznia 2020 Autor #8 Opublikowano 17 Stycznia 2020 Tak, wiem o tym, dlatego za kilka dni będę wymieniał naczynie i go wyrzucę, ale jak to możliwe, że dławiąc dojście wody do naczynia nie wzrasta ciśnienie w obiegu?
buska3 Opublikowano 17 Stycznia 2020 #9 Opublikowano 17 Stycznia 2020 Na chłopski rozum to jeśli masz teraz nagrzaną instalację to ciśnienie się wyrównało w całej instalacji i jeśli zamkniesz zawór do naczynia to nic nie wykaże, ale jeśli podniesiesz temperaturę na kotle to już powinno pokazać, mało tego jeśli będzie spadać temperatura to może zassać powietrze do układu. Pamiętaj co może się zdarzyć jeśli zakręcić (boom) więc nie kombinuj z tym zaworem, a najlepiej to pozbądź się go. Nie jestem specjalistą ale gmaj22 narysował ci jak to ma być i nie ma na tym odcinku do naczynia niczego prócz gołej rury, a także bartek1972 potwierdza to.
bartek1972 Opublikowano 24 Stycznia 2020 Autor #10 Opublikowano 24 Stycznia 2020 W dniu 16.01.2020 o 10:38, gmaj22 napisał: Przede wszystkim poprawnie zabezpieczyć kocioł. Mam jeszcze ostatnie pytanie. Chcę założyć nowe naczynie, czy wystarczy jak podepnę tylko rurę zasilającą nie łącząc jej (tak jak na rysunku) z wejściem dla rury powrotu? Niektóre naczynia mają tylko jedno wejście i wyjście na przelew. Czy mogę takie zamontować?
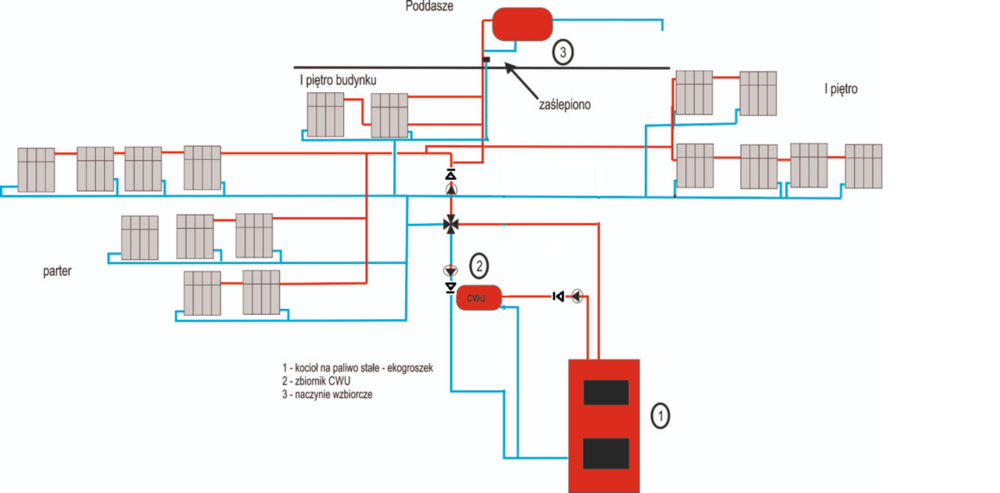
bartek1972 Opublikowano 10 Lutego 2020 Autor #11 Opublikowano 10 Lutego 2020 Zrobiłem tak jak polecał gersik "Pompa zamiast do grzejników wali do naczynia i tu jest problem.Pompę przełóż na powrót i zlikwiduj połączenie naczynia z rurą powrotną do kotła. " Był to dla mnie najszybszy i najtańszy sposób. Jednak ta operacja praktycznie nic nie dała. Nadal powrót jest zimny mimo zainstalowania pompy. Jeżeli odkręcę rurę powrotną od pieca to praktycznie nie ma w niej ciśnienia mimo pracy pompy. Woda wychodzi przerywanym strumienie pod bardzo niskim ciśnieniem. Jeżeli chodzi o naczynie to odciąłem powrót a rurę powrotną od naczynia połączyłem z zasilającą. Proszę o pomoc.
gersik Opublikowano 11 Lutego 2020 #12 Opublikowano 11 Lutego 2020 Zdjęcie lub schemat po przeróbce. Może na pozostałych grzejących "liniach" potrzebne jest kryzowanie. Przymknij lekko te grzejniki które najbardziej się rozgrzewają.
bartek1972 Opublikowano 11 Lutego 2020 Autor #13 Opublikowano 11 Lutego 2020 W załączeniu schemat. Na tej linii są tylko dwa grzejniki tak jak na schemacie. Tak jak pisałem, jak odkręcę powrót przy piecu mimo pracy pompy jest bardzo słabe ciśnienie. Strumień wody jest pulsacyjny jakby w układzie było jakieś podciśnienie lub powietrze.
gersik Opublikowano 12 Lutego 2020 #14 Opublikowano 12 Lutego 2020 Nie wiem czy dobrze rozumiem. Kocioł ogrzewa dwa piętra i na każde piętro jest osobna instalacja z osobną pompą z tego jednego kotła? To słabe ciśnienie wypływa z kotła czy z pompy?
bartek1972 Opublikowano 12 Lutego 2020 Autor #15 Opublikowano 12 Lutego 2020 Na parter i piętro jest jedna pompa i zawór czterodrożny. I to działa ok.
gersik Opublikowano 12 Lutego 2020 #16 Opublikowano 12 Lutego 2020 A na drugie piętro jest osobna pompa? Narysuj schemat całej instalacji.
bartek1972 Opublikowano 12 Lutego 2020 Autor #17 Opublikowano 12 Lutego 2020 Przepraszam, błąd w schemacie II pietra nie ma jest parter, I piętro i poddasze gdzie jest naczynie.
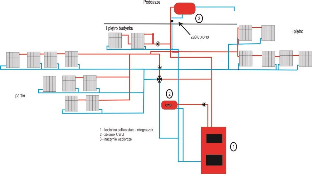
bartek1972 Opublikowano 12 Lutego 2020 Autor #18 Opublikowano 12 Lutego 2020 Schemat aktualny instalacji ( po ostatniej przeróbce). Mam nadzieję że czytelny.
hajtaler428 Opublikowano 12 Lutego 2020 #19 Opublikowano 12 Lutego 2020 Ale bajzel - człowieku czemu od początku nie narysowałeś jak wygląda cała instalacja? Pompy na obie kondygnacje powinny być wpięte równolegle na zasilaniu za zaworem 4d. Na 90% wystarczyłaby jedna na całą instalację . Tą drugą zamontuj na powrocie zaworu 4d do kotła i powrót będzie dogrzany. Bo czemu teraz miałby być dogrzany - pompa z piętra jest wpięta bezpośrednio w kocioł z pominięciem 4d i po drugie brak pompy w obiegu kotłowym. Druga sprawa to przy pompie na powrocie naczynie powinno być na wysokości min 2m nad najwyższym grzejnikiem. Jeżeli jest za nisko może wyrzucać wodę przez naczynie co powoduje zapowietrzanie instalcji. Przy pompie na powrocie zapowietrzać się może przez odpowietrzniki automatyczne po stronie ssawnej pompy po tej przeróbce naczynie tak jak jest teraz jest błednie podłączone(już tego nie zmieniałem) Trzeba podłączyć rurą wprost z kotła
bartek1972 Opublikowano 12 Lutego 2020 Autor #20 Opublikowano 12 Lutego 2020 Dziękuję za pomoc. Mam duży problem, żeby przejść bezpośrednio rurą do naczynia. Konieczne jest przebicie się przez trzy stropy, uszkodzenie podłogi w dwóch mieszkania itd. Czy można odciąć naczynie otwarte i zamontować przeponowe zamknięte w kotłowni?
sambor Opublikowano 12 Lutego 2020 #21 Opublikowano 12 Lutego 2020 5 minut temu, bartek1972 napisał: Mam duży problem, żeby przejść bezpośrednio rurą do naczynia. Konieczne jest przebicie się przez trzy stropy, uszkodzenie podłogi w dwóch mieszkania itd. Nie potrzeba takich kombinacji - wystarczy przełożyć pompę na ostatnim piętrze z powrotu na zasilanie i będzie OK - wtedy naczynie wystarczy że będzie ok 0,5m nad najwyższym grzejnikiem.
bartek1972 Opublikowano 12 Lutego 2020 Autor #22 Opublikowano 12 Lutego 2020 Niestety, w tym miejscu nie da siw wpiąć pompy. Schemat tego nie pokazuje, ale te grzejniki są bezpośrednio wpięte do pionu odległość między pinem a grzejnikiem to może 20 cm. Brak miejsca a pion idzie w kanale w ścianie.
Uzytkownik2 Opublikowano 12 Lutego 2020 #23 Opublikowano 12 Lutego 2020 Aby zamknąć instalację kocioł musi być dopuszczony przez producenta do pracy w układzie zamkniętym(potrzebne są dodatkowe zabezpieczenia) Gdy kocioł nie może pracować w układzie zamkniętym jest jeszcze opcja z wymiennikiem płytowym.Wtedy kocioł pracuje w układzie otwartym(naczynie w kotłowni) a instalacja w układzie zamkniętym
Gość Digitrax Opublikowano 12 Lutego 2020 #24 Opublikowano 12 Lutego 2020 Tu idealnie pasowałby układ z wymiennikiem płytowym. Naczynie bezpośrednio nad kocioł. Cały obieg grzewczy po stronie wtórnej zamknąć i napędzać jedną pompą. Po stronie pierwotnej dwie małe pompy do CWU i wymiennika.
bartek1972 Opublikowano 12 Lutego 2020 Autor #25 Opublikowano 12 Lutego 2020 Szczerze mówiąc nie słyszałem o takim rozwiązaniu. Gdyby była możliwość naniesienia na mój schemat podłączenia wymiennika. Jakie są koszty jego zakupu?
Rekomendowane odpowiedzi
Zarchiwizowany
Ten temat przebywa obecnie w archiwum. Dodawanie nowych odpowiedzi zostało zablokowane.