sambor Opublikowano 1 Listopada 2019 #52 Opublikowano 1 Listopada 2019 4 minuty temu, rdboy napisał: Potwierdzam ze po zdemontowaniu zworki kominek pracuje prawidłowo ! Bardzo dziękuje jak bym chciał uruchomić ogrzewanie podłogowe z gazu to muszę zamontować zworke ? Czy nie ma to znaczenia ? To fajnie że działa z kominka, teraz zamiast zworki daj zestyk termostatu przylgowego z rury i będzie OK. Aby grzać gazem zworka musi być wstawiona albo zaciski zwarte w inny sposób - właśnie tym termostatem albo sterownikiem tech - ponoć ma takie wyjście - ja nie sprawdzałem tego, więc znowu instrukcja - czytać ew inni pomogą.
gmaj22 Opublikowano 1 Listopada 2019 #53 Opublikowano 1 Listopada 2019 Ma takie wyjście: " • - stycznik wyłączający lub włączający pracę pieca gazowego zależnie od wymaganej temperatury wody w obiegu z uwzględnieniem histerezy"
sambor Opublikowano 1 Listopada 2019 #54 Opublikowano 1 Listopada 2019 Ale jak autor tematu podaje sterownik kominka jest nie podłączony.
rdboy Opublikowano 1 Listopada 2019 Autor #55 Opublikowano 1 Listopada 2019 Dokładnie sterownik kominka leży zapakowany w kartonie
rdboy Opublikowano 2 Listopada 2019 Autor #56 Opublikowano 2 Listopada 2019 Taki może być ? I podłączyć w gniazdo 1 na piecu ?
sambor Opublikowano 2 Listopada 2019 #57 Opublikowano 2 Listopada 2019 Coś takiego, tylko tam masz styk przełączany zamknięty- otwarty Podłącz to tak aby po osiągnięciu danej temp na rurze wyłączał się kocioł gazowy, czyli styk na zimno zamknięty na ciepło otwarty.
rdboy Opublikowano 2 Listopada 2019 Autor #58 Opublikowano 2 Listopada 2019 Ale z drugiej strony jak mam techa to mogę jego wykorzystać
sambor Opublikowano 2 Listopada 2019 #59 Opublikowano 2 Listopada 2019 Jeżeli ten tech ma sterowanie z zestykiem rozwiernym to możesz go wykorzystać, a jak tylko zwiernym to niestety nie. Wtedy trzeba układ z dodatkowym przekaźnikiem włączonym np równolegle do załączanej pompy.
TOMA1 Opublikowano 3 Listopada 2019 #60 Opublikowano 3 Listopada 2019 W dniu 1.11.2019 o 09:28, rdboy napisał: Kominek puszcza wodę w układ przy 60 stopniach poprzez termostata wbudowany w kominku . Rownolegle załącza pompę przed wymiennikiem i za wymiennikiem w trakcie uruchamiania termostatu Odnośnie zasobnika, ze schematu producenta wynika ze króciec zimnej wody jest po prawej stronie tu jest na odwrót
gmaj22 Opublikowano 3 Listopada 2019 #61 Opublikowano 3 Listopada 2019 23 godziny temu, sambor napisał: Jeżeli ten tech ma sterowanie z zestykiem rozwiernym to możesz go wykorzystać, a jak tylko zwiernym to niestety nie. Wtedy trzeba układ z dodatkowym przekaźnikiem włączonym np równolegle do załączanej pompy. Ma NC/NO czyli załączający/wyłączający. cyt: @TOMA1 " Odnośnie zasobnika, ze schematu producenta wynika ze króciec zimnej wody jest po prawej stronie tu jest na odwró " Tego nie sprawdzałem. Jeśli rzeczywiście tak jest i zasilanie zimną wodą na zdjęciu jest z prawej, to przeczy temu kierunek przepływu na zaworze zwrotnym. Tu podłączenia do właściwych króćców są bardzo ważne, tak samo jak właściwe zabezpieczenie bojlera .
rdboy Opublikowano 3 Listopada 2019 Autor #62 Opublikowano 3 Listopada 2019 8 minut temu, TOMA1 napisał: Odnośnie zasobnika, ze schematu producenta wynika ze króciec zimnej wody jest po prawej stronie tu jest na odwrót Czyli zle podłączone , na co to ma wpływ ?
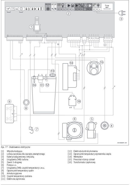
rdboy Opublikowano 5 Listopada 2019 Autor #63 Opublikowano 5 Listopada 2019 Panowie do pełni szczęścia potrzebuje tylko informacji jak podłączyć st-392 z Junkersem chce to połączyć skrętka ponieważ to tylko sygnał prawda ? np. kabel czerwony od NO do 1 gniazda itp STEROWNIK PIEC 2 pierwsze piny czy ta opcja wyłączy piec gazowy po osiągnięciu ustalonej temperatury CO ? z czujnika tech czy ta opcja włączy piec gazowy po osiągnięciu ustalonej temperatury CO ? z czujnika tech
sambor Opublikowano 5 Listopada 2019 #64 Opublikowano 5 Listopada 2019 Zaciski com- nc załączone będą prawidłowe dla kotła gazowego, gdyż w momencie przekroczenia temp wyłączenia ustawionej na sterowniku tech nastąpi rozwarcie zestyków i wyłączenie kotła gazowego. Skrętka może być, byle nie uszkodziła się mechanicznie.
rdboy Opublikowano 5 Listopada 2019 Autor #65 Opublikowano 5 Listopada 2019 oki czyli na tech mostkuje COM z NO a na NC daje kable do pieca na który pin ? pierwszy czy drugi ?
gmaj22 Opublikowano 5 Listopada 2019 #66 Opublikowano 5 Listopada 2019 Tak: Oczywiście wyciągnąć wcześniej zworkę w kotle.
rdboy Opublikowano 5 Listopada 2019 Autor #67 Opublikowano 5 Listopada 2019 Bardzo dziękuje dziś montuje
gmaj22 Opublikowano 5 Listopada 2019 #68 Opublikowano 5 Listopada 2019 Skrętka ma łamliwe druty. Skręć parami kolory, np. zielony/biało-zielony i niebieski/biało-niebieski. To da pewniejsze połączenie. Dałbym raczej przewód alarmowy/sygnałowy - drut lub linka 2 X 0,5 mm2
rdboy Opublikowano 5 Listopada 2019 Autor #69 Opublikowano 5 Listopada 2019 racja zrobię to porządnie kupie ten kabel sygnałowy . Dziś to montuje . Dodatkowo chce podłączyć pompę za wymiennikiem ciepła żeby była uruchamiana sterownikiem tech po osiągnięciu temp. np 50 stopni z czujnika CO moim zdaniem pozwoli to szybciej odebrać ciepło z wymiennik na chwile obecna jest tak ze pompa przed wymiennikiem która wyciąga ciepła wodę z kominka jest zmostkowana z pompa za wymiennikiem i uruchamia się w tym samym czasie kiedy termostat puszcza wodę z kominka przy 60 stopniach a plan jest taki ze pompę przed wymiennikiem zostawiam jak jest czyli uruchamia się tak samo jak termostat w kominku a pompa za wymiennikiem jest uruchamiana po osiągnięciu zadanej temperatury
rdboy Opublikowano 7 Listopada 2019 Autor #70 Opublikowano 7 Listopada 2019 Panowie ostatnie pytanie czy na piecu jest taka funkcja ze jak grzeje podłogowa to nie uruchamia się cwu ? Pytam ponieważ jak grzeje cwu to zamyka mi na około 10 minut zawór trójdrożny podczas spadku temperatury w zbiorniku a chciałbym to wyeliminować
sambor Opublikowano 7 Listopada 2019 #71 Opublikowano 7 Listopada 2019 To normalne dla takiego kotła i dlatego grzanie CW powinno być szybkie - czyli możliwie duża moc kotła - 8-10kW mocy kotła / 100l pojemności bojlera.
jamper3 Opublikowano 9 Listopada 2019 #72 Opublikowano 9 Listopada 2019 MD1 na MM100 Zestyk bezpotencjałowy (Monitor Dew point):przy chłodzeniu (funkcja chłodzenia): osiągnięty/nieosiągnięty punkt rosy (%wzgl.)w stałym obiegu grzewczym: zewnętrzny sygnał zapotrzebowania na ciepło ()– pompa c.o. wł./wył. inne zródło ciepła jest napisane w instrukcji.
rdboy Opublikowano 20 Listopada 2019 Autor #73 Opublikowano 20 Listopada 2019 Dziękuje podłączyłem styk beznapięciowy linka i załącza się po osiągnięciu temperatury z czujnika co kominka 30 stopni odnosnie tego złącza MD1 jak pisze kolega to zmostkowac kablem ze złączem com z kominka ?
rdboy Opublikowano 20 Listopada 2019 Autor #74 Opublikowano 20 Listopada 2019 1 godzinę temu, rdboy napisał: mam ostatnie pytanie na gazie po włączeniu temperatura na wyjściu osiąga 40 stopni na podłogówkę , gdy pale w kominku nawet około 5 h na wyjściu jest max 26 stopni czy jak podłączę pompę przed wymiennikiem i za wymiennikiem żeby zawsze chodziły jako rownolegle to co da ? W chwili obecnie pompa przed wymiennikiem chodzi tylko jak puszcza wodę z kominka czyli max 10 sekund a za wymiennikiem chłodzi zawsze gdy temperatura jest wyższa niż 35 stopni
biki Opublikowano 24 Listopada 2019 #75 Opublikowano 24 Listopada 2019 Post #3, pisałem o tym. Pompa kotła pracując schładza ciecz. Spróbuj zastosować elektrozawór, powinno pomóc.
Rekomendowane odpowiedzi
Zarchiwizowany
Ten temat przebywa obecnie w archiwum. Dodawanie nowych odpowiedzi zostało zablokowane.