sielim Opublikowano 10 Października 2019 Autor #26 Opublikowano 10 Października 2019 W dniu 9.10.2019 o 13:45, Gonzo19 napisał: Wystarczy w korek boczny dolnej belki wkręcić redukcje i zaworek 1/2 cala Dotarło do mnie, że to jest niezła opcja, mimo, że minimalistyczna. Chciałem zaworki i na górnej () i na dolnej i odcinać na czas odpowietrzania cały rozdzielacz od reszty instalacji. Ale wtedy przy podłączaniu węża do górnej bym wprowadzał nowe powietrze jak ktoś zauważył. Natomiast jak się wepnę tylko z wężem na wyjściu dolnej i do wanny, to powinno przepchnąć na ciśnieniu ze zbiornika wyrównawczego, a zawór do uzupełniania wody w instalacji mam już dodany i nawet, jak powietrze pójdzie, to niedużo i poleci gdzieś do zbiornika. Kminiłem wcześniej w ten sposób, ale nie ogarnąłem co i jak :) Dzięęęki :)
sielim Opublikowano 10 Października 2019 Autor #27 Opublikowano 10 Października 2019 19 godzin temu, teres napisał: Pompą do odpowietrzania solarów potraktuj tę podłogówkę i będzie dobrze. Ewentualnie jeszcze dodatkowo na wejściu do rozdzielacza zrobić zasyfonowania, żeby było gdzie powietrze łapać. Widzę dużą szansę, że ciśnienie ze zbiornika wyrównawczego + ew. ta pompa co już jest zrobią robotę. A ten syfon przed rozdzielaczem też cenna uwaga - bo ten odpowietrzacz za belką co jest też nie robi roboty jak powinien. Pętla w górę i w dół tuż za pompą (po przestawieniu na prawidłową pozycję), przed zejściem w dół trójnik i odpowietrznik. Gut ! Jesteście wielcy ! Przymrużyc oczy:
sielim Opublikowano 13 Października 2019 Autor #28 Opublikowano 13 Października 2019 W celach dokumentacyjnych: dorobiłem zawór na wyjściu i zgodnie z planem przepuściłem wodę przez wszystkie pętle. Powietrza nie było za bardzo widać, ale wyraźnie czuć poprawę, np. kuchnia grzeje. W tej chwili w domu jest za gorąco - powyżej 24 st. Zawór 3d jest nieregulowalny/zatarty/ nie moge go nawet odrobinę przekręcić (a może w tych ESBE trzeba jakiś klucz ???), więc nie wiem, czy go nie wymienić. Ciągle pracuje on pod zwiększonym ciśnieniem gorącej wody włączanej przez 2min na każde 10min czasu. Dostaje te krótkie strzały gorącej, po czym z opóźnieniem zamyka się i przestaje puszczać dalej, więc pracuje to dziwacznie i się zaworowi nie dziwię, że nie daje rady. Powoli zabieram się za hydraulikę - kompletowanie sprzętu i rurek. Jak po przeniesieniu pompy za zawór jego praca w trybie 2/10 się nie ustabilizuje to chyba będę musiał pokombinować, żeby pompa podłogówki chodziła 24/h a termostat będzie sterował tylko pompą od kaloryferów. Jak to dalej nie będzie szło to .. się zobaczy. Siłownik na 4d albo na 3d albo ... Termostat w moim sterowniku steruje nie tylko pompami ale także obniża temperaturę zadaną na kotle o kilka stopni. Może to wystarczy, żeby także minimalnie obniżyć temperaturę na podłogówce. Teraz mam trochę klocki lego: gdzie dać jakie śrubunki, żeby potem łatwo ten zawór wyciągnąć, ale żeby nie robić całej instalacji na śrubunkach (mosiądz i miedź, sobie wymyśliłem, niezłe koszty ... klocki lego są tańsze ...)
gmaj22 Opublikowano 13 Października 2019 #29 Opublikowano 13 Października 2019 18 godzin temu, sielim napisał: Termostat w moim sterowniku steruje nie tylko pompami ale także obniża temperaturę zadaną na kotle o kilka stopni. Może to wystarczy, żeby także minimalnie obniżyć temperaturę na podłogówce. Nie wystarczy, ponieważ jest to zawór termostatyczny. Zacznie "pobierać" do podmieszania więcej wody z zasilania a mniej z powrotu.
sielim Opublikowano 22 Października 2019 Autor #30 Opublikowano 22 Października 2019 Ok, brakuje mi tu trochę miejsca, wiec pompę bym chętnie dał na powrocie. Wysokość podnoszenia tego grundfosa max 4m, zbiornik wyrównawczy jakieś 7m wyżej. Pompa zamiast pchać prosto w odpowietrznik będzie pchać w powrót do kotła i zawór 3d, a ssać z podłogówki. Pyt 1: Chyba nie powinno to spowodować efektu w postaci np. zasysania powietrza z odpowietrznika, który będzie tuż za 3D na wejściu do podłogówki ? Pyt 2: Rozdzielacz, pompa, 3D i ZZ są 1cal, ale po drodze są niefortunne redukcje do 3/4 cala i Cu 22mm. Pomyślałem, żeby ten obieg przez zawór 3d pompę i rozdzielacze zrobić cały na 1 cal/28 mm Cu. Warto takie coś wprowadzać dla tych 5ciu pętli ? Czy zrobi różnicę porównywalną z włączeniem II zamiast I biegu na pompie, czy dać sobie spokój. Pytam, bo wyprostowanie tego na 1cal to mi wychodzi jakieś dodatkowe 150-200 zł do wydania. Z drugiej strony wydaje mi się, że większy przekrój i wolniejszy przepływ przed odpowietrznikiem jest tu potrzebny.
sambor Opublikowano 22 Października 2019 #31 Opublikowano 22 Października 2019 5 godzin temu, sielim napisał: wiec pompę bym chętnie dał na powrocie. Bzdura, daj tak jak się powinno dać - tzn na zasilaniu, albo nic nie przerabiaj. Na 5 pętli Cu22 wystarczy
mironw Opublikowano 22 Października 2019 #32 Opublikowano 22 Października 2019 @sambor dobrze ci radzi nie kombinuj ,miejsca jest dużo
mironw Opublikowano 22 Października 2019 #33 Opublikowano 22 Października 2019 13 godzin temu, sielim napisał: Wysokość podnoszenia tego grundfosa max 4m, zbiornik wyrównawczy jakieś 7m wyżej. to to dotyczy pompy od grzejników ,ta od podłogówki ma mieszać -pchać cały czas tylko w podłodze, a ten odpowietrznik przed pompą to zapowietrzaniepodłogi
sielim Opublikowano 23 Października 2019 Autor #34 Opublikowano 23 Października 2019 18 godzin temu, mironw napisał: @sambor dobrze ci radzi nie kombinuj ,miejsca jest dużo Dobra, będziem mieścić. Elementy prawie skompletowane, w weekend będzie walka. Jeszcze ten mój zawór mieszający nie jest optymalny, to ESBE VTA 322 35-60, czyli zakres temperatur bardziej dla CWU, a nie podłogówki. Pozakładam śrubunki i najwyżej później wymienię. Ten ZZ na dole chyba niepotrzebny, planuję dać tylko ręczny. ZZ jest teraz na zasilaniu przed 3D i tam go zostawię - mniej roboty z przejściówkami z Cu22
sambor Opublikowano 23 Października 2019 #35 Opublikowano 23 Października 2019 1 godzinę temu, sielim napisał: Ten ZZ na dole chyba niepotrzebny, planuję dać tylko ręczny. ZZ jest teraz na zasilaniu przed 3D i tam go zostawię - mniej roboty z przejściówkami z Cu22 Ma być jak w poście #32 a ty non stop coś kombinujesz - bo mniej roboty, bo to, bo tamto - tak się nie robi - masz podany schemat prawidłowy na tacy a chcesz wszystko spieprzyć! ZZ ma być na powrocie , tak jak jest zaznaczony w poście #32! A to VTA na 35 -60C zmień bo będzie za gorąca podłoga.
mironw Opublikowano 23 Października 2019 #36 Opublikowano 23 Października 2019 5 godzin temu, sielim napisał: ZZ jest teraz na zasilaniu przed 3D i tam go zostawię to go zostaw ,a zobaczysz efekty działania C.O na podłogówkę -he ,he 5 godzin temu, sielim napisał: mniej roboty z przejściówkami z Cu22 no i dwa razy spuszczać wode z instalacji to też mniej roboty
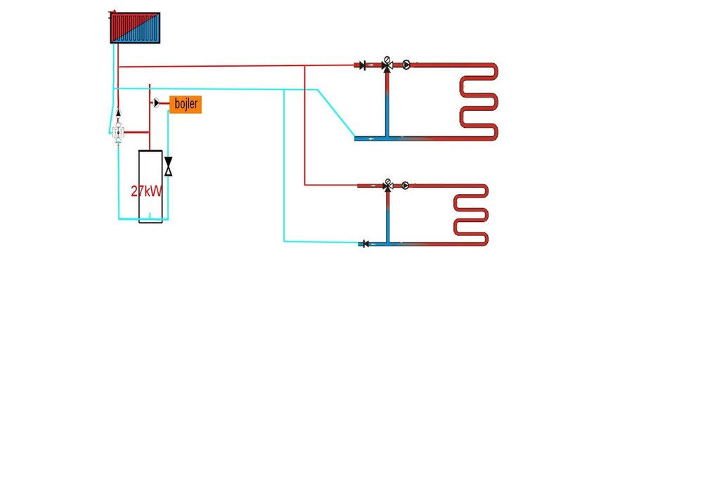
sielim Opublikowano 23 Października 2019 Autor #37 Opublikowano 23 Października 2019 10 godzin temu, sambor napisał: Ma być jak w poście #32 a ty non stop coś kombinujesz - bo mniej roboty, bo to, bo tamto - tak się nie robi - masz podany schemat prawidłowy na tacy a chcesz wszystko spieprzyć! ZZ ma być na powrocie , tak jak jest zaznaczony w poście #32! A to VTA na 35 -60C zmień bo będzie za gorąca podłoga. Przepraszam, jeśli czujecie niesmak, ale chcę dobrze rozumieć, co robię. Choćby po to, że jak mi w weekend coś 'wyjdzie', to żebym mógł szybko zmienić decyzję. Więc proszę o wytłumaczenie. Na logikę to ja to widzę tak: nie ma wielkiej różnicy, czy zrobimy to z zaworem na zasilaniu czy na powrocie. Tym bardziej, że czytam na innych forach, gdzie ludzie proszą o pomoc w poprawie sytuacji, bo np. w ogóle nie mają ZZ i nikt się tak nie upiera - majądodać, gdzie się zmieści. Więc proszę, oto dwa schematy: Jak dla mnie, w obu przypadkach wymiana wody z otoczeniem napotyka ten sam opór. Strumień wejściowy i wyjściowy wody są identyczne. Jeśli na zewnątrz pracuje druga pompa (C.O.) to tak czy siak nic tu nie wepchnie przez powrót - podłogówka to nie balon. Niezależnie, czy pompa podłogówki pracuje, czy nie. Wy proponujecie schemat prawy, a ja się pytam o lewy, bo zawór 3D mam 1cal i ZZ też mam jeden cal i pompa też jeden cal, więc je po prostu razem łączę, dodatkowy nypel w ZZ, trzy śrubunki i mam cały moduł gotowy. Powrót sobie na spokojnie robię cały na Cu22 - tak zresztą jest teraz. Jeśli jednak czegoś nie widzę, źle rozumuję - to bardzo uprzejmie proszę o wyjaśnienia... Może np. nie ogarniam jakiegoś niuansu związanego ze spadkiem ciśnienia na powrocie i pracą czysto grawitacyjną... ? Na powrocie będę miał zawór kulowy, ręczny, bo mam już kupiony zawór 3/4 cala i przejściówki 3/4 na 22.
sambor Opublikowano 23 Października 2019 #38 Opublikowano 23 Października 2019 Ja już ci odpowiedziałem, po co bić dalej pianę . Ma być prawy, ty wolisz lewy, wiec go zrób, a potem przerób na prawidłowy.
Gonzo19 Opublikowano 24 Października 2019 #39 Opublikowano 24 Października 2019 @sielim, rozpatrujesz sprawę pojedynczego obwodu, wtedy ZZ jest w ogóle zbędny. Rozpatrz sprawę kilku obwodów połączonych równolegle.
mironw Opublikowano 24 Października 2019 #40 Opublikowano 24 Października 2019 to pomyśl co się stanie kiedy pompa C.O pracuje a kiedy się wyłączy , no i dobrze poczytaj bo już tu paru montowało albo i nie zz gdzie im pasowało
sielim Opublikowano 25 Października 2019 Autor #41 Opublikowano 25 Października 2019 Ok, myślałem nad tym, czytałem i w przypadku moim różnicy nie widzę. Zakładając, że podłogówka nie ma dużej pojemności i nie jest z gumy to przez powrót nie ma prawa nic wejść, bo nie miałoby którędy wyjść (jeśli zawór jest na wejściu). Widziałem na forach, że ludzie mieli problemy jak instalacja działała grawitacyjnie i np. wysysała przez powrót ciepło z bufora. Ale to nie mój przypadek. Jedyne, nad czym się zastanawiam, to inny rozkład ciśnień przed i za zaworem 3D, szczególnie jak pompa C.O. nie działa, zakładając, że sam ZZ stawia jakiś istotny opór. Ale w sumie jak dla mnie jeden pies...
sambor Opublikowano 25 Października 2019 #42 Opublikowano 25 Października 2019 @sielimAle głupoty wypisujesz, ale to dla ciebie "jeden pies"
gmaj22 Opublikowano 25 Października 2019 #43 Opublikowano 25 Października 2019 Godzinę temu, sielim napisał: Jedyne, nad czym się zastanawiam, to inny rozkład ciśnień przed i za zaworem 3D, szczególnie jak pompa C.O. nie działa Proponuję na początek poczytać nt. prawa Pascala oraz poznać 1 zasadę termodynamiki.
mironw Opublikowano 25 Października 2019 #44 Opublikowano 25 Października 2019 @sielim -zrób jak uważasz , ale i tak tu wrócisz po pomoc , bo MAM PROBLEM TYPU "" Modernizacja/poprawa ogrzewania podłogowego '' ja sam parę lat temu psioczyłem poco ZZ a no po to aby ukierunkować przepływy TEJ LENIWEJ WODY . I dobrze Ci mówi @gmaj22 poczytaj , albo daj zarobić hydraulikowi .
mironw Opublikowano 25 Października 2019 #45 Opublikowano 25 Października 2019 A jeszcze jedno i chyba najważniejsze to poczytaj jak działa ten Twój VTA 35 -60C
gmaj22 Opublikowano 25 Października 2019 #46 Opublikowano 25 Października 2019 To @sielim chce dać VTA 35 - 60 do podłogówki???!!
mironw Opublikowano 25 Października 2019 #47 Opublikowano 25 Października 2019 taki ma teraz ale zaczął myśleć o innym
andrejus17 Opublikowano 26 Października 2019 #48 Opublikowano 26 Października 2019 11 godzin temu, mironw napisał: @sielim - I dobrze Ci mówi @gmaj22 poczytaj , albo daj zarobić hydraulikowi . Ja chętnie bym dał zarobić hydraulikowi ale nie ma chętnego.
sielim Opublikowano 26 Października 2019 Autor #49 Opublikowano 26 Października 2019 13 godzin temu, mironw napisał: taki ma teraz ale zaczął myśleć o innym Tak, zamówiłem już esbe vta372 20-55 Poproszę jeszcze o komentarz do schematu z instrukcji dla zaworów ESBE, gdzie ZZ jest na zimnym dojściu do 3D a nie na powrocie: https://www.esbe.eu/pl/pl-pl/produkty/termostatyczne-zawory-mieszajace/vta370-vta570 Czy tak też jest tak samo dobrze, jak to, co proponujecie ?
gmaj22 Opublikowano 26 Października 2019 #50 Opublikowano 26 Października 2019 Ten schemat również jest zły, bo pompy są w szeregu. Dlatego jest zawór zwrotny w tym miejscu, żeby pompa CO nie tłoczyła w podłogówkę powrotem przez mieszacz termostatyczny 3D. On się nie zamyka całkowicie w momencie wyłączenia pompy podłogowej.
Rekomendowane odpowiedzi
Zarchiwizowany
Ten temat przebywa obecnie w archiwum. Dodawanie nowych odpowiedzi zostało zablokowane.