ziutek188 Opublikowano 16 Października 2016 #1 Opublikowano 16 Października 2016 Witam serdecznie wszystkich użytkowników także jak w temacie mam problem tak iż przy pełnym otwarciu zaworu na grzanie grzejników temperatura na grzejniki nie jest większa jak 30-35 stopni mimo że na piecu jest temperatura 65 stopni.I teraz czy ktoś mógłby mi powiedzieć dlaczego tak się dzieje? A teraz powiem to co wiem na temat instalacji 8 grzejników stalowych cv wszystkie z termostatami, układ otwarty,wymiennik ciepła 12kw, 3 pompy elektroniczne,zawór 4d afriso(bez siłownika), piec skamp-p premium 7kw.Dodatkowo wrzucam kilka fotek instlacji będe wdzięczny za wszelkie sugestie:) aha i jeszcze jedno czy pompy mają być w automacie czy wybrać któreś z nastaw?
gersik Opublikowano 17 Października 2016 #2 Opublikowano 17 Października 2016 Grzejniki są w układzie zamkniętym. Wstaw termometr zaraz za wymiennikiem zobaczysz jaka jest strata na wymienniku.
Gość mak Opublikowano 17 Października 2016 #3 Opublikowano 17 Października 2016 .... albo po co zawór 4 D za wymiennikiem?
sambor Opublikowano 17 Października 2016 #4 Opublikowano 17 Października 2016 Zaw 4-D w takim układzie nie zadziała, potrzebna jest dodatkowa pompa lub po prostu wywal ten zawór, on tak potrzebny jak pryszcz na d....e
ziutek188 Opublikowano 17 Października 2016 Autor #5 Opublikowano 17 Października 2016 Dokładnie grzejniki w układzie zamkniętym a piec w otwartym a zawór kupiłem bo instalator kazał.A jakbym teraz zlikwidował ewentualnie ten zawór to co wtedy z ochroną powrotu do kotła?
papasmurfek Opublikowano 17 Października 2016 #6 Opublikowano 17 Października 2016 He he he. Co raz lepsze jajca. Proponuje żeby admin stworzył dział wzorem innego ciekawego forum pt. "mega drut team" z radosną twórczością niektórych piekarzy z zamiłowania "chydraulikow"
papasmurfek Opublikowano 17 Października 2016 #7 Opublikowano 17 Października 2016 .... albo po co zawór 4 D za wymiennikiem? Żeby wymiennik nie zmarzł... :D
ziutek188 Opublikowano 17 Października 2016 Autor #8 Opublikowano 17 Października 2016 Ciężko teraz stwierdzić co miał na myśli znajomy hudraulik montujac ten zawór ale tak czy siak oprócz tego zaworu rozumiem że reszta instalacji jest wykonana poprawnie?
ziutek188 Opublikowano 17 Października 2016 Autor #9 Opublikowano 17 Października 2016 Zapomniałem dodać że mam jeszcze rozdzielacz do grzejników ale to już chyba bez znaczenia jest
Gość Digitrax Opublikowano 17 Października 2016 #10 Opublikowano 17 Października 2016 Zawór 4D jak koledzy wspomnieli jest do wywalenia. Pompa winna być przed wymiennikiem by do niego wtłaczać wodę a nie ssać. Unika się dzięki temu kawitacji. Obieg grzejnikowy powinien wyglądać tak idąc od powrotu z instalacji CO: rura z rozdzielacza > zawór odcinający > trójnik do uzupełniania i spustu wody z obiegu > trójnik do zaworu bezpieczeństwa > trójnik do podłączenia naczynia przeponowego > filtr > pompa > wymiennik > trójnik a w nim odpowietrznik automatyczny > trójnik do podłączenia termomanometru > zawór odcinający > rura do rozdzielacza CO. Układ taki będzie się sam odpowietrzać. Pompa będzie pracować na niższej temperaturze. Zawór bezpieczeństwa i naczynie przeponowe będzie po stronie ssawnej pompy, więc uderzenia hydrauliczne nie będą skutkować otwieraniem zaworu bezpieczeństwa.
ziutek188 Opublikowano 17 Października 2016 Autor #11 Opublikowano 17 Października 2016 A ta pompa która jest na zasilaniu pieca a przed wymiennik to chyba pcha wode czy źle zrozumiałem?
papasmurfek Opublikowano 17 Października 2016 #12 Opublikowano 17 Października 2016 No to masz jeszcze podłączenie wymiennika do poprawki. Chociaż jak wywalisz 4D to może będzie dobrze. Podłączenie bojlera lepiej jak by było przed wymiennikiem. Ja bym to wszystko wyciął i zrobił jak należy.
ziutek188 Opublikowano 17 Października 2016 Autor #13 Opublikowano 17 Października 2016 No dobra jeszcze tylko orientacja bo patrząc na te zdjęcia które wrzuciłem to dla mnie po prawej od wymiennika to jest przed dobrze rozumiem?
ziutek188 Opublikowano 17 Października 2016 Autor #14 Opublikowano 17 Października 2016 No i co wtedy jeszcze z tym powrotem do pieca nie bedzie za zimny?
Gość Digitrax Opublikowano 17 Października 2016 #15 Opublikowano 17 Października 2016 W/g zdjęć jakie dodałeś to strona pierwotna wymiennika jest dobrze zasilana. Pompa wtłacza wodę do wymiennika tak samo jak wtłacza wodę do wężownicy zbiornika CWU. Pytanie zasadnicze: gdzie masz podłączone naczynie otwarte przy kotle? Powrót kotła nie będzie chłodny. Szybki przepływ przez wymiennik spowoduje jego poprawne podgrzanie.
kiminero Opublikowano 17 Października 2016 #16 Opublikowano 17 Października 2016 @ziutek188 ma problem z niską temp obiegu wtórnego, więc 4D zostawcie na deser. Jeżeli twierdzi (co widać), że przy pełnym otwarciu dobija do 35 i nie idzie dalej, to sprawdzić należy jak ustawione są pompy, czy na pewno prawidłowo ustawiono zawieradło zaworu i jakiej mocy nominalnej jest ten wymiennik, bo na 60 stopni zasilania to może być za mały. 4D można zostawić w pozycji "nie ma mnie" i o nim zapomnieć.
ziutek188 Opublikowano 17 Października 2016 Autor #17 Opublikowano 17 Października 2016 O fajnie być może razem dojdziemy do jakiegoś rozwiązania mojego problemu dodaje kilka jeszcze poglądowych fotek także z przelewem oraz przeponem także rozdzielacz który jest zaraz z boku.Wymiennik ciepła jest 14 płytowy o mocy 10-15kw
henryk1953 Opublikowano 18 Października 2016 #18 Opublikowano 18 Października 2016 To może ja coś powiem > Po pierwsze masz problem z obiegiem wody w układzie wtórnym .Przyczyną tego może być dwie rzeczy jakie zauważyłem . 1.Nieprawidłowo zamontowany filtr ,on powinien chronić równocześnie wymiennik jak i pompę . W twoim przypadku wszelkie syfy z grzejników jak i instalacji zatkały ci wymiennik.(oby nie) 2.Masz nie prawidłowo odpowietrzony układ ,a szczególnie odcinek na powrocie ,tam masz syfon na powrocie do zaworu 4D a powrotem do wymiennika. Jak wywalisz ten zawór to na tym odcinku powrotu zamontuj odpowietrznik i filtr.
ziutek188 Opublikowano 18 Października 2016 Autor #19 Opublikowano 18 Października 2016 Aha odnośnie punktku 1 a to nie jest tak że jak jest filtr przed tą pompką to już za pompką jest woda czysta? A jak tak to zaraz za pompką jest wymiennik czy dobrze rozumiem?
ziutek188 Opublikowano 18 Października 2016 Autor #20 Opublikowano 18 Października 2016 Odnośnie syfonu to zgadza sie jeden jest do instalacji a drugi obok do pieca to w sumie ten odpowietrznik miedzy pompką a wymiennikiem jest nie potrzebny?
ziutek188 Opublikowano 18 Października 2016 Autor #21 Opublikowano 18 Października 2016 To jak zamontować filtr żeby równocześnie chronił pompke i wymiennik?
odpowietrznik Opublikowano 18 Października 2016 #22 Opublikowano 18 Października 2016 To jak zamontować filtr żeby równocześnie chronił pompke i wymiennik?
sambor Opublikowano 18 Października 2016 #23 Opublikowano 18 Października 2016 Trzeba pamiętać, że pompa musi pchać wodę na wymiennik, inaczej może powstawać zjawisko kawitacji i problemy z pompą.
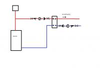
Gość Digitrax Opublikowano 18 Października 2016 #24 Opublikowano 18 Października 2016 W skrócie tak jak na rysunku. Nie potrzeba zaworów zwrotnych jeżeli w danym obiegu jest jedna pompa.
ziutek188 Opublikowano 18 Października 2016 Autor #25 Opublikowano 18 Października 2016 Aha no to już wszystko rozumiem bo aktualnie jak zauważyliście mam dwie pompki na instalacje jedna przed wymiennikiem a druga za zaworem 4d. I teraz tak podsumowując likwiduję tak jak sugerowaliście zawór 4d i odrazu pompę za nim?Jeżeli tak to tą pompę mogę zamontować na powrót tak jak jest na rysunkach powyżej zgadza się? Aha i jeszcze jedno a co z radą od henryka żeby wstawić odpowietrznik po wywaleniu zaworu 4d czy raczej to już nie będzie aktualne? Wiem że dużo pytam ale lubię poprostu wiedzieć o co chodzi:) a co ma na celu pompa montowana na powrocie?Bo z rysunku wnioskuję że mam ją zamontować
Rekomendowane odpowiedzi
Zarchiwizowany
Ten temat przebywa obecnie w archiwum. Dodawanie nowych odpowiedzi zostało zablokowane.