farmkam Opublikowano 27 Grudnia 2015 #26 Opublikowano 27 Grudnia 2015 Moim zdaniem bufor z wężownicą cwu bije na głowę każdy bojler oraz połączenie bufor i bojler.Moją kotłownie przerabialem gruntownie 3 razy,przerabialem podajnikowca i ds.Obecnie mam kominek i bufor 1800l w lecie cwu starcza na ok 14 dni a przy CO tak jak do tej pory na 3 dni. Wszystko to przy słabo ocieplonym domku 80mk.i 3 osobach.
Hogan Opublikowano 27 Grudnia 2015 #27 Opublikowano 27 Grudnia 2015 Czyli kupując ten sterownik będę mógł: - sterować zaworem trójdrożnym na rozdzielacze podłogówki który będzie dodatkowo regulowany czujnikiem pogodowym (przez co w lecie przeważnie będzie on zamknięty dzięki czemu nie będę musiał zamykać żadnych zaworów na wiosne na CO) dobrze myślę?? Tak, sterownik obsługuje także pogodówkę, u mnie jest wpięta, ale nie korzystam, bo okazało się, że nie ma konieczności ciągłego palenia, przepalam teraz co 2-3 dni. Zawór przed rozdzielaczem może być z siłownikiem, ale także z pokrętłem ręcznym, dodatkowo każda pętla może mieć swój siłownik, ale to już doczytasz w tematach, gdzie wypowiadają się profesjonaliści. Natomiast zawór trójdrożny termostatyczny od zabezpieczenia powrotu otwiera się automatycznie bez żadnej automatyki?? Otwiera się bez udziału sterownika, jeśli o to Ci chodziło. Ponadto warto zadbać o dużą średnicę przepływu w zaworze, żeby w razie zaniku zasilania kocioł ładował bufor grawitacyjnie. -sterować pompą CWU (tylko proszę wyjaśnić czy będzie ona tylko ładowała CWU z pieca czy także z bufora latem) Będzie ładowała ze sprzęgła, taki jest sens tej całej instalacji. Gdy wyłączy się pompa na kotle, to ruszy obieg grawitacyjny z bufora w kierunku sprzęgła, zatrzyma to zawór zwrotny przy kotle, a napędzać będzie tylko któraś z pomp za sprzęgłem. Dlatego pompa bojlera jest sterowana czujnikiem z bufora, a nie z kotła. Uwzględnij to przy projektowaniu kotłowni, ważne są spadki i odpowiednio duże średnice rur, u mnie jest to 3/2". Co do bufora z wężownicą cwu - wyguglaj sobie temat, są różne opinie, ja nie korzystałem, więc nie będę się wypowiadać. Dużo tu jest zmiennych, musisz oszacować rozbiór cwu oraz jak często będziesz palić. Co do bufora - samoróbki - jedno ważne pytanie: czy układ będzie zamknięty czy otwarty? Czy planujesz wpięcie kotła gazowego? Taki bufor musi wytrzymać wtedy ciśnienie 1,5 - 2 atmosfery, dla płaskich dennic może to być problem, a wymiennik też co nieco kosztuje.
sieno26 Opublikowano 27 Grudnia 2015 Autor #28 Opublikowano 27 Grudnia 2015 Co do układu CO to będzie otwarty b9 nie stać mnie na piec hg z wężownicą schładzającą. Więc będzie DS ale jaki to jeszcze nie podjąłem decyzji. Gazówki nie będzie bo lasu dużo jest własnego. farmkam@ niezłe osiągi. Powiedz jaki masz bufor tzn samoróbka czy gotowy np z allegro. Ile mb wężownicy cwu oraz jaki przekrój?? Nie miałeś sytuacji że brakowało cwu?? Np przy napełnieniu wanny lub poboru wody z kilku punktów na raz?? Trochę martwi mnie sprawa którą poruszył ktoś kilka postów wyżej a mianowicie. Co jeśli przyjadę do domu i zastanę wyładowany bufor a będę potrzebował cwu. Ile będę potrzebował czasu na podładowanie bufora by można było używać cwu??
papasmurfek Opublikowano 28 Grudnia 2015 #29 Opublikowano 28 Grudnia 2015 Trochę martwi mnie sprawa którą poruszył ktoś kilka postów wyżej a mianowicie. Co jeśli przyjadę do domu i zastanę wyładowany bufor a będę potrzebował cwu. Ile będę potrzebował czasu na podładowanie bufora by można było używać cwu?? Widać, że nie czytałeś podanych przeze mnie stron. :mellow: Jeśli to będzie układ bufor->zasobnik cwu to czas oczekiwania na zagrzanie ciepłej wody może być spory, ale jesli to bedzie bufor z weżownicą cwu to ciepła woda będzie dostępna w parę minut od rozpoczecia ładowania buforu ciepła. Warunek jeden, ładowanie warstwowe. PS. Gdybyś przeczytał to co podlinkowałem to byś już wiedział, że mozliwe jest zagrzanie przepływowo wody nawet gdy w buforze jest "tylko" 45 st.
sieno26 Opublikowano 28 Grudnia 2015 Autor #30 Opublikowano 28 Grudnia 2015 Czytałem kilka razy, tylko taki natłok nowych informacji powoduje delikatne zmieszanie :) Ciekawi mnie czy przy sporym chwilowym poborze cwu nie braknie jej (wanna, itp)
kupfer Opublikowano 28 Grudnia 2015 #31 Opublikowano 28 Grudnia 2015 Witam. Papo smerfie nie odpuszczaj,może się kolega "nawróci",trzymam kciuki. ;) Pozdrawiam.
sieno26 Opublikowano 28 Grudnia 2015 Autor #32 Opublikowano 28 Grudnia 2015 Wybaczcie ale jak widać raczkuję jeszcze jeśli chodzi o ten remat, czytam dużo ale niestety jeśli się nie pracuje przy takich zbiornikach ani nawet przy instalacjach CO zasilanych piecem na paliwa stałe to trudno pewne rzeczy sobie wyobrazić i fizycznie wyjaśnić. Nie rozumiem jak mam zachować warstwowy układ temp w buforze skoro będzie on zasilany jedynie piecem na paliwo stałe bez żadnych lejków itp i pompa będzie mieszać całą wodę w buforze. Również nie jestem w stanie zrozumieć jak wężownica cwu która ma pojemność ok 8l wody jest w stanie nadążyć grzanie wody przy napełnianiu wanny która ma duuużo większą pojemność. Chciałbym złożyć fajny zestaw który zapewniałby wygodę tzn zapas wody cwu na lato, bo zimą to liczę się z częstą wizytą w kotłowni
sambor Opublikowano 28 Grudnia 2015 #33 Opublikowano 28 Grudnia 2015 Wężownica 8l to mało nawet do natrysku a co dopiero do wanny. Dobrych zasobników do takiego grzania wody na rynku jest mało a robiąc samemu sparzyć się jest bardzo łatwo Poniżej masz kartę katalogową niemieckiego producenta u którego wężownica ma pojemność od 48l a średnicę wewnętrzną ok 5/4", oczywiście stal nierdzewna karbowana. Wydajność jest podana dla temp w buforze min 70C i podgrzaniu wody z 10 do 45C. Jak masz możliwości warsztatowe i czas lub dużo kasy, to idź tą drogą, Inaczej pozostaje zakup zwykłych komponentów i wykonanie zwykłej inst CWU na bojlerze 200-300l+ bufor rzędu 1000l i kocioł DS mocy max 15kW na drewnie, Takie schematy bez problemu znajdziesz na tym forum
kupfer Opublikowano 29 Grudnia 2015 #34 Opublikowano 29 Grudnia 2015 Witam. Sieno26, nie wiem gdzie się podział papa smerf ^_^ Może tu coś konkretnie zobaczysz https://forum.info-ogrzewanie.pl/topic/20130-problem-z-temperatura-kot%C5%82a/page-19 post 368,poczytać do tyłu też nie zaszkodzi,ale podstawa pojąć,a to możesz tylko na sąsiednim forum,zaloguj się to cię koledzy naprowadzą ;) Sambor ty też mógłbyś się dokształcić,mylisz totalnie zasadę działania wężownicy miedzianej w buforze :D Nagrzany bufor 1000 l. super ocieplony gwarantuje zapotrzebowanie c w u na co najmniej 5-7 dni w lecie,według "tamtych kolegów praktykujących" ;) Pozdrawiam.
sambor Opublikowano 29 Grudnia 2015 #35 Opublikowano 29 Grudnia 2015 Dzięki, ale moja skromna osoba nie potrzebuje dokształcania. Natomiast ty powiedz mi, dlaczego taki super, hiper sposób nie jest stosowany w praktyce przez wszystkich producentów zasobników? PS Większość producentów stosuje na wężownicę stal nierdzewną a nie miedź może mi powiesz dlaczego? Może też wyślij ich na forum i "lekcje" i papy smerfa :P
papasmurfek Opublikowano 29 Grudnia 2015 #36 Opublikowano 29 Grudnia 2015 Akurat to nie pojemność wezownicy jest ważna ale powierzchnia wymiany. Dlatego lepiej mieć nie wezownice gruba i krótka a cienką i długa. Oczywiście wszystko to zostało już przez kogoś policzone i sprawdzone i wyniki przedstawione na FM w wątku o buforze. Wystarczy poczytać. Juzef na swojej stronie cieplowlasciwie.pl ma spis najważniejszych informacji. Mi się juz nie chce powtarzać tego.
sambor Opublikowano 29 Grudnia 2015 #37 Opublikowano 29 Grudnia 2015 Pojemność wężownicy jest wynikiem kilku zmiennych takich jak średnica, długość, powierzchnia wymiany i spadek ciśnienia + testy praktyczne. O tym jak ciężko zrobić dobrze działającą wężownicę przekonał się kolega @jarekr , który ma problem z uderzeniami hydraulicznymi spowodowanymi gwałtownymi zmianami ciśnienia w inst CWU, więcej tu https://forum.info-ogrzewanie.pl/topic/20552-uderzenia-hydrauliczne-w-instalacji-cwu/ Ja poradziłem koledze , że jak ma kasę i czas to może się w to bawić , w innym przypadku nie ma sensu . A czytanie to jedno a drugie to dana instalacja i jej parametry - a to u każdego jest inne i nie w każdym przypadku takie rozwiązanie będzie prawidłowo działać. Osobnym problemem jest przy takim zasobniku cyrkulacja CWU - albo wychładza, albo nie działa prawidłowo.
papasmurfek Opublikowano 29 Grudnia 2015 #38 Opublikowano 29 Grudnia 2015 Co nie znaczy że trzeba dać sobie spokój, skoro tyle osób ma i im działa. Wystarczy trochę wiedzy przyswoić aby wiedzieć jak "ugryźć temat". Jak ktoś ma wiedzę i możliwości techniczne to dlaczego by nie zrobić tego samemu. A jak ktoś tych możliwości nie ma, jak ja np. to zleca komuś kto te możliwości posiada (polecę w tym miejscu kolege Przemysława-p2ar). Można zadzwonić, porozmawiać coś podpowie.
kupfer Opublikowano 29 Grudnia 2015 #39 Opublikowano 29 Grudnia 2015 Papo smerfie,przecież skromny kolega sambor pisze wyraźnie,że "nie potrzebuje dokształcania" ;) Chyba zauważyłeś sambor,że wężownica nie jest problemem,tylko cudowna nowość bateria mieszająca :D Dlaczego przemysł nie jest tym zainteresowany? :blink: No cóż wiesz niby tak dużo to pomyśl :D Dlatego,że przemysł samochodowy nie interesuje zderzak Łagiewki,samochód na wodę, http://wiadomosci.wp.pl/kat,8771,title,Japonczycy-skonstruowali-samochod-na-wode,wid,10054918,wiadomosc.html?ticaid=11634c http://odnawialnezrodlaenergii.pl/pojazdy-elektryczne-aktualnosci/item/1202-pierwszy-na-swiecie-samochod-elektryczny-zasilany-woda-morska dlaczego elektrownie,ciepłownie nie są zainteresowane piecami inż. Majchrzaka,chyba słyszałeś ;) https://forum.info-ogrzewanie.pl/topic/11505-inne-ekologiczne-piece/ i tysiące innych mądrych rozwiązań,a ty dalej wierzysz w bajki,bo przemysł nie chce produkować to jest be :D o przemyśle farmaceutycznym już nie wspomnę,co aktualnie przerabiam. Pozdrawiam.
odpowietrznik Opublikowano 29 Grudnia 2015 #40 Opublikowano 29 Grudnia 2015 Akurat to nie pojemność wezownicy jest ważna ale powierzchnia wymiany. Dlatego lepiej mieć nie wezownice gruba i krótka a cienką i długa. Oczywiście wszystko to zostało już przez kogoś policzone i sprawdzone i wyniki przedstawione na FM w wątku o buforze. Wystarczy poczytać. Juzef na swojej stronie cieplowlasciwie.pl ma spis najważniejszych informacji. Mi się juz nie chce powtarzać tego. Odwieczny problem gruby i krótki czy cienki a długi ;)
farmkam Opublikowano 29 Grudnia 2015 #41 Opublikowano 29 Grudnia 2015 Jeśli ktoś lubi coś przyciąć albo pospawać i ma blade pojęcie w tym temacie to buforek z węzownicą cwu wyjdzie niewiele drożej od dobrego boilera a jak już pisałem bije go na głowę pod każdym względem.Ja mojego zrobiłem tak trochę na odwal się.Kupiłem zbiornik po opale,rozciolem górę wstawiłem 50 m karbowanej kwasów chyba 16mm zespawalem i opsypałem perlitem. Woda z kranu leci jakieś 3 stopnie chłodniejsza a po dokręcania wszystkich ujęć (mam tylko 3) nie zauważyłem żeby brakowało.
kupfer Opublikowano 30 Grudnia 2015 #42 Opublikowano 30 Grudnia 2015 Witam. Odpowietrznik,próbujemy cię nakłonić do nabrania wiedzy,żebyś pojął zasadę działania,a ta jest dziecinnie prosta ;) Wężownica miedziana pełni rolę PRZEPŁYWOWEGO PODGRZEWACZA WODY=woda w wężownicy jest podgrzewana ciągle przez wodę ciepłą w buforze :D Dlatego najlepsza jest z miedzi,bo najlepiej przewodzi ciepło,ale i najdroższa,poza tym ma walory zdrowotne=zabija bakterie,choć kwasówka też daje radę. Mała ilość wody=kilka litrów w wężownicy,jest ogromną zaletą a nie wadą jak twierdzą fachowcy. :D Ogromna ilość c w u =kilkaset litrów to nawet ogromy kłopot zdrowotny np. w szpitalach=poczytaj na ten temat w necie wszystko znajdziesz :P Pozdrawiam.
automatyk Opublikowano 30 Grudnia 2015 #43 Opublikowano 30 Grudnia 2015 mała pojemnośc wezownicy zawsze bedzie wadą ,im wieksza pojemnośc tym mniejsza predkosć co za tym idzie duza powietrzchnia wymiany wezownicy ,rozne juz wynalazki widziałem w zyciu jak wezownice w buforach wezownice w kotłach w kominkach wymienniki i inne wymysły i nic nie staąpi zasobnika cwu najtansze najlepsze rozwiazanie a jak ktoś pisze ze mu bufor na tydzien starcza gdzie rozbior bufora jets od naładowania czyli 80st do 45st to roznie dobrze starczy by mu zasobnik 80l i grzałeczka elektryczna zamiast inwestycja w baniaki i inne wymysły za cieżkie pieniadze
farmkam Opublikowano 30 Grudnia 2015 #44 Opublikowano 30 Grudnia 2015 A co ma prędkość do powierzchni wymiany? Ktoś tu myli pojęcia. Czy woda stoi czy płynie z dużą prędkością to powierzchnię wymiany ma taką samą.Dobrze dobrana węzownica zapewni nam dostawę ciepłej wody tyle ile chcemy.Musimy tylko wiedzieć ile jej chcemy i z jakiego gradjatu mamy ja uzyskać.
kupfer Opublikowano 30 Grudnia 2015 #45 Opublikowano 30 Grudnia 2015 Tys prowda kumie automatyk,ale jak ktoś bufor buduje,to panocku ta węzownica mu starcy az zawze łocy ;) Wase podgrzewace w twardej wodzie więcej jak 6-8 lot nie wytrzymią,kamienia mocie wiadro=tam tys te pierunskie mikroby siedzą :o Kupa ście widzieli, ale wszystkiego nie rozumiycie,pocytejcie se ta dupno gazeta co nazywajom internetym :D Pozdrawiom serdecnie.
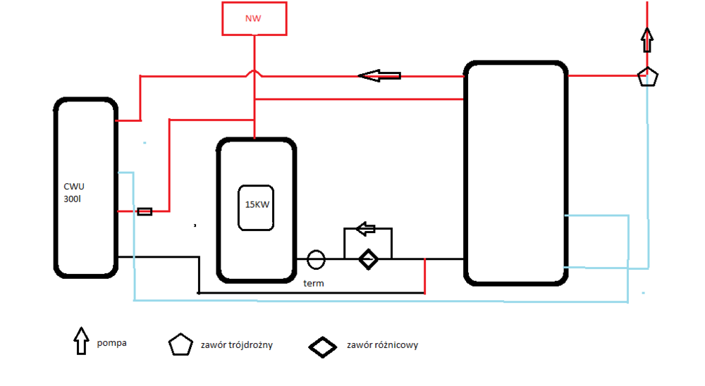
sieno26 Opublikowano 31 Grudnia 2015 Autor #46 Opublikowano 31 Grudnia 2015 Byłby ktoś w stanie rozrysować mi jak powinno wyglądać podłączenie kotła do bufora oraz zbiornika cwu oraz po wygaśnięciu pieca dogrzew cwu na górną wężownicę z bufora. Coś jak w tym schemacie. oczywiście jest on kulawy na dwie nogi :rolleyes:
sieno26 Opublikowano 1 Stycznia 2016 Autor #47 Opublikowano 1 Stycznia 2016 Pomińsmy może kwestie instalacji, dopytam szefa może coś wymyśli. Jaki piec byłby najlepszy dla moich potrzeb?? Mpm ds?? Albo lepiej jakieś dostepny na hurtowniach np defro sas bo mam przez firme w ktorej pracuje spore zniżki na różnych hurtowniach?? Proszę mi wytłumaczyć dlaczego dmuchawa sie nie nadaje do moich potrzeb?? Tzn do opalania drzewem
farmkam Opublikowano 3 Stycznia 2016 #48 Opublikowano 3 Stycznia 2016 Jeśli będziesz palił tylko drewnem to zastanów się nad jakimś do zagazowywania coś w typie atmos, defro też coś tam chyba próbowało stworzyć ale nie wiem co z tego wyszło bo interesowałem się tym z 4 lata temu.O dmuchawie musisz poczytać bo to dosyć rozległy temat.Generalnie nie jest dobrym rozwiązaniem.Oczywiście nie dotyczy to miałowców i podajnikowca.A co do schematu to czy dobrze rozumiem że chcesz w bojlerze dwie wężownice?
kupfer Opublikowano 3 Stycznia 2016 #49 Opublikowano 3 Stycznia 2016 Witam. Farmkam,jaką widzisz różnicę między atmos HG ,a MPM,Kalvis,Vienhybe=kotły z ceramiczną komorą dopalającą? :unsure: Bo w palenisko wdmuchuje 400 m 3 powietrza na godzinę,kocioł domowy to nie elektrownia :D Kolega dostał wystarczająco informacji,ale chce mieć wszystko podane na tacy ;) Pozdrawiam.
sieno26 Opublikowano 3 Stycznia 2016 Autor #50 Opublikowano 3 Stycznia 2016 farmkam tak, myślałem o dwóch wężownicach w zasobniku cwu
Rekomendowane odpowiedzi
Zarchiwizowany
Ten temat przebywa obecnie w archiwum. Dodawanie nowych odpowiedzi zostało zablokowane.