Skocz do zawartości

Rekomendowane odpowiedzi

Opublikowano (edytowane)

Tak na poważnie to zostaje tu pytanie jak zrobić, żeby pompa instalacji nie ciągnęła wody z zimnego kotła gdy jest rozładowanie?

Edytowane przez vernal
Opublikowano (edytowane)

Tak na poważnie to zostaje tu pytanie jak zrobić, żeby pompa instalacji nie ciągnęła wody z zimnego kotła gdy jest rozładowanie?

Tam jest zawór 3-d który nie puści zimnej wody w instalację oraz dodatkowo zawór zwrotny, mam podobny układ i działa prawidłowo.

Edytowane przez sambor
  • Zgadzam się 1
Opublikowano

Tak na poważnie to zostaje tu pytanie jak zrobić, żeby pompa instalacji nie ciągnęła wody z zimnego kotła gdy jest rozładowanie?

 

Jest to bardzo dobre pytanie, które jest dla mnie o tyle istotne, iż instalacja wydaje się skopiowana z mojego projektu i też się nad tym zastanawiałem. Założyłem, że niedziałająca pompa na zasileniu kotła będzie stawiać na tyle duży opór, iż nawet jeśli będzie przez nią jakiś przepływ, to będzie on pomijalny. Ponadto zawór termostatyczny 3D na zasileniu kotła zwyczajowo ustawiony na 60 lub 65st C bardzo szybko powinien się zamknąć jak tylko nieco chłodniejsza woda wróci z instalacji i powinien uniemożliwić ten niechciany przepływ.

 

 

Kolego meping  - zobacz jak robią to chłopcy od Atmosa , niby tam jest Ladomat, ale to nie istotne,ważne jak zbiorniki są połączone.

 

Według mnie jedno i drugie połączenie jest prawidłowe  - można tak, lub inaczej. Wszak nie od dziś wiadomo, że jedni wolą brunetki, a drudzy blondynki ;). Tak jak wcześniej pisałem, do mnie bardziej przemawia połączenie szeregowe, zwłaszcza przy niewielkich zbiornikach. Przy dużych to może i bym się zastanowił ;)

Opublikowano (edytowane)

Własnie przed chwila byłem w kotłowni i tak myslałem i chyba to ma sens co pisze meping (bez urazy;))

 

Patrzac jak sie nagrzewaja  bufory to rzeczywisice najszybciej ciepło bedzie płyneło na instalacje jak podłącze u góry 1.

 

Tylko pytanie czy potem z 2 bufora woda przejdzie do 1.

 

Narysowałem jak to moge zrobic u mnie.

 

Czy tak by mogło byc?

 

 

 

 

mógł bym jeszcze zrobic tak wtedy najmniej roboty by było.

Polaczyc góre z góra i dół z dołem ale na grubych rurach 6/4.

 

Co wy na to?

 

 

post-57944-0-99794800-1398723454_thumb.jpg

post-57944-0-98360600-1398723744_thumb.jpg

Edytowane przez pellastex2
Opublikowano

 Założyłem, że niedziałająca pompa na zasileniu kotła będzie stawiać na tyle duży opór, iż nawet jeśli będzie przez nią jakiś przepływ, to będzie on pomijalny. 

 

 

Przez samą niepracującą pompę jest przepływ w obie strony i to wcale nie pomijalny,  chyba że w pompę jest wbudowany zawór zwrotny.

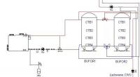
Opublikowano (edytowane)

Ja połączyłbym tak jak na rys poniżej, te zaw 3-d pracują jako przełączające nie są niezbędne, ale mogą być przełączane ręczne na odbiór z danego bufora lub automatyczne , jak np temp w pierwszyn spadnie to przełącza się na drugi.

W tym układzie bufory ładują się równolegle, ale rozładowują się pojedynczo, przy równoległym rozładowaniu zaw 3-D zbędny.

post-18578-0-09036000-1398749433_thumb.jpg

Edytowane przez sambor
Opublikowano (edytowane)

Sambor, przekombinowałeś z tymi dwoma odejściami z bufora 2. Spowoduje to nierównomierne rozładowanie buforów. Pellastex2, schemat 2 jest oki, natomiast tak jak pisałem do Sambora w 1 należy zasilenie instalacji wyprowadzić pomiędzy buforami (o ile to możliwe). Podobnie powrót.

 

P.S. Jeszcze do Sambora. Po kolejnej lekturze Twojej wypowiedzi uważam też za kiepski pomysł ręczne przełączanie buforów. Nie po to wydaje się na nie kasę aby co chwila latać do kotłowni. Tak więc albo stałe równoczesne rozładowywanie buforów wpiętych równolegle, albo połączenie szeregowe gdzie kwestia rozładowywania buforów jeden po drugim jest załatwiona jakby z definicji. Osobiście skłaniałbym się ku temu drugiemu rozwiązaniu.

Edytowane przez meping
Opublikowano

Moja propozycja to układ równoległy - każdy bufor ma własne zasilanie i powrót.

Wyjścia na odbiory są też spięte równolegle, 

To tak jakbyś połączył równolegle dwa kondensatory  ;)

Ale nie musisz przełączać ręcznie ani automatycznie, to tylko opcja 

Ale czasem warto mieć opcję ładowania  jednego bufora,- jest szybciej

Opublikowano

O ile mnie wzrok nie myli, to układ mepinga ma opcję ładowania 1 bufora bez żadnych przełączników, automatycznie.

 

W rzeczywistości, to nie widzę, żadnej różnicy między ładowaniem 1 czy 2 buforów, nic to nie daje.

Opublikowano

Dokładnie tak jest. Może faktycznie przy tak dużej nadwyżce mocy nie ma to znaczenia, ale przy mniejszych kotłach ma. Czekanie kilku godzin aż naładuje się pierwszy bufor i część drugiego wydaje mi się kuriozalne. A poza tym dla mnie prostota jest najważniejsza i tyle ;-)

Opublikowano

Dwa bufory równolegle to tak jakbyś miał  jeden ale 2x większy,

Jeżeli masz dwa bufory w połączeniu równoległym z możliwością odcięcia jednego na czas ładowania drugiego, to ten drugi szybciej osiągnie zadaną temp i odbiory szybciej będą od niego odbierały ciepło.

Opublikowano

Żeby tak było, to by musiał być układ porządnie skopany.

W tym, który jest tutaj, ciepło na grzejniki można odbierać od razu po rozpaleniu kotła i w każdym momencie niezależnie od tego jaki jest stopień naładowania buforów. Czy je połączysz równolegle czy też szeregowo, to nie ma znaczenia.

Nie ma też znaczenia czy bufor jest 2 razy większy czy 2 razy mniejszy.

 

Piszesz, że "szybciej osiągnie temp. zadaną" - gdzie, na czujniku, którym?

Tutaj czujnik uruchomienia pompy instalacji ma być na wyjściu z buforów a czujnik ładowania buforów umieszczony gdzie indziej, gdzieś w buforze, w zależności od rodzaju połączenia; to jest chyba jasne.

Opublikowano

Pozmieniałem kilka rzeczy proszę zobaczcie to.

Górna część to tak jak to będzie wyglądało na ścianie a potem połączenie.

Dyskutujemy tu o wyższości równoległego połączenia z szeregowym a może połączyć bufory że sobą w ten sposób?

post-57944-0-30849200-1398873823_thumb.jpg

Opublikowano

Dyskutujemy jak połączyć, bo poza tym wszystko już jest jasne.

To znaczy schemat kolegi mapinga z postu #25.

To działa automatycznie, nie trzeba żadnego przełączania.

Opublikowano

Ok rzeczywiście część już wiemy ale po konsultacji z jedną osobą nachodzi mi pytanie czy nie powinny jednak powroty być rozdzielone.

Powrót z buforów tam gdzie na tym schemacie jest zasilanie tylko na samym dole. Czyli w pierwszym buforze.

A powrót z grzejników przeciwnie do zasilania czyli drugi bufor na samym dole.

Opublikowano

Dyskutujemy tu o wyższości równoległego połączenia z szeregowym a może połączyć bufory że sobą w ten sposób?

 

Wszystko można. Wydaje mi się jednak, że połączenie na kilku poziomach nie będzie się znacząco różnić od połączenia jedynie na górze i dole. Wydaje się, że masz naprawdę dużą nadwyżkę mocy, więc może jest to dla Ciebie bez większego znaczenia, ale już napisałem, iż wydaje mi się, że połączenie szeregowe będzie bardziej efektywne i będzie działać automatycznie, jak dorzucił Vernal.

 

Dyskutujemy jak połączyć, bo poza tym wszystko już jest jasne.

To znaczy schemat kolegi mapinga z postu #25.

To działa automatycznie, nie trzeba żadnego przełączania.

 

Mepinga, nie mapinga  :P - to moja ksywka od AD 1996 która została przeniesiona do sieci  :D Poza tym reszta się zgadza :D

Dołącz do dyskusji

Możesz dodać zawartość już teraz a zarejestrować się później. Jeśli posiadasz już konto, zaloguj się aby dodać zawartość za jego pomocą.
Uwaga: Twój wpis zanim będzie widoczny, będzie wymagał zatwierdzenia moderatora.

Gość
Dodaj odpowiedź do tematu...

×   Wklejono zawartość z formatowaniem.   Usuń formatowanie

  Dozwolonych jest tylko 75 emoji.

×   Odnośnik został automatycznie osadzony.   Przywróć wyświetlanie jako odnośnik

×   Przywrócono poprzednią zawartość.   Wyczyść edytor

×   Nie możesz bezpośrednio wkleić grafiki. Dodaj lub załącz grafiki z adresu URL.

Ładowanie
×
×
  • Dodaj nową pozycję...

Powiadomienie o plikach cookie

Używając tej strony zgadzasz się na Polityka prywatności.