-
Postów
4440 -
Dołączył
-
Ostatnia wizyta
-
Wygrane w rankingu
25
Typ zawartości
Forum
Wydarzenia
Blogi
Artykuły
Treść opublikowana przez AdamGuitar
-
Gdzie Najtaniej Kupie Grzejniki I Wymiennik ?
AdamGuitar odpowiedział(a) na boas43 temat w Kwestie finansowe
Zależy ile lat mają służyć . Jeśli krótko to market, jeśli długo to szukaj w gdzie indziej np. w dobrych hurtowniach instalacyjnych a posłużą wiele lat. -
Przenieś pompę na powrót, to obsłuży i zbiornik i centralne.Gdybyś chciał regulować temperaturę to trzeba dać albo zawór bezpośredniego działania do bojlera albo elektromagnetyczny normalnie zamknięty. Potrzeba też wyregulować przepływ przez bojler aby woda nie płynęła tylko przez niego (dławienie) na zasilaniu do bojlera.
-
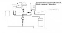
Ten zawór trójdrożny w kotle psuje cały układ. Można by go oszukać takim schematem Przy odpowiedniej automatyce mozna by było sterować go sterownikiem z kotła i z kominka, ale to dość skomplikowane
-
-
Odpowietrzniki Do Grzejników Kętowskich
AdamGuitar odpowiedział(a) na pawlo temat w Instalacje CO i CWU
Do tokarza i zrobi w korku odpowiedni otwór do wkręcenia odpowietrznika lub kształtki -
Do obsługi dwóch obiegów grzewczych wystarczy jedna pompa, tylko schemat trzeba byłoby gruntownie zmienić.
-
Napisz jakiej firmy jest zawór trójdrożny. Przyczyną może być złe ustawienie przesłony w zaworze.
-
Poczytaj Junkers Supraclass lub Dakon DOR12 . Tam w postach moich i innych znajdziesz odpowiedź. Trudno mi o porównania pomiędzy Warmetem a Junkersem. Zwróć uwagę na to co trzeba eksploatacyjnie wykonać, natomiast prace modernizacyjne nie koniecznie. Gdybyś jeszcze miał wtedy zapytania - zapraszam.
-
Kryzy lub zawory regulacyjne w szerokim tego słowa znaczeniu w zależności od wielkości instalacji.
-
Rura Powrotna Co Niżej O Około 30 Cm Od Wlotu Do Kotła
AdamGuitar odpowiedział(a) na DanielB temat w Instalacje CO i CWU
Nie będzie problemu -
Instalacja Na Paliwo Stale 4d. - Co. +cwu
AdamGuitar odpowiedział(a) na uczen temat w Instalacje CO i CWU
Nie polegałbym tylko na zaworze zwrotnym zamiast odcinajacego. :D -
Instalacja Na Paliwo Stale 4d. - Co. +cwu
AdamGuitar odpowiedział(a) na uczen temat w Instalacje CO i CWU
Jeśli jest więcej pionów c.o. to należałoby: 1. termometr tarczowy lub zwykły na zasilaniu za zaworem czterodrożnym - niezależnie od ilości pionów (rozdzielacz) 2. Termometr lub termometry na powrotach z instalacji c.o. powroty 1 lub na każdy pion. Ma to na celu szybką ocenę temperatury zasilania na grzejniki oraz temperatury z powrotów grzejników, daje to obraz regulacji instalacji (temperatura powrotów powinna być mniej więcej na tym samym poziomie) duże rozbieżności świadczą o różnym stopniu otwarcia zaworów termostatycznych lub o złej regulacji przepływu, oraz o stopniu schłodzenia w stosunku do wartości zakładanych. 3. Dobrze jest też mieć pomiar temperatury na wylocie z bojlera (termometr) 4. Przydatny może być zawór na obejściu pompy c.o. niezależnie od zaworu na rurze głównej, w przypadku nietrzymania przez zawór grawitacyjny, w przypadku demontażu pompy może kapać lub nawet lecieć woda. Podłogówka może zostać - jest to układ stosowany Z rysunku trudno stwierdzić czy jest zawór bezpieczeństwa na zimnej wodzie jeśli jest to ok. jeśli nie to trzeba doprojektować. Cyrkulacja po kolei jest zawór kulowy, filtr, pompa, ? powinien być drugi zawór aby można było zdemontować pompę bez spuszczania wody z bojlera. zawór przy kotle służy zapewne do napełniania i uzupełniania wody o.k. Instalacja c.o. brak zaworu grzejnikowego na zasilaniu, z możliwością regulacji przepływu (nastawa wstępna)lub kryzy, w celu regulacji instalacji, można też dołożyć zawór na powrocie (odcinający), umożliwi on demontaż grzejnika w przypadku konieczności jego demontażu w sezonie, brak odpowietrznika chyba, że wykorzystuje się odpowietrznik na grzejnikach. W przypadku kilku pionów korzystne jest zamontowanie rozdzielacza na powrocie i zasilaniu z uwagami o termometrach oraz z zaworami w celu możliwości odcięcia poszczególnych nitek. To tak na szybko. Podłogówki nie oceniam, typowy fabryczny układ. Powinien zawierać układ zabezpieczenia przed przegrzaniem instalacji (pow. 55st. C) -
Każda podpowiedź będzie subiektywna, gdyż większość zna jeden konkretny kocioł. Stąd moja rada zdaj się na intuicję. Parametry kotłów są podobne, walory użytkowe również, pozostaje zatem popatrzeć na wygląd, estetykę kotła, na to "coś" co ujmuje podczas oglądania, aby stwierdzić "ten kocioł mi odpowiada. Tak było z moim Junkersem.
-
Naczynie Wzbiorcze Na Wysokości Grzejnika łazienkowego
AdamGuitar odpowiedział(a) na adamjrg temat w Instalacje CO i CWU
Tylko się cieszyć i można montować. -
ostatnio na forum ktoś proponował układ zabezpieczający jako dobudowany moduł do kotła kupny z pełnym osprzętem.Ale nie pamiętam w którym to było poście.
-
-
Dlatego jest tam zawór grawitacyjny na obejściu pompy
-
Naczynie Wzbiorcze Na Wysokości Grzejnika łazienkowego
AdamGuitar odpowiedział(a) na adamjrg temat w Instalacje CO i CWU
Pompa może wyrzucać wodę z instalacji, gdyby było 60 cm to masz trochę nadciśnienia atak praktycznie jego brak w tej części instalacji. mogę prosić o jakiś schemat jak to by wyglądało? Wraz z umiejscowieniem pompy i wysokość instalacji. -
Zawory Termostatyczne Do Instalacji Grawitacyjnej
AdamGuitar odpowiedział(a) na mario81 temat w Instalacje CO i CWU
Wszelkie niezbędne informacje znajdują si na stronie internetowej która podałem. Ale jeśli podobają Ci się zawory Herz to do dzieła. A jeszcze lepiej wejdź na stronę herz'a i je sprawdź http://www.herz.com.pl/produkt.php?id=48 # Zawory termostatyczne HERZ-TS-90-E o zmniejszonym oporze do instalacji jednorurowych i grawitacyjnych # Zawory termostatyczne HERZ-TS-E o zwiększonym przepływie do inwstalacji grawitacyjnych i jednorurowych na tej właśnie stronie -
Każdy z tych kotłów opisany był już przynajmniej po kilka razy na forum. Każda podpowiedź będzie subiektywna, gdyż większość zna jeden konkretny kocioł. Stąd moja rada zdaj się na intuicję, nie było w tym krzty złych intencji. Parametry kotłów są podobne, walory użytkowe również, pozostaje zatem popatrzeć na wygląd, estetykę kotła, na to "coś" co ujmie podczas oglądania, aby stwierdzić "ten kocioł mi odpowiada. Tak było z moim Junkersem.
-
Chodzi o sprzęgło hydrauliczne.
-
Trzeba szukac zaworów termostatycznych do instalacji grawitacyjnych. Np. ZAWÓR TERMOSTATYCZNY RA-G 25 firmy Danfoss lub firmy IMI INTERNATIONAL sp. z o.o. OLEWIN 50A, 32-300 OLKUSZ Zawór termostatyczny GRAWITACYJNY Ø 3/8" Zawór termostatyczny GRAWITACYJNY Ø 3/8" Zawór termostatyczny GRAWITACYJNY Ø 1/2" Zawór termostatyczny GRAWITACYJNY Ø 1/2" Zawór termostatyczny GRAWITACYJNY Ø 3/4" Zawór termostatyczny GRAWITACYJNY Ø 1 1/4" te polskie na pewno znacznie tańsze Patrz http://www.kataloginzyniera.pl/index.php?prod=12346 Średnice gałazek mogą pozostać 1/2"
-
Naczynie Zbiorcze Otwarte I Zamkniete
AdamGuitar odpowiedział(a) na vxam temat w Instalacje CO i CWU
Poproszę o schemat instalacji z zachowaniem wysokości montażu poszczególnych urządzeń (nie skala). Jeśli kocioł posiada zabezpieczenie przed gotowaniem się wody można zamontować naczynie zamknięte, inaczej nie. -
Jak Dobrac Srednice WkŁadu Kwasoodpornego.
AdamGuitar odpowiedział(a) na robertg temat w Instalacje CO i CWU
Może opowiedz najpierw co wymyślili nim pomożemy? -
Zdać się na intuicję.
