Skocz do zawartości

AdamGuitar

Stały forumowicz
  • Postów

    4440
  • Dołączył

  • Ostatnia wizyta

  • Wygrane w rankingu

    25

Treść opublikowana przez AdamGuitar

  1. możesz robić, jeśli chodzi o schemat rozmieszczenia grzejników. Odnośnie średnicy rur i armatury nie wypowiadam sie bo za mało danych. Bojler 5 m od baterii? To niewiele. Może tak pozostać.
  2. NIE! nie będzie działał
  3. Na kryzie nastawy wstępnej następuje spadek ciśnienia ale wzrasta prędkość przepływu i tu jest problem. Przy zbyt dużej wydajności pompy dochodzi do takich zjawisk. Jeśli masz zawory przy pompie obiegowej przydław jeden z nich trochę, szumy powinny ustąpić (przy działaniu grzejników). Nie traktuj tego jako rozwiązania docelowego. Podaj na którym biegu pracuje pompa. Podaj tez nastawy wstępne na zaworach w zależności od wielkości grzejnika w kolejności do montażu od pompy (schemat instalacji).
  4. Trudno rozstrzygać. Na forum powinny pojawiać się informacje ogólne, które trzeba podeprzeć niejednokrotnie konkretnym urządzeniem z zaznaczeniem, że jest to przykładowe rozwiązanie, do którego można zastosować urządzenie innego producenta. Nie może to sugerować, że stosując taki regulator, zawór i inne , że jest to jedyne rozwiązanie. To już reklama. oczywiście można podeprzeć się schematem producenta, ale tylko poglądowo. Admin ma czuwać nad tym wszystkim, a nie łatwa to sprawa.
  5. Spróbuj ręcznie czy reguluje bez siłownika. Przyczyna może leżeć w siłowniku a nie w zaworze.
  6. Lepiej na kocioł z zabezpieczeniem.
  7. Najlepiej zatrudnić biuro projektowe.
  8. Zbyt duży przepływ. Napisz jaką masz moc grzejników i zamontowana pompę.
  9. Pompa bezdławicowa oznacza że pompa nie ma dławic uszczelniających wirnik pompy, a nie że nie ma oporów przepływu. Pompa bezdławicowa to np. Grundfos 25 -40 gdzie silnik pompy z pompa tworzy monolit (jedna obudowa).
  10. Rzadko stosuje się różnicę temperatur 10 st. C. zazwyczaj przyjmuje się 20 st. a wtedy mamy 859,85 l/h. Tylko wtedy trzeba zastosować inne grzejniki (spada moc). A jaka pompa jest tam zamontowana?
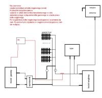
  11. A sterownik możesz wykorzystać od kominka (nie musi być drugiego. Wtedy stosujesz trzy przekaźniki zasilane z wyjścia out 1. Patrz schemat. czyli możesz wykorzystać już istniejący sterownik od kominka jeśli posiada takie same funkcje jak ten.
  12. przekaźnik bezpotencjałowo jest wpięty do sterownika kotła gazowego pod sterowanie pokojowe. W momencie startu pompy na obiegu wymiennika (kominek) zablokuje kocioł gazowy. Sterownik to Auraton1111 Multi ale może być inny, byle posiadał funkcje ja ten który steruje układem. Brak sprzęgła nie zakłóci pracy pompy. Sprzęgła stosuje się głównie po to aby był stały przepływ przez jedno z urządzeń. Tu nie jest to konieczne. Czy chodzi o ten mostek przed kotłem gazowym? Rolę tego zaworu spełnia zawór na wylocie z kotła a ten staje się zbędny. Jednak będzie on pracował dlatego jest spięty (oszukany) gdyż przy przełączeniu będzie przepuszczał tę sama wodę. Jeśli można go zdemontować to należy tak uczynić. Jeśli nie to zostawić.
  13. Załącz schemat i podaj typ zaworu oraz regulatora.
  14. Tak z powodu nieprzegrzewania pomieszczeń. Termostat ogranicza przepływ przy osiągnięciu nastawionej temperatury.
  15. Piszesz, że czasami ogranicza przepływ. Szukałbym przyczyny gdzie indziej. Zawór zwrotny na zimnej wodzie, obniżone ciśnienie wody wodociągowej.
  16. 60 to za duża pompa na taką instalację. Wydajność czterdziestki i tak a za duża wysokość podnoszenia. Albo Alpha 2. Ona zadba o własciwe wykorzystanie energii.
  17. Brak wtedy układu utrzymującego temperaturę powrotu na poziomie 50 st. Sugerował bym raczej coś takiego.
  18. Różnica poziomu pomiędzy górą instalacji kominka a dołem naczynia to 0,6m. Jeśli obieg będzie wymuszony to tak.
  19. Zależy jakie masz na istniejącej instalacji. Generalnie można zastosować wszystkie dostępne na rynku pod warunkiem prawidłowej regulacji instalacji(nastawy wstępne na zaworach grzejnikowych).
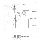
  20. Oto schemat. Dwa kółka na instalacji to zawory grawitacyjne. Uniemożliwią one przepływ wody przez kotły (przepływ wody przez kocioł niepracujący)
  21. Rozumiem, że kocioł posiada układ zabezpieczający przed zagotowaniem (termostatyczny). Rozdzielacze są potrzebne ale możesz to zrobić według własnego pomysłu. Nie ma tu jakichś szczególnych wymagań co do umiejscowienia.
  22. Oszczędności oszczędnościami ale najdroższy jest kocioł i przy zbyt wczesnej wymianie to jest poważny koszt.
  23. Załączam schemat podłączenia automatyki do namalowanego wcześniej schematu. Gdyby były jakieś pytania bardzo proszę.
  24. Nastawę wstępna najlepiej jest wyliczyć z zapotrzebowania mocy dla pomieszczenia (jak również sprawdzić czy grzejnik jest prawidłowy)
×
×
  • Dodaj nową pozycję...

Powiadomienie o plikach cookie

Używając tej strony zgadzasz się na Polityka prywatności.