IGNOROWANY
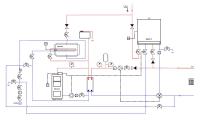
Wymiennik Płytowy, Przełączanie Piecy, Schemat Układu
- Odpowiedz w tym temacie
- Ignoruj ten temat
- Czy wyłączyć ignorowanie tego tematu?
- Dodaj nowy temat
-
Ostatnio przeglądający 0 użytkowników
- Brak zarejestrowanych użytkowników przeglądających tę stronę.
-
Podobna zawartość
-
- 9 odpowiedzi
- 659 wyświetleń
-
Schemat Instalacji Co I Cwu 1 2 3
Przez tomeck,
- 67 odpowiedzi
- 20017 wyświetleń
-
- 8 odpowiedzi
- 1247 wyświetleń
-
- 1 odpowiedź
- 369 wyświetleń
-
Schemat instalacji c.o i c.w.u 1 2
Przez Goori25,
- 40 odpowiedzi
- 2128 wyświetleń
-

Rekomendowane odpowiedzi
Dołącz do dyskusji
Możesz dodać zawartość już teraz a zarejestrować się później. Jeśli posiadasz już konto, zaloguj się aby dodać zawartość za jego pomocą.
Uwaga: Twój wpis zanim będzie widoczny, będzie wymagał zatwierdzenia moderatora.