IGNOROWANY
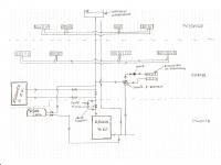
Piec Na Paliwo Stałe+ Kominek Z Płaszczem
- Odpowiedz w tym temacie
- Ignoruj ten temat
- Czy wyłączyć ignorowanie tego tematu?
- Dodaj nowy temat
-
Ostatnio przeglądający 0 użytkowników
- Brak zarejestrowanych użytkowników przeglądających tę stronę.
-
Podobna zawartość
-
- 1 odpowiedź
- 501 wyświetleń
-
Bufor 500 L + kocioł v klasa na paliwo stałe. Jak poprawić instalacje po firmie hydraulicznej?
Przez tsa78,
- 2 odpowiedzi
- 337 wyświetleń
-
- 3 odpowiedzi
- 879 wyświetleń
-
- 53 odpowiedzi
- 25189 wyświetleń
-
- 2 odpowiedzi
- 44 wyświetleń
-

Rekomendowane odpowiedzi
Dołącz do dyskusji
Możesz dodać zawartość już teraz a zarejestrować się później. Jeśli posiadasz już konto, zaloguj się aby dodać zawartość za jego pomocą.
Uwaga: Twój wpis zanim będzie widoczny, będzie wymagał zatwierdzenia moderatora.