Pley86 Opublikowano 15 Listopada 2019 #1 Opublikowano 15 Listopada 2019 7 Witam serdecznie. Nazywam się Daniel i potrzebuję pomocy w ustaleniu przyczyny dużego spalania mojego kotła Sas bio Slim 17 kw. Mianowicie kociol spala mi w tej chwili 2 worki po 15 kilo dziennie (5-12C noc-dzień). To zdecydowanie za dużo jak na takie temperatury które mamy obecnie. Dom (parterowy) ma 197m2 10 cm styro w posadzce 15 cm szary w ścianach i 20 cm wełna na stropie w 50% położona. W kotłowni mam 2 zawory mieszkające. Jeden jest 3 drogowy A drugi 4 drogowy i 3 pompy. Temp. Zadana kotła to 55, cwu 48, zawór 1 28c a zawór 2 ustawiony na 40. Sterownik pokojowy (ustawiony na 23c) steruje tylko zaworem 1 od podłogowki. Pogodówka wyłączona. Ogólnie to zauważyłem w tej chwili że temp. Powrotu skacze w przedziale 53 do nawet 32 stopni co spowoduje załączenie się kotła 2 razy w ciągu godziny. Byli u mnie dwaj fachowcy i jeden stwierdził że zawór 4 drogowy nie jest potrzebny i zrobił by cala instalacje na jednym 3 drogowym + powiedział ze powroty sa "zle" zamontowane co należało by poprawić. Drugi fachowiec powiedział to samo na temat zaworu 4d z tym że niekoniecznie...to może być przyczyną dużego spalania, dodał też że powrót cwu zamontowal by bliżej powrotu do kotła. W załączniku dodaje zdjęcia i proszę o rady bądź kolejne pytanie na które chętnie odpowiem.
pastor Opublikowano 15 Listopada 2019 #2 Opublikowano 15 Listopada 2019 Po pierwsze zadana kotła to nie 55 tylko Ok 70. 55 to powinieneś mieć na powrocie. Ochrona powrotu nie działa u ciebie. W jaki sposób jest realizowana? Przez 4d? Masz pompę na powrocie z tego zaworu do kotła?Nie widać tam wiec zakładam ze tej pompy brak i pewnie w sterowniku masz te opcje wyłączona. Poza tym wydaje mi się ze cwu powrót jest wpięty na powrót do 4d a zasilanie cwu sprzed zaworu?
Pley86 Opublikowano 15 Listopada 2019 Autor #3 Opublikowano 15 Listopada 2019 No ok czyli zadana na kotle jest za niska ok. Ochrona powrotu jest wyłączona na zaworze 4d ponieważ temp. Powrotu tak skacze że zawór odcina wodę na instalację dopóki nie osiągnie odpowiedniej temperatury i grzejniki w pokojach są zimne przez większość czasu. Mam 3 pompy. 1 na cwu. 2 na podłogowke a 3 na grzejniki. Nie mam pompy na krótkim obiegu. Tak powrót jest wpiety z dołu zaworu 4d a wyjście jest z góry. P.s. tego złotego zaworu zwrotnego już nie ma przy 4d. Sorry jeśli źle odpowiadam na pytania. Jestem nowy w tych tematach i dopiero od roku mam kontakt z tego typu sprawami.
Pley86 Opublikowano 16 Listopada 2019 Autor #4 Opublikowano 16 Listopada 2019 Dzisiaj hydraulik zmienił powrót cwu na kolanko przy samym kotle i przełożył czujnik powrotu do tego miejsca. Dodatkowo ma zdemontować zawór 4d i zamontować 3d nad tym co już jest. Myślicie że to pomoże na te duże różnice temperatury powrotu. Co może powodować te wahania temp. powrotu? Pomocy! 2 sezon grzewczy A tu takie cyrki...
pastor Opublikowano 16 Listopada 2019 #5 Opublikowano 16 Listopada 2019 Czytaj poprzednie posty zanim zdemolujesz kotłownie.
gmaj22 Opublikowano 16 Listopada 2019 #6 Opublikowano 16 Listopada 2019 5 godzin temu, Pley86 napisał: Dodatkowo ma zdemontować zawór 4d i zamontować 3d nad tym co już jest. Co takiego??? Posłuchaj lepiej rady kol. @pastor Inaczej zostaniesz na tym forum trzeci sezon.
Pley86 Opublikowano 17 Listopada 2019 Autor #8 Opublikowano 17 Listopada 2019 1 godzinę temu, pastor napisał: Czytaj poprzednie posty zanim zdemolujesz kotłownie. Czytam. Czyli nie odpowiedziałem na Pana pytania? Panowie poradzicie więc co zrobić żeby to funkcjonowało poprawnie.
g69 Opublikowano 17 Listopada 2019 #9 Opublikowano 17 Listopada 2019 W dniu 15.11.2019 o 15:21, Pley86 napisał: Dom (parterowy) ma 197m2 10 cm styro w posadzce 15 cm szary w ścianach i 20 cm wełna na stropie w 50% położona. Może w miarę rzetelnie wypełni ten kalkulator i wklej do tematu: http://cieplowlasciwie.pl/ 12 godzin temu, Pley86 napisał: Co może powodować te wahania temp. powrotu? Prawdopodobnie ogrzewanie podłogowe.Na ilu metrach kwadratowych jest OP? W jaki sposób jest prowadzony kocioł(przy jakiej temperaturze się wygasza,przy jakiej odpala)? Moja propozycja na próbę: -Zrobić tak by kocioł się wygaszał przy 70 stopniach a ponownie odpalał przy 45 stopniach. -Zrobić tak by wszystkie pompy pracowały cały czas.Ważne by pracowała też pompa CWU.Po kilku godzinach układ powinien się ustabilizować. Po testach zdaj relację to pomyślimy co dalej.I jeszcze jedna ważna sprawa.Z kranu może lecieć bardzo gorąca woda.Więc trzeba uprzedzić domowników,żeby umiejętnie odkręcali kran z ciepłą wodą.
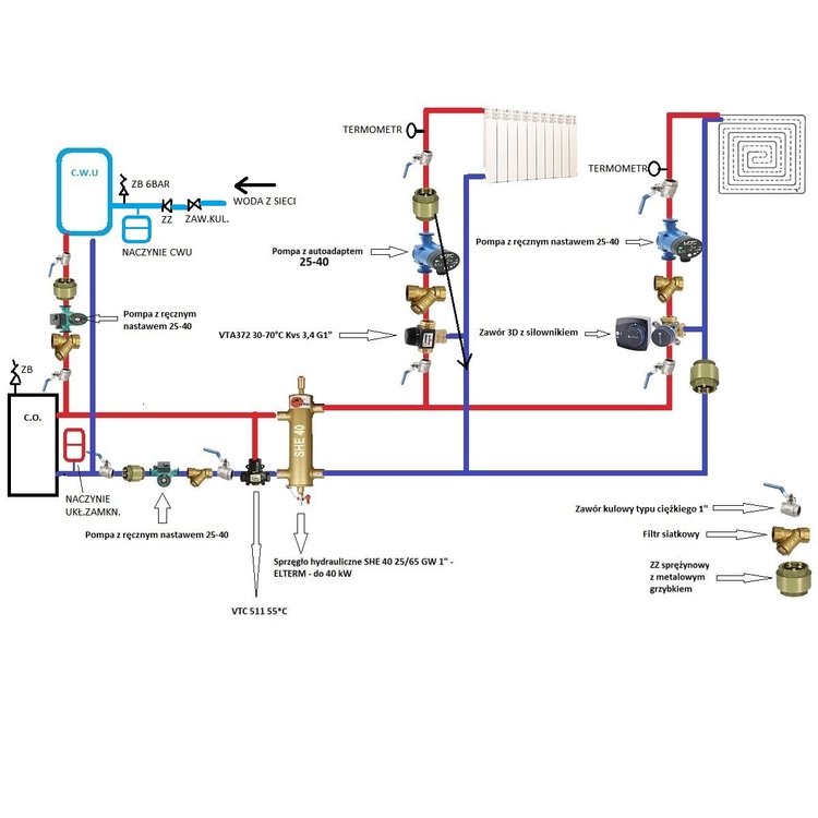
gmaj22 Opublikowano 17 Listopada 2019 #10 Opublikowano 17 Listopada 2019 Powyższe rady są jak najbardziej na miejscu, ale to jednak tylko ratowanie ustawieniami żle zrobionej instalacji. To jest instalacja dla kotła na ekogroszek a nie na pellet. Braku właściwej ochrony powrotu nie zastąpi stała praca pompy CWU, tym bardziej że brak jest zaworu 3D p.oparzeniowego. Nawiasem mówiąc, będąc na miejscu autora, zamówił bym kocioł z podajnikem z lewej strony i ustawił go "tyłem" do komina. Mniej rur i łatwiejsze podłączenia. Przypuszczam, że kocioł został zakupiony bez wcześniejszej konsultacji z instalatorem. Nie wiem, ile jest w obiegu grzejników, ale skoro głównie jest OP, dałbym bufor. Zwłaszcza, że miejsce na niego jest. Niestety, znacznie podwyższa koszt instalacji. Albo robisz raz a dobrze, albo będziesz bujać się po forach kilka następnych sezonów. Poniżej przytaczany już wiele razy na tym forum schemat, jak to powinno być zrobione (bez bufora)- można sobie darować mieszacz na obiegu grzejników, jeśli są na nich zawory termostatyczne. Poniżej przykład, jak można estetycznie i skutecznie rozwiązać połączenia sprzęgło-obiegi: w Twoim przypadku wersja prawa.
Pley86 Opublikowano 17 Listopada 2019 Autor #11 Opublikowano 17 Listopada 2019 2 godziny temu, g69 napisał: Prawdopodobnie ogrzewanie podłogowe.Na ilu metrach kwadratowych jest OP? W jaki sposób jest prowadzony kocioł(przy jakiej temperaturze się wygasza,przy jakiej odpala)? OP jest na 82.73 m2 gdzie temp w tej chwili jest ustawiona na 28C Jest jeszcze OP w łazienkach ok 11.5 m2 tyle ze jest podpiete pod ogrzewanie z grzejników. Na chwilę obecną mam ustawione 63c na kotle, histereza na 5c więc przy 58 się odpala A wygasza przy osiągnięciu 63 gdzie zanim przejdzie w stan czuwania potrafi wskoczyć nawet 66-67C. http://cieplowlasciwie.pl/wynik/6djm P.S. poddasze nie jest ocieplone do końca. Jakieś 40% jest. Jestem na etapie docieplania.
Pley86 Opublikowano 17 Listopada 2019 Autor #12 Opublikowano 17 Listopada 2019 Godzinę temu, gmaj22 napisał: Przypuszczam, że kocioł został zakupiony bez wcześniejszej konsultacji z instalatorem. Nie wiem, ile jest w obiegu grzejników, ale skoro głównie jest OP, dałbym bufor. Zwłaszcza, że miejsce na niego jest. Niestety, znacznie podwyższa koszt instalacji. Zakup kotła był konsutowany z instalatorem. Ja jako inwestor wybrałem kocioł. Mam 8 grzejników. 4 w pokojach. 2 w łazienkach. 1 w garażu i 1 w spiżarni który na chwilę obecną nie jest używany. Używam to tylko wtedy, gdy mam zamiar suszyć wędliny. Myślałem na buforem, ale hydraulik powiedział że nie ma sensu ładować pieniędzy.
g69 Opublikowano 17 Listopada 2019 #13 Opublikowano 17 Listopada 2019 Jak już wszystko docieplisz to masz zapotrzebowanie na moc grzewczą nawet mniejszą od mojego domu.Tyle,że ja mam o wiele mniejszy dom.Mnie w ostatnim tygodniu średnio na dobę wyszło 15kg pelletu.Teraz nie dokończonym ociepleniem sporo ucieka ciepła.Spróbuj to co zaproponowałem.A piszę to z własnego doświadczenia.Twój kocioł ma jeszcze większą pojemność wodną od mojego więc zaletą będzie prowadzenie go na wysokiej histerezie i stałej pracy pomp.
Pley86 Opublikowano 17 Listopada 2019 Autor #14 Opublikowano 17 Listopada 2019 A więc ustawilem CO na 70, histereze na 25 i pompe cwu przepiolem ( wtyczka zasilajaca) na pompe dodatkowa 2 aby cały czas chodziła bo chyba inaczej się nie da prawda? W opcji na sterowniku st550 czy w tej chwili działa jako cyrkulacyjna z 20 min praca i 1 min przerwa w dzialaniu. Nie bardzo wiem tylko co z temp cwu...ma być taka sama jak CO?
g69 Opublikowano 17 Listopada 2019 #15 Opublikowano 17 Listopada 2019 50 minut temu, Pley86 napisał: Nie bardzo wiem tylko co z temp cwu...ma być taka sama jak CO? A jaką masz ustawioną temperaturę CWU? Celem tych testów jest obserwacja zależności pomiędzy ciepłym powrotem kotła,dużą histerezą kotła a ilością spalonego pelletu. Jeśli testy będą dla Ciebie akceptowalne zastanowimy się co dalej. Czytam instrukcję twojego sterownika i nie podoba mi się ta zależność: Po załączeniu funkcji wygaszanie podajnik przestaje podawać opał do paleniska a wentylator pracuje do momentu, gdy temperatura spalin spadnie poniżej temperatury 50˚C (ustawienie fabryczne). Tak mi się zdaje,że wentylator niepotrzebnie wychładza wymiennik,przez co przyspiesza kolejne odpalenie kotła.Oszczędności w ilości spalonego peletu to jak najdłuższe postoje.
Pley86 Opublikowano 17 Listopada 2019 Autor #16 Opublikowano 17 Listopada 2019 Cwu mam ustawione na 50 stopni. A co Pan w takim razie proponuje z tym wentylatorem? W menu serwisowym skrócić czas wygaszania czy tylko zmniejszyć pracę wentylatora?
g69 Opublikowano 17 Listopada 2019 #17 Opublikowano 17 Listopada 2019 Może zanim cokolwiek zrobisz to spróbuj podpatrzeć podczas wygaszania ile wynosi temperatura na kotle gdy wentylator jest bliski tych 50 stopni spalin. A jak wygląda teraz praca kotła? Temperatura powrotu się podniosła? Jaką największą temperaturę spalin osiąga u Ciebie ten kocioł?
Pley86 Opublikowano 17 Listopada 2019 Autor #18 Opublikowano 17 Listopada 2019 Narazie nie ma mnie w domu więc nie wiem a w aplikacji w telefonie niestety nie wyświetla nigdzie temp powrotu. Z tego co dziś zaobserowalem to około 150 stopni spaliny. Jako ciekawostkę dodam że wczoraj byłem u sąsiada który miał 2 dni temu odpalany 1 raz kocioł pelletowy i wyglądało to dużo lepiej niż u mnie. Mianowicie temp powrotu była cały czas o 4-5 stopni mniejsza od zmierzonej na kotle...A u mnie praktycznie cały czas jest mniejsza o 10-20 stopni. Normalnie szlag mnie trafia...
gmaj22 Opublikowano 17 Listopada 2019 #19 Opublikowano 17 Listopada 2019 A zwróciłeś uwagę, jak ma wykonaną instalację wokół kotła?
eliks Opublikowano 17 Listopada 2019 #20 Opublikowano 17 Listopada 2019 Mnie jeszcze ciekawi to ogrzewanie podłogowe podłączone pod grzejniki.
sambor Opublikowano 17 Listopada 2019 #21 Opublikowano 17 Listopada 2019 47 minut temu, Pley86 napisał: Mianowicie temp powrotu była cały czas o 4-5 stopni mniejsza od zmierzonej na kotle...A u mnie praktycznie cały czas jest mniejsza o 10-20 stopni. Normalnie szlag mnie trafia... Gdybyś wiedział że różnica miedzy zasilaniem a powrotem zależy od dwóch czynników - zapotrzebowania na ciepło budynku - prędkości przepływu w obiegu kotłowym, to byś zadawał trochę inne pytania. I szlag by cię nie trafiał. Ponadto nigdzie nie znalazłem schematu tej instalacji, wiec nie mamy co dyskutować o nastawach i innych bzdetach - takich jak kocioł sąsiada.
g69 Opublikowano 17 Listopada 2019 #22 Opublikowano 17 Listopada 2019 Godzinę temu, Pley86 napisał: ..A u mnie praktycznie cały czas jest mniejsza o 10-20 stopni. Normalnie szlag mnie trafia... Spokojnie jesteś w fazie testów.Przyjedziesz do domu zobaczysz jaka jest temperatura powrotu. Ważne jest by ocenić jaki ma to wpływ na to co napisałeś na początku: W dniu 15.11.2019 o 15:21, Pley86 napisał: Mianowicie kociol spala mi w tej chwili 2 worki po 15 kilo dziennie (5-12C noc-dzień). A powiedz jak ustawiłeś na kotle 70 stopni to znaczy,że przy tej temperaturze się wygasza? Czy jeszcze przechodzi w jakiś nadzór? Jak długi jest teraz postój kotła od momentu wygaszenia do ponownego odpalenia?
Pley86 Opublikowano 17 Listopada 2019 Autor #23 Opublikowano 17 Listopada 2019 4 godziny temu, eliks napisał: Mnie jeszcze ciekawi to ogrzewanie podłogowe podłączone pod grzejniki. No a mianowicie co dokładnie? Tak wymyślił intalator i wstawił mi termostaty w kotłowni do regulacji temperatury. Trochę mi się to nie podoba bo nie wiem jaka jest temp podłogi. Podłogi w łazienkach są wyraźnie cieplejsze. 3 godziny temu, g69 napisał: A powiedz jak ustawiłeś na kotle 70 stopni to znaczy,że przy tej temperaturze się wygasza? Czy jeszcze przechodzi w jakiś nadzór? Tak przy 70 się wygasza. Nadzór wyłączony. 4 godziny temu, g69 napisał: Jak długi jest teraz postój kotła od momentu wygaszenia do ponownego odpalenia? Niecałe 1,5h na chwilę obecną.
Pley86 Opublikowano 17 Listopada 2019 Autor #24 Opublikowano 17 Listopada 2019 5 godzin temu, gmaj22 napisał: A zwróciłeś uwagę, jak ma wykonaną instalację wokół kotła? Rozumiem że Pan twierdzi że jest źle wykonana? Hydraulik twierdzi że wszystko jest dobrze zrobione, może tylko 4d by usunął/wymienił.
g69 Opublikowano 18 Listopada 2019 #25 Opublikowano 18 Listopada 2019 @Pley86 Czy ja dobrze widzę,że masz cyrkulację ciepłej wody?Jeśli tak to jak często pracuje pompa? Przy źle izolowanej cyrkulacji i częstej pracy pompy trzeba być świadomym większego spalania pelletu.
Rekomendowane odpowiedzi
Zarchiwizowany
Ten temat przebywa obecnie w archiwum. Dodawanie nowych odpowiedzi zostało zablokowane.