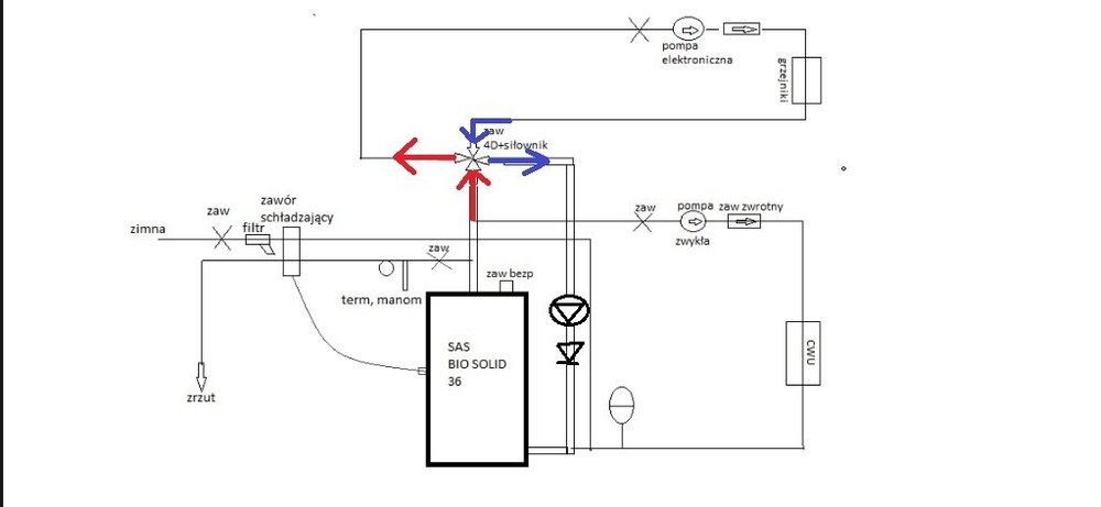
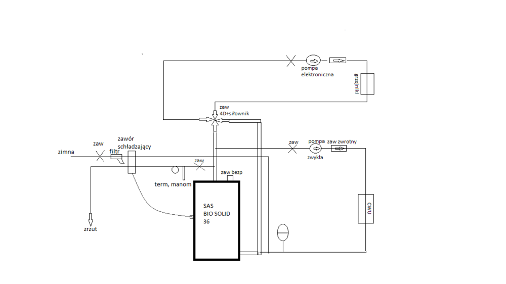
Karol11 Opublikowano 12 Lutego 2019 #1 Opublikowano 12 Lutego 2019 Witam Jako osoba interesująca się tematem ogrzewania od 2 miesięcy, proszę o poradę w sprawie zmian mojej instalacji bo wymiana pieca się zbliża. Dla jasności instalacji nie będę robił sam ale wolałbym mieć wpływ na majstra żeby było w miarę prawidłowo. Ale od początku. Stary dom lata 70/80, nieocieplony, 2 piętra, raczej grube rury, same grzejniki żadnej podłogówki oraz bojler cwu całość napędza piec na miał. A teraz o tym co mam w planach i jak to widzę. Piec Sas bio solid 36W na pellet. Jako że stara instalacja ma zbiornik wzbiorczy na jednym z pionów a prowadzenie nowej rury odpada więc chciałbym przejść na układ zamknięty to co wymyśliłem jest na schemacie. Sterownik od sasa ST555P+ sterownik pokojowy pogodowy również (bo podobno jest w zestawie). Kilka grzejników otrzyma zawory termostatyczne ale raczej nie wszystkie, nie będzie też ich w pomieszczeniu ze sterownikiem pokojowym. Czy zawór 4D sprawdzi się w mojej sytuacji? Sporo się naczytałem o tym jak ludzie narzekają ale inni twierdzą że winny zawsze jest zły montaż cienkie rury obiegu kotłowego dużo kolanek itp. Myślę że już wiem jak go zamontować ale czy można mieć pewność? A może w linii powrotu z 4d do pieca zawczasu zostawić miejsce by w razie czego wykręcić kawałek rury i wstawić pompkę. Chociaż nie ukrywam że właśnie dlatego skupiłem się na zaworze 4d aby uniknąć dodatkowej pompy kotłowej no bo po co ma prąd zjadać :) I tu pytanie czy to zadziała a jeśli nie to jak zrobić inaczej aby nie mieć problemów z ogrzewaniem, temperaturą powrotu itd? Nie jestem fanatykiem zaworu 4D może być inaczej. Jeśli ktoś mądrzejszy powie że 3d i pompa kotłowa to nie będę kłótliwy Czy zawory różnicowe są potrzebne? instalacja kiedyś działała grawitacyjnie teraz jest pompka, ale dochodzi zawór 4d opory przepływu itd a poza tym piec i tak nie zadziała bez prądu a gdyby jakimś cudem się przegrzał to będzie zawór schładzający, sterownik załączy pompki cały szereg zabezpieczeń więc w schemacie różnicówki nie ująłem. Pompa do cwu. Pompy teraz nie ma działa to grawitacyjnie. Myślę że jeśli ją dam to woda będzie gotowa szybciej a gdy już się nagrzeje i sterownik wyłączy pompę to będzie ona stawiała jakiś opór i piec nie będzie oddawał ciepła na ten obieg co da jakieś oszczędności. Dobrze rozumuję? Co do samego schematu jeśli jest prawidłowy to proszę o porady gdzie ewentualnie dać jakieś zaworki (pomocne w razie wymiany czegoś), może jeszcze jakieś zwrotne bądź filtry proszę o poradę. Przejście na układ zamknięty Może macie inny sposób zamiast przechodzenia na zamknięty? ale puki co taki właśnie jest plan i teraz jak to zrobić gdy układ puki co wygląda mniej więcej tak Pionów jest więcej, na schemacie ten połączony z rurą wzbiorczą, ale wszystkie no prócz jednego chyba mają połączoną rurę odpowietrzającą. Czy będzie ok jeśli rurę wzbiorczą utnę i zaślepię odpowietrznikiem przy samym zbiorniku a rury odpowietrzające utnę i zaślepię całkowicie? a może tu również dać odpowietrzniki ( w większości są przy grzejnikach). będe wdzięczny za pomoc i każdą krytyczną uwagę.
mironw Opublikowano 12 Lutego 2019 #2 Opublikowano 12 Lutego 2019 4D zasilanie na grzejniki od góry Kliknij, aby wybrać pliki
zaworek Opublikowano 12 Lutego 2019 #4 Opublikowano 12 Lutego 2019 Jak w załączniku podłączenie zaworu 4D
mironw Opublikowano 12 Lutego 2019 #5 Opublikowano 12 Lutego 2019 10 minut temu, zaworek napisał: Źle dzięki zaworek nie z tej strony popatrzyłem
Karol11 Opublikowano 12 Lutego 2019 Autor #6 Opublikowano 12 Lutego 2019 Ok filtry przed każdą pompą rozumiem i już domalowuję jak zaznaczył Mironw. Ale pompa na powrocie zaworu made by Zaworek to już średnio ogarniam. Myślałem że takie rozwiązanie raczej stosuje się wtedy gdy sam zawór 4d nie zdał egzaminu ale skoro już jest to po prostu go dosprawniamy tą pompą na powrocie. Ale czym różni się taki układ od układu z zaworem 3d + pompa pomiędzy wyjściem a wejściem kotła? Czy może miałeś na myśli tą pompę zamiast tej na zasilaniu grzejników chociaż takiego rozwiązania nie spotkałem w internetach
Karol11 Opublikowano 13 Lutego 2019 Autor #9 Opublikowano 13 Lutego 2019 Jak wspomniałem nie jestem uparty nie musi być 4D ale dlaczego nie? no i co zamiast? Czytałem mnóstwo postów że jak pellet to nie 4d ale nigdzie nie wyczytałem dlaczego. Producent niby zaleca. Może lepszy byłby 3D czy pompa kotłowa jest wtedy niezbędna?
Gonzo19 Opublikowano 13 Lutego 2019 #10 Opublikowano 13 Lutego 2019 czy 3D czy 4D pompa kotłowa jest niezbędna. 51 minut temu, Karol11 napisał: Jak wspomniałem nie jestem uparty nie musi być 4D ale dlaczego nie? zamontuj ten 4D, wtedy sam sobie odpowiesz na pytanie które zadałeś. 53 minuty temu, Karol11 napisał: no i co zamiast? 3D
MoskiTe Opublikowano 13 Lutego 2019 #11 Opublikowano 13 Lutego 2019 Dobry schemat Jeżeli zależy ci na dobrym spalaniu Natomiast 4D to i siłownik do niego sterowanie pogodowe :-) (można i 3d klepnąć) ale pieniądze te same 4d i siłownik bo ręczna nastawa to średnio chyba ze warunki sie nie zmieniają co jest nie realne Może się okazać pompa kotłowa ale nie musisz jej montować odrazu niby wystarcza zwykła i autoadapt jest nieporozumieniem ale i tak "zalecam pompy autoadapt wszędzie" z racji nawet poboru prądu i tego ze te zwykłe to jakieś buble :-)
Karol11 Opublikowano 13 Lutego 2019 Autor #12 Opublikowano 13 Lutego 2019 Pogodówka będzie ale to wcale nie znaczy że muszę z niej korzystać. Czyli mój pomysł na zostawienie miejsca pod ewentualny szybki montaż pompy kotłowej jest dobry. Pompy z autoadapt jedynie na bojler zwykła (bo zostanie po rozbiórce bieżącej instalacji). Najgorsze są te mieszane opinie 4D/3D. Gonzo zmusza mnie do tworzenia nowego schematu w oparciu o 3D :) pokaże oba gościowi który będzie to montował to zrobi oczy i wyjdzie pewnie.
gmaj22 Opublikowano 13 Lutego 2019 #13 Opublikowano 13 Lutego 2019 4 godziny temu, sambor napisał: A co nie wolno? Oczywiście że wolno, tylko tu mamy wyłącznie grzejniki, na których będą głowice termostatyczne (nie na wszytkich) a więc temperatura zasilania grzejników raczej nie będzie przekraczać 50 C. Zastanawiam się, czy przy temp. na kotle np. 70 C i 50 C za mieszaczem, uda się utrzymać na powrocie temperaturę powyżej 50 C bez "wspomagania" pompą CWU. Tam są grube rury, sporo wody, pewnie niedowymiarowane grzejniki dla niższych parametrów zasilania/powrotu CO, więc kolega będzie musiał grzać większym przepływem. Czy to niewłaściwy tok rozumowania?
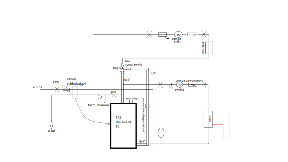
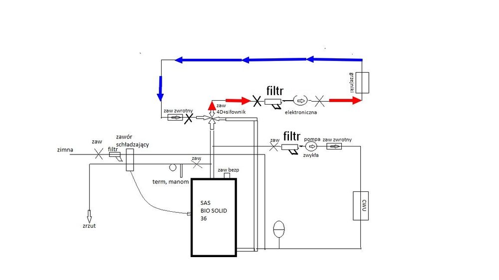
Karol11 Opublikowano 13 Lutego 2019 Autor #14 Opublikowano 13 Lutego 2019 Ok Panowie. Wstawiam oba schematy fajnie jak byście je skomentowali. Dopracowany schemat z zaworem 4D. I nowa koncepcja z zaworem 3D. Przy 3D w internecie jest mnóstwo opcji na zasilaniu na powrocie przed pompą za pompą, jak byłoby najlepiej w moim wypadku
Karol11 Opublikowano 13 Lutego 2019 Autor #16 Opublikowano 13 Lutego 2019 Lepiej dać filtr pompa zwrotny przed zaworem? o to ci chodzi?
gmaj22 Opublikowano 13 Lutego 2019 #17 Opublikowano 13 Lutego 2019 Nie o to, tylko ze wrzuciłeś trzy grzyby w barszcz: ochrona powrotu 3D "grzejnikowym", dodatkowo ochrona pompą kotłową/CWU z jednoczesnym grzaniem bojlera.
Gonzo19 Opublikowano 13 Lutego 2019 #18 Opublikowano 13 Lutego 2019 drugi jest prawie dobry, gdybyś dał pompe z filtrem i ZZ przed zbiornikiem cwu(na rysunku nad zbiornikiem) to byłoby ok. @gmaj22 a w trybie lato? pompa kotłowo/grzejnikowa wtedy nie chodzi.
gmaj22 Opublikowano 13 Lutego 2019 #19 Opublikowano 13 Lutego 2019 Na drugim schemacie nie ma pompy kotłowo- grzejnikowe jak, raczej kotłowo- CWU. W trybie lato pompa co jest wyłączona i siłownik zamyka mieszacz, czyli w tym przypadku odcina króciec podmieszania 3D z rury zasilającej kotła.
Gonzo19 Opublikowano 13 Lutego 2019 #20 Opublikowano 13 Lutego 2019 23 minuty temu, gmaj22 napisał: nie ma pompy kotłowo- grzejnikowe jak, raczej kotłowo- CWU ? 23 minuty temu, gmaj22 napisał: W trybie lato pompa co jest wyłączona i siłownik zamyka mieszacz, czyli w tym przypadku odcina króciec podmieszania 3D z rury zasilającej kotła. zgadza się więc dlaczego twierdzisz Godzinę temu, gmaj22 napisał: wrzuciłeś trzy grzyby w barszcz ?
Karol11 Opublikowano 13 Lutego 2019 Autor #21 Opublikowano 13 Lutego 2019 Wyszedłem z założenia że jeśli idzie o cwu to pompa ma wymuszać obieg wody i jest to obojętne czy jest przed czy za ale być może się mylę. Poza tym nie chodzi cały czas więc marna to ochrona powrotu raczej takie podgrzanie go co jakiś czas. Natomiast 3D po zastanowieniu faktycznie coś mi się nie podoba. Dałbym go na zasilaniu, pomiędzy 3d a grzejniki dał pompę a ostatni króciec do powrotu kotła. Wtedy latem gdy nie grzeją grzejniki była by szansa że obieg kotłowy ruszy grawitacyjnie. Dobrze kombinuję? Muszę zrobić przerwę dosyć już oglądania rurek wieczorem postaram się to namalować
Gonzo19 Opublikowano 13 Lutego 2019 #22 Opublikowano 13 Lutego 2019 18 minut temu, Karol11 napisał: Wyszedłem z założenia że jeśli idzie o cwu to pompa ma wymuszać obieg wody i jest to obojętne czy jest przed czy za ale być może się mylę. założenie jest słuszne, ale nie jest obojętne miejsce wpięcia. jak wepniesz pomiędzy grzejniki a zawór 3D to nie będzie przepływu, bo zawór zablokuje, poza tym, bedziesz miał w tym przypadku szeregowe podłączenie pomp. zrób tak lub daj ten 4D.
zaworek Opublikowano 13 Lutego 2019 #23 Opublikowano 13 Lutego 2019 Jak na zaw.3D to najlepiej na stałotemperaturowym np.VTC 511/55st lub odpowiednik ATV
Gonzo19 Opublikowano 13 Lutego 2019 #24 Opublikowano 13 Lutego 2019 w tym konkretnym przypadku zastanowiłbym się jednak nad zwykłym 3D i siłownikiem. chodzi o to aby nie zamykał się do końca
zaworek Opublikowano 13 Lutego 2019 #25 Opublikowano 13 Lutego 2019 W jakim celu ma się nie zamykać do końca?
Rekomendowane odpowiedzi
Zarchiwizowany
Ten temat przebywa obecnie w archiwum. Dodawanie nowych odpowiedzi zostało zablokowane.