Tomek9 Opublikowano 18 Sierpnia 2018 #1 Opublikowano 18 Sierpnia 2018 Witam! Bardzo proszę o pomoc, najlepiej osoby które mają już od dłuższego czasu ogrzewanie podłogowe, które zajmują się jego montażem, osoby które się dobrze na tym znają i pomogą mi dobrze wybrać. Dom 165 m2 parter z poddaszem. Instalacja składa się z pieca, kotła półautomatycznego(ze sterownikiem i nadmuchem na węgiel), bojlera 140 l dwupłaszczowego, jednej pompki. Od pieca rury miedziane do skrzynek z rozdzielaczami, od rozdzielaczy alu/pex. Zamierzam naprawić spapraną przez "fachowców" instalację parteru. Chodzi o to ,że pod jeden rozdzielacz zostały podłączone zarówno pętle podłogówki jak i grzejniki. Ogrzewanie podłogowe mam na powierzchni ok. 60 m2 oraz dodatkowo grzejniki tj. wiatrołap,hol+grzejnik, kuchnia, łazienka +grzejnik, salon +grzejnik, jadalnia +grzejnik, pokój grzejnik bez podłogówki. Najmniejsze pętle podłogówki to wiatrołap i łazienka, one najszybciej się nagrzewają i najmocniej grzeją, ale ogólnie jest problem z tym ,że podłoga jest nierównomiernie ciepła. Ma problem z wodą powrotną. Gdy jest ogrzewany dom temperatura na piecu wynosi 70, zaś temp. wody powrotnej wynosi 38 stopni, a zalecana minimalna przez producenta to 45. Przy paleniu w lecie w celu ogrzania wody w bojlerze temp. wody powrotnej 45 stopni osiąga gdy temp. na piecu jest powyżej 70. Wydaje mi się że należy: Wyrzucić istniejącą skrzynkę powiększyć otwór i wstawić większą. Wyrzucić rozdzielacz, wstawić jeden z grupą pompową, drugi osobny do grzejników Wstawić zawór trójdrogowy na powrocie aby podwyższyć temp. na powrocie. Koszt: skrzynka 200 zł, rozdzielacz do podłogówki 800 zł, rozdzielacz grzejnikowy 200zł, zawór Afriso ARV ProClick chyba ok 200zł Poniżej zdjęcia mojej instalacji oraz zdjęcia rzeczy które zamierzam kupić. Zależy mi aby działało to w miarę bezproblemowo, w miarę łatwo będą to obsługiwać mama z tatą. Czy można to zrobić jakoś lepiej, taniej... Proszę się wypowiedzieć co sądzicie o takim zakupie.
odpowietrznik Opublikowano 18 Sierpnia 2018 #2 Opublikowano 18 Sierpnia 2018 Sugeruje wykonanie wg.schematu jak w załączniku.Rozdzielacza do grzejników nie musisz kupować bo już masz zaślepisz tylko wyjścia te które się "zwolnią"po podłogówce.Rozdzielacz do podłogówki musisz kupić oczywiście z rotametrami.Zawór 3D który zasugerowałeś jest pod siłownik natomiast ten który jest na załączonym zdjęciu to zawór termostat.3D regulowany ręcznie. Co do wyboru zaworu 3D do podłogówki zależy jak chcesz tym sterować, czy np.sterownik kotła w ogóle obsługuje zawór 3D z siłownikiem.Musisz dobrać odpowiedniej wielkości zawór 3D i odpowiedniej średnicy rury do rozdzielacza OP.Jezeli wykonasz wg.schematu jak w załączniku to wszystkie obiegi są sterowane niezależnie masz zapewnioną ochronę powrotu dzięki pompie kotłowej.Nie będzie to tanie bo 4pompy ale coś za coś.
Tomek9 Opublikowano 18 Sierpnia 2018 Autor #3 Opublikowano 18 Sierpnia 2018 Chciałbym jednak aby te dwa rozdzielacze zmieścić w jednej skrzynce bo wtedy bym miał mniej do przerabiania i myślałem nad rozdzieleniem istniejącej rury zasilającej i powrotnej na dwa rozdzielacze. Czy te 4 pompy to konieczność? Obecnie mam jedną Omnigena 25/60- 180 i miałem zamiar dodać jeszcze jedną tylko słabszą do podłogówki 25-40-130. Byłby problem bo mój sterownik obsługuje 2 pompy (C.O, C.W.U) i pod C.W.U miałem zamiar podłączyć pompę od podłogówki. Nie wystarczy wstawienie samego zaworu 3D aby podnieść temp. powrotu? Miałem zamiar poprowadzić wstawić trójnik do rury zasilającej bojler i poprowadzić ją do zaworu 3D który byłby zamontowany na rurze zaraz przy powrocie do kotła.
odpowietrznik Opublikowano 18 Sierpnia 2018 #4 Opublikowano 18 Sierpnia 2018 Jak chcesz oszczędzać to ewentualnie jak w zał. lub na 3pompach (bez kotłowej)wtedy ochronę powrotu możesz realizować poprzez pompę CWU na stałe co jest równoznaczne z tym że temp.wody w zasobniku =temp.wody w kotle.Że ta podłoga jeszcze "nie poszła" to cud jak idzie na nią ta sama temp.co na grzejniki,nic nie ogranicza temp.na OP.Zawór 3D na podłogówkę nie ma nic wspólnego z temp.powrotu do kotła wręcz jego dodanie może ją tylko obniżyć ale oczywiście obowiązkowo musi być
Tomek9 Opublikowano 18 Sierpnia 2018 Autor #5 Opublikowano 18 Sierpnia 2018 Dokładnie tak mam zrobione,a przynajmniej fachowiec tak mówił, że temp.wody w zasobniku = temp.wody w kotle. Dwa lata tak był ogrzewany dom i na szczęście nic się nie stało :) Najbardziej uważałem na wiatrołap i łazienkę bo to małe pętle i najszybciej się nagrzewały i jak płytki robiły się wyczówalnie cieplejsze to przykręcałem zawory grzybkowe przy rozdzielaczu na zasialniu i powrocie.Wydaje mi się ,że jest trochę tych pętli i nim ta cała woda została ogrzana to przestawało się już palić :D. Głównie to tak chyba z 4/5 godzin było palone drewnem i według mnie szło go bardzo dużo. Czy rysunek który zmieniłem jest dobry? Żółty prostokąt to jest zawór różnicowy tak?Do czego jest on potrzebny na powrocie z podłogówki?
odpowietrznik Opublikowano 18 Sierpnia 2018 #6 Opublikowano 18 Sierpnia 2018 To żółte te zawór zwrotny.To co poprawiłeś jest źle.Te zaworki na rozdzielaczu to nie są grzybkowe tylko kulowe
Tomek9 Opublikowano 18 Sierpnia 2018 Autor #7 Opublikowano 18 Sierpnia 2018 Proszę o wytłumaczenie dlaczego mój rysunek jest zły? No tak kulowy nie grzybkowy przepraszam :) Proszę również o zrozumienie bo to nie moja dziedzina i się na tym nie znam ale chciałbym może czegoś się nauczyć aby gdy wezwę znowu fachowców aby to poprawili nie zrobili tego znowu źle...
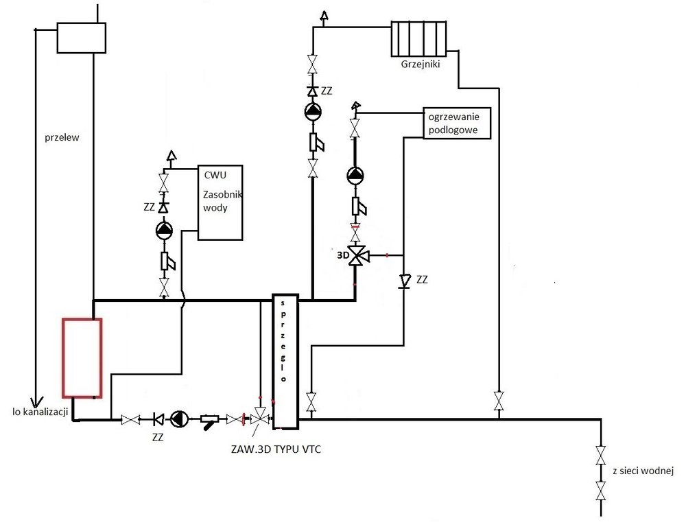
Tomek9 Opublikowano 18 Sierpnia 2018 Autor #9 Opublikowano 18 Sierpnia 2018 zawór 3D do podwyższenia temp. powrotu :D
odpowietrznik Opublikowano 18 Sierpnia 2018 #10 Opublikowano 18 Sierpnia 2018 Taki zawór 3D musi mieć swoją pompę w odpowiednim miejscu.Zastosowanie zaworu 3D w funkcji ochrony powrotu w twojej instalacji gdzie musi być jeszcze drugi zawór 3D na OP wymusza zastosowanie sprzęgła hydraulicznego.Tym samym wracamy do 4szt pomp +jeszcze sprzęgło hydrauliczne (najdroższa opcja z przedstawionych)
Tomek9 Opublikowano 18 Sierpnia 2018 Autor #11 Opublikowano 18 Sierpnia 2018 Szczerze mówiąc nie sądziłem że to wszystko takie skomplikowane. Na dwóch pompach nie da się zrobić aby cała instalacja dobrze działała i osiągnąć tą wodę powrotną powyżej 45 stopni?
CIHYMUR Opublikowano 18 Sierpnia 2018 #12 Opublikowano 18 Sierpnia 2018 Najlepiej na czterech. Jak kolega odpowietrznik parę postów wcześniej napisał . Wie co mówi. Pozdrawiam
Ksieciunio Opublikowano 18 Sierpnia 2018 #13 Opublikowano 18 Sierpnia 2018 Ja nie rozumiem, skoro pisales, ze chcesz naprawic w koncu cala instalacje to po co kombinujesz ? Przecież nawet chińska pompa która juz masz to koszt 200zl, to jaki to procent przeróbki takiej instalcji ktora ma działać lata.
sambor Opublikowano 18 Sierpnia 2018 #14 Opublikowano 18 Sierpnia 2018 Do schematu @odpowietrznika trzeba dać dodatkowe rury od kotłowni do rozdzielaczy To duży remont A ilość pomp to tu najmniejsze zmartwienie
g69 Opublikowano 19 Sierpnia 2018 #15 Opublikowano 19 Sierpnia 2018 23 godziny temu, Tomek9 napisał: Ogrzewanie podłogowe mam na powierzchni ok. 60 m2 oraz dodatkowo grzejniki tj. wiatrołap,hol+grzejnik, kuchnia, łazienka +grzejnik, salon +grzejnik, jadalnia +grzejnik, pokój grzejnik bez podłogówki. Jeśli dobrze zrozumiałem to tylko w jednym pomieszczeniu nie masz ogrzewania podłogowego.W pozostałych pomieszczeniach zarówno grzejniki jak także ogrzewanie podłogowe pracują na tej samej temperaturze zasilania.Teraz pytanie czy ten układ da komfort cieplny gdy będzie zasilany niską temperaturą rzędu 25-35 stopni? Jeśli tak to można by przemyśleć założenie w pokoju grzejnika niskotemperaturowego a w kotłowni np.taki zawór : Na zaworze ustawiasz temperaturę w zakresie 20-43 stopnie a układ pracuje na jednej pompie.
Tomek9 Opublikowano 19 Sierpnia 2018 Autor #16 Opublikowano 19 Sierpnia 2018 Księciunio kombinuje bo mam sterownik co obsługuje 2 pompy i gdyby była możliwość aby dało się to tak zrobić aby grzejniki i podłogówka oraz aby temp. wody powrotnej miała powyżej 45 stopni byłoby najlepiej dla mnie bo również nie wymagałoby to dużych przeróbek a jak już wymieniłem na wstępie koszt samych części to ok. 1500 zł + robocizna.
Tomek9 Opublikowano 19 Sierpnia 2018 Autor #17 Opublikowano 19 Sierpnia 2018 sambor jak według Ciebie powinno to wyglądać?
Tomek9 Opublikowano 19 Sierpnia 2018 Autor #18 Opublikowano 19 Sierpnia 2018 g69 co zmieni wstawienie jednego grzejnika niskotemperaturowego w pokoju oraz tego zaworu? Co z pozostałymi grzejnikami, mają pracować na zasilaniu 43 stopni?
g69 Opublikowano 19 Sierpnia 2018 #19 Opublikowano 19 Sierpnia 2018 Tomek układ właśnie miałby pracować na niskiej temperaturze zasilania.Zarówno podłoga jak i grzejniki pracują na tej samej temperaturze i na jednym rozdzielaczu i jednej pompie.Dlatego w pokoju gdzie nie ma ogrzewania podłogowego należałoby mocno przewymiarować grzejnik.Jaki jest rozstaw rurek w ogrzewaniu podłogowym i jakiej średnicy? Jak układ dałby radę ogrzać dom na niskiej temperaturze zasilania to będzie Pan zadowolony. Druga opcja pod ten grzejnik gdzie nie ma ogrzewania podłogowego można pociągnąć osobne zasilanie z wyższą temperaturą.Np między pompą CWU a bojlerem robisz trójnik gdzie jedna odnoga idzie na grzejnik w pokoju a jednocześnie masz ochronę powrotu. Odpowietrznik coś takiego wcześniej wkleił.
odpowietrznik Opublikowano 19 Sierpnia 2018 #20 Opublikowano 19 Sierpnia 2018 Przy tych 2 pompach i twoich założeniach to sobie za bardzo nie posterujesz)Właściwie obie powinny chodzić cały czas.To że sterownik obsługuje 2 pompy to nie znaczy że każdy rodzaj pomp.Twój pewnie obsługuje pompę na grzejniki i CWU a że chcesz mieć tylko 2 szt pomp to jedna musi być na OP a druga wspólna na CWU+grzejniki.Całe "sterowanie"będzie polegać na ustawieniu progu załączania pomp)Sterownik pewnie też nie obsługuje zaworu 3D z siłownikiem to też pozostaje zawór 3D termost.z ręczną nastawą temp.czyli np. ESBE VTA 20-43st Oczywiście należy poprowadzić osobne rury do rozdzielaczy+zawory termostatyczne na grzejnikach.Temp.powrotu do kotła powinna być wyższa niż sobie zakładasz a mianowicie >50st. i tyle) Być może kol.Sambor doradzi ci coś mądrzejszego.
Tomek9 Opublikowano 19 Sierpnia 2018 Autor #21 Opublikowano 19 Sierpnia 2018 odpowietrznik wszystko co napisałeś to prawda i dokładnie tak myślałem to przerobić tylko nie wiedziałem czy to będzie dobrze. Czyli problem z powrotem powinien również być rozwiązany? Ten zawór ESBE VTA 20-43st ma być zamontowany przed pompą w skrzynce z rozdzielaczem do podłogówki tak? Wyprowadzenia rur( zasilająca i powrotna) w mojej skrzynce mogą zostać czy muszę poprowadzić nowe? Czy wystarczy je rozdzielić tylko na rozdzielacz podłogowy i grzejnikowy( foto poniżej).
odpowietrznik Opublikowano 19 Sierpnia 2018 #22 Opublikowano 19 Sierpnia 2018 Tak nie może być.Mogłoby być jak w załączniku,rury idące od kotła w kolorze fiolet i pompar.odpowiednio większej średnicy i pozostaje wtedy "problem" co "napędzi" CWU potrzebna byłaby dodatkowa 3cia pompa na CWU
Tomek9 Opublikowano 19 Sierpnia 2018 Autor #23 Opublikowano 19 Sierpnia 2018 Czyli będę musiał kuć w posadce i doprowadzać osobne rury ? Proszę mi szczegółowo wyjaśnić dlaczego tak nie może być a musi zostać to zrobione inaczej. Dziękuję bardzo jednocześnie ,że zainteresował się pan moim tematem i stara się mi pomóc co jak widać nie jest proste z mojej strony :)
odpowietrznik Opublikowano 19 Sierpnia 2018 #24 Opublikowano 19 Sierpnia 2018 Tak jak narysowałeś to te dwie pompy pracowałyby w szeregu a nie powinny.Kuć albo po prostu poprowadzić po wierzchu?)Albo obie pompy w szafkach + 3cia na CWU tu pod warunkiem że istniejące w tej chwili rury zasilanie/ powrót od kotła do rozdzielacza mają odpowiednio dużą średnicę.Ale lepiej byłoby poprowadzić osobne pary rur do rozdzielacza grzejnikowego oraz podłogowego wtedy na dwóch pompach,zawór 3D i pompy możesz dać przy kotle a tylko same rury do rozdzielaczy.I zdajesz sobie sprawę z tego że będziesz musiał sztukować(przedłużać)rury Pex idące do np. grzejników to trochę porażka)
Tomek9 Opublikowano 19 Sierpnia 2018 Autor #25 Opublikowano 19 Sierpnia 2018 Aha rozumiem.Po wierzchu nie ma szans na poprowadzenie. Jeżeli chodzi o sztukowanie to myśle że uda się może trochę obniżyć nowe rozdzielacze. Pierwszy od lewej byłby od podłogówki bo jest jej tam wiecej (musiałbym przedłużyć tylko pętle od łazienki bo jest na końcu obecnego rozdzielacza) drugi grzejnikowy.
Rekomendowane odpowiedzi
Zarchiwizowany
Ten temat przebywa obecnie w archiwum. Dodawanie nowych odpowiedzi zostało zablokowane.